ЛЕКЦИИ по УФиГС (1001699), страница 5
Текст из файла (страница 5)
Формирование телеграфных ИС
Обобщенная функциональная схема формирователя показана на рис 40. Передаваемое письменное сообщение – текст преобразуется в ТЛГ-сигнал датчиком информации (ДИ), который представляет собой механический или электронный ключ, управляемый оператором, или телеграфный аппарат. ТЛГ-сигнал, сформированный на выходе ДИ в виде последовательности видеоимпульсов различной длительности, после усиления в импульсном усилителе (ИУ) подается на выход кодера.
Рис. 40. Обобщенная функциональная схема формирователя ТЛГ – сигнала.
Кодирование заключается в том, что вся последовательность видеоимпульсов, образующая ТЛГ сигнал, разделяется на равные интервалы длительностью 8τ, как показано на рис. 41 для сигнала “SOS”, где τ соответствует длительности наиболее короткого видеоимпульса ТЛГ – сигнала – длительности точки. При этом каждый такой интервал 0, 1, 2, 3 представляет собой 8 – битное информационное слово двоичной алгоритмической азбуки или 8–ми разрядный цифровой код ЦИС с длительностью символьного импульса, равной τ.
Рис. 41. Кодирование «SOS» сигнала.
Функциональная схема кодера показана на рис. 42.
Рис. 42 Функциональная схема кодера передатчика “SOS” сигнала
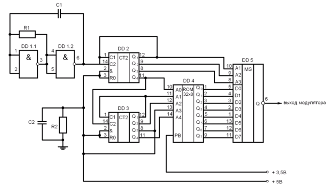
Каждое информационное слово построчно записывается в ПЗУ, а затем после заполнения всего объема памяти считывается из него, таким образом, что цикл “запись – считывание ” периодически повторяется. В момент включения напряжения питания импульс «1» подается на выводы установки нуля «R0» всех ИМС и вывод «разрешения записи – «R3» ПЗУ. В процессе записи каждый Nый ТИ увеличивает номер строки, соединяемой с информационными выводами ПЗУ, на единицу (за счет соединения N-ого выходного счетчика ДД3 с адресными входами соответствующей строки) и “обнуляет” ИМС счетчика ДД3 и МПЛ ДД6 (за счет соединения N – ого выхода счетчика ДД3 с выводами установки нуля R0 этих схем). В момент окончания записи, после заполнения последней N – ой строки, импульс “1” с N-го выхода счетчика ДД3 переводит ПЗУ в режим считывания информации. При этом на информационные выводы ПЗУ “Ивых” подаются сигналы с информационных выходов ячеек памяти i-той строки, номер которой i увеличивается на единицу с каждым N-ым ТИ аналогично процессу записи. В момент окончания считывания последней N-ой строки импульс “1” с N-го выхода счетчика ДД3 “обнуляет ” его и переводит ПЗУ в режим записи информации (начальное состояние). При этом на выходе кодера последовательно с интервалом 8τ воспроизводятся отдельные слова записанного ЦИС. Схема кодера значительно упрощается при заранее заданной структуре ТЛГ сигнала, который предварительно записывается в ПЗУ и периодически считывается из него при включении напряжения питания, что позволяет использовать ПЗУ только в режиме считывания, исключив процесс записи из цикла работы. Рассмотрим в качестве примера процесс формирования сигнала бедствия “SOS”, в схеме кодера передатчика службы спасения, принципиальная схема которого показана на рис. 43.
Рис. 43 Принципиальная схема кодера передатчика службы спасения.
Кодер формирует информационный сигнал UF(t), представляющий собой последовательность видеоимпульсов, кодирующую структуру сигнала “SOS” азбуки Морзе ЦИС-ом.
| Адрес строки | Номер ячейки/цифровой код | ||||||||
| Номер | Код | 0 | 1 | 2 | 3 | 4 | 5 | 6 | 7 |
| 0 | 00000 | 1 | 0 | 1 | 0 | 1 | 0 | 0 | 0 |
| 1 | 00001 | 1 | 1 | 1 | 0 | 1 | 1 | 1 | 0 |
| 2 | 00010 | 1 | 1 | 1 | 0 | 0 | 0 | 1 | 0 |
| 3 | 00011 | 1 | 0 | 1 | 0 | 0 | 0 | 0 | 0 |
Каждое слово построчно записывается в отдельную строку ПЗУ, которой присваивается свой десятичный номер и соответствующий ему двоичный код, как показано в таблице. Принципиальная схема кодера, рис. 43, выполнена на 5-ти ИМС:
ДД1 – генератор тактовых импульсов – ГТИ,
ДД2, ДД3 – счетчик импульсов
ДД4 – программируемое постоянно запоминающее устройство(ПЗУ)
ДД5 – мультиплексор – МПЛ
Тактовые импульсы (ТИ) с выхода ГТИ (ДД1) поступают на вход восьмиразрядного счетчика импульсов на двух ИМС (ДД2, ДД3), соединенных последовательно. Выходы счетчика Q1,Q2,Q3 ДД2 соединены с адресными входами МПЛ ДД5 “М5”(А1, А2, А3), а выходы ДД2: Q -4 и ДД3 Q1,Q2,Q3,Q4 – с адресными входами ПЗУ (ДД4) “ROM” – А0, А1, А2, А3, А4.
Временные диаграммы сигналов на выводах ИМС приведены на рис. 44.
Рис.44
Как видно из диаграммы, в течение каждого тактового интервала 0,1,2,3 (кодирующего слова) сигналы на адресных входах ПЗУ (А0 – А4) остаются неизменными. При этом адресный код строки воспроизводится последовательностью сигналов на адресных входах ПЗУ (А0 – А4) таким образом, что старшему разряду кода соответствует сигнал А4, младшему - А0. При этом, как следует из рисунка, в течение “0” – го интервала воспроизводится код “0” – ой строки: 00000, в течение 1-ого – код 1-ой строки: 00001, в течение 2-ого – код 2-ой строки: 00010, в течение 3-его – код 3-ей строки: 00011. Схема ПЗУ, при появлении определенного кода на ее адресных входах на одном из ее информационных выходов Q0 – Q7 воспроизводится определенная строка, соответствующая этому коду, на время длительности интервала 8τ. Так как код изменяется в начале каждого интервала и сохраняется неизменным в течение его длительности, то на выходах ПЗУ Q0 – Q7 последовательно воспроизводится информация, записанная в 4-х строках 0 – 3. Мультиплексор последовательно, в соответствии с сигналами “1” , подаваемыми на его адресный вход А1 с выхода Q1 (ДД2), подключает к своему выходу (выводу “6”) ячейки “0”-ой строки. Таким образом в течение первых восьми ТИ на выходе кодера воспроизводится информация, записанная в 0”-ой строке ПЗУ (первое 8-битное кодирующее слово, или первые 8 позиций “SOS”-сигнала). По окончанию восьмого ТИ на выходе кодера появляется следующее 8-битное кодирующее слово, т.е. следующие 8 позиций “SOS”-сигнала. Далее процесс повторяется по окончании каждого следующего восьмого ТИ в моменты t8, t16, t24, t32. Таким образом, на выходе кодера воспроизводятся все 32 позиции “SOS”-сигнала. В момент появления 32-ого ТИ единица “1” с выхода Q3 (вывод 8) ДД3, соединенного со входами “RO” ДД2, ДД3, обнуляет счетчики и в момент t32 на входах и выходах счетчика устанавливаются сигналы, соответствующие начальному моменту t0 и цикл повторяется. Цепочка R2C2 служит для обнуления счетчика в момент t0 подачи напряжения питания.
Лекция № 9
Формирование импульсно-модулированных (ШИМ, ВИМ) сигналов
Импульсно-модулированный ИС, представляет собой несущую импульсную последовательность, модулированную по закону первичного информационного сигнала aF(t). Так как любой модулированный сигнал может быть представлен, как было показано ранее, произведением двух функций, одна из который определяет высокочастотное несущее колебание U0(t), а другая – низкочастотное модулирующее напряжение UM(t), то формирователь ИС может быть представлен, как показано на рис. 45. Преобразователем сигналов ПС, осуществляющим операцию умножения сигналов, поступающих на его входы, выполненный на основе ИМС аналогового смесителя или цифрового логического элемента “И”.
Рис. 45 Обобщенная функциональная схема формирователя ИМ ИС
Функциональная схема импульсного модулятора, формирующего ВИМ или ШИМ – сигналы, показана на рис. 46.
Рис. 46. Функциональная схема формирователя ВИМ и ШИМ сигналов
Принцип действия компаратора иллюстрируются временными диаграммами и упрощенной функциональной схемой ИМС компаратора, приведенными на рис. 47.
Рис. 47 Временные диаграммы напряжений на входе и выходе компаратора – а и упрощенная функциональная схема ИМС компаратора – б.
Условия формирования сигналов на выходе модулятора:
Uвыхшим =
U0 для UF>UП
а для ВИМ сигналов
Uвыхвим =
U0 для UF<UП
Таким образом, ШИМ и ВИМ ИС формируются на выходах 2, 3 ИМС компаратора соответственно и после усиления в усилителе У2 поступают на выход формирователя.
Другой формирователь ШИМ – сигнала на цифровых ИМС показан на рис.48.
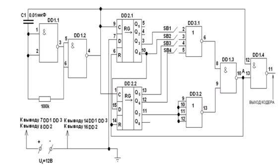
Рис.48 Принципиальная схема кодера ШИМ-сигнала.
Схема содержит три ИМС, каждая из которых объединяет несколько логических элементов: ДД1 (четыре элемента «И-НЕ» - "&"), ДД2 (два сдвиговых регистра - "PG"), ДД3 (два элемента «ИЛИ-НЕ» - "1"). Кодер формирует ШИМ ИС пяти управляющих команд 0,1,2,3,4. Команды кодируются импульсом определенной длительности τК на выходе кодера и устанавливаются оператором, нажатием одной из 4-х кнопок SB-1,SB-2,SB-3,SB-4 согласно таблице, где T= R1C1 – период ТИ, Qn-номер выхода регистра ДД2, соединенного с нажатой кнопкой, или с входом ДД3-1.
0 для UF<UП 














