ЛЕКЦИИ по УФиГС (1001699), страница 6
Текст из файла (страница 6)
Таблица 2
| Команда | “0”-стоп | “1“-назад | “2“-вперёд | “3“-влево | “4“-вправо |
| Нажатая кнопка | - | SB-4 | SB-3 | SB-2 | SB-1 |
| Длительность выходного импульса τк | 6T | 5T | 4T | 3T | 2T |
| Номер выхода DD2 регистра Qn | 7 | 6 | 5 | 4 | 3 |
Как следует из таблицы, длительность кодирующего импульса может быть определена как
τК=(n-1)T.
Процесс формирования кодирующего импульса команды поясняется временными диаграммами сигналов на выводах ИМС, приведенными на рис.49.
Рис. 49 Временные диаграммы сигналов на выводах ИМС кодера ШИМ-сигналов.
Лекция №10
В начальный момент времени t0 происходит самовозбуждение ГТИ и «обнуление» (установка нулевого уровня) выходов всех ИМС. Генератор тактовых импульсов, выполненный на двух элементах «И-НЕ» (ДД1.1, ДД1.2) формирует на своем выходе (вывод 4) непрерывную последовательность ТИ с длительностью τ, периодом Т и скважностью S=2, которые поступают на синхровходы «С» (1 и 9) регистров ДД2.1, ДД2.2 и верхний вход элемента ДД1.4 («12»). Эти импульсы передаются регистром ДД2 на его выходы Q1 - Q8 со сдвигом относительно заднего фронта 1-ого импульса на время t1n=(n-1)T, где n
(1 ÷ 8) – номер выхода ДД2, Qn. Таким образом напряжение уровня “1” появляется на n-ом выходе ДД2 в момент t1n и сохраняется там до момента “обнуления” – t2.Обнуление всех выходов ДД2 происходит одновременно, в момент t2, соответствующий появлению “1” на выходе (10) ДД1.3, в точке А соединенным с входом обнуления “R”, что происходит: 1) в момент t1n появления “1” на “n”-ом выходе ДД2 при нажатой кнопке, соединенной с этим выходом, либо 2) в момент t17 при отсутствии нажатых кнопок. Таким образом, уровень “1” сохраняется на выходе кодера (вывод 11 ДД1-4) в течение времени t1n ÷ t11 и длительность выходного импульса τк= t1n - t11, или принимая t11=0 (2.3), τк=(n – 1)T, что совпадает с данными таблицы №3.
Таблица 3
Команда | Временной интервал | Выходы ИМС | Форма выходного импульса | |||
| DD3.1 | DD3.2 | DD1.3 | DD1.4 | |||
| ˝Стоп˝ - 0 – Все кнопки отжаты | t11<t<t17 | 1 | 1 | 0 | 1 | |
| t=t17 | 1 | 0 | 1 | 0 | ||
| ˝Вперед˝ - 2 – Нажата одна кнопка (SB3) | t11<t<t14 | 1 | 1 | 0 | 1 | |
| t=t14 | 0 | 1 | 1 | 0 | ||
Таблица поясняется логикой преобразователя ИМС ЛЭ "ИЛИ-НЕ" DD3, "И-НЕ" DD1.
Для ИМС DD3 "ИЛИ-НЕ" : на выходе "1", если "0" на всех входах и на выходе "0", если "1" на одном из входов.
Для ИМС "И-НЕ" DD1 : на выходе "0", если "1" на всех входах и на выходе "1", если "0" на всех входах или одна "1".
Таким образом, ключевой точкой схемы является точка А (выводы 10-13): "1" в точке А обнуляет все выходы схемы; "0" в точке А - "1" на выходе кодера.
Через период Т после обнуления в момент t = t2 + T схема возвращается к начальному состоянию в момент t11, и “1” на каждом “n” выходе появляется снова спустя время t =t11+t1n после обнуления, и выходное напряжение представляет собой периодическую последовательность импульсов с длительностью τк, определяемой установленной командой (согласно таблице№3), то есть ШИМ сигнал.
Формирование СРС или ШПС
Формирование СРС или ШПС осуществляется путем модуляции псевдослучайной последовательности или шумового сигнала ПСП низкочастотным информационным сигналом
.
Импульсный преобразователь для формирования ИС с расширенным спектром (СРС) или шумоподобного сигнала (ШПС), показанный на рис. 50.
Рис. 50. Импульсный модулятор СРС или ШПС
Формирование групповых сигналов
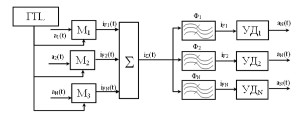
Функциональная схема формирователя группового сигнала с частотным разделением каналов показана на рис. 51,
Рис. 51 Формирователь группового сигнала с частотным разделением каналов
где обозначено: ГП~ - генератор поднесущих частот каналов FП1, FП2, …FN; М1, М2,…МN –модуляторы каналов; ai(t) – сигналы датчиков информации каналов; iFi(t) – информационные сигналы каналов; ∑ - сумматор – уплотнитель каналов; РД-разделитель каналов; i∑(t) - групповой сигнал
=
, передаваемый по линии связи; Фi – фильтры каналов; У, Дi – усилители и детекторы каналов.
Функциональная схема формирователя группового сигнала с временным разделением каналов показана на рис. 52.
Р
Ф1
ис. 52. Формирователь группового сигнала с временным разделением каналовгде обозначено iFi(t) – информационные сигналы каналов; МПЛ – мультиплексор – многопозиционный переключатель, переключающий поочередно ИС iFi каналов, поступающих на его входы, на выход, соединенный с линией связи; ГСИ – генератор синхронизирующих импульсов.
Все рассмотренные схемы – формирователей импульсных ИС реализуются на основе ИМС: многофункциональных БИС (больших интегральных схем), ПЛИС (программируемых логических интегральных схем), ГИС (гибридных интегральный схем), объединяющих интегральные схемы (МИС, СИС) определенного назначения.
Формирование радиосигналов
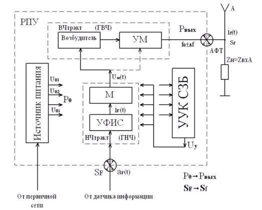
Радиосигнал (РС) представляет собой модулированное ВЧ колебание и формирование РС сводится к генерации гармонического несущего колебания высокой частоты f0>>Fmax и модуляции этого колебания по закону передаваемого информационного сигнала - (ИС) – iF(t). Источником радиосигнала в канале связи, является радиопередатчик РПД, или радиопередающее устройство – РПУ. Обобщенная функциональная схема РПУ показана на рис. 53.
Рис. 53 Обобщенная функциональная схема РПУ
Временные и спектральные характеристики РС, if(t), Sf, синтезируются на выходе РПУ в результате преобразования энергии (или мощности P0), потребляемой от источника питания, в энергию (или мощность Рвых) выходных колебаний и переноса спектра SF первичного информационного сигнала aF (t) в окрестности несущей частоты f0. Таким образом, РПУ можно рассматривать как энергетический и частотный преобразователь: Р0
Рвых , SF
Sf. Основными элементами функциональной схемы РПУ являются: возбудитель, называемый часто синтезатором частот – «СЧ», или устройством формирования сигнала (УФС), формирующий спектральные характеристики РС, и усилитель мощности – «УМ», формирующий энергетические характеристики РС. Возбудитель представляет собой модулируемый (управляемый) генератор (источник) ВЧ колебаний, параметры которых изменяются пропорционально передаваемому ИС iF (t) под воздействием модулирующего (управляющего) напряжения uм(t). Модулирующее напряжение формируется модулятором – «М» путем усиления информационного сигнала до уровня, необходимого для управления (модуляции) колебаниями ВЧ генератора. Устройство формирования информационного сигнала «УФИС» преобразует первичный ИС от датчика информации aF (t) к заданному виду ИС – iF (t). В простейших РПД с АМ радиосигналом модулирующее напряжение подается на усилитель мощности. В современных РПУ возбудитель и усилитель мощности представляют собой сложные многокаскадные устройства, которые выполняются в виде автономных функциональных узлов, каждый из которых объединяет несколько отдельных каскадов определенного функционального назначения (автогенераторов, усилителей мощности, преобразователей частоты и т.п.), как показано ниже. Покаскадное строение РПУ определяется его структурной схемой (в отличие от функциональной схемы, представляющей РПУ в виде соединения функциональных узлов и определяющей последовательность функциональных преобразований при формировании радиосигнала). Для простейших РПД функциональная и структурная схема могут совпадать. Устройство управления, контроля, сигнализации, защиты и блокировки – «УУКСЗБ» может быть выполнено в виде отдельного функционального узла (например, процессора, контроллера приемо-передающего модуля управляющих сигналов и т.п.) или сигнализирующих и управляющих элементов (УЭ), включаемых в схему отдельных каскадов (варикапов, сигнальных ламп, реле и т.п.). Источник питания вырабатывает постоянное напряжение питания для всех каскадов РПУ.
Как видно из рисунка, узлы и каскады РПУ, осуществляющие преобразования ВЧ сигналов (возбудитель и УМ), составляют его ВЧ тракт, а преобразователи НЧ – сигналов (УФИС и модулятор) – НЧ тракт.
Функциональная и структурная схема РПУ определяются требованиями к его параметрам, которые формулируются на основании заданных параметров радиосигнала.
Параметры радиопередающих устройств.
В соответствии с двойным функциональным назначением РПУ (энергетический и частотный, или спектральный преобразователь) электрические параметры РПУ можно разделить на две группы:















