Для студентов МГТУ им. Н.Э.Баумана по предмету Электротехника (ЭлТех)ДЗ№2 29 вариант Расчет линейных цепей синусоидального токаДЗ№2 29 вариант Расчет линейных цепей синусоидального тока
2,2557
2020-11-282020-11-28СтудИзба
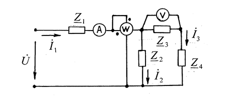
ДЗ 2: ДЗ№2 29 вариант Расчет линейных цепей синусоидального тока вариант 29
Описание
Программа маткада приложена
![]()

Характеристики домашнего задания
Предмет
Учебное заведение
Семестр
Номер задания
Вариант
Просмотров
76
Размер
471,18 Kb
Список файлов
__2.docx
elteh.xmcd
Комментарии
Нет комментариев
Стань первым, кто что-нибудь напишет!
МГТУ им. Н.Э.Баумана
Taratont
















