Курсовая работа: Разработка автоматизированного участка для детали вал
Описание
Аннотация
Курсовой проект на тему: Разработка автоматизированного участка для детали вал.
Курсовой проект состоит из пояснительной записки и графической части.
Графическая часть выполнена на 6 листах форматов А3, и включает чертеж детали, чертеж заготовки, планировку цеха и 3 циклограммы
Пояснительная записка включает разделы – введение, технологический анализ, выбор заготовки, разработка технологического процесса, подготовка производства, планировка цеха, выбор датчиков, описание циклограммы и заключение.
Также был произведен выбор основного и вспомогательного оборудования, для получения партии детали вал.
1.4 Заключение о служебном назначении изделия................................................ 9
1.5 Технологический анализ. Выбор заготовки.................................................... 9
1.5.2 Коэффициент точности обработки........................................................... 10
1.5.3 Коэффициент шероховатости поверхности............................................. 12
1.5.4 Выбор типа изготовления заготовки....................................................... 13
1.5.6 Коэффициент использования материала.................................................. 14
1.6 Разработка технологического процесса........................................................ 16
2.1 Расчет и назначение режимов резания.......................................................... 21
2.3.1 Определение типа производства.............................................................. 29
2.3.2 Расчет потребного оборудования и его загрузка................................... 30
2.3.3 Подбор вспомогательного оборудования............................................... 36
ВВЕДЕНИЕ
Автоматизация производственных процессов на основе внедрения роботизированных технологических комплексов и гибких производственных модулей, вспомогательного оборудования, транспортно-накопительных и контрольно-измерительных устройств, объединенных в гибкие производственные системы, управляемые от ЭВМ, является одной из стратегий ускорения научно-технического прогресса в машиностроении.
За счет применения всех перечисленных систем и модулей обеспечивается: повышение уровня технической вооруженности производства из-за автоматизации практически всех основных вспомогательных операций, повышение производительности труда, повышение эффективности и гибкости, решение проблемы сокращения дефицита рабочих, выполняющих как основные, так и вспомогательные операции, изменение условий и характера труда за счет увеличения доли умственного и сведения к минимуму физического труда, более удобная и благоприятная обстановка трудящихся, уменьшение расходов на заработную плату, за счет замены работников автоматизированными системами.
В результате применения роботизированных технологических комплексов и гибких производственных систем в будущем станет возможным повсеместное использование безлюдных технологий. В курсовой работе необходимо разработать автоматизированный участок и его систему управления по изготовлению детали "Вал".
1 Технологический анализ
1.1 Геометрический анализ
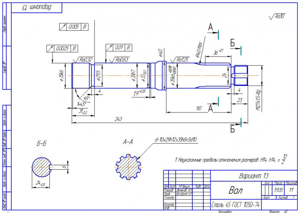
Исходными данными является чертеж детали, представленный на рисунке 1.1
Рисунок 1.1 – Вал
Выделение конструктивных элементов детали представлено на рисунке
1.2.
Рисунок 1.2 – Конструктивные элементы шлицевого вала
vitalievnatalia
















