Задачи (991944)
Текст из файла
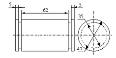
Задачи
2.1 Выберите способ контроля и режим намагничивания для обнаружения
магнитопорошковым методом продольных дефектов в следующей
закаленной детали из стали 18ХНВА.
Определяем способ контроля.
Параметры стали: Hc = 2080 А/м Br = 0.83 Тл Hs = 16000 А/м
Проверим возможность достижения уровня чувствительности при контроле с использованием СОН. Остаточная индукция материала примерно равна остаточной индукции, определяемой по уровню чувствительности Б при заданном значении коэрцитивной силы, следовательно возможен контроль СОН по уровню Б.
Выбираем Hпр ≥ Hs
Используем циркулярное намагничивание. Ток намагничивания определяем из формулы: I = Hпр∙π∙d d – внешний диаметр детали.
I = 1005 А
Используем прибор ПМД-70 (Максимальная величина амплитуды импульса тока – 1500 А).
2.2 Выберите способ контроля и режим намагничивания для обнаружения
магнитопорошковым методом продольных дефектов в следующей
закаленной детали из стали 25ХГСА.
Определяем способ контроля.
Параметры стали: Hc = 2720 А/м Br = 1.12 Тл Hs = 13600 А/м
Проверим возможность достижения уровня чувствительности при контроле с использованием СОН. Остаточная индукция материала больше остаточной индукции, определяемой по уровню чувствительности Б при заданном значении коэрцитивной силы, следовательно возможен контроль СОН по уровню Б.
Выбираем Hпр ≥ Hs
Используем циркулярное намагничивание. Ток намагничивания определяем из формулы: I = Hпр∙π∙d d – внешний диаметр детали.
I = 1795 А
Используем прибор ПМД-70 (Максимальная величина амплитуды импульса тока – 1500 А).
Будем использовать 2 провода с током равным I/2.
2.3 Выберите способ контроля и режим намагничивания для обнаружения
магнитопорошковым методом продольных дефектов в следующей
детали из стали 10.
Определяем способ контроля.
Параметры стали: Hc = 480 А/м Br = 0.86 Тл Hs = 3200 А/м
Проверим возможность достижения уровня чувствительности при контроле с использованием СОН. Остаточная индукция материала меньше остаточной индукции, определяемой по уровню чувствительности В при заданном значении коэрцитивной силы, следовательно контроль СОН невозможен.
Будем контролировать способом приложенного поля. Определяем необходимое Hпр по уровню Б:
Hпр = 2500 А/м
Используем циркулярное намагничивание. Ток намагничивания определяем из формулы: I = Hпр∙π∙d d – внешний диаметр детали.
I = 330 А
Используем прибор ПМД-70 (Максимальная величина амплитуды импульса тока – 1500 А).
2.4 Выберите способ контроля и режим намагничивания для
магнитопорошковой дефектоскопии следующей детали из стали 20.
Параметры стали:
Br = 1.17 Тл Hc = 320 А/м
μок = Br/( μо∙Hc) = 2910 > 40
Будем использовать способ приложенного поля.
Используем прибор ПМД-70. Для создания поля будем навивать кабель.
Определяем необходимое Hпр по уровню Б:
Hпр = 2500 А/м
Возьмем ток намагничивания I = 200 А
Контроль производим по участкам:
1) Намагничиваем проушину
Определим необходимое число витков из формулы:
I∙n = Hпр∙π∙dср
dср = 75 мм - средний диаметр проушины
n = 3
2) Намагничиваем оставшуюся часть ОК с помощью намотки кабеля по
участкам
2.5 Выберите способ контроля и режим намагничивания для обнаружения
магнитопорошковым методом продольных дефектов в следующей
закаленной детали из стали 45.
Определяем способ контроля.
Параметры стали: Hc = 2160 А/м Br = 1.18 Тл Hs = 15200 А/м
Проверим возможность достижения уровня чувствительности при контроле с использованием СОН. Остаточная индукция материала больше остаточной индукции, определяемой по уровню чувствительности Б при заданном значении коэрцитивной силы, следовательно возможен контроль СОН по уровню Б.
Выбираем Hпр ≥ Hs
Используем циркулярное намагничивание. Ток намагничивания определяем из формулы: I = Hпр∙π∙d d – внешний диаметр детали.
I = 955 А
Используем прибор ПМД-70 (Максимальная величина амплитуды импульса тока – 1500 А).
2.6 Выберите способ контроля и режим намагничивания для
магнитопорошковой дефектоскопии в следующей закаленной детали из
стали 30ХГСА.
Определяем способ контроля.
Параметры стали: Hc = 1200 А/м Br = 1.33 Тл Hs =6400 А/м
Проверим возможность достижения уровня чувствительности при контроле с использованием СОН. Остаточная индукция материала больше остаточной индукции, определяемой по уровню чувствительности Б при заданном значении коэрцитивной силы, следовательно возможен контроль СОН по уровню Б.
Выбираем Hпр ≥ Hs
Используем циркулярное намагничивание. Ток намагничивания определяем из формулы: I = Hпр∙π∙d d – внешний диаметр детали.
I = 845 А
Используем прибор ПМД-70 (Максимальная величина амплитуды импульса тока – 1500 А).
2.7 Выберите параметры контроля для магнитопорошковой дефектоскопии
следующей детали из стали 10.
Определяем способ контроля.
Параметры стали: Hc = 480 А/м Br = 0.86 Тл Hs =3200 А/м
Проверим возможность достижения уровня чувствительности при контроле с использованием СОН. Остаточная индукция материала меньше остаточной индукции, определяемой по уровню чувствительности В при заданном значении коэрцитивной силы, следовательно контроль СОН невозможен.
Будем контролировать способом приложенного поля. Определяем необходимое Hпр по уровню Б:
Hпр = 2500 А/м
Используем циркулярное намагничивание пропусканием тока по детали. Ток намагничивания определяем из формулы: I = Hпр∙π∙d d – внешний диаметр детали.
I = 235 А
Используем прибор ПМД-70 (Максимальная величина амплитуды импульса тока – 1500 А).
2.8 Выберите параметры контроля для магнитопорошковой дефектоскопии
следующей детали из стали 45.
Определяем способ контроля.
Параметры стали: Hc = 640 А/м Br = 1.12 Тл Hs =7200 А/м
Проверим возможность достижения уровня чувствительности при контроле с использованием СОН. Остаточная индукция материала меньше остаточной индукции, определяемой по уровню чувствительности В при заданном значении коэрцитивной силы, следовательно контроль СОН невозможен.
Будем контролировать способом приложенного поля. Определяем необходимое Hпр по уровню Б:
Hпр = 2500 А/м
Используем циркулярное намагничивание пропусканием тока по детали. Ток намагничивания определяем из формулы: I = Hпр∙π∙d d – внешний диаметр детали.
I = 235 А
Используем прибор ПМД-70 (Максимальная величина амплитуды импульса тока – 1500 А).
2.9 Выберите параметры контроля для магнитопорошковой дефектоскопии
следующей детали из стали 45.
Определяем способ контроля.
Параметры стали: Hc = 640 А/м Br = 1.12 Тл Hs = 7200 А/м
Проверим возможность достижения уровня чувствительности при контроле с использованием СОН. Остаточная индукция материала меньше остаточной индукции, определяемой по уровню чувствительности В при заданном значении коэрцитивной силы, следовательно контроль СОН невозможен.
Будем контролировать способом приложенного поля. Определяем необходимое Hпр по уровню Б:
Hпр = 2500 А/м
Используем циркулярное намагничивание. Ток намагничивания определяем из формулы: I = Hпр∙π∙d d – внешний диаметр детали.
I = 315 А
Используем прибор ПМД-70 (Максимальная величина амплитуды импульса тока – 1500 А).
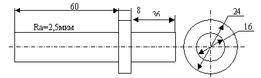
2.10 Требуется определить минимальный размер дефекта, который можно
обнаружить при магнитопорошковом контроле в остаточном поле для
закаленной детали из стали 9Х18. Какой при этом должен быть режим
намагничивания?
Определяем способ контроля.
Параметры стали: Hc = 6400 А/м Br = 0.61 Тл Hs = 17600 А/м
Проверим возможность достижения уровня чувствительности при контроле с использованием СОН. Остаточная индукция материала больше остаточной индукции, определяемой по уровню чувствительности А при заданном значении коэрцитивной силы, следовательно возможен контроль СОН по уровню А.
При этом минимальная ширина раскрытия условного дефекта – 2 мкм (при минимальной протяженности дефекта 0.5 мм и шероховатости поверхности Ra ≤ 2.5 мкм).
Выбираем Hпр ≥ Hs
Используем циркулярное намагничивание. Ток намагничивания определяем из формулы: I = Hпр∙π∙d d – внешний диаметр детали.
I = 1330 А
Используем прибор ПМД-70 (Максимальная величина амплитуды импульса тока – 1500 А).
2.11 Требуется определить минимальный размер дефекта, который можно
обнаружить при магнитопорошковом контроле в остаточном поле для
закаленной детали из стали 45. Какой при этом должен быть режим
намагничивания?
Определяем способ контроля.
Параметры стали: Hc = 2160 А/м Br = 1.18 Тл Hs = 15200 А/м
Проверим возможность достижения уровня чувствительности при контроле с использованием СОН. Остаточная индукция материала больше остаточной индукции, определяемой по уровню чувствительности Б при заданном значении коэрцитивной силы, следовательно возможен контроль СОН по уровню Б.
При этом минимальная ширина раскрытия условного дефекта – 10 мкм (при минимальной протяженности дефекта 0.5 мм и шероховатости поверхности Ra ≤ 10 мкм). Уровень чувствительности А не достигается так как шероховатость поверхности Ra > 2.5 мкм.
Выбираем Hпр ≥ Hs
Характеристики
Тип файла документ
Документы такого типа открываются такими программами, как Microsoft Office Word на компьютерах Windows, Apple Pages на компьютерах Mac, Open Office - бесплатная альтернатива на различных платформах, в том числе Linux. Наиболее простым и современным решением будут Google документы, так как открываются онлайн без скачивания прямо в браузере на любой платформе. Существуют российские качественные аналоги, например от Яндекса.
Будьте внимательны на мобильных устройствах, так как там используются упрощённый функционал даже в официальном приложении от Microsoft, поэтому для просмотра скачивайте PDF-версию. А если нужно редактировать файл, то используйте оригинальный файл.
Файлы такого типа обычно разбиты на страницы, а текст может быть форматированным (жирный, курсив, выбор шрифта, таблицы и т.п.), а также в него можно добавлять изображения. Формат идеально подходит для рефератов, докладов и РПЗ курсовых проектов, которые необходимо распечатать. Кстати перед печатью также сохраняйте файл в PDF, так как принтер может начудить со шрифтами.
















