Б7 (988383)
Текст из файла
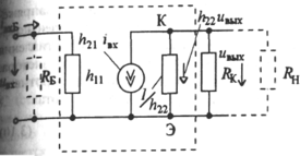
7 При работе усилительного каскада в режиме, соответствующем линейным участкам характеристик, т.е. в отсутствие искажений, коэффициент усиления и другие параметры усилителя (входное и выходное сопротивление) можно рассчитать аналитически с помощью /г-параметров транзистора. С этой целью используют схему замещения усилительного каскада с общим эмиттером (рис.3.7,а) для переменных составляющих токов и напряжений. Основой этой схемы является схема замещения транзистора (обведена пунктиром). В схем замещения усилительного каскада не учтены конденсаторы и источ ник питания, так как переменные составляющие напряжения на ни принимают равными нулю. Поэтому резистивный элемент
Считая
.
и
, можно записать эти
уравнения в виде
Знак «минус» в выражении (3.7) означает, что выходное напряжение находится в противофазе с входным. Поэтому в дальнейшем направление
на схемах рассматриваемого усилительного каскада вменено на противоположное.
••С помощью выражения (3.7) нетрудно получить формулу для ко-ффициента усиления по напряжению ненагруженного усилительного •декада с общим эмиттером
Это выражение показывает, что коэффициент усиления по напряжению рассматриваемого усилительного каскада пропорционален коэффициенту усиления по току
транзистора и отношению сопротивления коллекторного резистора
и входного сопротивления
транзистора. По схеме замещения рис.3.7,я легко можно найти входное сопротивление усилительного каскада с общим эмиттером на низких частотах
При определении входного сопротивления на высоких частотах необходимо учитывать емкость
Входное сопротивление усилительного каскада с общим эмиттером обычно имеет значение порядка нескольких сотен ом. Выходное сопротивление обычно больше входного. Низкое входное и высокое яое сопротивление создают значительные трудности при работе усилительного каскада с высокоомным источником усиливаемой Р(см.рис.3.3) и низкоомным нагрузочным устройством. В этом случае входное напряжение усилительного каскада может быть значительно меньше ЭДС
, так как на входе усиливаемого каскада образуется делитель напряжения
,
с небольшим значением
:
если сопротивление
нагрузочного устройства, включенного переменной составляющей напряжения параллельно коллекторному резистору
, значительно меньше сопротивления
, то коэффициент усиления по напряжению усилительного каскада существенно снижается:
. Указанные обстоятельства необходимо учитывать при использовании усилительных каскадов с общим эмиттером. Следует отметить, что эти усилительные каскады усиливают не только напряжение, но также ток и мощность
Характеристики
Тип файла документ
Документы такого типа открываются такими программами, как Microsoft Office Word на компьютерах Windows, Apple Pages на компьютерах Mac, Open Office - бесплатная альтернатива на различных платформах, в том числе Linux. Наиболее простым и современным решением будут Google документы, так как открываются онлайн без скачивания прямо в браузере на любой платформе. Существуют российские качественные аналоги, например от Яндекса.
Будьте внимательны на мобильных устройствах, так как там используются упрощённый функционал даже в официальном приложении от Microsoft, поэтому для просмотра скачивайте PDF-версию. А если нужно редактировать файл, то используйте оригинальный файл.
Файлы такого типа обычно разбиты на страницы, а текст может быть форматированным (жирный, курсив, выбор шрифта, таблицы и т.п.), а также в него можно добавлять изображения. Формат идеально подходит для рефератов, докладов и РПЗ курсовых проектов, которые необходимо распечатать. Кстати перед печатью также сохраняйте файл в PDF, так как принтер может начудить со шрифтами.
















