Б5 (988377)
Текст из файла
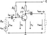
5Сопротивление резистора
выбирают, исходя из требуемого усиления входных сигналов, но при этом надо, чтобы линия нагрузки проходила левее или ниже допустимых значений
,
и (см.рис.2.14) и обеспечивала достаточно протяженный линейный участок переходной характеристики. При выполнении этих условий транзистор работает в области допустимых значений напряжения, тока и мощности и может усиливать без искажений сигналы в необходимом диапазоне изменения значений их параметров. Сопротивления коллекторных резисторов
усилительных каскадов с общим эмиттером обычно имеют значения порядка нескольких сотен Ом или единиц килоом.
Резистор
, включенный в цепь базы, обеспечивает требуемую работу транзистора в режиме покоя, т.е. в отсутствие входного сигнала. Благодаря этому резистору можно получить оптимальное значение тока базы
и напряжения между базой и эмиттером
, соответствующие середине линейных участков входной и переходной характеристик. Эта рабочая точка (точка
и
на рис.3.4) соответствует
и
. Для I обеспечения указанного режима сопротивление резистора следует определять по формуле
Конденсатор С (см.рис.3.3) служит для включения источника переменной входной ЭДС
с внутренним сопротивлением
в цепь базы. В отсутствие этого конденсатора в цепи источника входного сигнала создавался бы постоянный ток от источника питания
, который мог бы вызвать падение напряжения на внутреннем сопротивлении источника сигнала, изменяющее режим работы транзистора и приводящее к нагреву источника сигнала. Конденсатор связи
на выходе усилительного каскада обеспечивает выделение из коллекторного напряжения переменной составляющей, которая может подаваться на нагрузочное устройство с сопротивлением
При подаче на вход усилительного каскада переменного напряжения
(см.рис.3.4) ток базы будет изменяться в соответствии с входнойi характеристикой, т.е. кроме постоянной составляющей
он будет иметь ; переменную составляющую
. Одновременно с этим в транзисторе будут изменяться эмиттерный и коллекторный токи
Характеристики
Тип файла документ
Документы такого типа открываются такими программами, как Microsoft Office Word на компьютерах Windows, Apple Pages на компьютерах Mac, Open Office - бесплатная альтернатива на различных платформах, в том числе Linux. Наиболее простым и современным решением будут Google документы, так как открываются онлайн без скачивания прямо в браузере на любой платформе. Существуют российские качественные аналоги, например от Яндекса.
Будьте внимательны на мобильных устройствах, так как там используются упрощённый функционал даже в официальном приложении от Microsoft, поэтому для просмотра скачивайте PDF-версию. А если нужно редактировать файл, то используйте оригинальный файл.
Файлы такого типа обычно разбиты на страницы, а текст может быть форматированным (жирный, курсив, выбор шрифта, таблицы и т.п.), а также в него можно добавлять изображения. Формат идеально подходит для рефератов, докладов и РПЗ курсовых проектов, которые необходимо распечатать. Кстати перед печатью также сохраняйте файл в PDF, так как принтер может начудить со шрифтами.
















