Б4 (988374)
Текст из файла
3.2. УСИЛИТЕЛЬНЫЙ КАСКАД С ОБЩИМ ЭМИТТЕРОМ
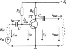
Одним из наиболее распространенных усилительных каскадов на (биполярных транзисторах является каскад с общим эмиттером (каскад ОЭ). В этом каскаде эмиттер является общим электродом для входной и выходной цепей, а резистор Rк (рис. 3.3), с помощью которого создается выходное напряжение, включается в коллекторную цепь транзистора. Полярность источника электрической энергии (источника питания) с ЭДС Ек по отношению к коллекторной цепи зависит от типа транзистора VT
На рис. 3.4. помимо коллекторных (выходных) характеристик приведена входная характеристика, повернутая на 90°, и дано построение переходной характеристики. На рис. 3.4 можно отметить линейные участки ab и a’b’ соответственно на входной и переходной характеристиках. Им соответствует участок ab на линии нагрузки.
Сопротивление резистора Rк выбирают, исходя из требуемого усиления входных сигналов, но при этом надо, чтобы линия нагрузки проходила левее или ниже допустимых значений, Uк.мах и Iк.мах (см.рис.2.14) и обеспечивала достаточно протяженный линейный участок переходной характеристики. При выполнении этих условий транзистор работает в области допустимых значений напряжения, тока и мощности и может усиливать без искажений сигналы в необходимом диапазоне изменения значений их параметров. Сопротивления коллекторных резисторов Rк усилительных каскадов с общим эмиттером обычно имеют значения порядка нескольких сотен ом или единиц килоом.
Резистор Rб включенный в цепь базы, обеспечивает требуемую работу транзистора в режиме покоя, т.е. в отсутствие входного сигнала. Благодаря этому резистору можно получить оптимальное значение тока базы и напряжения между базой и эмиттером , соответствующие середине линейных участков входной и переходной характеристик. Эта рабочая точка (точкам П и П”на рис.3.4) соответствует Iбп и Uбп. Для I обеспечения указанного режима сопротивление резистора следует определять по формуле
Конденсатор С (см.рис.3.3) служит для включения источника переменной входной ЭДС евх с внутренним сопротивлением в цепь базы. В отсутствие этого конденсатора в цепи источника входного сигнала создавался бы постоянный ток от источника питания Eк, который мог бы вызвать падение напряжения на внутреннем сопротивлении источника сигнала, изменяющее режим работы транзистора и приводящее к нагреву источника сигнала. Конденсатор связи Сс на выходе усилительного каскада обеспечивает выделение из коллекторного напряжения переменной составляющей, которая может подаваться на нагрузочное устройство с сопротивлением Rн
При подаче на вход усилительного каскада переменного напряжения Uвх (см.рис.3.4) ток базы будет изменяться в соответствии с входнойi характеристикой, т.е. кроме постоянной составляющей Iбп он будет иметь ; переменную составляющую iб. Одновременно с этим в транзисторе будут изменяться эмиттерный и коллекторный токи. График переменной составляющей коллекторного тока ik можно построить с помощью перегодной характеристики, зная изменения тока базы iб , Перенося изменения тока ik на линию нагрузки, можно проследить за изменениями коллекторного напряжения и падения напряжения на коллекторном регистре Rк. Переменная составляющая коллекторного напряжения предтавляет собой выходное напряжение усилительного каскада, которое дисленно равно и противоположно по фазе переменной составляющей падения напряжения на резисторе Rк, т.е.Uвых=-Rк*iк Для входного напряжения справедливо соотношение
Rвх -входное сопротивление усилительного каскада, примерно равное входному сопротивлению транзистора. Благодаря которому, что коллекторный ток во много раз превышает ток базы, а сопротивление Rк, как правило, больше Rвх; выходное напряжение .усилительного каскада с общим эмиттером получается во много раз больше входного напряжения. Если изменения входного напряжения, тока базы и тока коллектора укладываются в линейные участки входной и переходной характеристик, то форма выходного напряжения будет соответствовать форме входного напряжения. В частности, лри подаче на вход усилительного каскада синусоидального напряжения выходное напряжение будет также синусоидальным. При больших входных напряжениях переменные составляющие токов выходят за пределы линейных участков входной и переходной характеристик, в результате чего форма кривой выходного напряжения претерпевает значительные искажения. Эти искажения, обусловленные нелинейностью указанных характеристик, называют нелинейными. На рис.3.5,а — в показаны временные зависимости тока базы /Б> тока коллектора iк и выходного напряжения мвых усилительного каскада при большом входном напряжении. Видно, что при больших входных напряжениях рост выходного напряжения замедляется, т.е коэффициент усиления уменьшается. Для оценки диапазона изменения входных напряжений, усиливаемых без искажений, используют амплитудную характеристику, представляющую собой зависимость амплитудного значения выходного напряжения от амплитудного значения входного напряжения (рис.3.6).
При работе усилительного каскада в режиме, соответствующем линейным участкам характеристик, т.е. в отсутствие искажений, коэффициент усиления и другие параметры усилителя (входное и выходное сопротивление) можно рассчитать аналитически с помощью /г-параметров транзистора. С этой целью используют схему замещения усилительного каскада с общим эмиттером (рис.3.7,а) для переменных составляющих токов и напряжений. Основой этой схемы является схема замещения транзистора (обведена пунктиром). В схем замещения усилительного каскада не учтены конденсаторы и источник питания, так как переменные составляющие напряжения на ни принимают равными нулю. Поэтому резистивный элемент Rк включен между коллектором и эмиттером транзистора, т.е. между точками Ки Э Резистивный элемент Rб показан пунктиром, так как его обычно н учитывают вследствие того, что сопротивление резистора Rб значительно больше входного сопротивления h11 транзистора.
Характеристики
Тип файла документ
Документы такого типа открываются такими программами, как Microsoft Office Word на компьютерах Windows, Apple Pages на компьютерах Mac, Open Office - бесплатная альтернатива на различных платформах, в том числе Linux. Наиболее простым и современным решением будут Google документы, так как открываются онлайн без скачивания прямо в браузере на любой платформе. Существуют российские качественные аналоги, например от Яндекса.
Будьте внимательны на мобильных устройствах, так как там используются упрощённый функционал даже в официальном приложении от Microsoft, поэтому для просмотра скачивайте PDF-версию. А если нужно редактировать файл, то используйте оригинальный файл.
Файлы такого типа обычно разбиты на страницы, а текст может быть форматированным (жирный, курсив, выбор шрифта, таблицы и т.п.), а также в него можно добавлять изображения. Формат идеально подходит для рефератов, докладов и РПЗ курсовых проектов, которые необходимо распечатать. Кстати перед печатью также сохраняйте файл в PDF, так как принтер может начудить со шрифтами.
















