Курсач Карета- ТТЛ (988156)
Текст из файла
Московский энергетический институт
(технический университет)
По курсу «Электронные цепи и микросхемотехника»
ГЕНЕРАТОР ПРЯМОУГОЛЬНЫХ ИМПУЛЬСОВ
Выполнил:
Студент: Горбачёв И.П.
Группа: ЭР-5-01
Проверил:
Доцент: Шнитников А.С.
Москва
2004
Содержание.
Задание курсового проекта…………………………………………. 3
Данные к курсовому проекту………………………………………. 3
Блок-схема генератора……………………………………………… 4
Транзисторно-транзисторная логика………………………………. 5
Мультивибратор автоколебаний…………………………………….7
Дифференцирующая цепь ..………………………………………..11
Ждущий мультивибратор …………………………………………12
Усилитель мощности ..……………………………………………14
Стабилизатор напряжения 1 ………………………………………..16
Стабилизатор напряжения 2 ………………………………………..18
Принципиальная схема генератора ………………………………..21
Перечень элементов ……………………………………………….22
Список литературы…………………………………………………..23
Задание курсового проекта
Спроектировать генератор прямоугольных импульсов, обеспечивающий в нагрузке (Rн, Сн) амплитуду рабочих импульсов, регулируемую в пределах
от 0 U вых m. Период следования импульсов регулируется и находится в пределах Tmin Tmax. Обеспечить длительность переднего и заднего фронтов импульса не более tф . Длительность импульса должна регулироваться и находится в пределах
Tи min Tи max.
Генератор также должен вырабатывать синхроимпульсы длительностью 1 мкс для синхронизации осциллографа. Их амплитуда должна регулироваться в пределах от
0 U вых m. Опережение синхроимпульса по отношению к рабочему импульсу должна регулироваться в пределах от 0 Tи min.
Рассчитать стабилизатор напряжения, обеспечивающий питание генератора, используя интегральный стабилизатор напряжения. Нестабильность выходного напряжения стабилизатора не хуже K*%Eпит при нестабильности напряжения сети 20%.
Данные к курсовому проекту
Uвых m=20B
Tи min=30 мкс
Tи max/Tи min=3, Tи max=90 мкс
tф/T и min=0.02, tф=0.6 мкс
Rн=3 кОм,Сн=300 пФ
Т min/T и max=5, T min=450 мкс
Т max/T min=2,T max=900 мкс
Тип логики : ТТЛ.
пит=1
Полярность импульса:
Блок-схема генератора.
ЗГ – задающий генератор (мультивибратор),
ДЦ – дифференцирующая цепь,
ЖМВ – ждущий мультивибратор,
УМ – усилитель мощности,
Rн, Cн – нагрузка генератора,
Рис 1
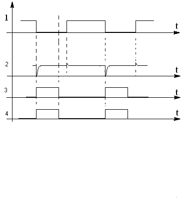
На Рис 1 представлены осциллограммы в характерных точках генератора.
Задающий генератор (мультивибратор автоколебаний) формирует на выходе (точка 1) импульсы прямоугольной формы. К выходу подключается дифференцирующая цепь (ДЦ). Её назначение: создать на своих выходах (точка 2) короткие импульсы, которыми затем будет запускаться ждущий мультивибратор (ЖМВ). ЖМВ формирует на своём выходе основной импульс, длительность которого меняется от Tи min до Tи max (точка 3). Т.к. Л.Э. не в состоянии обеспечить в нагрузке необходимую мощность, то к выходам ЖМВ подключен усилитель мощности (УМ). Он усиливает амплитуду выходного сигнала до нужной величины.
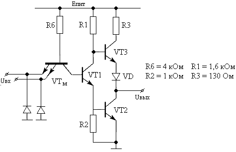
Транзисторно-транзисторный логический элемент (ТТЛ)
В схеме (рис 2) два основных каскада: входной – на многоэмиттерном транзисторе VTм(осуществляет функцию И), сложный инвертор – на транзисторах VT1, VT2 и VT3(осуществляет функцию НЕ). Благодаря сложному инвертору повышается нагрузочная способность и быстродействие логического элемента.
При подаче на вход сложного инвертора высокого уровня напряжение отпирается и насыщается транзистор VT1, отпирается транзистор VT2, а транзистор VT3 запирается. Его запирание обеспечивает диод VD. При этом на выходе логического элемента будет низкий уровень напряжения (логический 0).
Когда на вход инвертора подан низкий уровень напряжения транзисторы VT1 и VT2 закрываются, а транзистор VT3 открывается и на выходе логического элемента будет высокий уровень напряжения (логический ноль).
В
обоих состояниях сложный инвертор обладает малым выходным сопротивлением и обеспечивает высокие нагрузочные способности и быстродействие элемента.
Рис2.
Рассмотрим характеристики элемента:
-
Передаточная характеристика: 2) Входная характеристика
-
Выходная характеристика
П
о выходной характеристики найдём выходное сопротивление ЛЭ.
В генераторе используются микросхемы серии K155ЛА3.
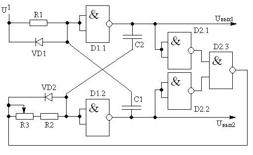
Мультивибратор автоколебаний
Рис 3
Мультивибратор собран на двух логических элементах И-НЕ (D1.1 и D1.2) с двумя времязадающими конденсаторами С1 и С2 (Рис 3). Время T1(см. рис 4) определяется временем заряда конденсатора С1 по пути: U1 – R1 – C1 – выход D1.2 в состоянии логического нуля, а время T2 будет определяться временем заряда конденсатора С2: U1 – (R2+R3) – C2 – выход D1.1 в состоянии логического нуля. Очевидно, что формулы для расчёта Т1 и Т2 будут аналогичными друг другу, только при расчёте Т2 в формуле для Т1 конденсатор С1 надо заменить на С2, а резистор R1 на (R2+R3).
Время T1 будет постоянным, а время Т2 можно менять изменяя резистор R3 (Таким образом можно менять период следования импульсов от Tmin до Tmax)
Возьмём Т1 = Tmin/2 = 225 мкс. Тогда Т2 должно изменяться в пределах от
Т2 = Tmin/2 (Tmax – Tmin/2) = (225 675) мкс.
Рассмотрим процесс заряда конденсатора С1:
В
момент начала заряда С1 напряжение на входе D1.1 равно логическому нулю, значит ток, текущий через конденсатор будет складываться из тока, текущего через R1 и входного тока D1.1. В соответствии с этим начертим эквивалентную схему(Рис 5):
Рис 5
Где 1 = С1Rэкв, Rэкв = R1 ||Rб + r0вых D1.2
При t = T1 Uвх D1.1 = U* U* = Eэкв(1exp(-T1/1))+U0exp(-T1/1)
T
1= 1 ln((U0- Eэкв)/(U*- Eэкв))
Найдём максимально и минимально допустимую величину R1(аналогично для (R2+R3)):
Если взять R1 очень большим, то может получиться так, что будет невозможно обеспечить состояние логической единицы на входе D1.1. Из-за этого мультивибратор работать не будет. Напряжение на входе (в состоянии логической единицы) не должно быть меньше, чем U*+1
Если взять R1очень маленьким, то ток, протекающий через него, может превысить максимально допустимый выходной ток Л.Э. D1.2 и он выйдет из строя.
Возьмём R1 = 470 Ом С1 при котором T = Tmin/2 будет равен 0.991 мкФ.
По таблице номиналов (5%) выбираем С1 = 1 мкФ.
Обозначим R2+R3 = Rобщ
Время T2 можно найти по формуле для T1 только R1 надо заменить на Rобщ, а С1 на С2.
Возьмём С2 = 1 мкФ, тогда Rобщ = 470 Ом. При этом T2 = T1 = Tmin/2 = 225 мкс.
Подставив в выражения для T2 C2 = 1 мкФ и Т2 = 675 мкс найдём Rобщ, при котором период следования импульсов будет максимальным Rобщ = 3.38 кОм
R2 = 470 Ом.
R3 = Rобщ – R2 = 3.38 – 0.470 = 2.91 кОм.
По таблице номиналов (5%) выбираем R2 = 470 Ом, R3 = 3 кОм.
Мультивибратор при включении питания может не начать генерировать на выходе импульсы, т.к. при относительно медленном изменении напряжения питания кондесаторы С1 и С2 могут успеть зарядится (при этом на входах D1.1 и D1.2 будут логические единицы) и колебаний не наступит. Поэтому необходимо обеспечить схему запуска мультивибратора. Эта схема выполнена на Л.Э. D2.1, D2.2, D2.3.
Разберём как она работает. Обозначим функцию, которая получается на выходе D2.3 через F. При любом сигнале на выходах Uвых1 и Uвых2(кроме случая: на обоих выходах логические нули) функция F должна быть равна единице
| Uвых1, Uвых2 | 00 | 10 | 11 | 01 |
| 0 | 1 | 1 | 1 |
Если Uвых1 = лог. 0, а Uвых2 = лог. 1, то на выходе D2.1 будет лог. 1, а на выходе D2.2 будет лог. 0, тогда на выходе D2.3 будет логическая единица. Если наоборот, Uвых1 = лог 1, а Uвых2 = лог 0, то на выходе D2.3 также будет логическая единица. Состояние Uвых1 = лог 1 и Uвых2 = лог 1 невозможно, а при Uвых1 = 0 и Uвых2 = 0 на выходе D2.3 будет логический нуль, мультивибратор запустится и переведёт D2.3 по выходу в состояние логической единицы.
Итак:R1=470 Ом,R2=470 Oм,R3=3 kОм,С1=1 мкФ,С2=1мкФ.
Дифференцирующая цепь .
Рис8 (а, б)
К точке 2(см рис 8а) подключается вход ЖМВ. Для того, чтобы одновибратор стабильно генерировал на выходе импульсы необходимо, чтобы запускающий импульс был не больше половины генерируемого импульса. ЖМВ переключится, когда на его входе напряжение будет U*. Поэтому при T = Tи min / 2 U2 должно быть равно U*(см рис 8б).
Ограничения на R7:
Когда напряжение в точке 2 равно лог. 1, конденсатор ток не пропускает и весь ток, текущий через резистор течёт через входной Л.Э. ЖМВ. Если взять R7 очень большой, то на нём будет большое падение напряжения и в точке 2 напряжение будет меньше напряжения логической единицы. Из-за этого ЖМВ работать небудет
Н
апишем закон изменения напряжения в точке 2 и найдём значения R7 и С5
При t = Tи min / 2 U2 = U*
Возьмём R7 = 20 кОм С5 = 1,082 нФ.
По таблице номиналов (5%) берём C5 = 1 нФ.
Ждущий мультивибратор .
Характеристики
Тип файла документ
Документы такого типа открываются такими программами, как Microsoft Office Word на компьютерах Windows, Apple Pages на компьютерах Mac, Open Office - бесплатная альтернатива на различных платформах, в том числе Linux. Наиболее простым и современным решением будут Google документы, так как открываются онлайн без скачивания прямо в браузере на любой платформе. Существуют российские качественные аналоги, например от Яндекса.
Будьте внимательны на мобильных устройствах, так как там используются упрощённый функционал даже в официальном приложении от Microsoft, поэтому для просмотра скачивайте PDF-версию. А если нужно редактировать файл, то используйте оригинальный файл.
Файлы такого типа обычно разбиты на страницы, а текст может быть форматированным (жирный, курсив, выбор шрифта, таблицы и т.п.), а также в него можно добавлять изображения. Формат идеально подходит для рефератов, докладов и РПЗ курсовых проектов, которые необходимо распечатать. Кстати перед печатью также сохраняйте файл в PDF, так как принтер может начудить со шрифтами.
















