КурсачКоретников - ТТЛ (988159)
Текст из файла
| Московский Энергетический Институт (ТУ) Кафедра: Полупроводниковая Электроника Курсовой проект по курсу “Электронные цепи и микросхемотехника” Выполнил : Ле Ван Ван Группа : ЭР-05-01 Проверил: Каретников .И.А Москва 2004 |
Оглавление.
Задание курсового проекта
Спроектировать генератор линейно-изменяющегося напряжения, обеспечивающий в нагрузке (Rн) амплитуду рабочих импульсов, регулируемую в пределах от 0 Uвых m. Длительность импульса должна регулироваться и находится в пределах Tи min Tи max. Период следования импульсов регулируется и находится в пределах Tmin Tmax. Обеспечить длительность переднего и заднего фронтов импульса не более tф.
Форма напряжения рабочего импульса и его амплитуда могут быть согласованы с консультантом .
Генератор выполняется с использованием стандартных логических элементов (ЛЭ) ТТЛ ,либо КМОП однотипных для всего генератора ,либо таймеров (формирователей) на основе ТТЛ и ЛЭ ТТЛ (Т-ТТЛ) или таймеров на основе КМОП и ЛЭ КМОП (Т-КМОП) .Для ГЛИНа также допускается использование операционных усилителей (ОУ).
Спроектировать стабилизатор напряжения, обеспечивающий питание генератора импульсов, используя интегральный стабилизатор напряжения. Нестабильность выходного напряжения стабилизатора не хуже 7вD 0%. Eпит при нестабильности напряжения сети 20%.
Данные к курсовому проекту
| Параметры | Значение |
| Uвых-max , В | 15 |
| Ти-min, мкс | 50 |
| Ти-max, мкс | 350 |
| tф, мкс | 15 |
| Rн, кОм | 2 |
| Сн, пф | 300 |
| Т-min, мкс | 3500 |
| T-max, мкс | 17500 |
| Тип логики | ТТЛ |
| ε | - |
| ΔЕпит, % | 3*10-1 |
| Вид импульса | |
Блок-схема генератора.
ЗГ – задающий генератор (мультивибратор),
ДЦ – дифференцирующая цепь,
ЖМВ– ждущий мультивибратор,
УМ– усилитель мощности,
Rн, Cн – нагрузка генератора,
Рис 2.
На Рис 1 представлены осциллограммы в характерных точках генератора.
Задающий генератор (мультивибратор автоколебаний) формирует на выходе (точка 1) импульсы прямоугольной формы. Эти импульсы подаются на дифференцирующей цепи (ДЦ). Их назначение: создать на своих выходах (точка 2) короткие импульсы, которыми затем будут запускаться ждущие мультивибраторы (ЖМВ). ЖМВ формирует на своём выходе основной импульс, длительность которого меняется от Tи min до Tи max (точка 3), Т.к. Л.Э. не в состоянии обеспечить в нагрузке необходимую мощность, то к выходам ЖМВ подключены усилители мощности (УМ). Они усиливают амплитуду выходного сигнала до нужной величины.
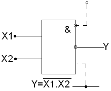
Транзисторно-транзисторный логический элемент (ТТЛ)
Принципальная схема ТТЛ –элемента являются основой ряда полупровониковых интегральных микросхемах средного и быстродействия для цифровых устройств.
Для данных генератора используем ТТЛ элемент со сложным инветором типа И-НЕ схеме (рис 2) два основных каскада: входной – на многоэмиттерном транзисторе VTм(осуществляет функцию И), сложный инвертор – на транзисторах VT1, VT2 и VT3(осуществляет функцию НЕ). Благодаря сложному инвертору повышается нагрузочная способность и быстродействие логического элемента.
При подаче на вход сложного инвертора высокого уровня напряжение отпирается и насыщается транзистор VT1, отпирается транзистор VT2, а транзистор VT3 запирается. Его запирание обеспечивает диод VD. При этом на выходе логического элемента будет низкий уровень напряжения (логический 0).
Когда на вход инвертора подан низкий уровень напряжения транзисторы VT1 и VT2 закрываются, а транзистор VT3 открывается и на выходе логического элемента будет высокий уровень напряжения (логический ноль).
В
обоих состояниях сложный инвертор обладает малым выходным сопротивлением и обеспечивает высокие нагрузочные способности и быстродействие элемента.
Рис3.
В том случае когда в схеме необходимо показать цепи подключения напржений питания и общей шины.(“Корпус”)-условное изображение элемента приобретает вид:
Рассмотрим характеристики элемента:
-
Передаточная характеристика: 2) Входная характеристика
-
Выходная характеристика
П
о выходной характеристики найдём выходное сопротивление ЛЭ.
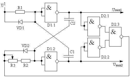
В генераторе используются микросхемы серии K155ЛА3.
Мультивибратор автоколебаний
Мультивибратор является релаксационным автогенератором, обычно имеющим дваквазиравновесных состояния.Он может быть использованы в качестве задающих различных импульных усройств.Основным требованием к таким генератораявляется высокая стабильность частоты авторкалебания.
Мультивибратор наиболее часто строят на основе двух или трех инверторов для чего у логических элементов (ЛЭ) И‑НЕ или ИЛИ‑НЕ все входы объединяют. Входы, оставшиеся свободными, могут быть использованы для управления автогенератором для включения или выключения его.
В данном случае MB как на ТТЛ элементах серии K155(Рис4)
Рис 4
Мультивибратор собран на двух логических элементах И-НЕ (D1.1 и D1.2) с двумя времязадающими конденсаторами С1 и С2 (Рис 4). Время T1(см. рис 5) определяется временем заряда конденсатора С1 по пути: U1 – R1 – C1 – выход D1.2 в состоянии логического нуля, а время T2 будет определяться временем заряда конденсатора С2: U1 – (R2+R3) – C2 – выход D1.1 в состоянии логического нуля. Очевидно, что формулы для расчёта Т1 и Т2 будут аналогичными друг другу, только при расчёте Т2 в формуле для Т1 конденсатор С1 надо заменить на С2, а резистор R1 на (R2+R3).
Время T1 будет постоянным, а время Т2 можно менять изменяя резистор R3 (Таким образом можно менять период следования импульсов от Tmin до Tmax)
Возьмём Т1 = Tmin/2 = 1750 мкс. Тогда Т2 должно изменяться в пределах от
Т2 = Tmin/2 (Tmax – Tmin/2) = (1750 15750) мкс.
Рассмотрим процесс заряда конденсатора С1:
В момент начала заряда С1 напряжение на входе D1.1 равно логическому нулю, значит ток, текущий через конденсатор будет складываться из тока, текущего через R1 и входного тока D1.1. В соответствии с этим начертим эквивалентную схему(Рис 5):
Рис 5
Где 1 = С1Rэкв, Rэкв = R1 ||Rб + r0вых D1.2
При t = T1 Uвх D1.1 = U* U* = Eэкв(1exp(-T1/1))+U0exp(-T1/1)
T
1= 1 ln((U0- Eэкв)/(U*- Eэкв))
Найдём максимально и минимально допустимую величину R1(аналогично для (R2+R3)):
Е
сли взять R1 очень большим, то может получиться так, что будет невозможно обеспечить состояние логической единицы на входе D1.1. Из-за этого мультивибратор работать не будет. Напряжение на входе (в состоянии логической единицы) не должно быть меньше, чем U*+1
Е
сли взять R1очень маленьким, то ток, протекающий через него, может превысить максимально допустимый выходной ток Л.Э. D1.2 и он выйдет из строя.
Возьмём R1 = 1.3 кОм С1 при котором T = Tmin/2 будет равен 3881 нФ.
По таблице номиналов (5%) выбираем С1 = 3,9 мкФ.
Обозначим R2+R3 = Rобщ
Время T2 можно найти по формуле для T1 только R1 надо заменить на Rобщ, а С1 на С2.
Возьмём С2 = 7500 нФ, тогда Rобщ = 483 Ом. При этом T2 = T1 = Tmin/2 = 1750 мкс.
Подставив в выражения для T2 C2 = 7500 нФ и Т2 = 8750 мкс найдём Rобщ, при котором период следования импульсов будет максимальным Rобщ = 13,647 кОм
R2 = 483 Ом.
R3 = Rобщ – R2 = 13,647 – 0.483 = 13,16 кОм.
По таблице номиналов (5%) выбираем R2 = 470 Ом, R3 = 15 кОм.
Мультивибратор при включении питания может не начать генерировать на выходе импульсы, т.к. при относительно медленном изменении напряжения питания кондесаторы С1 и С2 могут успеть зарядится (при этом на входах D1.1 и D1.2 будут логические единицы) и колебаний не наступит. Поэтому необходимо обеспечить схему запуска мультивибратора. Эта схема выполнена на Л.Э. D2.1, D2.2, D2.3.
Разберём как она работает. Обозначим функцию, которая получается на выходе D2.3 через F. При любом сигнале на выходах Uвых1 и Uвых2(кроме случая: на обоих выходах логические нули) функция F должна быть равна единице
| Uвых1, Uвых2 | 00 | 10 | 11 | 01 |
| 0 | 1 | 1 | 1 |
Если Uвых1 = лог. 0, а Uвых2 = лог. 1, то на выходе D2.1 будет лог. 1, а на выходе D2.2 будет лог. 0, тогда на выходе D2.3 будет логическая единица. Если наоборот, Uвых1 = лог 1, а Uвых2 = лог 0, то на выходе D2.3 также будет логическая единица. Состояние Uвых1 = лог 1 и Uвых2 = лог 1 невозможно, а при Uвых1 = 0 и Uвых2 = 0 на выходе D2.3 будет логический нуль, мультивибратор запустится и переведёт D2.3 по выходу в состояние логической единицы.
Дифференцирующая цепь .
Рис8 (а, б)
К точке 2(см рис 8а) подключается вход ЖМВ1. Для того, чтобы одновибратор стабильно генерировал на выходе импульсы необходимо, чтобы запускающий импульс был не больше половины генерируемого импульса. ЖМВ1 переключится, когда на его входе напряжение будет U*. Поэтому при T = Tи min / 2 U2 должно быть равно U*(см рис 8б).
Характеристики
Тип файла документ
Документы такого типа открываются такими программами, как Microsoft Office Word на компьютерах Windows, Apple Pages на компьютерах Mac, Open Office - бесплатная альтернатива на различных платформах, в том числе Linux. Наиболее простым и современным решением будут Google документы, так как открываются онлайн без скачивания прямо в браузере на любой платформе. Существуют российские качественные аналоги, например от Яндекса.
Будьте внимательны на мобильных устройствах, так как там используются упрощённый функционал даже в официальном приложении от Microsoft, поэтому для просмотра скачивайте PDF-версию. А если нужно редактировать файл, то используйте оригинальный файл.
Файлы такого типа обычно разбиты на страницы, а текст может быть форматированным (жирный, курсив, выбор шрифта, таблицы и т.п.), а также в него можно добавлять изображения. Формат идеально подходит для рефератов, докладов и РПЗ курсовых проектов, которые необходимо распечатать. Кстати перед печатью также сохраняйте файл в PDF, так как принтер может начудить со шрифтами.
















