Курсач Карета- ТТЛ (988156), страница 2
Текст из файла (страница 2)
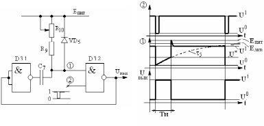
Рис9 (а, б)
ЖМВ запускается перепадом напряжения в точке 2 (см рис 9а) от U1 до U0. Этот запускающий импульс приходит с выхода ДЦ1. При этом конденсатор начинает заряжаться и когда напряжение в точке 1 достигнет значения U* оба Л.Э. окажутся в области активных характеристик, в схеме возникнет глубокая положительная обратная связь, приводящая к скачку токов и напряжений (см рис 9б). Произойдёт «опрокидование» ЖМВ и снова наступит ждущий режим. Длительность времени Tи характеризуется временем заряда конденсатора. Т.к. в момент заряда конденсатора в точке 1 логический нуль, то конденсатор будет заряжаться не только током текущим через резистор, но и входным током Л.Э. D1.4. Начертим эквивалентную схему заряда конденсатора и найдём время Tи (обозначим Rобщ = R9 + R10):
При t = Tи U1 = U*
Найдём ограничения на Rобщ:
В
состоянии логического нуля в точке 1 входной ток Л.Э. D3.2 и ток, текущий через резистор Rобщ текут через выходное сопротивление Л.Э. D3.1. Если взять Rобщ очень маленьким, то ток может превысить максимально допустимый
В
состоянии логической единицы в точке 1 ток через С5 не течёт и весь ток, текущий через Rобщ втекает в Л.Э. D3.2. Если взять Rобщ очень большим, то на нём будет большое падение напряжение и в точке 1 напряжение будет меньше, чем логическая единица
Возьмём Rобщ = 330 Ом, С5, при котором Tи = Ти min будет равен 231 нФ.
Тогда Rобщ при котором Ти = Ти max и С7 = 231 нФ будет равен 1,914 кОм.
R9 = 330 Ом, R10 = 1,914 – 0.33 = 1,584 кОм.
По таблице номиналов (5%) берём С7 = нФ, R9 = 330 Ом, R10 = кОм
Усилитель мощности .
Рис 12 (а, б)
Возьмём Eпит ум = 20 В, = 50, rб = 200 Ом – сопротивление базы транзисторов.
К
огда в точке 1 (см рис 12а) напряжение логического нуля транзистор VT1 закрыт (т.к. напряжение между базой и эмиттером меньше чем 0.7 В). Потенциал базы VT3 больше, чем эмиттера VT3 тоже закрыт. Конденсатор Cн заряжается через открытый транзистор VT2. Перечертим схему, приведённую на рис 12 и найдём сопротивления R13 и R14: рассмотрим статический режим работы схемы (рис 13)
U3 = 20В Iэ = Iн = 20 В/ 3 кОм = 6,7 мА.
Iб = Iэ / ( + 1) = 6,7 / 51 = 131 мкА.
Для того, чтобы изменение R14 заметно влияло на изменение базового тока VT2 (а значит и на изменение амплитуды выходного сигнала) надо, чтобы ток, текущий через него был порядка тока базы VT2.
Возьмём ток, текущий через R14 равный двум базовым токам VT2 I2 = 2*Iб = 2*131 = 262 мкА.
Рис 13
Тогда ток I1 будет равен: I1 = I2 + Iб = 3* Iб = 3*131 = 393 мкА.
U2 = U3 + Uбэ = 20 + 0,7 = 20,7 В.
Найдём сопротивления R13 и R14: R13 =(U2-Eпит ум)/I1 R13=1,8кОм
R14 =U2/I2 R13=76,1кОм
Когда напряжение в точке 1 (см рис 12а) равно напряжения логической единицы VT1 и VT3 открываются, а VT2 закрывается и конденсатор разряжается через открытый VT3.
Напряжение в точке 1 равно 2,4 В, при этом ток, текущий в базу VT1 будет равен 10 мА.
По таблице номиналов (5%) берём: R12 = 160 Ом, R13 = кОм, R14 = кОм.
Проверим, хватит ли выходного тока Л.Э., втекающего в базу VT1, для обеспечения коллекторного тока этого транзистора, который равен сумме токов, текущего через R13 и базового тока VT3. Базовый ток VT3 определяет эмиттерный ток VT3, а следовательно и ток разрядки конденсатора Cн. Если базовый ток VT1 будет недостаточный для обеспечения нужного коллекторного тока, то конденсатор будет разряжаться дольше и время фронта будет больше, чем нужно по условию курсового проекта.
Ток разрядки конденсатора равен: Icн =Сн * ( dUн / dt )=300 * 20 / 0,6 =10 мА
Базовый ток VT3 равен: Iбvt3 = Icн / ( B+1) = 10 / 51 = 0,2 мА
Транзистор VT1 в насыщении Uкэ нас VT1 0,3 В.
IR13 = (Eпит ум – 0,3) / R13 = 10,9 мА
Коллекторный ток VT1 будет равен: Iк VT1 = IR13 + Iб VT3 = 10,9 + 0,2 = 11,1 мА.
Тогда базовый ток VT1 будет равен: Iб VT1 = Iк VT1 / 11,1 / 50 = 0,22 мА.
Это минимальный базовый ток VT1, который необходим, чтобы конденсатор успел полностью разрядится за время равное 0,6 мкс.
Т.к. выходной ток Л.Э. равен 10 мА > 0,22 мА за необходимое время конденсатор успеет полностью разрядиться.
Найдем tф (см рис 12б):
tф 2,3 * , где = Сн*(Rн || rвых ок); rвых ок = h11 об + (R13 || R14)/(+1); h11 об = rэ + rб/(+1)
rэ =0,025 / 6,7 =3,7 Ом h11 об = 7,7 Ом rвых ок = 42 Ом tф = 2,3*300*(3*0,042)/3,042
tф = 0,029 мкС
По условию курсового проекта tф = 0,6 мкс. Получаемая величина в 20 раз меньше, следовательно, данный усилитель в состоянии обеспечить нужные фронты.
На выходе усилителя (между точками 3 и 4 ) ставим инвертор( D2.4 ), чтобы обеспечить нужную полярность.
Стабилизатор напряжения 1.
Рис 16
Стабилизатор собран на микросхеме КР142ЕН5А. Эта микросхема представляет собой компенсационный стабилизатор напряжения с фиксированным выходным напряжением с защитой от перегрузки по току и перегрева.
С
правочные данные по КР142ЕН5А:
По условию курсового проекта стабилизатор должен обеспечить стабильность напряжения питания Eпит = 0.3% Eпит. Eпит. = 5В Eпит= 0.3*5/100=0.015 В.
Нестабильность напряжения питания может быть вызвано двумя причинами: измемением напряжения на входе стабилизатора (Uвх = Uвх 20% ) и пульсацией тока, связанной с переключением логических элементов из одного логического состояния в другое.
Н
апряжение аРа на входе стабилизатора возьмём равным 10 В. Т.к. напряжение в сети может меняться на 20%, то напряжение на входе стабилизатора будет меняться от 8 до 12 В. Конденсатор С9 должен обеспечить сглаживание пульсации напряжения на входе
где t = 10 мс (полупериод сетевого напряжения), Uвх = 12-8 = 4В, Iпит – ток нагрузки.
Ток нагрузки равен сумме токов, которые потребляют логические элементы.
Когда на входах Л.Э. уровень логической единицы ток, потребляющийся от источника питания равен I1пит = 3,15 мА, а когда на входах Л.Э. уровень логического нуля, то Л.Э. потребляет ток, равный I0пит = 1 мА
Т
.о. средний ток, который потребляет Л.Э, равен:
а изменение тока, при переключении Л.Э. из одного состояния в другое будет равен:
В
генераторе использовано 12 Л.Э., следовательно, ток потребления и изменение тока будут равны:
Т
еперь проверим изменение выходного напряжения вследствие пульсации тока:
Это больше, чем должно быть по условию курсового проекта конденсатор C10 надо подобрать таким, чтобы он уменьшил действие пульсации тока и Eпит было не больше, чем требуется.
Е
сли бы не было конденсатора С10, то Iпит, при заданном Eпит, был бы равен:
Т.к. в нашем случае Iпит = 12,9 мА, то конденсатор C10 за время разрядки должен обеспечить ток, равный IC10 = 12,9 – 2, 49 = 10,41 мА. Время разрядки возьмём равным максимальной длительности генерируемого импульса.
Значит, поставив С10 равным 63 мкФ, мы обеспечим нужное Eпит, при Iпит = 12,9 мА.
Конденсаторы С11,С12 и С13 берём равными 10 нФ. Они припаиваются непосредственно к 7 и 14 выводу микросхем К155ЛА3 для предотвращения распространения пульсации в шинах питания генератора, вызванной переключением Л.Э. из одного логического состояния в другое.
По таблице номиналов(5%) берём:
Конденсатор С9 на напряжение 25 В, а С10 – на 10 В.
Стабилизатор напряжения 2.
Рис 17
В
этом стабилизаторе используется микросхема КР142ЕН9А. Корпус у неё такой же, как и КР142ЕН5А, а параметры следующие:
Этот стабилизатор используется для питания усилителей мощности УМ1 и УМ2. Найдём ток, который они потребляют:
К
огда на выходе генератора 15 В, то ток, который потребляют усилители равен:
К
огда же на выходе генератора 0 В, то ток, потребляемый усилителями будет равен:
Т
.о. средний ток, потребляемый усилителями равен:
А пульсация тока будет равна:
Также как и в предыдущем стабилизаторе нестабильность выходного напряжения может быть вызвано двумя причинами: нестабильность входного напряжения (Uвх = Uвх 20% ) и пульсация тока при изменении выходного напряжения генератора от 0 до 15В и наоборот.
Для уменьшения влияния этих факторов поставлены конденсаторы C14 и С15.
Возьмём напряжение на входе стабилизатора равным 30 В. Тогда из-за изменения напряжения в сети, входное напряжение будет меняться от 24 до 36 В.
Н
айдём величину конденсатора С14 :
Теперь найдём конденсатор C15, но сначала проверим изменение выходного напряжения в
следствие пульсации тока:
По условию Eпит = 0,3 % Eпит = 0,3 * 20 / 100 = 0,06 В, а без C15 Eпит = 0,099 В
Iпит УМ , которое может обеспечить стабилизатор без C15 равен:
Т.к. в нашем случае Iпит УМ = 2,687 мА, то конденсатор C15 за время разрядки должен обеспечить ток, равный IC15 = 2,687 – 1,635 = 1,052 мА. Время разрядки возьмём равным максимальной длительности генерируемого импульса.
Значит, поставив С15 равным 1,6 мкФ, мы обеспечим нужное Eпит УМ, при
















