Курсач Карета- ТТЛ (988156), страница 3
Текст из файла (страница 3)
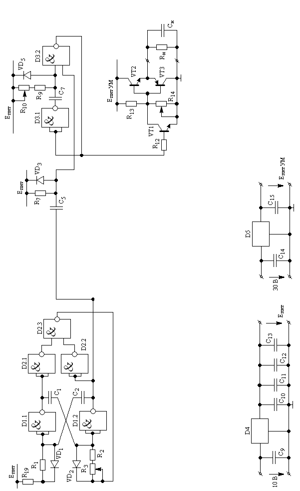
Iпит УМ = 3,284 мА.
По таблице номиналов(5%) берём:
Конденсатор С14 на напряжение 50 В, а С15 – на 25 В.
В МВ к резистору R1 должен подключаться источник, с напряжением равным U1.
Вместо источника напряжения будем использовать первый стабилизатор напряжения, включив последовательно с ним ограничительный резистор R19. Когда конденсатор С1 представляет собой короткое замыкание на входе D1.1 напряжение логического нуля
IR1 = (U1-U0)/R1 = (3,6-0,2)/0,47=7,2 мА
Ток, текущий через R19 равен току, текущему через R1 (т.к. они включены последовательно)
По таблице номиналов (5%) берём R19 = 510 Ом.
R19 = (Eпит – U1)/ IR1 =( 5 - 3,6 ) / 7,2 =194 Ом
| Обозначение | Наименование | Количество | Примечание | |||||||
| Резисторы | ||||||||||
| Конденсаторы | ||||||||||
| Микросхемы | ||||||||||
| D1 D2 D3 | К155ЛА3 | 3 | ||||||||
| D4 | КР142ЕН5А | 1 | ||||||||
| D5 | КР142ЕН9А | 1 | ||||||||
| Транзисторы и диоды | ||||||||||
| VT1 VT2 | КТ315А | 2 | ||||||||
| VT4 VT5 | КТ315А | 2 | ||||||||
| VT3 VT6 | КТ361А | 2 | ||||||||
| VD1 VD6 | КД922Б | 6 | ||||||||
| ПЭЗ | ||||||||||
| Изм. лист | № докум. | Подпись | Дата | |||||||
| Разраб. | Горбачёв И.П. | 0 .05.04 | Генератор прямоугольных импульсов Перечень элементов | Лит. | Лист1 | Листов | ||||
| Проверил | Шнитников А.С. | К | ||||||||
| Т. контр. | ЭР-5-01 | |||||||||
| Н. Контр. | ||||||||||
| Утв. | ||||||||||
Список литературы.
Л.М. Гольденберг «Импульсные устройства» Москва, Радио и связь 1981.
Каретников И.А., Соловьев А.К., Чарыков Н.А. Усилительные и логические устройства / Лабораторный практикум по курсу "Теоретические основы микросхемотехники" Издательство МЭИ, 1992г.
Каретников И.А., Соловьев А.К., Чарыков Н.А. Усилительные устройства / Лабораторный практикум по курсу "Электронные цепи
и микросхемотехника" Кафедра. "Полупроводниковая электроника"
МЭИ (Электронная версия), 2001г.
24
















