Т-КМОП Фрейдлин (988153)
Текст из файла
КУРСОВОЙ ПРОЕКТ
по курсу "Электронные цепи и микросхемотехника"
Тема: Генератор импульсов.
Выполнил: Фрейдлин А.С.
Проверил: Зенова Е.В.
2005
ОГЛАВЛЕНИЕ
Задание к курсовому проекту 3
Требования к генератору импульсов 3
Блок-схема генератора прямоугольных импульсов 4
Микросхема К561АГ1 5
Мультивибратор 6
Ждущий мультивибратор 8
Усилитель мощности 9
Стабилизатор напряжения 13
Список литературы. 17
Задание к курсовому проекту
Спроектировать генератор прямоугольных импульсов (ГПИ), либо генератор импульсов линейно-изменяющегося напряжения (ГЛИН).
Спроектировать стабилизатор напряжения, обеспечивающий питание генератора импульсов. Использовать интегральные СН. Нестабильность выходного напряжения стабилизатора не хуже
при нестабильности напряжения сети
.
Генератор прямоугольных импульсов.
Спроектировать генератор прямоугольных импульсов, обеспечивающий в нагрузке
амплитуду рабочих импульсов, регулируемую в пределах
. Длительность импульсов должна регулироваться и находиться в пределах
. Период следования импульсов регулируется и находится в пределах
. Обеспечить длительность переднего и заднего фронтов импульса не более
. Форма напряжения рабочего импульса и его амплитуда могут быть согласованы с консультантом. Генератор (за исключением УМ) выполняется с использованием стандартных логических элементов (ЛЭ) ТТЛ, либо КМОП однотипных для всего генератора, либо таймеров (формирователей) на основе ТТЛ и ЛЭ ТТЛ (Т-ТТЛ) или таймеров (формирователей) на основе КМОП и ЛЭ КМОП (Т-КМОП).
Требования к генератору импульсов
| ГПИ/ГЛИН | Полярность | Тип логики | |||||||||
| 1 | 1 | - | 3 | 4 | 5 | 6 | 1 | 2 | 3 | 4 | 5 |
| ГПИ | 3В | - | 100мкс | 10 | 0,07 | 3к | 300пФ | 3 | 5 | Т-КМОП | 1% |
| Форма импульса | |
| Амплитуда импульса | |
| Параметры нагрузки |
Блок-схема генератора прямоугольных импульсов
|
|
| Рис.1 Блок-схема генератор прямоугольных импульсов |
-
Мультивибратор (МВ) генерирует прямоугольные импульсы, период которых можно изменять.
-
После мультивибратора импульсы попадает в ждущий мультивибратор (ЖМВ), который позволяет регулировать длительность импульсов.
-
Для усиления мощности импульсов используется усилитель мощности (УМ), который позволяет так же регулировать амплитуду импульса.
|
|
| Рис.2 Осциллограммы напряжений в соответствующих точках на блок-схеме |
По условию задания генератор, за исключением усилителя мощности, должен быть спроектирован на стандартных логических элементах Т-КМОП. Исходя из этого требования, для проектирования ГПИ я выбрал микросхему К561АГ1.
Микросхема К561АГ1
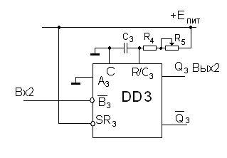
Микросхема К561АГ1 содержит два одновибратора, каждый из которых имеет три входа и два взаимно инверсных выхода (рис.3). Запуск одновибраторов может осуществляться как фронтом, так срезом входного сигнала. Формирование выходного сигнала может быть в любой момент прервано путем подачи сигнала низкого уровня на вход SR. Переключение микросхемы происходит согласно табл.1.
| Рис. 3 Микросхема К561АГ1 | Табл.1 Таблица переключения микросхемы |
Длительность импульса задается времязадающей цепью, подключенной к R/C и С выводам микросхемы (рис.4). Рассчитать длительность импульсов можно по приближенной формуле
при
, либо по номограмме (рис.5). При работе одновибратора на внешнюю нагрузку выходной ток не должен превышать 0,5 мА при
.
Мультивибратор
Мультивибратор должен генерировать импульсы с периодом Т. Для этого надо использовать два одновибратора. Схема мультивибратора представлена на рис.6.
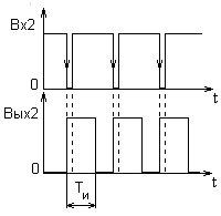
Пусть в какой-то момент времени одновибратор DD1 генерирует импульс длительностью
(рис.7). С инвертирующего выхода
сигнал подается на вход
элемента DD2. Так как на входы
и
высокий уровень, то согласно таблице переключений (табл.1), когда на
будет положительный перепад, DD2 запустит импульс длительности
. Подав с инвертирующего выхода
положительный на вход
элемента DD1, элемент DD1 вновь запустит импульс длительностью
. Видно, что дальше процесс будет повторяться бесконечно долго с периодом равным
. Следовательно, рассмотренная схема будет являться автогенератором.
|
|
| Рис.7 Осциллограммы, иллюстрирующие работу мультивибратора |
Чтобы менять период колебаний достаточно изменять
при постоянном
. Выберем
, так как мы выбрали
, то можно считать
.
Найдем параметры время задающих цепей.
Чтобы обеспечить
, по номограмме (рис.5)
,
(5%). Максимальный ток потребляемый от питания:
.
Считая
, следует, что
изменяется от
до
.
Возьмем емкость
. Т.к.
, можно воспользоваться формулой
Регулировочный резистор
. Возьмем
Максимально потребляемый ток будет при минимальном сопротивлении
Ждущий мультивибратор
Ждущий мультивибратор должен из пришедшего на него импульса произвольной длительности сделать импульс длительностью
.
|
|
|
| Рис.8 Схема ждущего мультивибратора | Рис.9 Осциллограммы, иллюстрирующие работу ждущего мультивибратора |
На вход
подается сигнал Вх2 с мультивибратора. Т.к. на вход
подается высокий уровень, а на вход
низкий, то ждущий мультивибратор будет запускать импульс длительностью
, когда на входе
будет отрицательный перепад (см. табл.1). Длительность импульса
будет задаваться RC цепью.
Найдем параметры время задающей цепи.
Возьмем
. Т.к.
, можно воспользоваться формулой
Регулировочный резистор
. Берем
(5%)
Максимально потребляемый ток будет при минимальном сопротивлении
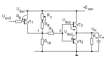
Усилитель мощности
Усилитель мощности (рис.10) должен изменять уровень “нуля”
(рис.11)
|
| ||
| Рис.10 | Рис.11 | |
| Табл.2 Таблица параметров транзисторов | ||
Рассмотрим работу усилителя мощности по постоянному току.
Пусть
(будем считать что
,а
). Транзистор VT1 открыт (т.к.
) и находиться в насыщении.
практически равен
транзистор VT3 закрыт, а VT2 открыт (если
больше 0,7В). Напряжение
будет зависеть от тока эмиттера VT2.
Найдем сопротивления резисторов обеспечивающие
Характеристики
Тип файла документ
Документы такого типа открываются такими программами, как Microsoft Office Word на компьютерах Windows, Apple Pages на компьютерах Mac, Open Office - бесплатная альтернатива на различных платформах, в том числе Linux. Наиболее простым и современным решением будут Google документы, так как открываются онлайн без скачивания прямо в браузере на любой платформе. Существуют российские качественные аналоги, например от Яндекса.
Будьте внимательны на мобильных устройствах, так как там используются упрощённый функционал даже в официальном приложении от Microsoft, поэтому для просмотра скачивайте PDF-версию. А если нужно редактировать файл, то используйте оригинальный файл.
Файлы такого типа обычно разбиты на страницы, а текст может быть форматированным (жирный, курсив, выбор шрифта, таблицы и т.п.), а также в него можно добавлять изображения. Формат идеально подходит для рефератов, докладов и РПЗ курсовых проектов, которые необходимо распечатать. Кстати перед печатью также сохраняйте файл в PDF, так как принтер может начудить со шрифтами.
















