Т-КМОП Фрейдлин (988153), страница 2
Текст из файла (страница 2)
Ток эмиттера VT2 должен быть равен
Запишем уравнения второго закона Кирхгофа для контура 1:
Чтобы транзистор VT1 был в насыщении
. Записав первый закон Кирхгофа для узла 1, найдем
, приняв
(5%).
|
| |
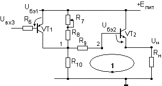
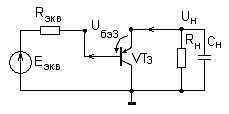
| Рис.12 Схема усилителя мощности по постоянному току | Рис.13 Схема усилителя мощности по постоянному току |
Пусть
, тогда транзистор VT1 закрыт, тогда схему усилителя мощности можно упростить(рис.13).
По заданию необходимо обеспечить в нагрузке амплитуду
0 – 3В.
Второй закон Кирхгофа для контура 2:
выразим из полученного выражения
Пусть
, тогда транзистор VT1 в насыщении,
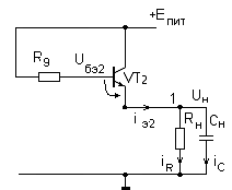
(см. рис.10), транзистор VT2, емкость
будет заряжаться. Будем считать, что транзистор безинерционнен. Для рассматриваемого случая схема на рис.10 может быть упрощена (рис.14).
Запишем первый закон Кирхгофа для узла 1.
Приравняв правые части * и **, получим дифференциальное уравнение
условие на фронт при зарядке конденсатора выполняется.
Если
, тогда транзистор VT1 закрыт, емкость
будет заряжена до
, потенциал в точке 1 (рис.10) будет равен 0. В этом случае транзистор VT3 откроется, а транзистор VT2 закроется, емкость
будет разряжаться.
Найдем ток эмиттера
Спроектированный генератор прямоугольных импульсов обеспечивает фронты импульса меньше 7мкс.
Стабилизатор напряжения
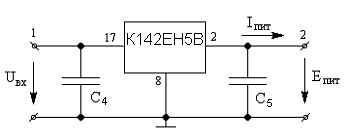
Для обеспечения стабильного питания генератора необходимо использовать стабилизатор. Выберем стабилизатор К142ЕН6В.
|
|
| Рис.16 Схема стабилизатора Нестабильность напряжения питания может быть вызвано двумя причинами: изменением напряжения на входе стабилизатора (UВХ = UВХ 20% ) и пульсацией тока, связанной с переключением логических элементов из одного логического состояния в другое. напряжения |
По условию курсового проекта стабилизатор должен обеспечить стабильность напряжения питания
Н
апряжение аРа на входе стабилизатора возьмём равным 10 В. Т.к. напряжение в сети может меняться на 20%, то напряжение на входе стабилизатора будет меняться от 8 до 12 В. Конденсатор С4 должен обеспечить сглаживание пульсации напряжения на входе
где t = 10 мс (полу период сетевого напряжения), UВХ = 12В-8В = 4В, IПИТ – ток потребляемый ГПИ
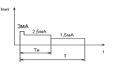
Максимальный потребляемый ток ГПИ
= 3мА (рис.17)
|
|
| Рис.17 Ток потребляемый ГПИ за период |
Теперь проверим изменение выходного напряжения вследствие пульсации тока:
Это соответствует требуемой по условию курсового проекта нестабильности, величину С5 следует взять согласно справочнику .
| Обозначение | Наименование | Количество | Примечание | ||||||||
| Резисторы | |||||||||||
| R1 | МЛТ-0.125-9,1к (5%) | 1 | |||||||||
| R2 | МЛТ-0.125-56к (5%) | 1 | |||||||||
| R3 | СП-1-0.25-270к А | 1 | |||||||||
| R4 | МЛТ-0.125-2к (5%) | 1 | |||||||||
| R5 | СП-1-0.25-18к А | 1 | |||||||||
| R6 | МЛТ-0.125-220к (5%) | 1 | |||||||||
| R7 | СП-1-0.25-62к А | 1 | |||||||||
| R8 | МЛТ-0.125-48 (5%) | 1 | |||||||||
| R9 | МЛТ-0.125-62к (5%) | 1 | |||||||||
| Конденсаторы | |||||||||||
| С1 | К10-50-0,1нФ | 1 | |||||||||
| С2 ,С3 | К50-16-0,1 мкФ | 2 | |||||||||
| С4 | К50-16-3,6мкФ | 1 | |||||||||
| С5 | К50-16-2,2мкФ | 1 | |||||||||
| Микросхемы | |||||||||||
| DD1, DD2, DD3 | К561АГ1 | 2 | |||||||||
| СН | КР142ЕН2В | 1 | |||||||||
| Транзисторы и диоды | |||||||||||
| VT1 VT3 | КТ203Б | 2 | |||||||||
| VT2 | КТ201Б | 1 | |||||||||
| VD1 VD4 | КД922Б | 4 | |||||||||
| Изм. лист | № докум. | Подпись | Дата | ||||||||
| Разраб. | Фрейдлин А.С. | Генератор прямоугольных импульсов Перечень элементов | Лит. | Лист1 | Листов | ||||||
| Проверил | Зенова Е.В. | ||||||||||
| Т. контр. | ЭР-5-02 | ||||||||||
| Н. Контр. | |||||||||||
| Утв. | |||||||||||
Список литературы.
Л.М. Гольденберг «Импульсные устройства» Москва, Радио и связь 1981.
Каретников И.А., Соловьев А.К., Чарыков Н.А. Усилительные и логические устройства / Лабораторный практикум по курсу "Теоретические основы микросхемотехники" Издательство МЭИ, 1992г.
Каретников И.А., Соловьев А.К., Чарыков Н.А. Усилительные устройства / Лабораторный практикум по курсу "Электронные цепи
и микросхемотехника" Кафедра. "Полупроводниковая электроника"
МЭИ (Электронная версия), 2001г.
Мячин Ю.А. 180 аналоговых микросхем / Приложение к журналу
"Радио" -М.: Патриот,1993г.
А.И.Аксенов, А.В.Нефёдов «Элементы схем бытовой радиоаппаратуры, конденсаторы, резисторы» Москва Радио и связь 1995г.
Аналоговые и цифровые интегральные схемы /Справочное пособие под ред. Якубовского С.В. -М.: Радио и связь, 1985г.
16
















