Т-КМОП Мавленков 10 (988150)
Текст из файла
ЗАДАНИЕ НА КУРСОВОЙ ПРОЕКТ 3
Шифр задания 4
СТРУКТУРНАЯ СХЕМА ГПИ 5
Теоретическая часть 6
Расчет мультивибратора 8
Расчет ждущего мультивибратора 10
Расчет усилителя мощности 11
Расчет стабилизатора напряжения 15
Принципиальная схема 17
Спецификация элементов 18
Литература 19
ЗАДАНИЕ НА КУРСОВОЙ ПРОЕКТ
по курсу "Электронные цепи и микросхемотехника"
Спроектировать генератор прямоугольных импульсов (ГПИ), либо генератор импульсов линейно-изменяющегося напряжения (ГЛИН). Спроектировать стабилизатор напряжения, обеспечивающий питание генератора импульсов. Использовать интегральные СН. Eпит при нестабильности напряжения сети +,- 20%.
Генератор прямоугольных импульсов.
Спроектировать генератор прямоугольных импульсов, обеспечивающий в нагрузке (Rн,Сн) амплитуду рабочих импульсов, регулируемую в пределах 0 - Uвых m. Длительность импульсов должна регулироваться и находиться в пределах Tи min - Tи max. Период следования импульсов регулируется и находится в пределах T min - T max. Обеспечить длительность переднего и заднего фронтов импульса не более tф. Форма напряжения рабочего импульса и его амплитуда могут быть согласованы с консультантом. Генератор (за исключением УМ) выполняется с использованием стандартных логических элементов (ЛЭ) ТТЛ, либо КМОП однотипных для всего генератора, либо таймеров (формирователей) на основе ТТЛ и ЛЭ ТТЛ (Т-ТТЛ) или таймеров (формировате-
лей) на основе КМОП и ЛЭ КМОП (Т-КМОП).
Генератор импульсов линейно-изменяющегося напряжения.
Спроектировать ГЛИН, обеспечивающий в нагрузке (Rн) амплитуду рабочих импульсов, регулируемую в пределах 0 - Uвых m. Длительность импульсов должна регулироваться и находиться в пределах Tи min - Tи max. Период следования импульсов регулируется и находится в пределах T min - T max. Обеспечить длительность фронта спада импульса не более tф. Форма напряжения рабочего импульса и его амплитуда могут быть согласованы с консультантом. Генератор (за исключением УМ) выполняется с использованием стандартных логических элементов (ЛЭ) ТТЛ, либо КМОП однотипных для всего генератора, либо таймеров (формирователей) на основе ТТЛ и ЛЭ ТТЛ (Т-ТТЛ) или
таймеров (формирователей) на основе КМОП и ЛЭ КМОП (Т-КМОП). Для ГЛИНа также допускается использование операционных усилителей (ОУ).
Шифр задания
---------------------------------------------------------
10.Мавленков 1 3 + 4 1 6 3 4 2 4 4 1 К
Uвыхm = 7 В
Полярность импульса «+»
Tиmin = 200 мкс
Tиmax/Tumin = 3
tф/ Tumin = 0,1
Rн = 500 Ом
Сн = 1500 пф
Tmin/ Tumax = 3
Tmax/ Tmin = 7
Тип логики Т-КМОП
Tиmax=600 мкс
tф=20 мкс
Tmin=1800 мкс
Tmах=12600 мкс
СТРУКТУРНАЯ СХЕМА ГПИ
Осциллограммы в различных точках нашей структурной схемы:
Каждое устройство выполняет следующие функции:
-
Мультивибратор (МВ) генерирует прямоугольные импульсы с регулируемым периодом следования для запуска ждущего мультивибратора
-
Ждущий мультивибратор (ЖМВ) формирует прямоугольный импульс с заданной длительностью
-
Усилитель мощности формирует импульс с заданной амплитудой.
С выхода усилителя УМ должен быть снят сигнал, удовлетворяющий требованиям к сигналу рассчитываемого генератора прямоугольных импульсов.
Для стабилизации выходного напряжения будет использован интегральный стабилизатор напряжения.
Теоретическая часть
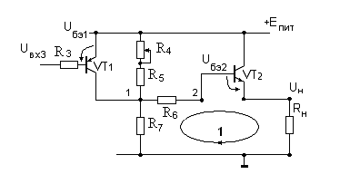
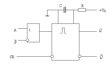
Краткое описание микросхемы К561АГ1(рис.1):
Микросхема К561АГ1 содержит два одновибратора, каждый из которых имеет три входа и два взаимно инверсных выхода. Их запуск возможен как фронтом входного импульса, так и его срезом. Формирование выходного импульса в любой момент может быть прервано путем подачи сигнала низкого уровня на вход SR. Переключательные свойства микросхемы К561АГ1 поясняет таблица 1.
рис.1
| Вход | Выход | Режим | |||
| SR | A | B | |||
| X | H | X | L | H | Устойчивое состояние |
| X | X | L | L | H | |
| H | H | Запуск | |||
| H | L | ||||
| L | X | X | L | H | Прерывание (Сброс) |
Табл.1
Ограничений на ёмкость конденсатора нет, но его сопротивление утечки должно быть очень большим, как минимум в 10…100 раз больше, чем сопротивление резистора RC-цепи. Поскольку эта схема выполнена на полевых транзисторах, имеющих очень большое входное сопротивление, верхний предел этого резистора не ограничен. Минимальное значение сопротивления 1 кОм.
Если выходы микросхемы К561АГ1 нагружены внешними устройствами, выходной ток и напряжение не должны превышать 1,3 мА и 9 В при Uпит=10 В(эти значения будем использовать в дальнейших расчетах).
Практически одновибратор К561АГ1 может генерировать выходные импульсы длительностью от сотен наносекунд до нескольких минут.
Рассчитать длительность импульсов выходного напряжения можно по приближённой формуле (при С>0.01 мкФ):
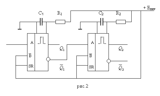
Наличие нескольких управляющих входов у рассмотренных одновибраторов даёт разработчику дополнительные возможности их практического использования. Как например рис.2 иллюстрирует приём создания временной задержки генерируемого импульса относительно фронта входного импульса. От входного импульса запускаются последовательно два одновибратора. Первый генерирует импульс, длительность которого определяет время задержки выходного. В момент окончания этого импульса от перепада напряжения срабатывает второй одновибратор, который генерирует собственно выходной импульс рис.3. Если в рассмотренном устройстве один из выходов второго одновибратора соединить с соответствующим входом первого, возникает самовозбуждение с периодом
рис.3
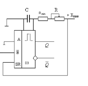
Расчет мультивибратора
Схема мультивибратора на микросхемах К561АГ1 (рис.4).
рис.4
Нижнее значение сопротивления резистора Rmin=1кОм.
Период следования импульса от Tmin=1800 мкс до Tmах=12600 мкс
Для упрощения расчетов возьмём идентичные микросхемы с идентичными внешними компонентами т.е. R=R1+R2, C=C1=C2
Искомый период будет равен:
А так как мы выбрали идентичные внешние компоненты:
Максимально возможное сопротивление для нашей схемы:
Итак , чтобы получить импульс заданным периодом следования необходимо взять С1=С2=1.8мкФ и регулировочные сопротивления R1 и R2 до 6 кОм. R1min=1кОм R2min=1кОм.
Осциллограммы МВ представлены на рис.5
рис.5
Расчет ждущего мультивибратора
Схема ЖМВ на микросхеме К561АГ1 (рис.6).
рис.6
ЖМВ формирует импульс заданной длительности.
Длительность импульса можно рассчитать по формуле
Нижнее значение сопротивления резистора Rmin=1кОм.
Длительность импульса от Tиmin = 200 мкс до Tиmax=600 мкс
Рассчитаем емкость конденсатора:
Рассчитаем максимально возможное сопротивление:
Итак , чтобы получить импульс заданной длительности необходимо взять С=40мкФ и регулировочное сопротивление Rmin=1кОм и регулируемое сопротивление до Rmax=2кОм.
Осциллограммы ЖМВ представлены на рис.7
рис.7
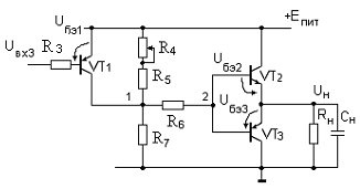
Расчет усилителя мощности
Рассмотрим работу усилителя мощности по постоянному току.
Пусть
(будем считать что
,а
). Транзистор VT1 открыт (т.к.
) и находиться в насыщении.
практически равен
транзистор VT3 закрыт, а VT2 открыт (если
больше 0,7В). Напряжение
будет зависеть от тока эмиттера VT2.
Найдем сопротивления резисторов обеспечивающие
Ток эмиттера VT2 должен быть равен
Запишем уравнения второго закона Кирхгофа для контура 1:
Чтобы транзистор VT1 был в насыщении
. Записав первый закон Кирхгофа для узла 1, найдем
, приняв
.
|
| |
| Рис.10 | Рис.11 |
Пусть
, тогда транзистор VT1 закрыт, тогда схему усилителя мощности можно упростить(рис.11).
По заданию необходимо обеспечить в нагрузке амплитуду
0 – 7В.
Второй закон Кирхгофа для контура 2:
выразим из полученного выражения
Характеристики
Тип файла документ
Документы такого типа открываются такими программами, как Microsoft Office Word на компьютерах Windows, Apple Pages на компьютерах Mac, Open Office - бесплатная альтернатива на различных платформах, в том числе Linux. Наиболее простым и современным решением будут Google документы, так как открываются онлайн без скачивания прямо в браузере на любой платформе. Существуют российские качественные аналоги, например от Яндекса.
Будьте внимательны на мобильных устройствах, так как там используются упрощённый функционал даже в официальном приложении от Microsoft, поэтому для просмотра скачивайте PDF-версию. А если нужно редактировать файл, то используйте оригинальный файл.
Файлы такого типа обычно разбиты на страницы, а текст может быть форматированным (жирный, курсив, выбор шрифта, таблицы и т.п.), а также в него можно добавлять изображения. Формат идеально подходит для рефератов, докладов и РПЗ курсовых проектов, которые необходимо распечатать. Кстати перед печатью также сохраняйте файл в PDF, так как принтер может начудить со шрифтами.
















