ЛР-сб-КЛЮЧИ-исп (987986), страница 8
Текст из файла (страница 8)
Если все n-канальные, или все p-канальные транзисторы закрыты, то схема, практически, не потребляет тока. Это происходит в диапазоне входных напряжений UВХ <UОn и (EПИТ - UОp) < UВХ < EПИТ.
Если входное напряжение находится в диапазоне UОn<UВХ<UВХ* (точки (a, b, c)), то для качественного определения тока, потребляемого от источника питания (IПИТ = IСn = IСp), полезно заметить, что между шинами питания оказываются последовательно включенными источник тока (IСn) и резистор – крутая область характеристик p-канального транзистора. Откуда ясно, что ток в этой цепи, практически, определяется источником тока (n-канальным транзистором)
IПИТ = IСn = (bn/2) (UВХ – UОn)2.
В диапазоне входных напряжений UВХ* < UВХ < (EПИТ - UОp) ток определяется p-канальными транзисторами по аналогичной причине, и подчиняется уравнению (5.5), т.е.
IСp = (bp/2) (EПИТ -UВХ – UОp)2.
В другом часто встречающемся случае, когда напряжения источника питания EПИТ (UОp + UОn), КМОП-схема в статическом режиме работы, практически, не будет потреблять тока при переходе от UВЫХ1 до UВЫХ0. Однако быстродействие такой схемы понижено.
Выходные характеристики
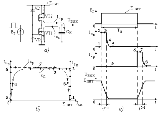
Схема измерения выходных характеристик IВЫХ = f (EГ) представлена на рис. 5.5, а . В зависимости от условий на входе схемы возможно наблюдение двух выходных характеристик. При EГ = 0 транзистор VT1 закрыт, а VT2 максимально открыт, путь тока IВЫХ показан пунктиром. На рис. 5.5, б представлена соответствующая выходная характеристика. Она определяется транзистором VT2. При EГ = 1 выходная характеристика определяется транзистором VT1, который максимально открыт. При этом VT2 закрыт.
Выходные характеристики как при высоком, так и при низком уровне выходного логического сигнала определяются транзисторами, находящимися в крутой области характеристик. Эти характеристики на начальном участке определяются уравнением IС = b(UЗИ - UО) UСИ.
Исследование данных характеристик позволяет оценить максимальный нагрузочный ток при заданных уровнях U0 и U1, а также удельную крутизну эквивалентных транзисторов.
Переходные процессы
Предполагается, что логический элемент нагружен на аналогичные КМОП ключевые схемы. Поскольку входное сопротивление
МОП-транзисторов крайне велико, можно считать, что нагрузка схемы является чисто емкостной (CН = CСОБСТВ + MCВХ, где M-число подключаемых элементов). В эксперименте ЛЭ нагружены на внешнюю емкость CН (Рис. 5.6, а).
При изменении состояния ключа емкость CН перезаряжается через открытые транзисторы. Для оценки длительности переходных процессов необходимо знать характер перемещения рабочей точки по выходным характеристикам транзисторов (Рис. 5.6, б).
В исходном состоянии при EГ = 0 транзистор VT2 открыт, а VT1 закрыт, и емкость CН заряжена до напряжения EПИТ (точка 1 рис.5.6, б, в). При мгновенном включении EГ = EПИТ транзистор VT2 закроется, а VT1 откроется, но поскольку напряжение на емкости CН мгновенно измениться не может, рабочая точка переместится в положение 2. Начнется разряд емкости CН постоянным током ICn, и до тех пор, пока транзистор работает в пологой области характеристик (точка 3), формируется линейный спад выходного напряжения в соответствии с уравнением
IСn = CН dUВЫХ / dt.
| Рис. 5.6. Переходные процессы в КМОП при работе на емкостную нагрузку: а – электрическая схема; б – перемещение рабочей точки по семейству выходных характеристик; в – осциллограммы переходных процессов |
По мере уменьшения напряжения UВЫХ ток разряда емкости IСn уменьшается (точка 4), и окончательно емкость CН разрядится полностью – UВЫХ = 0 (точка 5). Соответственно длительность линейной части фронта t1-0 cоставит
t1-0 = k EПИТ CН / IСn ,
где k = 0,7 - 0,8 в зависимости от вклада крутой области характеристики в этот процесс.
При мгновенном выключении импульса (EГ = 0 ) транзистор VT2 откроется, а VT1 закроется, рабочая точка мгновенно переместится в положение 6 . Емкость CН начнет заряжаться током ICp (точки 7, 8). Процесс аналогичен выше рассмотренному, и формируется линейное нарастание выходного напряжения
IСp = CН dUВЫХ / dt.
В точке 1 емкость CН вновь заряжена до напяжения EПИТ. Длительность фронта t0-1 cоставит
t0-1 = k EПИТ CН / IСp ,
где k = 0,7 - 0,8 в зависимости от вклада крутой области характеристики в этот процесс.
Сокращения длительности переходных процессов в КМОП-схемах добиваются путем уменьшения емкости нагрузки, либо использованием транзисторов с повышенной крутизной. При минимальной емкости нагрузки (CН = CСОБСТВ) реализуется минимальная длительность фронтов
t1-0, t0-1, определяемая технологическими возможностями при изготовлении микросхемы.
Задание
1. Изучить закономерности управления логическим элементом. Составить таблицу истинности. Конкретный вид схемы задается преподавателем.
2. Исследовать статическую передаточную характеристику и ток,
потребляемый схемой от источника питания EПИТ в зависимости от EГ.
3. Исследовать выходные характеристики схемы при высоком и низком уровнях входных напряжений. Оценить удельную крутизну транзисторов.
4. Осуществить управление логическим элементом прямоугольными импульсами напряжения. Наблюдать переходные процессы. Оценить длительность t1-0 и t0-1, сравнить с теоретически ожидаемыми.
БИБЛИОГРАФИЧЕСКИЙ СПИСОК
1. Преснухин Л. Н., Воробьев Н. В., Шишкевич А. А. Расчет элементов цифровых устройств. М.: Высш. шк., 1982. С. 174—181.
2. Агаханян Т. М. Интегральные микросхемы. М.: Энергоатомиздат, 1983. С. 346—351.
3. Справочник по интегральным микросхемам./Под ред. Б. В. Тарабрина. М.: Энергия, 1980. С. 816.
СОДЕРЖАНИЕ
1.Лабораторная работа № 1.
СТАТИЧЕСКИЙ РЕЖИМ РАБОТЫ КЛЮЧА НА
БИПОЛЯРНОМ ТРАНЗИСТОРЕ …………………………………..3
2.Лабораторная работа № 2.
ПЕРЕХОДНЫЕ ПРОЦЕССЫ В ТРАНЗИСТОРНОМ КЛЮЧЕ
ПРИ РАБОТЕ НА АКТИВНО – ЕМКОСТНУЮ НАГРУЗКУ ….. 9
3.Лабораторная работа № 3.
РАБОТА КЛЮЧА НА БИПОЛЯРНОМ ТРАНЗИСТОРЕ НА
АКТИВНО – ИНДУКТИВНУЮ НАГРУЗКУ…………………….17
4.Лабораторная работа № 4.
РАБОТА КЛЮЧА НА МОП – ТРАНЗИСТОРЕ НА
АКТИВНО – ИНДУКТИВНУЮ НАГРУЗКУ…………………… 30
5.Лабораторная работа № 5.
ЛОГИЧЕСКИЕ ЭЛЕМЕНТЫ НА КМОП ТРАНЗИСТОРАХ …. 40
––––––––––––––––––––––––
Учебное издание
Каретников Игорь Александрович,
Соловьев Анатолий Корнильевич,
Чарыков Николай Андреевич
ТРАНЗИСТОРНЫЕ КЛЮЧИ
Лабораторные работы № 1 – 5
Методическое пособие
по курсу
"Электронные цепи и микросхемотехника"
для студентов, обучающихся по направлению
"Электроника и микроэлектроника"
Редактор И.А. Каретников
Редактор издательства В.В. Сомова
ЛР №
––––––––––––––––––––––––––––––––––––––––––––––––––––––––––––––––
Темплан издания МЭИ 2004 г. ( ), учебн.
Подписано к печати Печать офсетная
Формат бумаги
Физ. печ. л.
Тираж Изд. № Заказ
–––––––––––––––––––––––––––––––––––––––––––––––––––––––––––––––
Издательство МЭИ, 111250, Москва, Красноказарменная ул., 14.
Отпечатано в типографии ЦНИИ "Электроника",
117415, Москва, просп. Вернадского, д. 39.
49
















