ЛР-сб-КЛЮЧИ-исп (987986), страница 5
Текст из файла (страница 5)
tЗАКР = b ln ((IКН + b0IБ) / b0IБ) (3.16)
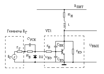
В случае, если используется резистор R1, то по мере уменьшения тока коллектора транзистора (рис. 3.2), ток через резистор R1 возрастает (помним, что (IR1 + IК = IL) const). На выходе ключа наблюдается перенапряжение (рис. 3.3, г, штрих-пунктир). Рабочая точка передвигается в положение "F". Изменение напряжения UС КБ приводит к продолжению перезарядки емкости CКБ, а, следовательно – необходимо использовать постоянную ОЭ1 в уравнении (3.12). Время закрытия транзистора составит
tЗАКР = ОЭ1 ln ((IКН + b0IБ) / b0 IБ). (3.17)
где ОЭ1 = ( + ( +1) CКБ (R1rКЭ)).
Следует обратить внимание, что на этапе закрытия транзистора на его коллекторе может выделяться значительная энергия, так как протекает максимальный ток (IК=IКН) и имеет место повышенное напряжение (UК = EПИТ и более).
Этап восстановления (Рис. 3.8). Транзистор закрылся. Ток индуктивности протекает по контуру L –VD1 – RН – (R1). В момент времени, когда IК станет равным нулю, ток резистора R1 принимает максимальное значение. В дальнейшем этот ток уменьшается с постоянной времени 1 = L(RН+R1) по мере расходования энергии, накопленной в индуктивности. Выходное напряжение уменьшается, и рабочая точка перемещается в положение "A" за время восстановления tВОССТ 31.
Использование ускоряющей емкости. При введении в цепь управления “ускоряющей” емкости (рис. 3.9) ток, поступающий в базу транзистора в начальный момент времени (IБ+), увеличивается. Это ведет к сокращению длительности tЗД и t1-0 (см. соотношения (3.1) и (3.6)). Читателю предлагается самому вычислить ток IБ+ при наличии “ускоряющей” емкости.
При выключении ключа заряд, накопленный на “ускоряющей” емкости, создает напряжение на ней полярностью “” к базе. Это увеличивает ток базы IБ и позволяет уменьшить длительности всех стадий (tРАСС, t0-1, tЗАКР) при закрытии транзистора. Ток IБ рассчитать самим!
Во всех случаях важно так выбрать величину “ускоряющей” емкости, чтобы ее заряда хватило на время формирования всех стадий переходного процесса и одновременно не возникало существенного запирающего напряжения на эмиттерном переходе при выключении транзистора. Уменьшению обратного смещения на эмиттерном переходе и, таким образом, предохранению его от пробоя служит диод VD2
(рис. 3. 9).
Методические указания по проведению измерений
Переходные процессы в каскаде, работающем в режиме ключа, наблюдаются с использованием осциллографа (типа С1-94). Управление ключом осуществляется с помощью генератора прямоугольных импульсов (типа Г5-54). Вход осциллографа и входной кабель характеризуются значительной емкостью (40 и 100 Ф, соответственно), так что непосредственное присоединение осциллографа к исследуемой цепи может увеличить емкость в схеме и исказить переходной процесс. В связи с этим желательно использовать кабель с входным делителем напряжения. Это уменьшит емкость, вносимую в схему в процессе измерения. Но в этом случае при чтении показаний осциллографа следует учитывать коэффициент деления напряжения входным делителем.
В процессе измерения длительности переходных процессов необходимо использовать внешнюю синхронизацию осциллографа. Это обеспечивает независимость уровня синхронизации от амплитуды импульсов управления ключа (EГ) и повышает точность отсчета длительности исследуемого процесса.
Задание
1. Теоретически рассчитать длительность tЗД, t1-0, tРАСС, t 0-1, tЗАКР, tВОССТ используя параметры транзистора и элементов схемы, указанные на стенде.
2. Исследовать процесс включения ключа без использования “ускоряющей” емкости для нескольких значений импульса тока базы IБ+(EГ+). Построить зависимости tЗД и t1-0 от IБ+, зарисовать характерные осциллограммы.
3. Исследовать процесс выключения ключа без использования “ускоряющей” емкости для нескольких значений тока базы IБ+(EГ+). Построить зависимости tРАСС, t 0-1, tЗАКР от IБ+, IБ, зарисовать характерные осциллограммы.
4. Повторить пункты 2 и 3 при использовании “ускоряющей” емкости для одного (двух) значений тока базы.
5. Ввести резистор R1, наблюдать перенапряжения. Провести измерения пункта 2 и 3 для одного (двух) значений тока базы.
Библиографический список
1.Степаненко И. П. Основы теории транзисторов и транзисторных схем. М.: Энергия, 1977.
2.Гусев В.Г., Гусев В.М. Электроника - М.: Высшая школа, 1982г.
3.Каретников И.А., Соловьев А.К., Чарыков Н.А. Усилительные и логические устройства / Лаб. практикум, - М.: Изд-во МЭИ, 1992г.
Лабораторная работа № 4
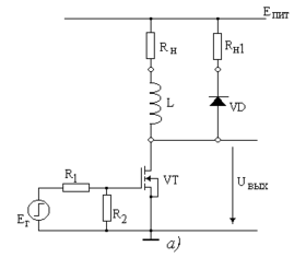
Работа ключа на основе МОП-транзистора на активно-индуктивную нагрузку
Цель работы: получить навыки исследования переходных процессов при включении и выключении n-канального МОП-ключа, работающего на активно-индуктивную нагрузку. Провести теоретические оценки длительности основных стадий процесса. Сравнить с экспериментальными наблюдениями.
Конструкция МОП-транзистора и особенности характеристик.
В лабораторной работе используется MOS-N-FET транзистор типа
IRF 520, специально разработанный для работы в ключевом сильноточном режиме. Его электрические параметры:
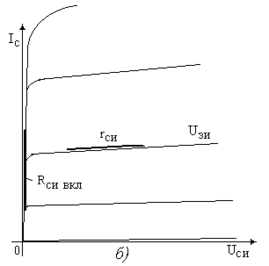
UСИ MAX = 100 В, IСТ MAX = 6 A, RСИ ВКЛ = 0,27 Ом , b = 0,45 0,8 A/B2.
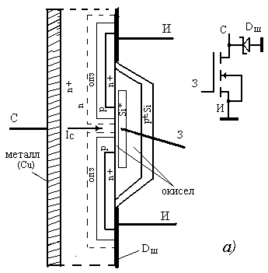
Такие характеристики транзистора получены благодаря особенностям его конструкции. На рис. 4.1, а представлена одна из ячеек прибора. Транзистор имеет несколько сотен таких ячеек. Каждая ячейка имеет сильнолегированные n+ - стоковую и истоковую области, что понижает сопротивление транзистора во включенном состоянии (RСИ ВКЛ).
Обеспечен хороший теплоотвод от стока на медный корпус прибора.
Транзистор обладает повышенной удельной крутизной (b) благодаря малой толщине подзатворного диэлектрика и очень большому отношению (w/L 1000) – ширины канала (w) к его длине (L). В обычной конструкции малая толщина подзатворного диэлектрика ведет к уменьшению напряжения пробоя UСИ. В данной конструкции для повышения напряжения пробоя используется эффект расширения слоя ОПЗ между p- и n- областями (вплоть до их смыкания) при увеличении напряжения на стоке транзистора. Слой ОПЗ является изолятором и защищает от пробоя подзатворный диэлектрик. Кроме того, это изменяет (в лучшую сторону) выходные характеристики транзистора
(см. рис. 4.1, б). Действительно, расширяющийся слой ОПЗ не дает проникать электрическому полю стока в подзатворный диэлектрик и увеличивать ток стока. Этому же способствует очень большое отношение w/L. В результате – в области малых напряжений (UСИ вплоть до 0,1В) выходные характеристики транзистора становятся весьма пологими (RСИ достигает 10 5 Ом), а линия RСИ ВКЛ – достаточно крутой. Это очень полезно, поскольку на открытом (включенном) транзисторе падает весьма малое напряжение даже при токах 10–100 мА. (В обычном маломощном МОП - приборе характеристики IС=f(UСИ) при малых напряжениях расходятся веером, что уже при указанных токах создает значительное падение напряжения на включенном транзисторе). Транзистор защищен от перенапряжений диодом Шоттки. Последний выполнен в виде контакта n-сток - p+ - исток.
Дополнительно, для данного типа прибора на рис. 4.2. а, б представлены зависимости CЗС = f (UСИ) и IС = f (UЗИ). Эти характеристики полезно использовать при проведении оценочных расчетов длительности переходных процессов в ключе.
Работа ключа.
Первое приближение – считаем транзистор безинерционным, т.е. S, СЗС, СЗИ, ССИ = 0. Будем считать, что в начальной стадии транзистор VT закрыт (см. схему на рис. 4.3, а), и на выходе наблюдается высокое напряжение UВЫХ = EПИТ. Схема замещения ключа представлена на
рис. 4.3, б.
При поступлении на затвор транзистора положительного прямоугольного импульса напряжения амплитудой несколько большей, чем напряжение отсечки (UОТС), транзистор открывается, однако индуктивность нагрузки (L) препятствует нарастанию тока. Формируется передний фронт выходного напряжения – фронт спада (t1-0). Для безинерционного транзистора фронт спада очень крутой. Транзистор включается, но ток стока (IС) равен нулю!
За время нахождения транзистора во включенном состоянии UВЫХ 0, ток индуктивности (L) = ток стока транзистора (IС) будет нарастать с постоянной времени L / RН, и к окончанию действия запускающего импульса достигнет определенной величины.
При быстром закрывании транзистора ток индуктивности не может мгновенно стать равным нулю. В результате, благодаря самоиндукции на стоке транзистора возникает перенапряжение. При этом формируется положительный перепад напряжения на выходе схемы – фронт (t0-1). Перенапряжение на стоке может закончиться пробоем транзистора. Для исключения такого эффекта в схему введен охранный диод VD – при возникновении перенапряжения он открывается и отводит ток индуктивности от стока транзистора, замыкая его на шину питания. Транзистор закрылся, но индуктивность L продолжает расходовать накопленную ранее энергию: - в цепи L – VD протекает ток - идет стадия “восстановления”.
Работа ключа - рассмотрение с учетом его инерционнсти.
МОП- транзистор (рис. 4.3, а) работает в режиме большого сигнала. Входное напряжение изменяется так, что транзистор переходит из закрытого состояния в открытое, включенное и наоборот. При скачкообразном изменении входного сигнала ток стока и напряжение стока изменяются с конечной скоростью, что обусловлено инерционностью транзисторного ключа, связанной с конечной длительностью установления электрического поля в канале транзистора, конечным временем пролета электронов через канал (S) и конечным временем перезарядки емкостей затвор-исток, затвор-сток, сток-исток транзистора. В соответствии с этим в схему замещения модели ключа (рис. 4.3, б) введены емкости CЗИ, CЗС, CСИ и дифференциальное сопротивление выходной характеристики rСИ. Генератор тока Y21UЗИ, где Y21= dIС/dUЗИ = b(UЗИ – UO) – крутизна прибора, эмитирует управление транзистором по цепи затвора.
Наличие емкости нагрузки CН, если она есть, может дополнительно увеличивать время установления напряжения на выходе ключа. Будем считать, что CН = 0. Отыскание точного аналитического решения для переходного процесса представляет сложную задачу, тем более что параметры, входящие в модель, сами зависят то токов и напряжений в схеме, т. е. модель является нелинейной. Ниже представлены приближенные решения для отдельных этапов процесса переключения транзистора. На каждом этапе, исходя из физических соображений, транзистор представляется простой моделью, имеющей несложное математическое описание.
Анализ процесса включения транзистора.
Длительность времени задержки включения (tЗД ВКЛ). Пусть в исходной позиции транзистор VT закрыт (Рис. 4.4, а) – напряжение на его затворе U ЗИ = 0 и меньше напряжения отсечки, ток IСТ = 0, напряжение UСИ = EПИТ. Рабочая точка находится на семействе выходных характеристик в положении “A” (Рис. 4.5).
При поступлении на вход схемы идеального прямоугольного положительного импульса EГ начнется процесс заряда емкости CЗИ через резистор RГ’. При достижении UЗИ = UОТС транзистор VT открывается, попадает в активную область характеристик, возникает ток стока – время задержки закончилось:
















