ЛР-сб-КЛЮЧИ-исп (987986), страница 7
Текст из файла (страница 7)
4. Повторить пункты 2 и 3 при изучении процесса выключения ключа.
5. Ввести резистор RН1, наблюдать перенапряжения. Оценить его длительность (tЗАКР) и амплитуду.
БИБЛИОГРАФИЧЕСКИЙ СПИСОК
1. Степаненко И. П. Основы теории транзисторов и транзисторных схем. М.: Энергия, 1977.
2. Гусев В.Г., Гусев В.М. Электроника - М.: Высшая школа, 1982г.
3. Каретников И.А., Соловьев А.К., Чарыков Н.А. Усилительные и логические устройства / Лаб. практикум, - М.: Изд-во МЭИ, 1992г.
4. Гольденберг Л.М. Импульсные устройства. – М.: Энергия, 1973г.
5. Семенов Б. Ю. Силовая электроника для любителей и профессионалов.
–М .: Солон-Р, 2001 г.
Лабораторная работа № 5
ЛОГИЧЕСКИЕ ЭЛЕМЕНТЫ НА
КМОП-ТРАНЗИСТОРАХ
Цель работы— изучение статических и динамических характеристик логических элементов – ключей ИЛИ—НЕ и И—НЕ промышленной серии К561.
Логические элементы (ЛЭ) данной серии основаны на использовании транзисторов с индуцированными каналами разного типа проводимости. Истоки транзисторов n-типа проводимости подключены к нулевому потенциалу, а транзисторов p-типа проводимости — к положительному потенциалу источника питания. Будем рассматривать работу схемы в положительной логике.
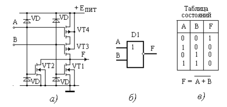
Для реализации функции ИЛИ—НЕ используется параллельное включение МОП-транзисторов n-типа и последовательное включение транзисторов p-типа (рис. 5.1, а). Кроме того, каждый из транзисторов
n-типа связан по затвору с транзистором p-типа.
При нулевом уровне сигнала на всех входах транзисторы VT1—VT2 закрыты, a VT3—VT4 — открыты. На выходе формируется уровень высокого положительного потенциала U1, близкого к напряжению источника питания. Если хотя бы на один из входов будет подан высокий положительный потенциал, то это приведет к закрыванию p-канального транзистора и открыванию соответствующего n-канального. На выходе
| Рис. 5.1. Логический элемент ИЛИ-НЕ: а – электрическая схема; б – условное графическое обозначение; в – таблица состояний |
сформируется потенциал U0, близкий к нулю. На рис. 5.1, б, в приведены изображение ЛЭ ИЛИ—НЕ в виде блок-схемы, его таблица истиности и логическое уравнение, описывающее работу данной схемы.
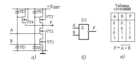
Для реализации функции И—НЕ используется параллельное включение МОП-транзисторов p-типа и последовательное включение транзисторов n-типа (рис. 5.2, а). Каждый из транзисторов p-типа связан по затвору с транзистором n-типа.
| Рис. 5.2. Логический элемент И-НЕ: а – электрическая схема; б – условное графическое обозначение; в – таблица состояний |
При нулевом уровне сигнала на всех входах транзисторы VT1—VT2—закрыты, a VT3—VT4 — открыты. На выходе формируется высокий положительный потенциал U1, близкий к напряжению источника питания. Такой же высокий положительный потенциал сохранится на выходе схемы в случае, если сигналы с высокими потенциалами будут поданы не на все входы схемы. Низкий уровень потенциала U0 на выходе возможен только в случае, если все транзисторы VT1—VT2 будут одновременно открыты, а все транзисторы VT3—VT4—закрыты. Такая ситуация реализуется только в случае, если на все входы одновременно поступят сигналы с высоким положительным потенциалом. Для элемента И-НЕ на рис. 5.2, б, в приведены его изображение в виде блок-схемы, таблица истинности и логическое уравнение, описывающее работу данной схемы.
При выполнении лабораторной работы используются ЛЭ, выпущенные в виде отдельных микросхем. К-МОП схемы обладают очень высоким входным сопротивлением, и подзатворный диэлектрик транзисторов может быть легко поврежден статическим электричеством от прикосновения к входным цепям. Для защиты входных цепей в этом случае в микросхемах используются охранные диоды VD.
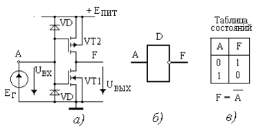
На рис. 5.3 представлена схема простого инвертора, реализующего функцию НЕ. Инвертор реализован на одном n-канальном и одном
p-канальном транзисторах. Инвертор может быть реализован и на основе схем И-НЕ, либо ИЛИ-НЕ. Для этого достаточно объединить все входы в каждой схеме. Однако необходимо иметь в виду, что при таком объединении удельная крутизна эквивалентного транзистора будет равна сумме крутизны отдельных транзисторов, если соединяются параллельные транзисторы, и уменьшается в N раз, если объединяются N последовательно включенных транзисторов.
| Рис. 5.3. Логический элемент НЕ: а – электрическая схема; б – условное графическое обозначение; в – таблица состояний |
Передаточная характеристика ЛЭ
Рассмотрим передаточную характеристику ЛЭ на примере инвертора НЕ (Рис. 5.3). Схемы И—НЕ, ИЛИ-НЕ легко превратить в такой инвертор.
Рассмотрим один из наиболее часто встречающихся режимов работы, когда UОp + UОn < EПИТ. Будем изменять EГ от UВХ = 0 до UВХ = EПИТ. Для успешного освоения материала этого раздела необходимо знание выходных характеристик МОП - транзистора ( см. cноску *)).
При входном напряжении, меньшем UОn (точка (a) на рис. 5.4), ток стока IСn = IУТ n 0, и на выходе ЛЭ формируется (рис. 5.4, б) высокий уровень напряжения UВЫХ1 = EПИТ - UОСТp, где
UОСТp = IУТ n (bp(EПИТ - UОp)).
Поскольку UОСТp 1 10-3 В, то можно считать UВЫХ1 EПИТ.
| Рис. 5. 4. а – перемещение рабочей точки по семейству выходных характеристик транзисторов. Здесь (----) – ВАХ p-канального транзистора, (––) – ВАХ n-канального транзистора, (– –) – линии, отделяющие области крутых характеристик от пологих. б – передаточная характеристика ЛЭ |
–––––––––––––––––––––––––––––––––––––––––––––––––––––––––––––––
*) Семейство выходных характеристик МОП-транзистора условно можно разделить на две области. При больших напряжениях на стоке (UСИ) формируется область пологих характеристик, где ток стока (IС), практически, не зависит от UСИ и определяется уравнением (упрощенный вариант)
IС = (b/2) (UЗИ – UO)2. ( 1*)
При малых напряжениях на стоке формируется область крутых характеристик, и ток стока определяется уравнением (упрощенный вариант)
IС = b (UСИ (UЗИ – UO) –0,5U 2СИ). ( 2*)
Линия IС = (b/2) U 2СИ отделяет одну область характеристик от другой.
Здесь: b = C0W/L – удельнаая крутизна транзистора, UО – напряжение отсечки транзистора, - подвижность носителей заряда в канале, W, L – ширина и длина канала, C0 – удельная емкость подзатворного диэлектрика.
–––––––––––––––––––––––––––––––––––––––––––––––––––––––––––––––
При увеличении входного напряжения UВХ > UОn ток ключа увеличивается (точка ( b) на рис. 5.4, а, б). Транзисторы с n-каналом работают в пологой области характеристик и являются источником тока, а транзисторы с p-каналом - в крутой области, что эквивалентно характеристике резистора. Соответственно токи стоков равны
IСn = (bn/2) (UВХ – UОn)2,
IСp = bp((EПИТ – UВХ – UОp) (EПИТ – UВЫХ) – (EПИТ – UВЫХ)2 /2). (5.1)
Здесь и далее используются модули величин EПИТ, UВХ, UО, UВЫХ. Из равенства IСn = IСp получаем передаточную характеристику инвертора в неявной форме:
(bn/2) (UВХ – UОn)2 =
= bp((EПИТ – UВХ – UОp) (EПИТ – UВЫХ) – (EПИТ – UВЫХ)2 /2) (5.2)
Аналогичное наблюдается и для точки (c) на рис. 5.4.
Данная зависимость справедлива до момента, когда оба транзистора окажутся в области пологих характеристик (точки (d, e) на рис. 5.4), и незначительное изменение UВХ в близи UВХ* приводит к существенному перемещению рабочей точки на семействе выходных характеристик.
В области пологих характеристик станет справедливым уравнение
(bn/2) (UВХ* – UОn)2 = (bp/2) (EПИТ – UВХ* – UОp), (5.3)
что позволяет определить напряжение UВХ*, при котором на передаточной характеристике будет наблюдаться вертикальный участок, соответствующий резкому изменению напряжений на стоках транзисторов,
UВХ* = (bp/bn)1/2((EПИТ – UОp) + UОn) / (1 + (bp/bn)1/2). (5.4)
Незначительное дальнейшее увеличение входного напряжения относительно UВХ* приведет к тому, что n-канальные транзисторы начнут работать в крутой области характеристик, а транзисторы с p-каналом — в пологой (точка (f) на рис. 5.4). В этом случае станут справедливыми уравнения
IСn = bn((UВХ – UОn) UВЫХ – UВЫХ2 /2)
IСp = (bp/2) (EПИТ -UВХ – UОp)2. (5.5)
Из равенства IСn = IСp получаем передаточную характеристику инвертора в неявной форме аналогичную (5.3):
bn((UВХ – UОn) UВЫХ – UВЫХ2 /2) = (bp/2) (EПИТ -UВХ – UОp)2. (5.6)
Возникла ситуация аналогичная ранее рассмотренной, только теперь источником тока является p-канальный транзистор, и ток стока, практически, определяется током IСp. Данная характеристика справедлива от линии UВХ = UВХ* до момента закрытия p-канального транзистора, т. е. до UВХ = EПИТ – UОp.
Уровень выходного напряжения при закрытых р-канальных транзисторах (точка (g)) определяется соотношением UВЫХ0 = UОСТ n =
= IУТ p / (bn(UВХ – UОp)). Обычно UВЫХ0 составляет (1 – 10) 10-3 В.
Реальные логические схемы содержат однотипные транзисторы, несколько отличающиеся друг от друга по напряжению отсечки (UО) и по крутизне (b). Это делает реальную передаточную характеристику более резкой.
Таким образом, логическая схема на КМОП-транзисторах обеспечивает размах логического сигнала UВЫХ1 - UВЫХ0 =EПИТ, который не зависит от соотношения удельной крутизны транзисторов bn/bp. Допускаемый уровень статической помехи составляет П+ = UОn и П– = UОp.
На рис. 5.4, б показано также (пунктир) изменение тока, потребляемого ячейкой в статическом состоянии (IПИТ).
















