ЛР-сб-КЛЮЧИ-исп (987986), страница 4
Текст из файла (страница 4)
tЗД = ВХ ln (EГ / (EГ - U)), (3.1)
где ВХ = (RБ + rБ) CЭБ.
| Рис. 3.4. Эквивалентная схема замещения входной цепи транзистора (а), входная характеристика транзистора (б) |
Необходимо обратить внимание, что при UБЭ U транзистор имеет высокое входное сопротивление (рис. 3.4, б). Осциллограммы переходных процессов смотри на рис. 3.3, а, б.
Расчет длительности фронта t1-0. По истечении времени tЗД транзистор попадает в область активных характеристик. В его базу поступает ток IБ+ =
= (EГ - U) /(RБ +rБ). Схема замещения ключа для этого случая дана на рис. 3.5.
| Рис. 3.5. Эквивалентная схема замещения ключа при расчете фронтов t1-0 и t0-1 при условии UВЫХ (EПИТ + UD) |
Начинается процесс нарастания тока коллектора и формирование фронта t1-0 (рис. 3.3, д). Для удобства проведения расчетов длительности фронта t1-0 будем считать, что транзистор является генератором тока IКС = IБС и имеет дифференциальное выходное сопротивление rКЭ = UЭРЛИ /IК, где UЭРЛИ (100 200В). Емкости CКБ и CБЭ выделены в качестве самостоятельных элементов. Диод VD1 закрыт, его емкостью пренебрегаем.
Для описания переходного процесса запишем систему уравнений, описывающую схему замещения ключа:
IБС = IКС + d IКС/ dt, (3.2, а)
IБС = IБ+ - ICКБ, (3.2, б)
IКС + I rКЭ = IL + ICКБ, (3.2, в)
I rКЭ = UВЫХ / rКЭ, (3.2, г)
EПИТ = ILRН + L dIL /dt + UВЫХ, (3.2, д)
IК = IL = IКС + I rКЭ - ICКБ. (3.2, е)
Уравнение (3.2, а) вытекает из так называемых зарядовых уравнений, связывающих ток базы и ток коллектора транзистора с зарядом неосновных носителей в базе (Q) 3
IБс = Q + (dQ / dt),
IКс = Q b / .
Токи IБс и IКс будем называть собственными токами транзистора, поскольку в их составе не содержатся токи барьерных емкостей СКБ и СБЭ. Решая систему уравнений (3.2) получаем соотношение
(IБ+ - IC КБ) = IC КБ + IL - UВЫХ / rКЭ + dIC КБ /dt + dIL /dt + dUВЫХ /dt,
где IC КБ = CКБ d(Б - К)/dt - CКБ dUВЫХ /dt, поскольку Б const 0,7В.
Соответственно dIC КБ /dt = - CКБ d2UВЫХ / dt2. Если пренебречь этим слагаемым как членом второго порядка малости, и это подтверждается экспериментально, поскольку фронт спада напряжения t1-0 на коллекторе транзистора практически линеен, то получаем линейное дифференциальное уравнение
IБ+ = ( + ( +1) CКБ rКЭ) dUВЫХ /dt - UВЫХ / rКЭ + IL+ dIL /dt. (3.3)
Как видно, время включения ключа связано с инерционностью транзистора ОЭ = ( + ( +1) CКБ rКЭ) и реакцией индуктивности L на изменение тока IL. В начальный момент времени IL = 0, и мы будем рассматривать практически часто встречающийся случай, когда = L/RН t1-0, т.е. ток индуктивности существенно не изменится за время формирования фронта t1-0. В этом случае вклад члена dIL /dt в уравнение (3.3) мал и дифференциальное уравнение упрощается, что позволяет относительно легко оценить время спада выходного напряжения
IБ+ = ( + ( +1) CКБ rКЭ) dUВЫХ /dt - UВЫХ / rКЭ. (3.4)
Его решение
UВЫХ = EПИТ –(EПИТ + IБ+ rКЭ)(1 – exp (- t/ОЭ)). (3.5)
Спад выходного напряжения до величины UВЫХ = UКЭН 0 происходит за время фронта t = t1-0, и если используется начальный участок экспоненты (что встречается наиболее часто), получаем приближенный вариант решения
t1-0 = EПИТОЭ /(IБ+ rКЭ).
В случае, если используются транзисторы, имеющие большой коэффициент усиления по току , и значительную величину емкости CКБ, то может оказаться, что (+1)CКБ rКЭ , и в этом случае для подсчета t1-0 можно использовать более упрощенное выражение
t1-0 EПИТ CКБ /IБ+. (6)
Это свидетельствует о том, что в таком случае на этапе формирования переднего фронта включения транзистора практически весь ток IКС определяется током перезарядки емкости CКБ, т.е. IКС ICКБ IБ+.
За время фронта t1-0 рабочая точка (IК) на семействе выходных характеристик переместилась в положение “B”. Траектория тока IКС показана пунктиром (рис.3.2).
После проведения данным способом численной оценки длительности фронта t1-0 полезной является оценка изменения тока индуктивности IL за время фронта и, таким образом, – оценка справедливости предположений, сделанных при решении уравнения (3.3). Для этого можно использовать соотношение U = L dI /dt, где U = EПИТ есть ЭДС самоиндукции, возникающей в индуктивности L.
Этап нарастания тока в индуктивности. Транзистор открылся, вошел в насыщение, однако ток коллектора практически останется равным нулю (IК= IL= 0), поскольку индуктивность нагрузки (L) препятствует мгновенному изменению тока. Напряжение на выходе уменьшилось до величины UВЫХ = UКЭН = (UКЭ + IКrКS). Схема замещения ключа, отражающая этот момент времени, представлена на рис. 6, где транзистор представлен схемой замещения для насыщенного состояния. Ток транзистора (IК = IL) начнет нарастать (рис. 3.3, в) в соответствии с уравнением
(EПИТ - UКЭ) =L dIК / dt + IК (RН + rКS), (3.7)
что приведет к решению
IК = IКН (1 – exp (-t /)), (3.8)
где = L / (RН + rКS) L / RН, IКН = (EПИТ - UКЭ) / (RН + rКS).
Если длительность импульса запуска TИ 3, то переходной процесс нарастания тока практически завершится (IК = IКН), рабочая точка займет положение “C” (рис. 3.2), и в схеме установится стационарное включенное состояние транзистора. Схема замещения дана на рис. 3.6. Если TИ 3, то положение “C” соответствует нестационарному включенному состоянию транзистора.
Этап рассасывания избыточного заряда. При подаче в цепь базы транзистора импульса ЕГ, либо ЕГ = 0 (рис. 3.3) ключ мгновенно не закроется. Требуется определенное время (tРАСС), чтобы избыточный заряд неосновных носителей тока реком-бинировал, “рассосался”, и p-n-пере-ходы восстановили свои запирающие свойства.
Ток базы транзистора после подачи ЕГ приобретает значение
IБ = (ЕГ-U*)/(RБ +rБ),
(IБ = U*/(RБ +rБ), если ЕГ=0), (3.9)
т.е. IБ становится вытекающим (рис. 3.7).
Характер процесса рассасывания неосновных носителей в базе транзистора в этом случае не отличается от описанного в лабораторной работе 3 и может быть оценен как
tРАСС = НАС ln((IБ++IБ) / (IБН +IБ)), (3.10)
где IБН = IКН /.
Рабочая точка продолжает находиться в положении “C” (рис. 3.2).
Этап закрытия транзистора. По окончании этапа рассасывания транзистор вновь попадает в область активных характеристик и стремится закрыться, т.е. уменьшить ток коллектора. Этот ток протекает через индуктивность L. Индуктивность вновь препятствует быстрому изменению своего тока – в ней возникает ЭДС самоиндукции полярностью “+” на коллекторе транзистора, напряжение на выходе ключа повышается (рис. 3.3, г). Это может привести к существенному увеличению напряжения на коллекторе транзистора и, возможно, к его пробою. Для предохранения транзистора от перенапряжения используется диод VD1.
Рассматриваем случай, когда резистор R1 отсутствует (Рис. 3.1). Диод открывается при возникновении перенапряжения, т.-е. при
UВЫХ (EПИТ + UD), и дает возможность замкнуться току индуктивности IL по контуру L –VD1 – RН. В результате - энергия, накопленная в индуктивности, расходуется на резисторе RН, а на коллекторе транзистора напряжение не превысит величины (EПИТ + UD). В таком режиме транзистор может закрыться, т.е. уменьшить ток IК до нуля, так как индуктивность L уже не препятствует изменению его тока. Рабочая точка при возникновении повышенного напряжения перемещается в точку “D” на семействе выходных характеристик, а затем, при уменьшении тока коллектора, - в точку “G”, и далее – в точку “A” (рис. 3.2).
Ток в индуктивности L продолжает протекать по контуру L –VD1 –
– RН, и стремится к нулю по мере расходования накопленной в индуктивности энергии. Закон изменения тока
IL = IКН exp (-t /), (3.11)
где = L / (RН + rДS) L / RН.
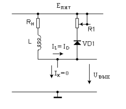
На лабораторном стенде имеется возможность последовательно с диодом VD1 ввести резистор R1 (рис. 3.7). В этом случае возможно наблюдение перенапряжений (в зависимости от величины R1) и возможно фиксировать момент закрытия транзистора. Вариант данной схемы реализует схему импульсного преобразователя постоянного напряжения “с повышением” (бустера).
На этапе закрытия ключа можно рассчитать длительности двух стадии.
На первой стадии – формировании фронта t0-1 (рис. 3.3, г) напряжение UВЫХ (EПИТ + UD), а диод VD1 закрыт. В этом случае ситуация подобна рассмотренной на стадии формирования фронта t1-0, и применимы соотношение (3.3) и схема замещения (рис. 3.7), где необходимо использовать IБ. Величина rКЭ должна соответствовать току транзистора IКН. Для оценки длительности фронта t0-1 используем соотношение
IБ = ( + ( +1) CКБ rКЭ) dUВЫХ /dt - UВЫХ / rКЭ + IL+ dIL /dt. (3.12)
Здесь также время выключения ключа связано с инерционностью транзистора ОЭ = ( + ( +1)CКБ rКЭ) и реакцией индуктивности L на изменение тока IL. В начальный момент времени IL = IКН = const, а вклад члена dIL/dt в уравнение (3.12) также мал. В этом случае дифференциальное уравнение упрощается
IБ = ( + ( +1) CКБ rКЭ) dUВЫХ /dt - UВЫХ / rКЭ. (3.13)
Это позволяет относительно легко оценить характер нарастания выходного напряжения
UВЫХ = (IБrКЭ)(1 – exp (- t/ОЭ)). (3.14)
| Рис. 3.7. Эквивалентная схема замещения ключа на стадии закрытия транзистора при наличии, либо отсутствии резистора R1 |
Нарастание выходного напряжения до величины UВЫХ = EПИТ + UD, т.е. - перемещение рабочей точки из положения "C" в положение "D" на семействе выходных характеристик (рис. 3.2), происходит за время фронта t = t0-1, и если используется начальный участок экспоненты (что встречается наиболее часто), получаем приближенный вариант решения
t0-1 = (EПИТ+ UD)ОЭ /(IБ rКЭ),
или t0-1 EПИТ CКБ / IБ, (3.15)
если ((+1)CКБ rКЭ) , и это свидетельствует о том, что практически, весь ток IКС определяется током перезарядки емкости CКБ (IКС IC КБ IБ).
После проведения таком способом численной оценки длительности фронта t0-1 здесь полезной является оценка изменения тока индуктивности IL за время фронта и, таким образом, – оценка справедливости предположений, сделанных при решении уравнения (3.12).
На второй стадии закрытия транзистора напряжение на его коллекторе практически не изменяется (резистор R1 отсутствует) и составляет (EПИТ + UD). Для тока индуктивности возник путь прохождения по контуру L – VD1 - RН (рис. 3.8), и индуктивность не препятствует уменьшению тока коллектора – рабочая точка начинает перемещаться в точку "А". В этом случае справедливым становится уравнение (3.2) при условии IБС =IБ. Поскольку потенциал коллектора практически не изменяется, то = . В результате
время закрытия транзистора (tЗАКР), т.е. изменение его тока от IКН до 0 составляет
















