Глава7-n_123 (967713), страница 4
Текст из файла (страница 4)
Значение тока I в контролируемой цепи при существующей нагрузке определяется из соотношения
,
где Iа — показание амперметра.
Шкалу амперметра часто градуируют с учетом включенного шунта; тогда значение измеряемого тока I отсчитывается непосредственно по шкале прибора.
В цепях переменного тока для расширения пределов измерения амперметров используют трансформаторы тока.
Для расширения предела измерения вольтметра (в k раз) в цепях напряжением до 500 В обычно применяют добавочные резисторы, включаемые последовательно с обмоткой вольтметра (рис. 7.6, б).
Сопротивление добавочного резистора rд определяют из соотношения
,
где Umax - наибольшее значение измеряемого напряжения (предел измерения напряжения вольтметром при наличии добавочного резистора); Uв,н — предельное (номинальное) значение напряжения прибора при отсутствии добавочного резистора. Отсюда
.
Значение фактически измеряемого напряжения U определяется из соотношения
, U = kUв,
где Uв — показание вольтметра.
Шкалу вольтметра градуируют с учетом включенного добавочного резистора.
В цепях переменного тока высокого напряжения для расширения пределов измерения вольтметров применяют трансформаторы напряжения.
7.5. Измерение мощности и энергии в цепях переменного тока
7.5.1. Измерение активной мощности в цепях однофазного тока.
Для измерения мощности Р служат ваттметры электродинамической системы; схема включения ваттметра изображена на рис. 7.7.
Н
еподвижная обмотка 1—1 прибора называется токовой и включается в цепь последовательно. Подвижная обмотка 2—2 называется обмоткой напряжения и включается в цепь параллельно.
Т
ок I2 в обмотке напряжения 2—2
пропорционален напряжению U контролируемой цепи и совпадает с ним по фазе, а ток I1 равен току I нагрузки.
Рис 7.7 Момент, действующий на подвижную обмотку, равен
Mвр = CUI cos φ = CP,
где С — коэффициент пропорциональности.
Поскольку противодействующий момент Мпр пропорционален углу поворота а стрелки, отклонение стрелки пропорционально измеряемой активной мощности Р.
Для правильного включения ваттметра один из выводов токовой обмотки и один из выводов обмотки напряжения отмечают звездочками (*). Эти выводы, называемые генераторными, необходимо включать со стороны источника питания.
Следует отметить, что электродинамическими ваттметрами можно измерять также мощность в цепях постоянного тока.
7.5.2. Измерение активной и реактивной мощностей в цепях трехфазного тока.
Для измерения мощности трехфазного приемника применяют различные схемы включения ваттметров.
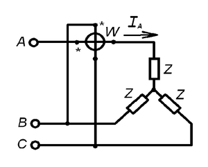
При симметричной нагрузке активную мощность Р можно измерить одним ваттметром, включенным по схемам рис. 7.8,а,б.
а) б) в)
Рис.7.8.
Общая мощность потребителя
P = 3W,
где W— показание ваттметра.
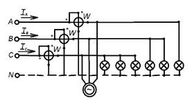
При несимметричной нагрузке мощность трехфазного приемника можно измерить тремя ваттметрами (рис. 7.8,в).
Общая мощность приемника в этом случае
P = W1 + W2 + W3 .
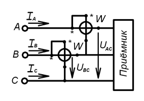
В трехпроводных системах трехфазного тока при симметричной и несимметричной нагрузках и любом способе соединения приемников широко распространена схем
а измерения мощности двумя ваттметрами (рис. 7.9 ).
На этой схеме токовые обмотки ваттметров включены в линейные провода А и В, а обмотки напряжения — на линейные напряжения UАС и UВС
П
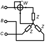
ри симметричной нагрузке реактивную мощность Q трехфазной системы можно измерить одним ваттметром (рис. 7.10 ).
В
этой схеме токовая обмотка включена в линейный провод А, а параллельная обмотка напряжения — на линейное напряжение UВС.
У
множая показание ваттметра на
, получаем значение реактивной мощности Q трехфазной сети при симметричной нагрузке.
7.5.3. Измерение электрической энергии в цепях переменного тока.
Для измерения энергии в цепях переменного тока применяются однофазные и трехфазные счетчики индукционной системы. Схемы включения однофазных счетчиков для измерения активной энергии Wа в однофазной в трехфазной цепях аналогичны схемам включения ваттметров, представленных на рис. 7.7, 7.8.
В трехфазных цепях активную энергию Wа, измеряют трех- или четырехэлементными трехфазными счетчиками. Трехэлементные счетчики конструктивно представляют собой три измерительные системы однофазных счетчиков, имеющих общую ось. Трехэлементные счетчики (рис. 7.11, а) используют в четырехпроводных цепях трехфазного тока.
Для измерения активной энергии в трехпроводниковых цепях применяют двухэлементные счетчики (рис. 7.11 б), объединяющие измерительные
системы двух однофазных счетчиков.
Обмотки этих систем включают по рассмотренной ранее схеме двух ваттметров (см. рис. 7.9).
Реактивную энергию Wр при симметричной нагрузке фаз трехпроводной сети можно измерить при помощи двух однофазных счетчиков, обмотки которых включены по схеме рис. 7.9, Значение Wp находят как разность показаний счетчиков, увеличенную в
раз. Кроме того, применяют специальные трехфазные счетчики реактивной энергии, используемые как при симметричной, так и при несимметричной нагрузках фаз.
7.6. Электронно—лучевой осциллограф
Электронно-лучевой осциллограф используется для визуального наблюдения, измерения и регистрации формы и параметров электрических сигналов в диапазоне частот от постоянного тока до десятков мегагерц.
Электронно-лучевые осциллографы обладают высокой чувствительностью и малой инерционностью, подразделяются на универсальные, запоминающие; специальные и др., могут быть одно-, двух- и многолучевыми.
Функциональная схема электронно-лучевого осциллографа приведена на рис.7.12.
Основным узлом осциллографа является вакуумная электронно-лучевая трубка ЭЛТ, которая преобразует электрические сигналы в световое изображение. Катод 2, подогреваемый нитью накала 1, является источником свободных электронов, которые формируются в электронный луч и фокусируются первым анодом 4 на экране 8 ЭЛТ. Ускорение электронов луча осуществляется вторым анодом 5. При соударении электронов с экраном 8 их кинетическая энергия преобразуется в световое излучение посредством катодолюминофоров, т. е. веществ, светящихся под действием бомбардировки их электронами. Время послесвечения (после прекращения действия электронного луча) может составлять от 0,05 до 20 с и более.
Изменяя отрицательный потенциал электрода 3 по отношению к катоду, можно воздействовать на значение тока электронного луча, а следовательно, и яркость свечения изображения на экране.
У
правление лучом ЭЛТ осуществляется посредством трех каналов управления х, у,z, которые обеспечивают получение развернутого изображения исследуемого электрического сигнала в функции времени. Канал у осуществляет вертикальное отклонение луча по оси у системы координат и непосредственно связан с исследуемым сигналом. Канал х обеспечивает горизонтальное отклонение
луча по оси времени х системы координат. Канал z управляет яркостью луча.
Для создания линейного масштаба по оси времени х необходимо равномерное перемещение электронного луча по горизонтали, что обеспечивается подачей на горизонтально отклоняющие пластины 7 ЭЛТ линейно нарастающего напряжения развертки (рис. 7.13, в). Если при этом отсутствует напряжение на вертикально отклоняющих пластинах б, на экране осциллографа появляется горизонтальная линия. При одновременной подаче исследуемого напряжения (рис. 7.1З,а) на пластины б и напряжения развертки на экране осциллографа появляется осциллограмма (рис.7.13,б), дающая полное представление о форме, амплитуде, частоте исследуемого напряжения.
В канале х частота генератора развертки недостаточно стабильна. Для получения устойчивого изображения на экране осциллографа необходимо выполнение равенства Tx=nTу, где Tx — период напряжения развертки, Ty — период исследуемого напряжения, п = 1, 2, З... Это равенство обеспечивается устройством синхронизации, которое «подстраивает» частоту генератора развертки под частоту исследуемого напряжения.
Если «подстройка» производится исследуемым сигналом, то она называется «внутренней синхронизацией», если от какого-либо другого сигнала — «внешней синхронизацией».
Усилитель в канале х обеспечивает линейно нарастающее напряжение заданного значения (до нескольких сотен вольт).
Канал у выполняет по существу функции усилителя. Чтобы он не влиял на режим работы исследуемой электрической цепи, используют катодный повторитель, имеющий значительное входное сопротивление. Так как исследуемые напряжения изменяются в широком диапазоне, для обеспечения оптимального напряжения на выходе данного канала на его входе предусмотрен аттенюатор (делитель напряжения). Для исследования фронтов импульсов напряжений введено устройство — линия задержки.
С целью определения масштаба осциллограмм по осям абсцисс и ординат в осциллографе предусмотрены калибраторы длительности и амплитуды.
Значительный интерес представляют запоминающие осциллографы, предназначенные для регистрации однократных и редко повторяющихся сигналов. Их скорости записи — до 4000 км/с, при уровнях сигналов десятки милливольт — сотни вольт. Так, универсальный осциллограф С8-12 имеет время воспроизведения ранее записанных процессов 40 с, время сохранения записи 7ч.
7.7. Понятие об аналоговых и цифровых приборах
7.7.1. Аналоговые электронные вольтметры.
В радиоэлектронных цепях к вольтметрам, как и другим измерительным приборам, предъявляются повышенные требования, такие как ничтожно малое потребление мощности, частотный диапазон измеряемого напряжения от единиц герц до сотен мегагерц, и в то же время слабая зависимость показаний от частоты измеряемого напряжения, высокая чувствительность и т. д. Этим требованиям не соответствуют стрелочные вольтметры, которые осуществляют непосредственную оценку (прямой отсчет) измеряемого напряжения. Вышеперечисленным требованиям удовлетворяют аналоговые электронные вольтметры, использующие усилители измеряемых напряжений.
С учетом назначения электронные вольтметры подразделяются на вольтметры: постоянного и переменного тока, импульсного напряжения, универсальные и др. Функциональная схема универсального аналогового электронного вольтметра представлена на рис. 7.14, данный вольтметр является универсальным, т. е. предназначен для измерений в цепях как постоянного, так и переменного тока.
П
рибор состоит из двух входных устройств: преобразователя, усилителя постоянного тока и магнитоэлектрического измерителя. Входное устройство представляет собой высокоомный резистивный делитель напряжения служащий для изменения пределов измерения вольтметра.
















