Глава7-n_123 (967713), страница 3
Текст из файла (страница 3)
Номинальная мощность ваттметра в отличие от его номинальных напряжения и тока указывается не всегда. Для ваттметра номинальное напряжение представляет собой наибольшее напряжение, на которое может быть включена обмотка напряжения; номинальным током является наибольший ток, на который рассчитана последовательная обмотка.
Если номинальная мощность ваттметра не дана, то ее можно подсчитать по номинальному напряжению и току:
Pном= UномIном .
7.2.3. Постоянные приборов.
Постоянная (цена деления) прибора представляет собой значение измеряемой величины, вызывающее отклонение подвижной части прибора на одно деление шкалы. Постоянные вольтметра, амперметра и ваттметра могут быть определены следующим образом:
CU = Uном / N, вольт на одно деление;
CI = Iном / N, ампер на одно деление;
CP = Uном Iном / N, ватт на одно деление;
где N — число делений шкалы соответственно вольтметра, амперметра и ваттметра.
Пример 7.2. Ваттметр имеет номинальное напряжение Uном= 150 В, номинальный ток: Iном = 5 А, число делений шкалы N = 150.
Определить номинальную мощность и постоянную ваттметра, а также его показание, если при измерении мощности подвижная часть отклонилась на N = 60 делений.
Решение. Номинальная мощность ваттметра Pном = Uном Iном = 150 · 5 = 750 Вт .
Постоянная ваттметра CP = Pном / N = 750/150 = 5 Вт/дел.
Показание ваттметра при отклонении его подвижной части на N = 60 делений
P = CP N = 5 · 60 = 300 Вт.
7.2.4. Чувствительность приборов.
Под чувствительностью приборов понимают число делений шкалы, приходящееся на единицу измеряемой величины. Чувствительность вольтметра, амперметра и ваттметра может быть определена следующим образом:
SU = N /Uном , делений на вольт;
SI = N /Iном , делений на ампер;
, делений на ватт.
Очевидно, что S = 1/С.
7.2.5. Условные обозначения электроизмерительных приборов.
На лицевой стороне электроизмерительных приборов изображен ряд условных обозначений, позволяющих правильно выбрать прибор и дающих некоторые указания по их эксплуатации.
Согласно ГОСТ на лицевой стороне прибора должны быть изображены:
а) условное обозначение единицы измерения или измеряемой величины либо начальные буквы наименования прибора (табл. 7.1);
б) условное обозначение системы прибора (табл. 7.2);
в) условные обозначения рода тока и числа фаз, класса точности прибора, испытательного напряжения изоляции, рабочего положения прибора, исполнения прибора в зависимости от условий эксплуатации, категории прибора по степени защищенности от внешних магнитных полей (табл. 7.3).
Таблица 7.1
| Род измеряемой величины | Название прибора | Условное Обозначение |
Ток | Амперметр | . А |
| Миллиамперметр | . mА | |
| Микроамперметр | . μА | |
Напряжение | Вольтметр | . V |
| Милливольтметр | . mV | |
Электрическая мощность | Ваттметр | . W |
| Киловаттметр | . kW | |
| Электрическая энергия | Счетчик киловатт-часов | . kWh |
Сдвиг фаз | Фазометр | . φ |
Частота | Частотомер | . Hz |
| Электрическое сопротивление
| Омметр | . Ω |
| Мегаомметр | . МΩ |
Таблица 7.2
| Система прибора | Условное обозначение |
| Магнитоэлектрическая: с подвижной рамкой и механической противодействующей силой с подвижными рамками без механической противодействующей силы (логометр)
| |
| Электромагнитная: с механической противодействующей силой без механической противодействующей силы (логометр) | |
| Электродинамическая (без экрана): с механической противодействующей силой без механической противодействующей силы (логометр)
|
Таблица 7.3
| Условное обозначение | Расшифровка условного обозначения |
| Прибор постоянного тока | |
| Прибор постоянного и переменного тока | |
| Прибор переменного тока | |
| Прибор трехфазного тока | |
| 1,5 | Прибор класса точности 1,5 |
| Измерительная цепь изолирована от корпуса и испытана напряжением 2 кВ | |
| Осторожно! Прочность изоляции измерительной цепи не соответствует нормам | |
| Рабочее положение шкалы наклонное, под углом 60 ° | |
| Рабочее положение шкалы горизонтальное | |
| Рабочее положение шкалы вертикальное | |
|
| Исполнение прибора в зависимости от условий эксплуатации (свойств окружающей среды) Категория прибора по степени защищенности от внешних магнитных полей |
7.4. Измерение электрических величин.
7.4.1 Методы измерений.
На практике применяют различные методы измерения электрических величин. Условно их можно разделить на прямые, косвенные и совокупные. Кроме того, они делятся на методы непосредственной оценки и на методы сравнения.
Наибольшее распространение получил метод непосредственной оценки. При этом числовое значение измеряемой величины определяется непосредственно по показаниям прибора, например величину тока по показаниям амперметра, напряжения – по показаниям вольтметра, сопротивления – по показаниям омметра и т.д. Это прямые измерения. Если измеряемая величина определяется по данным измерения других электрических величин путем вычисления этой величины, то такое измерение называется косвенным. Например, определение сопротивления по показаниям амперметра и вольтметра.
Метод сравнения широко используется для точных измерений. Он заключается в сравнении измеряемой величины с образцовой мерой такой же физической природы. Метод сравнения осуществляется с помощью мостовых или компенсационных схем.
7.4.2 Измерение тока и напряжения.
Для измерения величины тока в какой-либо цепи последовательно в цепь включают амперметр. Для измерения значения напряжения на каком-либо участке электрической цепи на элементе цепи подсоединяется параллельно им вольтметр.
Рис 7.6 а) применяются, как правило приборы магнитоэлектрической системы, в установках переменного тока используют преимущественно приборы электромагнитной системы.
М
ежду амперметром и вольтметром нет принципиальной разницы. Показания обоих приборов пропорциональны току, протекающему по рамке. Однако соответственно их назначению к ним
предъявляют совершенно противоположные требования:
амперметр должен иметь возможно меньшее сопротивление, а вольтметр возможно большее сопротивление. Для уменьшения погрешности измерения необходимо чтобы сопротивление амперметра было на два порядка меньше, а сопротивления вольтметра на два порядка больше сопротивления любого элемента измерения цепи.
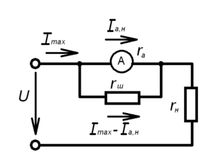
Для расширения предела измерения
Рис 7.6 б) амперметра ( в k раз) в цепях постоянного тока служат шунты-резисторы, включаемые параллельно амперметру (рис. 7.6,a).
Сопротивление шунта определяется из соотношения
rш (Imax – Iа,н) = rаIа,н ,
где Imax — наибольшее значение тока в контролируемой цепи (предел измерения тока амперметром при наличии шунта);
Iа,н — предельное (номинальное) значение тока прибора при отсутствии шунта.
Отсюда
.
















