Лекции (862469), страница 4
Текст из файла (страница 4)
Коэффициент загрузки характеризует работу станка в течении рабочей смены
Рисунок 4
Лекция 8
Производительность
Пример расчета производительности – корпус гидрораспределителя
Рисунок 1
Материал – Ст 20
Число инструментов А = 5
Число переустановов n = 4
S = 16
B = 0,15
Размер партии деталей
Сравнительные характеристики по производительности для станка с ЧПУ и гибкого производственного модуля
| Станок с ЧПУ – 2 смены Необходимы:
з/п оператора + з/п наладчика | ГПМ – 3 смены
|
- коэффициент роста производительности
- 3 смены
- 2 смены
Рисунок 2
- среднее время безотказной работы
Годовые приведенные затраты. Критерий оптимизации при разработке АСС.
– целевая функция годовых приведенных затрат
– годовые приведенные затраты
Рисунок 3
– стоимость i автоматизированной станочной системы
- Нормативный коэффициент эффективности капитальных вложений
– ту часть, которую получили не работая
- себестоимость годового выпуска продукции при данном варианте автоматизированной станочной системы
З – приведенные затраты
Укрупненное оценочное значение годовых приведенных затрат:
Это укрупненное оценочное значение годовых приведенных затрат.
– годовая программа выпуска
- общее число операций обработки
– коэффициенты доплат и накладных расходов в процентах
- минутная заработная плата станочника
– трудоемкость обработки детали в часах
- годовые затраты на оборудование (ремонт, регулировка, смена затрачиваемых частей)
- число одинаковых станков на каждой операции
– нормативный коэффициент экономической эффективности
0,12..0,2
- коэффициент многостаночного обслуживания
если оператор обслуживает 2 станка
- время цикла станка
- цикловая производительность станка
- сумма удельных потерь времени вследствие отказов оборудования
, замена регулировки инструмента
, оптимизацию наладки
- годовые затраты на инструмент
Конструкция и структур автоматизированной станочной системы определяется несколько иным набором факторов, которые учитываются в приведенных годовых затратах. Но факторы разработки структуры и конструкции станка имеют жесткую функциональную связь с факторами расчета годовых приведенных затрат.
Лекция 9
К. Копур, Л. Ламберсон. Надежность и проектирование систем. Издательство Мир, Москва.
Надежность автоматизированных станочных систем
B – потери, приходящиеся на 1 минуту бесперебойной работы.
Надежность и производительность – две стороны одной модели. Надежность сильно влияет на производительность, а производительность сильно влияет на надежность. С ростом надежности, производительность возрастает и наоборот.
обуславливается потерями по оборудованию, инструменту, организационным потерям.
Надежность: безотказность, долговечность, ремонтопригодность, сохраняемость.
Безотказность – свойство конструкции выполнять свои функции без наладчика в течении заданного времени.
Долговечность – суммарное время работы станка.
Ремонтопригодность – способность изделия восстанавливать свои функции (с помощью человека как правило)
Сохраняемость – //параметры прибора с годами выходят из строя – например, операционный уситель выходит из строя с течением времени //
- процентный ресурс, сколько устройств с течением времени выйдет из строя
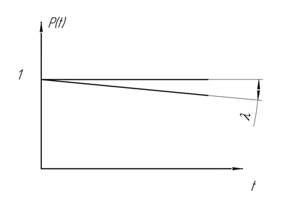
P(t) – безотказность работы
(t) - параметры потока отказа
(t) – интенсивность потокоотказа
- наработка на отказ
Рисунок 1
В – время восстановления
- Время поиска и устранения неисправности
Вероятность безотказной работы падает
Рисунок 2
– среднее время безотказной работы
Венцель. О.Е. Теория вероятности. Москва, Физматгиз. (там можно посмотреть теорию надежности)
Все параметры, характеризующие надежность имеют численную оценку (значение).
Долговечность измеряется в календарных днях (годах) или циклах срабатывания.
Ресурс может изображаться в циклах или календарном времени.
Методы расчета надежности АСС
Расчет производительности
Расчет надежности (проектный, экспериментальные исследования надежности уже существующего оборудования)
Расчет надежности АСС методом структурных схем
Косточкин В.Н. – зам директора по науке. Надежность авиационных двигателей и силовых установок. (Инженерные основы математической теории надежности. Практические расчеты и исследования надежности сложных технических систем.)
Рисунок 3
МЗ-ПР-С-МИ
=
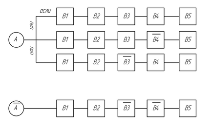
Если последовательное соединение элементов. Времена же разные
Рисунок 4
Бывают более сложные структурные схемы соединения элементов, которые проистекают от более сложной технологической реализации. Параллельно-последовательное соединение.
Рисунок 5
Параллельное – соединение с резервированием. Оно может быть «холодное» и «горячее». Холодное включает включение каждого последующего элемента при отказе предыдущего (имеется выключатель – см. рисунок 6). Горячее – все резервные элементы работают постоянно.
Рисунок 6
Параллельно-последовательная схема.
Рисунок 7
F(p) – аналитическая формула для определения результирующей составляющей безотказности.
Совсем сложные схемы приводятся к последовательным и параллельным.
Рисунок 8
Лекция 10
Расчет надежности автоматизированных станочных систем с использованием метода логических схем
Рисунок 1
Для расчета надежности надо нарисовать структурную схему
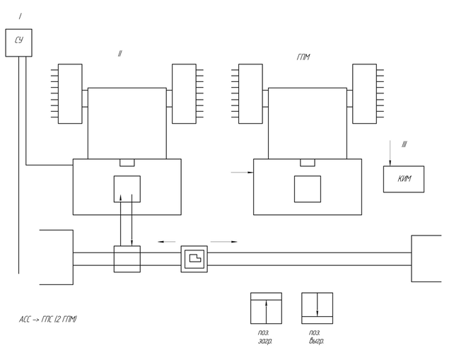
Схема взаимодействия подсистем гибкой производственной системы
Рисунок 2
Т.С. – транспортное средство
КИМ -
В схеме горячее резервирование.
Гибкая производственная система может быть построена или из взаимозаменяемых станков или из станков различного технологического назначения (взаимодополняющих).
Обозначим:
«событие А» - ГПС находится в исправном состоянии. Под исправным состоянием понимаем, что все работает (и ГПМ1, и ГПМ2)
Тот случай, когда работает один из модулей тоже считаем исправным состоянием системы. (например, в самолетах может отказать один из двигателей)
P(t) – вероятность безотказной работы
F(t) – вероятность отказа
Основное уравнение надежности
В данной ситуации возможны четыре ситуации. Если 3 вероятности безотказной работы известны, то можно найти.
События B1, B2, B3 – неисправность подсистем, входящих в гибкую производственную систему
Логическая схема взаимодействий событий А и Б.
Эта схема учитывает не все отказы (к примеру контрольно-измерительной машины)
Рисунок 3
Запишем выражения для безотказной работы ГПС
Заменив событие А и Б соответствующим им вероятностям
Получим:
Пример.
Дано:
t = 8 часов
Лекция 11
Расчет надежности сложных многофункциональных систем
(Схемно-функциональный метод)
Автоматизированные станочные системы (АСС)
Работает при «разных» режимах
Рисунок 1
-
Автоматизированная проверка состояния гибкой производственной системы. Есть ли заготовка, детали, в каком состоянии станок
Интенсивность потока отказов мал
-
Транспортировка заготовки
Работает транспортная каретка
определяется работой механизмов
-
Загрузка заготовок (выгрузка обработанных деталей)
-
Обработка заготовок
- максимальное
Наиболее тяжелый режим, когда станки нагружены
-
Измерение
-
Выгрузка деталей из ГПС
Рисунок 2
I - приработка
II – период нормальной эксплуатации
III – период статического износа (резкое возрастание потока отказов)
Рисунок 3
В каждом из перечисленных режимов в ГПС работают разные системы, устройства и механизмы.
Для таких сложных многофункциональных систем (АСС), состоящих из большого числа функциональных групп применяют метод расчета надежности, учитывающий разные режимы работы сложной многофункциональной системы.
Суть схемно-функционального метода иллюстрируется следующей таблицей
Игральные кости – генератор случайных чисел от 2 до 12.
| Подсистемы ГПС | Узел или элемент подсистемы | Вид отказа | Функции, выполняемые (АСС) | ||||||
| 1 | 2 | 3 | … | i | … | s | |||
| 1. | 1 | 1 | 0 | 1 | 1 | 010 | 1 | 01 | 1 |
| …. | 1 | 1 | 0 | 0 | 01 | 1 | |||
|
| |||||||||
| …. | |||||||||
| k | |||||||||
| 2 … j … m | |||||||||
| 2 | |||||||||
| … | |||||||||
| n | |||||||||
n – количество подсистем или функциональных групп в ГПС
m – количество узлов или элементов в подсистеме
k – количество возможных отказов узла или элементов подсистемы
s – количество функций, выполняемых системой
Получаемая таблица заполняется нулями и единицами
1 единица ставится в том случае, если отказ не влияет на выполнение заданной функции
0 – с данным видом отказа система не может выполнять заданную функцию
















