Лекции (862469), страница 7
Текст из файла (страница 7)
Шаг моделирования представляет из себя элементарный отрезок времени, по истечении которого происходит очередное разыгрывание.
// Если за смену каждую минуту розыгрыш, то через 480 минут 480 розыгрышей.
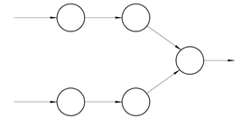
Есть теория массового обслуживания (теория очередей). Слева заявки на обслуживание (приход) - очередь, справа обслуженные заявки (уход). А в центре обслуживающий прибор.
Рисунок 2
Лекция 18
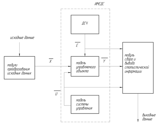
Состав имитационной модели СДС
ИМСДС - Имитационная модель сложной дискретной системы
Рисунок 1
Х – вектор входных данных
U – управляющий сигнал
Y – выходной сигнал
Имитационная модель сложной дискретной системы (ИМСДС) содержит модель управляемого объекта (ГПМ с его механизмами, устройствами), модель системы управления, модель внутренних случайных возмущений (моделируют возможные отказы в системе)
Коды модели управляемого объекта деляются на контролируемые и неуправляемые (Х)
Е характеризует внутренние возмущения, которые генерируются ДСЧ
Сложная дискретная система может находиться в одном из допустимых состояний.
- Пространство возможных состояний системы
Имитационная модель – это программа работы ЭВМ
Система будет работать дискретно (не как часы), т.к. будут отказы.
Модель должна обладать свойством адекватности рассматриваемому процессу. Модель – это программа на языке GPSS.
Рекуррентная формула позволяет рассчитывать каждое последующее состояние из предыдущего
Процессы в сложной дискретной системе
Процессы в СДС
Событие в СДС происходит мгновенно. Событие с нулевой протяженностью во времени. Допустим, имеется лоток, по которому катятся подшипниковые кольца. У лотка есть закругление и подшипник создает заусенец. Так продолжается время. Но вдруг мгновенно подшипник заклинивается.
Это действие требует для своей реализации некоторого времени.
Действие (Generate) – взято из «алфавита»
Действие связано с 2мя событиями: начало и конец события.
Рисунок 2
Определенный процесс в СДС может быть представлен в виде графа. Вершина графа – состояние сложной дискретной системы. Дуги графа – переходы между состояниями.
Линейный граф
Рисунок 3
Расходящийся граф
Рисунок 4
Сходящийся граф
Рисунок 5
Комбинированный граф
Рисунок 6
Лекция 19
Блок-схема примера моделирования обработки поступающих на ГПМ деталей
Рисунок 7
Операторы GPSS:
-
GENERATE – символизируют приход деталей на обработку ГПМ. Параметры оператора: 18 – среднее время между приходами детали, 6 – равномерное распределение (плюс минус 6 минут по закону равной вероятности).
-
QUEVE – присоединение к очереди номер 1
-
SEIZE – переход детали на обработку.
-
DEPART - Уход детали из очереди N1 (одновременно приход на обработку)
-
ADVANCE - Обработка детали на ГПМ. 16 – среднее время на обработку и обслуживание. 4 – равномерное распрепделение (прямоугольник).
-
RELEASE - Освобождение гибкого производствсенного модуля. BAR – месте, где происходит обслуживание
-
TERMINATE – уход детали из гибкого производственного модуля
Рисунок 8
2
ой сегмент определяет время моделирования
480 минут – время моделирования
Шаг моделирования – 1 минута
2ой сегмент определяет последовательность выполнения машинных экспериментов.
Не учтен фактор, что система может отказать. Это надо учитывать с помощью датчика случайных чисел. (через каждые 100 минут будет разыгрываться ситуация что на разное время останавливается модуль).
Рисунок 1
Рассматриваемый ГПМ
Листинг результатов моделирования
Результаты моделирования (дает машина)
-
На ГПМ обработано 26 деталей
-
ГПМ был занят 86,6% от 480 минут
-
Заготовки вошли в систему 27, вышли из системы 26
-
Среднее число входов (на обработку) без ожидания - 23
-
Среднее число деталей в накопителе – 0,53
Имеется автоматизированная станочная система (АСС) – это сложная дискретная система (СДС)
«Событие» - это какое-то явление, факт, очевидец «мгновенно». Нулевая протяженность во времени.
«Действие» - требует для своей реализации некоторого времени и имеет собственное имя.
Действие связано с 2мя событиями – начало действия и окончание действия
Последовательность действий образует процесс в сложной дискретной системе
Рисунок 2
Последовательность действий в СДС образуют процесс.
Этапы имитационного моделирования
Рисунок 3
-
Определение доступных ресурсов (какие параметры по надежности, ресурсу) и законов функционирования моделируемой системы (равномерный, экспоненциальный, нормальный)
-
Формализация моделируемой системы
-
Программирование имитационной модели
-
Планирование имитационных экспериментов, определение начальных условий (минимальное время обработки, максимальное, интенсивность заявок – минимальная, максимальная)
-
Получение исходных данных
-
Проведение имитационных экспериментов
-
Обработка результатов экспериментов. Обработка результатов осуществляется автоматически (можно произвести несколько раз, меняя исходные данные)
-
Интерпретация полученных результатов. Какие конструктивные решения возможны, реальны, а какие нет.
Имитационное моделирование – мощное средство проектирования. Проектирование – научное предвидение.
Использование теории массового обслуживания ТМО при проектировании автоматизированных станочных систем (теория очередей)
ТМО – раздел, дальнейшее развитие теории вероятностей и математической статистики.
Появилась в начале 20 века в связи с развитием телефонных сетей (девушки сидели на линии и вставляли штекеры для соединения с нужным номером. Поступают заявки на обслуживание, девушки – обслуживающий прибор) Какова эффективность работы ТС?
Параметр потока заявок -
Параметр потока обслуживания –
При дальнейшем развитии техники оказалось, что математические модели теории массового обслуживания могут быть использованы в других технических, экономических и социальных сетях при разработке систем автоматического управления, ГПС, РТК.
Аналогично с телефонной линией про детали – n заготовок, ГПС, m деталей
Математический аппарат теории массового обслуживания оказался пригоден для анализа и проектирования АСС, обработки на них с потоком поступающих на них заготовок.
На управляющее ЭВМ поступают сигналы с датчиков обратных связей, установленных на технологическом оборудовании. Каждый сигнал требует обработки длительностью
(время обработки сигналов
изменяется в определенных пределах). Требуется определить способна ли управляющая ЭВМ (УВМ) с данным объемом ОЗУ и с данным быстродействием обработать в реальном масштабе времени все поступающие в нее сигналы. Может быть решена методом массового обслуживания
Есть ТМО, а есть СМО (система массового обслуживания). Пример СМО – телефонная станция. Характеристики системы массового обслуживания.
Основной первичной характеристикой системы массового обслуживания является наличие потока однородных зарядов, требований, событий. Вторая важная характеристика – наличие правил обслуживания заявок, то есть дисциплина обслуживания. 3 – структура исследования СМО (есть ли накопитель, какое перегрузочное устройство, какой магазин, как поступают детали, как закрепляются). СМО характеризуются временем обслуживания.
Лекция 20
Пример:
Граф состояния системы
Рисунок 1
Состоит из 4х состояний системы
Si – состояние системы
Техническая система S состоит из 2х больших основных узлов (ГПМ токарный): станок, робот
Система из 2х узлов может иметь состояния:
S0 - станок и робот исправны (все работает)
S1 – ремонтируется станок
S3 – ремонтируется робот
S4 – ремонтируется и робот, и станок
По дугам можно перейти из одного состояния в другое (но нету вертикальных линий, т.к. одновременная поломка маловероятна и ею пренебрегаем)
Размеченный граф состояний
- Интенсивность перехода из одного состояния в другое по причине ненадежности станка и робота
– интенсивность восстановления
Зная интенсивности перехода можно определить вероятности нахождения системы в каждом из этих состояний
Для обозначения характеристик систем массового обслуживания используются символы М, D, E, G, обозначающие экспоненциальное распределение (М), регулярное распределение (D), эрландовское распределение (Е), произвольное распределение (G).
М / М / 1 – экспоненциальное распределение входящего потока, экспоненциальное распределение времени обслуживания.
1 – обслуживающий прибор/станок
Кроме этих есть еще 4 и 5 позиция . 4 – максимальнаядлина очереди (число мест для ожидания, емкость магазина). Обозначается r = 0…∞. Если r=0 – система без ожидания, если r=∞ - неограниченная очередь. 5 разряд описывает приоритет заявок.
Надо знать характеристики входящего потока (заготовок, заявов), как описывается закон обслуживания заявок обработки детали – тогда есть много формул, по которым можно рассчитать какой накопитель взять, какое среднее время и разброс обработки, производительность, сколько времени затратится на ремонт, какое количество деталей в системе.
Основные элементы системы массового обслуживания
Типовые конфигурации систем массового обслуживания.
















