СХЕМОТЕХНИКА ЭВМ_18.2.17 (855859), страница 5
Текст из файла (страница 5)
1. Пусть входное напряжение Uin = 0. Тогда нижний транзистор закрыт, так как для него напряжение Uзс = 0. Верхний транзистор открыт, так как для него напряжение Uзс отрицательно (равно –5 В). В результате выходное напряжение Uout = +5 В.
2. Пусть входное напряжение Uin = +5 В. Тогда нижний транзистор открыт, так как для него напряжение Uзс = +5 В. Верхний транзистор закрыт, так как для него Uзс = 0. В результате Uout = 0.
В КМОП технологии приняты следующие уровни напряжений (рис. 2.3), соответствующие логическим (цифровым) сигналам лог. "0" и лог. "1".
Рис. 1.17 показывает двойственный характер цифровой схемы. Это, во-первых, обычная аналоговая схема, работающая при подаче на вход входного напряжения и вырабатывающей на выходе выходное напряжение, соответствующее входному напряжению. Это, во-вторых, цифровая (логическая) схема ,выходной сигнал которой может восприниматься как 0 или 1.
Рис. 1.17. Логические уровни сигналов для КМОП микросхем.
Если цифровая модель (модель логического уровня) микросхем уже была рассмотрена выше и для ее описания использовался язык Булевой алгебры и язык описания цифровой аппаратуры VHDL , то для схемотехнического уровня описания поведения микросхем на уровне их схемотехнических компонентов типа транзистор, сопротивление, емкость и т.п., используется язык дифференциальных уравнений . Для облегчения реализации этих описаний применяются специальные пакеты программ, в которых пользователю предлагается уже готовый набор P-Spice- моделей микросхем [5, 6]). . Пользователь получает в процессе моделирования временные аналоговые диаграммы токов и напряжений в исследуемой схеме. Одним из таких пакетов является пакет МИКРОКАП (MicroCap)[5, 6], используемый в лабораторном практикуме МЭИ по курсу Электроника и иногда и по курсу Схемотехника ЭВМ.
1.4.2. Статические характеристики КМОП инвертора.
Р
ассмотрим работу КМОП схем с точки зрения аналоговой электроники. Подадим на вход КМОП инвертора (рис. 1.18) напряжение, линейно возрастающее в диапазоне от 0 до 5 В и построим график напряжения на его выходе.
Рис. 1.18. Схема инвертора в режиме холостого хода(без нагрузки).
Характеристика вход – выход инвертора приведена на рис. 1.19.
Рис. 1.19. Характеристика вход – выход КМОП инвертора.
Из графика рис.1.19 видно, что изменение входного напряжения Uin в диапазоне 0 – 1.5 В не изменяет напряжение на выходе Uout, при этом выходное напряжение остается в зоне логической "1".
Аналогично, при изменении входного напряжения Uin в диапазоне 3.5 – 5 В напряжение на выходе Uout не меняется и остается в зоне логического "0". Судя по графику, выходное напряжение остается в зоне логического "0" при изменении входного напряжения от 3 до 5 В.
1.4.3. Динамические характеристики КМОП инвертора.
Подадим на вход инвертора X последовательность импульсов напряжения, полученных от такой же схемы, а к выходу Y подключим нагрузку.
1. Пусть выход инвертора Y никуда не подключен. Это режим холостого хода (см.предыдущий рис.1 18).Результаты схемотехнического моделирования приведены на рис.1. 20. На первом графике X показаны импульсы напряжения (В) на входе инвертора. На втором графике Y – импульсы напряжения (В) на выходе инвертора. На третьем графике – импульсы сквозного тока (мА), проходящие через транзисторы инвертора в момент переключения. На четвертом графике приведена мощность, выделяемая в источнике питания. Из графика видно, что это чисто динамическая мощность, выделяемая только в момент переключения инвертора.
X
Y
I
P
X – напряжение на входе инвертора (В),
Y – напряжение на выходе инвертора (В),
I – сквозной ток в транзисторах VT1 и VT2 (мА),
P – мощность, выделяемая в транзисторах VT1 VT2 (Вт).
Рис.1. 20. Динамические характеристики инвертора в режиме холостого хода.
Промоделируем работу инвертора в режиме активной и емкостной нагрузки (рис.1. 21). На рисунке резистор R1 и конденсатор C1 отображают эту нагрузку
В этом режиме инвертор потребляет и активную мощность (интервал 16 – 24 нс на графике).
Рис. 1.21. Схема инвертора в режиме активной и емкостной нагрузки.
Результаты моделирования инвертора с активной и емкостной нагрузкой показаны на рис.1. 22. Графики показывают, что время переключения инвертора из состояния лог. 1 в состояние лог. 0 и обратно возросло (другими словами, время фронта и спада импульса Y увеличилось), величина сквозного тока и динамическая мощность также возросли.
X
Y
I
P
X – напряжение на входе инвертора (В),
Y – напряжение на выходе инвертора (В),
I – сквозной ток в транзисторах VT1 и VT2 (мА),
P – мощность, выделяемая в транзисторах VT1 VT2 (Вт).
Рис.1. 22. Динамические характеристики КМОП инвертора в режиме активной и емкостной нагрузки.
Проведенное моделирование показывает особенности физических процессов, проходящих в схемах выходных каскадов КМОП микросхем.
1.4.4. Базовые КМОП логические элементы И-НЕ и ИЛИ-НЕ.
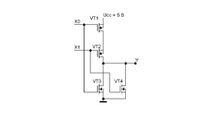
На базе МОП транзисторов с каналами p и n типов создают многовходовые логические элементы, реализующие функции И-НЕ и ИЛИ-НЕ. В качестве примера приведем двухвходовый логический элемент 2И-НЕ (рис.1 23).
Если на входы Х0 и Х1 подать сигналы высокого уровня, то транзисторы VT2 и VT3 окажутся открытыми, а транзисторы VT1 и VT4 – закрытыми. В результате выход Y окажется подключенным к "земле" (низкому уровню).
Если хотя бы на один из входов Х0 или Х1 будет подан сигнал низкого уровня, то один из последовательно соединенных транзисторов VT2 и VT3 окажется закрытым, а хотя бы один из двух соединенных параллельно транзисторов VT1 и VT4 окажется открытым. В результате выход Y окажется подключенным к источнику питания Ucc (сигналу высокого уровня).
Рис.1. 23. Двухвходовый логический элемент "2И-НЕ".
С
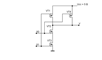
хема двухвходового элемента "2ИЛИ-НЕ" приведена на рис.1. 24.
Рис.1. 24. Двухвходовый логический элемент "2ИЛИ-НЕ".
Если на входы Х0 и Х1 подать сигналы низкого уровня, то транзисторы VT1 и VT2 окажутся открытыми, а транзисторы VT3 и VT4 – закрытыми. В результате на выходе Y окажется сигнал высокого уровня.
Если хотя бы на один из входов подан сигнал высокого уровня, то хотя бы один из транзисторов VT1 или VT2 окажется закрытым, а хотя бы один из транзисторов VT3 или VT4 – открытым. В результате сигнал на выходе Y окажется низкого уровня.
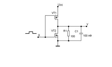
1.4.5. Выходной каскад с открытым стоком.
Верхние по схеме инвертора( см.предыдущий рис.1.18) транзисторы в выходных каскадах микросхем осуществляют активное подтягивание выходного напряжения к потенциалу источника питания Ucc. Промышленность выпускает микросхемы, в которых верхние транзисторы отсутствуют, а сток нижнего по схеме транзистора выведен наружу. Это выходной каскад с открытым стоком (рис. 1.25 ).
Рис.1. 25. Выходной каскад микросхемы с открытым стоком(общий коллектор).
Схемы выходных каскадов этого типа предусматривают установку внешнего подтягивающего резистора (резистор R1 на схеме рис.1.25), осуществляющего пассивное подтягивание выходного напряжения к напряжению питания Ucc.
Выходные каскады этого типа удобны для организации "монтажной логики" и подключения внешней активной нагрузки. Рассмотрим, например, схему организации логической схемы "монтажное ИЛИ-НЕ".
Выход
Рис. 1.26. Схема "монтажное ИЛИ-НЕ".
При подаче на любой вход элементов DD1, DD2 и DD3,каждый из которых реализует логическую функцию ИЛИ-НЕ сигнала лог. "1",выход этого элемента станет равным 0.Так как на проводнике, соединяющем все три элемента реализуется монтажное ИЛИ, на выходе схемы «монтажное ИЛИ-НЕ» будет лог. "0".
Выбор сопротивления подтягивающего резистора(R1 на рис.1.26) является компромиссной задачей проектирования.
С физической точки зрения, чем больше величина этого резистора, тем меньше ток в цепи стока транзистора одной из открытых микросхем DD1, DD2 или DD3. Одновременно с ростом R1 увеличивается время заряда эквивалентной емкости Сэ, равной сумме выходных и входных емкостей микросхем, а так же емкости монтажа.
С уменьшением величины резистора R1 улучшаются динамические характеристики схемы(скорость заряда конденсатора, отображающего емкостную составляющую нагрузки, увеличивается), но одновременно увеличивается выходной ток низкого уровня микросхем IOL.
Приведем на рис.1.27 результаты моделирования схемы монтажного "ИЛИ-НЕ" (рис. 1.26), в которой резистор R1 = 1кОм, а емкость СЭ = 30 пФ .На вход схемы подается импульс напряжения длительностью 5 нс.
Графики показывают, что каскад с открытым стоком обеспечивает быструю разрядку емкости Сэ через открытый транзистор микросхемы (рис. 1.26) за время порядка 0.6 нс и зарядку этой же емкости через подтягивающий резистор R1 (выходной транзистор микросхемы закрыт) за время, превышающее 100 нс.
Столь несимметричные времена зарядки и разрядки емкостей, подключенных к выходу микросхемы с открытым стоком является главным недостатком монтажной логики.
Рис. 1.27. Динамические характеристики инвертора с открытым стоком
Монтажная логика имеет ограниченное применение в быстродействующих цифровых схемах и требует тщательного расчета сопротивления R1.
1.4.6. Выходной каскад с тремя состояниями.
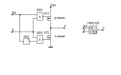
Выходы обычных интегральных микросхем могут находиться в двух состояниях: состоянии с высоким логическим уровнем и состоянии с низким логическим уровнем. У некоторых микросхем выход может электрически отключаться от подключенных к нему внешних элементов схемы и переходить в состояние высокого импеданса (в третье состояние Лог. "Z"). Такие микросхемы имеют дополнительный управляющий вход (вход EN – Enable) сигнал на котором может переводить выход микросхемы в третье состояние. Схема буферного элемента с тремя состояниями на выходе приведена на рис.1 29.
а) б)
а) – электрическая схема буферного элемента;
б) – условное графическое изображение (УГО) буферного элемента;
Рис.1.28. Буферный элемент с тремя состояниями .
Выходной каскад выполнен на паре КМОП транзисторов VT1 и VT2. Затворы этих транзисторов подключены к выходам двух логических элементов DD2 и DD3, образующих совместно с элементом НЕ (DD1) логическую часть буферного элемента, работающую в соответствии со следующей таблицей истинности(таб.1.2).
Таблица1. 2. Таблица функционирования буферного элемента.
| EN | X | VT1 | VT2 | Y |
| 1 | 0 | закр | закр | Z |
| 1 | 1 | закр | закр | Z |
| 0 | 0 | закр | откр | 0 |
| 0 | 1 | откр | закр | 1 |
Третье состояние (Лог. "Z") на выходе возникает в том случае, когда оба транзистора VT1 и VT2 закрыты.
















