diplom (730111), страница 6
Текст из файла (страница 6)
где Nи– сила, создающая гидравлический удар в зоне днища, кГ;
N – продольная сила, приложенная по оси автосцепки в соответствии с расчетным режимом, для 3-го расчетного режима N = 250·103 кГ;
тж – масса жидкости, тж = 120·103 кГ;
тбр – масса брутто цистерны, кГ.
где Р – грузоподъемность цистерны, Р =126·103 кГ;
Т – тара вагона, кГ;
где Рид – давление от гидравлического удара вблизи днища, Мпа;
Rв – внутренний радиус котла, Rв = 1,6 м.
где Рд – суммарное расчетное давление вблизи днища, Мпа.
где Р1 – суммарное расчетное давление над опорами, МПа.
Р3 = РП + 0,5Рид =0,15+0,5·0,212=0,256 МПа (4.12)
где Р3 – суммарное расчетное давление в середине котла (сечение Ⅲ-Ⅲ), МПа.
где N1.1 – горизонтальная сила, направленная перпендикулярно к сечению Ⅰ-Ⅰ от действия внутреннего давления на площадь вертикальной проекции днища, кГ.
где σ1.1 – нормальные напряжения в сечении Ⅰ-Ⅰ материала котла, кГ/см2;
h1 – средняя толщина котла (оболочки) в сечении Ⅰ-Ⅰ, см.
где N1.2 – нормальная сила, действующая на верхнюю и нижнюю половины котла от действия внутреннего давления в сечении Ⅰ-Ⅰ, кГ.
где σ1.1 – нормальные напряжения, вызванное внутренним давлением над опорами котла в сечении Ⅰ-Ⅰ, МПа;
где σ3.1 – напряжение на поперечных площадках в сечении Ⅲ-Ⅲ, МПа;
где σ3.2 – напряжение на продольных площадках в сечении Ⅲ-Ⅲ, МПа;
h3 – средняя толщина оболочки котла в сечении Ⅲ-Ⅲ, см.
где W1 – момент сопротивления изгибу, см3;
F1 – площадь поперечного сечения кузова, определяется с учетом рабочей части обшивки, см3.
где R – наружный радиус обшивки котла, см;
r – внутренний радиус, см.
где
– суммарные напряжения на продольных площадках для I расчетного режима, МПа.
Прочность материала котла соблюдается, если выполняется условие (4.22).
где [σ] – допускаемое напряжение материала кузова, Мпа.
где σТ – предел текучести материала, МПа.
Устойчивость оболочки котла от внешнего давления при разряжении в котле соблюдается, если выполняется условие (4.24)
где Рк – критическое давление, Мпа;
Рр - расчетное давление, Рр = 0,05 Мпа.
где Е – модуль упругости, Е=2,1·106 кГ/см2;
2Lц - длина цилиндрической части котла, 2Lц =1963см;
h1 – средняя толщина оболочки котла, h1 =1,2 см.
Так как 1,5 > 1,05 условие устойчивости оболочки котла от внешнего давления при разряжении в котле соблюдается.
5. Расчет оси колесной пары
Ось колесной пары вагона работает в режиме знакопеременных деформаций. Число циклов нагружения за срок службы весьма велико, а нагруженность носит вероятностный характер. В последние годы условия работы вагонов становятся все более тяжелыми, повышается скорость движения поездов, повышаются осевые нагрузки, появляются новые конструкции тележек. Таким образом, расчет оси на усталостную прочность производится по критериям теории вероятности и математической статистики. Для этого необходимы кривые распределений амплитуд и напряжений, а также функции статического распределения пределов выносливости оси в ее расчетных сечениях.
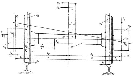
Расчет производится с учетом нестационарности режима нагружения оси колесной пары. Критерием оценки прочности принимается величина коэффициента запаса прочности оси, но отношению к ее пределу усталости. Схема приложения сил и опорных моментов к оси колесной пары приведена на рис 5.1.
Схема приложения сил и опорных моментов к оси колесной пары.
Рис. 5.1.
5.1. Определение коэффициента запаса прочности оси
Коэффициент запаса прочности оси показывает во сколько раз предел усталостной прочности оси по износу больше приведенных напряжений в расчетном сечении. Оценка прочности производится по следующим расчетным сечениям (см рис. 5.2):
Схема приложения сил и опорных моментов к оси колесной пары.
Рис. 5.2
I - по шейке оси в плоскости внутренней кромки заднего подшипника;
II - по шейке оси в плоскости начала задней галтели;
Ш - по подступичной части оси в плоскости круга катания колеса;
IV - в средней части оси.
Условие прочности оси:
n [n],
где n - коэффициент запаса прочности оси по отношению к пределу ее усталости;
[n] - допустимый коэффициент запаса прочности оси.
Рекомендуемый запас прочности оси для нового грузового вагона [n] = 1,9 - 2,1.
Исходные данные для расчета оси сведены в табл. 5.1.
Таблица 5.1.
Исходные данные для расчета оси колесной пары
| Масса вагона брутто mбр, кг | 176000 |
| Число осей в вагоне m0, шт | 8 |
| Высота центра тяжести вагона над уровнем осей колесных пар hц, м | 1,85 |
| Расчетная скорость v, м/с | 33,3 |
| Масса половины боковой рамы тележки mр, кг | 195 |
| Масса колесной пары mкп, кг | 1200 |
| Масса колеса mк, кг | 400 |
| Масса буксы и связанных с ней необрессоренных масс mб, кг | 113 |
| Масса консольной части оси до круга катания mш, кг | 53 |
| Масса средней части оси между кругами катания mс, кг | 319 |
| Масса необрессоренных частей жестко связанных с шейкой оси, включая саму шейку m = mр + mш + mб , кг | 361 |
| Удельное давление ветра на боковую поверхность кузова W, Н/м2 | 500 |
| Непогашенное ускорение в кривой jц, м/с2 | 0,7 |
| Коэффициент трения колеса о рельс при скольжении в поперечном направлении . | 0,25 |
| Коэффициент, учитывающий восприятие сил инерции диском колеса за счет ее упругости . | 0,7 |
| Коэффициент использования грузоподъемности вагона . | 1 |
| Статический прогиб рессорного подвешивания вагона fст, м | 0,05 |
| Радиус колеса r, м | 0,475 |
| Диаметр шейки оси d1, м | 0,135 |
| Диаметр подступичной части оси d2 м | 0,194 |
| Диаметр средней части оси d3, м | 0,165 |
| Расстояние между серединами шеек оси 2b2, м | 2,036 |
| Расстояние между кругами катания колес 2s, м | 1,58 |
| Расстояние от середины шейки оси до круга катания колес 12, м | 0,228 |
| Расстояние от середины шейки оси до задней галтели шейки 13,м | 0,1 |
| Расстояние от середины шейки оси до внутренней кромки заднего роликового подшипника 16, м | 0,073 |
| Расстояние от середины оси до равнодействующей сил инерции средней части оси 17, м | 0,263 |
5.2. Расчет оси колесной пары на выносливость
Определение расчетных нагрузок.
Статическая нагрузка на шейку оси с учетом коэффициента использования грузоподъемности вагона
Коэффициент вертикальной динамики
Динамическая нагрузка:
От вертикальных колебаний кузова на рессорах
от центробежных сил в кривых
от силы ветра
Расчетная вертикальная нагрузка:
На левую шейку оси
на правую шейку оси
Ускорение буксового узла:
Левого
Правого
Ускорение левого колеса
Вертикальная сила инерции, действующая:
На левую шейку оси
на правую шейку оси
От левого колеса на рельс (на правом колесе Рнк=0)
Вертикальная сила инерции массы средней части оси
Коэффициент горизонтальной динамики
горизонтальная сила, действующая от колесной пары на рельс, (рамная сила)
















