147213 (691798), страница 5
Текст из файла (страница 5)
При вступлении поезда на рельсовую цепь 5Па переездная сигнализация автоматически не включается. На переезде выключаются реле НИ и НТ. Прекращается трансляция кода КЖ в рельсовую цепь 5П. У светофора 5 прекращается импульсная работа реле И, отчего выключаются реле Ж, Ж1 и Ж2. Через тыловые контакты реле И и Ж1 включается реле ОИ, которое замыкает цепь кодирования рельсовой цепи 5П с ее релейного конца. Значность кода выбирается контактами реле ИП в зависимости от числа свободных блок-участков. Если свободно не менее двух блок-участков, то у светофора 5 замыкается цепь кодирования кодом 3:
Работая в режиме кода 3, реле ДТ передает этот код в рельсовую цепь 5П. На переезде код 3 принимает реле ИДИ и включает свой повторитель реле НДТ, который транслирует этот код в рельсовую цепь 5Па. При импульсной работе реле ИДИ и его повторителя НДИ1 через конденсаторный дешифратор возбуждается реле НДП, которое замыкает свой фронтовой контакт в цепи реле НИП1. У светофора 5 после выдержки времени на замедление отпускает якорь реле Ж2 и фронтовыми контактами выключает на переезде реле НИП. Последнее отпускает нейтральный якорь и фронтовым контактом размыкает цепь питания реле НИП1, Однако это реле остается включенным через ранее замкнувшийся контакт реле ИДП и не отпускает свой якорь.
С момента вступления поезда на рельсовую цепь 5П прекращается импульсная работа реле НДИ и последовательно выключаются реле ИДИ1, НДП, НИП1,НКТ и НВ, чем создается, кроме цепи ручного, еще и цепь автоматического закрытия переезда.
После полного освобождения поездом участка 5Па на переезде от кода КЖ восстанавливается импульсная работа реле НИ и НИ1. Включаются реле НП и НПТ, после этого в режиме кода КЖ начинает работать реле НТ и транслировать этот код в рельсовую цепь 5П вслед удаляющемуся поезду. С момента .полного освобождения рельсовой цепи 5П с обоих ее концов асинхронно подаются коды КЖ, вырабатываемые трансмиттерами разных типов. В интервале кода КЖ, посылаемого с релейного конца, от кода КЖ, посылаемого с питающего конца, у светофора 5 работает реле И и через 2—3 с через дешифратор включаются реле Ж, Ж1 и Ж2. Тыловым контактом реле Ж1 выключается реле ОИ. Последнее, отпуская якорь, размыкает цепи кодирования рельсовой цепи 5П с ее релейного конца. Кодирование с питающего конца рельсовой цепи 5П продолжается. Фронтовыми контактами реле Ж2 замыкается цепь извещения, по которой возбуждается реле . НИП на переезде. Притягивая якорь, реле НИП включает, реле НИП1, после чего срабатывают реле НВ и В, которые открывают переезд.
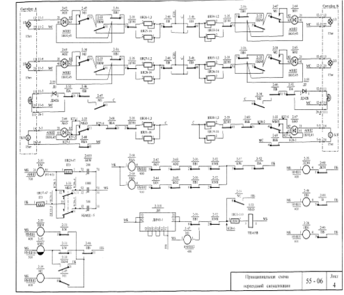
Схема светофорной сигнализации (рис 6). Огни переездных светофоров и звонки включают включающее реле В и его повторитель реле ПВ. Мигающая сигнализация переездных светофоров создается с помощью датчика импульсов ДИМ 1-1 (работающего в постоянном режиме) и комплекта мигающих реле М, КМ, КМК и ПКМ.
При отсутствии поезда на участке приближения реле В, ПВ, ПВ1(повторитель реле ПВ)находятся под током ,переезд открыт .
Исправность сигнальных ламп переездных светофоров контролируют огневые реле АО1,АО2,БО1,БО2,АБО,ББО. Каждое огневое реле поверяет исправность лампы как в холодном состоянии так и при горении. если переезд открыт и исправны лампы переездных светофоров, то огневые реле получают питание по двум обмоткам соединенным последовательно. Работая в постоянном режиме датчик импульсов ДИ мигающий полюс на обмотку реле МБО через фронтовые контакты реле ПВ1, КМК. МБО работая в импульсном режиме ставит под ток реле КМ с помощью конденсаторного дешифратора. Притягивая свой якорь КМ через фронтовой контакт реле ПВ ставит под ток реле КМК.
С момента вступления поезда на участок приближения последовательно выключаются реле НВ (ЧВ), В, ПВ. Через тыловой контакт ПВ1 подключается мигающий полюс к обмотке реле М1, которое работая в импульсном режиме своим тыловым контактом включает свой обратный повторитель реле М2. Обесточиваясь реле ПВ, создает цепь питания реле ПКМ через свой тыловой контакт и фронтовой КМ. ПКМ притягивая якорь, переключает цепь питания реле КМК, которое пока удерживало якорь за счет замедления на отпадание. Цепь питания реле МБО переходит на другую – через контакт импульсно работающего реле М2. Через тыловые контакты реле ПВ,ПВ1, фронтовые ПКМ и импульсно работающие М1,М2 создаются цепи питания ламп переездной сигнализации (в импульсе через низкоомную обмотку огневого реле ,а в интервале через обе обмотки соединенные последовательно).
При свободном переезде на светофорах переездной сигнализации горит белый мигающий огонь, контролирующий целостность всех ламп на переезде, работу комплекта мигания, свободность переезда, наличие основного питания, и состояние аккумуляторной батареи
Работа устройств переездной сигнализации при коротком замыкании изолирующих стыков на переезде в свободном состоянии перегона.
Для защиты от этого явления применяется два реле ЧИ и ЧДИ для четного направления и НИ и НДИ для нечетного направления, которые включены по взаимоисключающей схеме. Каждое из этих реле может работать только от своего трансмиттера, что и обеспечивается включением трансмиттеров разного типа (КПТШ-515 и КПТШ-715).
Включение ГКШ на переезде
Схема включения ГКШ на переезде представлена на рис 7
В цепь питания ГКШ на переездной установке двухпутного перегона (рис. 9.7, а) включены контакты огневых реле АО и БО, контролирующих исправность светофорных ламп, реле двойного снижения напряжения ДСН, реле контроля неисправности комплекта мигающих устройств КМК, реле фиксации занятости участка приближения ПВ, аварийных реле А и А1(контроль основного и резервного питания переменным током), реле РК контроля неисправности конденсаторного блока.
При свободном участке приближения, открытом переезде и исправном состоянии всех контролируемых объектов замкнута перемычка между выводами 53-61, В линию поступает непрерывный частотный контрольный код. На табло дежурного лампочка не горит.
При занятии участка приближения .обесточивается реле ПВ и фронтовым контактом размыкает цепь питания генератора. Контрольный код в линию не поступает. Контрольная лампочка на табло дежурного горит непрерывным светом.
Рис 7 . схема включения ГКШ на переезде
В случае перегорания любой из ламп переездного светофора или обесточивания реле ДСН тыловыми контактами одного из реле АО, БО или ДСН1 замыкаются перемычки между выводами 53-31, 43-41 и 42-41. В линию посылается контрольный код, состоящий из импульсов и интервалов длительностью 0,3 с. Контроль перегорания ламп и обесточивания реле ДСН осуществляется независимо от состояния участка приближения.
Исправность работы комплекта мигающих реле М и КМ проверяет реле КМК. При исправной работе реле М и КМ реле КМК постоянно возбуждено. В случае нахождения поезда на участке приближения и неисправности комплекта мигания (например, реле М не работает в импульсном режиме) обесточивается реле КМ. Фронтовым контактом реле КМ выключается реле КМ К и не возбуждается до устранения повреждения. Путем включения тылового контакта реле КМК в цепь питания маятникового трансмиттера обеспечивается автоматическое возбуждение реле КМ К после устранения повреждения, когда на участке приближения нет поезда. При обесточенном состоянии реле КМК в линию подается контрольный код, содержащий импульсы длительностью 0,3 с и интервалы 1 с.
При выключении основного или резервного питания обесточиваются реле А и А1. Тыловыми контактами этих реле создается перемычка между выводами 53-31. В линию посылается контрольный код с импульсами и интервалами длительностью 1 с.
Если из-за неисправности конденсаторного блока не возбуждается реле И после проследования поезда по переезду, то реле ПК по мере удаления поезда от переезда работает как повторитель реле И в режиме кодов КЖ, Ж и 3. Генератор посылает, в линию контрольные коды, соответствующие кодам АЛС. По режиму горения контрольной лампочки на табло дежурный определяет характер повреждения.
12. Расчет мощности сигнальных и переездных установок
В связи с тем, что применены кодовые рельсовые цепи 25 Гц и переездная светофорная сигнализация, я использую следующие данные:
Таблица 12.1 – Постоянные и технологические нагрузки на линейный трансформатор от оборудования кодовой автоблокировки переменного тока 25 Гц.
| Наименование нагрузок | Потребляемая мощность | |||
| Р, вт | Q, вар | S, ВА | ||
| Дешифратор автоблокировки типа ДА с учетом подогрева Кодовый трансмиттер типа КПТШ Светофорная лампа Генератор диспетчерского контроля типа ГКШ Блок питания типа БПШ Аварийные реле типа АСШ2-220 Потери в трансформаторе типа СОБС-2А Обогрев шкафа с учетом потерь в трансформаторе типа СОБС-2А Освещение шкафа и переносная лампа Электропаяльник | 31,7 22,0 15,0 2,0 22,0 7,0 6,6 53,7 90,0 90,0 | 14,8 - - - 10,0 - 6,3 6,0 - - | 35,0 22,0 15,0 2,0 24,2 7,0 9,1 54,0 90,0 90,0 | |
Таблица 12.2 – Постоянные и технологические нагрузки на переездные установки на участках с кодовой автоблокировкой.
| Наименование нагрузок | Максимальная длительная мощность | |
| Р, вт | Q, вар | |
| ||
| Лампы переездных светофоров Аварийное реле типа АСШ2-12 Потери в трансформаторе типа СОБС-2А Аварийное реле типа АСШ2-220 РТА в совокупности с потерями в трансформаторе типа ПОБС-2А Сигнальный выпрямитель ВАК-13Б Блок питания типа БПШ Освещение двух релейных шкафов и переносная лампа Электропаяльник | 30,0 10,5 10,3 7,0 262,0 8,0 7,2 165,0 90,0 | - - 6,3 - 51,3 18,0 9,0 - - |
Таблица 12.3 – Расчетная мощность кодовых рельсовых цепей 25 Гц, потребляемая от ПЧ-50/25.
| Длина рельсовой цепи, м | Мощность занятой кодовой РЦ при кодировании с | ||||||
| питающего конца | релейного конца | ||||||
| P, Вт | Q, вар | S, ВА | P, Вт | Q, вар | S, ВА | ||
| До 500 501-1000 1001-1500 1501-2000 2001-2250 2251-2500 | 6 14 29 59 83 116 | 0,5 1 2 4 6 8 | 6 14 29 59 83 116 | 5 12 26 53 75 106 | 0,5 1 2 4 6 9 | 5 12 26 53 76 106 | |
Таблица 12.4 – Расчетная мощность нагрузки ПЧ-50/25 на линейный трансформатор 50 Гц.
| Нагрузка РЦ 25 Гц на ПЧ –50/25 | Нагрузка ПЧ на линейный трансформатор 50 Гц | ||
| P, Вт | Q, вар | S, ВА | |
| 0 (холостой ход) 20 40 60 80 100 120 | 40 65 85 110 130 160 185 | 175 176 177 180 200 220 245 | 160 190 200 210 240 270 306 |
Максимальную активную и реактивную составляющие мощности нагрузок сигнальной
или переездной
установок определяю по формулам:
















