147213 (691798), страница 2
Текст из файла (страница 2)
- ОП2 – одиночная сигнальная установка перед переездом, извещение на который подается за два участка приближения, устанавливается на сигнальной точке 6 .
- О - одиночная сигнальная установка, устанавливается на сигнальной точке 4, 5 .
В связи с тем, что на современном этапе проектирования применяется магистральный кабель, то прокладка линии связи осуществляется магистральным кабелем.
8. Путевой план переезда
На чертеже путевого плана переезда (см. рис. 1.)по заданию курсового проекта показано:
-
Железнодорожные пути в двухниточном изображении с указанием ширины междупутья;
-
Переезд, его ордината и ширина проезжей части;
-
Релейные шкафы с указанием типа переездной установки и схемы шкафа;
-
Изолирующие стыки и путевые приборы рельсовой цепи;
-
Переездные светофоры с указанием их удаления от крайнего рельса;
-
Высоковольтные линии основного и резервного электроснабжения с указанием типов устанавливаемых силовых трансформаторов;
-
Батарейные шкафы с установленными в них аккумуляторами;
-
Сигнально-линейные цепи, организуемые по магистральному кабелю связи, с указанием назначения поводов, необходимых их резервов или отпаев для ввода в релейный шкаф переезда;
-
Кабельная сеть переезда, включая длину и жильность кабелей, тип кабельных ящиков.
По исходным данным и расчетам, приведенным в п.9., следуют сведения, необходимые для построения путевого плана переезда.
Скорости движения поездов при приближении к переезду:
- в четном направлении 110 км/ч;
- в нечетном направлении 110 км/ч.
Длина участка приближения:
- в четном направлении 1391 м;
- в нечетном направлении 1391 м.
Время задержки на закрытие переезда:
- в четном направлении 0,45с;
- в нечетном направлении 6,78с.
Переезд оборудуется автоматической светофорной сигнализацией без автоматического шлагбаума, и извещение в нечетном направлении движения осуществляется за один участок приближения, а в четном – за два.
Т.к. переезд расположен между проходными светофорами с извещением о приближении поезда за один и за два участка приближения, то устанавливается шкаф типа ПС. А так как на переезде применяется автоматическая светофорная заградительная сигнализация, то второй шкаф имеет тип 2С.
Расчет числа аккумуляторов в батарейном шкафу
Так как питание с батарейного шкафа подается на два переездных светофора, будем производить расчеты следующим образом.
При новом строительстве на переездных светофорах применяется по две лампы красного огня, итого – четыре лампы включенных параллельно к источнику 12В. Т.к. один аккумулятор выдает напряжение 2,2 В, то необходимо для резервного питания переездной сигнализации 6 аккумуляторов.
9. Расчет длин участков приближения и времени задержки закрытия переезда
Расчетная длина участка приближения к переезду и задержка времени определяются следующим образом.
Расчетная длина участка приближения к переезду
, м, определяется по формуле:
, (1)
где:
- максимальная скорость движения поездов на участке местонахождения переезда, км/ч;
- время извещения о приближении поезда к переезду, с.
При автоматической светофорной сигнализации с автошлагбаумами, время извещения должно быть не менее 40 с и рассчитывается по следующей формуле:
, (2)
где:
- время прохода автомобиля через переезд, с;
- время срабатывания приборов извещения и включения переездной сигнализации (составляет 4 с);
- гарантийное время (принимается равным 10 с).
Время, необходимое для проследования автомашины через переезд, определяется по формуле:
, (3)
где:
– длина переезда м;
- расчетная длина автомашины (автопоезда), м (принимается равной 24 м);
- расстояние от места остановки автомашины до светофора, при котором обеспечивается видимость показания светофора (равно 5 м);
- расчетная скорость движения автомобиля через переезд (в соответствии с правилами дорожного движения составляет 5 км/ч).
Длина переезда
, м, на двухпутном участке составляет:
, (4)
где:
– расстояние от крайнего рельса до наиболее удаленного переездного светофора, м;
- ширина рельсовой колеи, м (по ПТЭ составляет 1520 мм);
- ширина междупутья (4.1 м)
- габарит от крайнего рельса, необходимый для безопасной остановки автомашины после проследования переезда, м (составляет 2,5 м).
Длина переезда в нашем случае равна:
ln =6,5+ 1,52+4,1+2,5=14,62м.
Время необходимое для проследования автомашины через переезд равно:
Vм=5 км/ч = 1,4 м/с
=(14,62+24+5)/1,4=31,16 с.
Время извещения равно:
=31,16+4+10=45,16 с.
Расчетная длина участка приближения к переезду в четном и нечетном направлениях
=
равна:
=0,28*110*45,16=1391 м.
Фактическая длина участка приближения к переезду в нечетном направлении
равна 1600 м.
Для компенсации излишней длины участка приближения предусматривается задержка закрытия переезда. Время задержки
определяется разностью фактического и расчетного времени извещения:
. (5)
В нечетном направлении время задержки равно
tзн=(1600-1391)/0,28*80= 6,78с.
Фактическая длина участка приближения к переезду в четном направлении
равна 1405 м (извещение за два блок-участка от Вх Н).
В нечетном направлении время задержки равно
tзч=(1405-1391)/0,28*110=0,45 с.
10. Электрические схемы перегонных сигнальных установок
На участках с электротягой на постоянном и переменном токе нельзя применять импульсные рельсовые цепи постоянного тока, так как в рельсовой цепи, кроме сигнального тока, будет протекать тяговый ток, который может создавать мешающие и опасные влияния на аппаратуру рельсовой цепи. Для защиты от мешающих влияний тягового тока необходимо, чтобы вид сигнального тока отличался от вида тягового тока. В устройствах автоблокировки для участков с электротягой на переменном токе применяют рельсовые цепи частотой 25 Гц. Чтобы исключить влияние тягового тока, путевые реле включают через защитные фильтры, которые пропускают сигнальный ток и подавляют тяговый ток и его гармоники.
Кроме мешающих влияний, нужно учитывать и опасные влияния тягового тока. Так, например, при повреждении фильтра путевое реле может возбудиться от тягового тока при занятой рельсовой цепи, чем создается опасная ситуация. Чтобы исключить опасные влияния тягового тока, следует применять рельсовые цепи не с непрерывным, а с импульсным питанием. Если путевое реле работает в импульсном режиме, то это означает, что тяговый ток не оказывает опасное влияние; если оно получает непрерывное питание, то это является признаком опасного влияния тягового тока.
На участках с электротягой переменного и постоянного тока используют автоблокировку в комплексе с автоматической локомотивной сигнализацией АЛС. При применении устройств АЛС необходимо передавать сигнальные показания путевых светофоров на локомотив. Наиболее удобно и экономично это сделать, если рельсовую цепь использовать не только для контроля состояния блок-участка, но и как канал связи для устройств автоблокировки и АЛС. По этому каналу можно передавать различные сигнальные приказы для работы автоблокировки без применения линейных проводов. Наиболее просто, оказалось, использовать рельсовые цепи не с импульсным, а с кодовым питанием. Для кодирования был выбран числовой код, основным признаком которого является число импульсов, передаваемых в кодовом цикле.
С использованием этого кода была разработана и широко применена комплексная система числовой кодовой автоблокировки и АЛСН. Числовая кодовая автоблокировка построена с использованием числовых кодовых сигналов 3, Ж и КЖ.
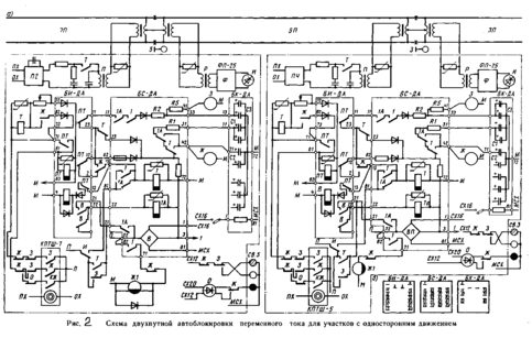
На каждой сигнальной установке применены дешифраторы типа ДА, блоки которых показаны в раскрытом виде и увязаны с кодирующими цепями (рис. 2). В эти цепи включены трансмиттеры КПТШ-5 и КПТШ-7 и трансмиттерные реле Т. На выходах блока БС-ДА дешифратора включены сигнальные реле Ж и 3, управляющие огнями светофора и формирующие цепи кодирования. Показано также включение сигнального реле Ж1, которое является повторителем реле Ж и счетчика 1. С помощью реле Ж1 ускоряется включение кодов АЛС в рельсовую цепь с момента занятия ее поездом.
Трансмиттерное реле Т включено в цепи кодирования так, что при посылке кода 3 оно работает непосредственно через контакт 3 (КПТШ), а при посылке кодов Ж и КЖ оно включается через контакт Ж или КЖ (КПТШ) и контакт реле ПТ блока БИ-ДА как повторитель этого реле.
Рельсовые цепи автоблокировки получают питание переменным током частотой 25 или 50 Гц в зависимости от рода тяги на участке. При автономной тяге и электротяге на постоянном токе применяют рельсовые цепи 50 Гц, при электротяге переменного тока — 25 Гц. На приведенной схеме показаны рельсовые цепи 25 Гц. Питание рельсовой цепи 25 Гц осуществляется от преобразователя частоты ПЧ через изолирующий путевой трансформатор П (ПРТ-А).
Защита контакта реле Т от искрообразования выполнена с помощью контура R-C. Импульсное путевое реле И (ИМВШ-110) включено в рельсовую цепь через изолирующий трансформатор Р (ПРТ-Д) и путевой фильтр Ф (ПФ-25).
Работа цепей автоблокировки применительно к сигнальным установкам 3 и 5 при движении поезда по участку протекает следующим образом. В случае нахождения поезда на блок-участке ЗП у светофора 3 прекращается прием кода из рельсовой цепи, не работают реле И и дешифратор. Выключаются сигнальные реле Ж и 3, через тыловой контакт реле Ж последовательно с огневым реле О включается лампа красного огня и на светофоре 3 загорается красный огонь. Образуется цепь кодирования кодом КЖ рельсовой цепи 5П:
При замыкании контакта КЖ (КПТ) в первый момент срабатывает реле ПТ и, замыкая фронтовой контакт, включает реле Т. Через фронтовой контакт реле Т
в рельсовую цепь 5П подается код КЖ, у которого длительность импульса составляет 0,23 с, а длинного интервала — 0,57 с.
У сигнальной установки светофора 5 от каждого импульса кода КЖ срабатывает реле И и, замыкая фронтовой контакт, включает цепи блока дешифратора:
По цепи 1 включается питание реле-счетчика 1, который имеет замедление на притяжение равное 0,15 с. На время этого замедления по цепи 2 проходит заряд конденсатора С1. До момента срабатывания реле Ж цепь 2 проходит через тыловые контакты реле Ж и ПТ, а после срабатывания реле Ж — через фронтовой контакт Ж и тыловой контакт реле Т смежной рельсовой цепи.
Путем последовательного соединения фронтового контакта реле И и тылового контакта реле Т в цепях 1 и 2 проверяется асинхронное прохождение импульсов тока в смежных рельсовых цепях, что необходимо для контроля отсутствия короткого замыкания изолирующих стыков. По цепи 3 срабатывает реле В с контролем отсутствия импульса тока в смежной рельсовой цепи, что проверяется тыловым контактом реле ПТ, и присутствия импульса тока в собственной рельсовой цепи; что проверяется фронтовым контактом реле И. По окончании замедления счетчик 1 притягивает якорь и самоблокируется. Своим тыловым контактом он размыкает цепь 2 заряда конденсатора С1, а фронтовым контактом замыкает цепь 4, по которой конденсатор С1 разряжается на обмотку реле Ж и конденсатор С2. Реле Ж, притягивая якорь, фронтовым контактом включает лампу желтого огня и на светофоре 5 загорается желтый огонь. Вторым фронтовым контактом реле Ж последовательно с лампой красного огня включается высокоомная обмотка огневого реле О, которое контролирует целость нити лампы красного огня в холодном состоянии.
С момента прекращения импульса кода КЖ в длинном интервале (0,57 с) реле И отпускает якорь и выключает счетчик 1 и реле В. Выдержав замедление 0,3 с, эти реле отпускают свои якоря. Реле Ж продолжает получать питание за счет разряда конденсатора С2 и удерживает якорь притянутым.
















