4203 (642964), страница 2
Текст из файла (страница 2)
Запирающий механизм 73-мм орудия в целом такого же принципа действия, как и описанного выше. Он проще, так как в нем отсутствуют промежуточные детали: кривошип и ось кривошипа. Ручка (рычаг) для открывания затвора вручную своей пластиной, жестко связанной с осью рычага, непосредственно воздействует на ромбовидный прилив клина.
Стреляющий механизм предназначен для производства выстрела совместно со спусковым механизмом. Стреляющие механизмы к затворам современных орудий по принципу действия можно разделить на три типа: ударного, электроударного (двойного) и электрического действия. Каждому типу механизма отвечает капсюльная втулка того же названия.
Стреляющий механизм ударного действия (рис. 6, а) (ударный механизм) обеспечивает производство выстрела ударом бойка. Для обеспечения электрического действия в стреляющем механизме (рис. 6, б) боек 5 изготовлен отдельно от ударника 4 и изолирован. Напряжение от бортсети танка подается через замкнутую кнопку стрельбы по системе контактов к проводу 7. Далее через нажим 10 и пластинчатую пружину 8 ток поступает на боек 5, а через него—на капсюльную втулку.
Чтобы не было поломки бойка 5 при открывании затвора, специальный поводок на кривошипе отходит от рычага 11 и поджим, состоящий из пробки с пружиной и находящийся в гнезде клина, втягивает боек внутрь клина. При полностью закрытом затворе поводок давит на рычаг 11 и, преодолевая сопротивление пружины поджима, поворачивает нажим 10. Через пластинчатую пружину 8 боек 5 поджимается к капсюльной втулке.
Ударное действие в стреляющем механизме двойного действия обеспечивается почти так же, как и в простом ударном механизме. От спускового механизма перемещается стопор 1 взвода, который освобождает взвод 2, сидящий на оси 3. Ударник 4 ударяет по гайке бойка, который передает удар капсюльной втулке.
Взведение ударника при стрельбе производится автоматически с помощью зуба кривошипа, а в начале его поворота. При этом клин еще остается на месте, а боек уходит за зеркало клина, чем предотвращается его поломка.
В 73-мм орудии электрическое действие обеспечивается системой контактов аналогично электрическому действию электроударного механизма.
Механизм повторного взведения позволяет взвести ударный механизм без открывания затвора. Используется при осечке и при проверках.
Выбрасывающий механизм служит для выбрасывания (экстракции) стреляной гильзы или поддона после выстрела, а также для удержания клина затвора в открытом положении. Механизм состоит из двух свободно сидящих на оси выбрасывателей. Длинные плечи выбрасывателей с помощью поджимов (пружина и стаканчик) отжимаются всегда в сторону клина. К деталям механизма относятся также кулачки 22, прикрепленные к клину. При открывании затвора клин ударяет своими кулачками по выступам выбрасывателей, которые, поворачиваясь, своими захватами воздействуют на фланец гильзы, обеспечивая выброс ее из зарядной каморы.
Механизм ручного сброса выбрасывателей позволяет закрыть затвор вручную. На 73-мм орудии этот механизм работает от рычага для открывания затвора вручную при его подъеме.
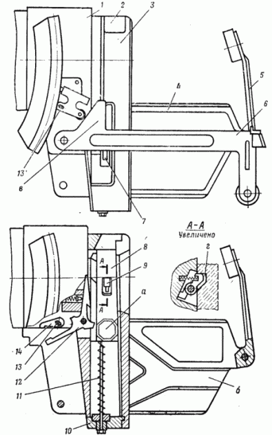
Открывающий механизм предназначен для автоматического открывания затвора после выстрела. Скалка 5 установлена в отверстиях линейки 6. Эти детали перемещаются вместе с казенником. На оси люльки сидит собачка 3 с роликом 2 и поджимом 1 (на рис. 7 положение собачки показано при накате).
При работе открывающего механизма используется энергия откатных частей. В исходном положении собачка 3 находится сверху линейки. При откате, когда упор 4 скалки 5 уйдет на достаточное расстояние, собачка 3 под действием поджима 1 опускается. При накате упор 4 скалки 5 утыкается в собачку, и скалка останавливается, а казенник продолжает движение. Задний конец скалки 5 воздействует на кулачок 10, расположенный на оси кривошипа, обеспечивая поворот кривошипа, взведение стреляющего механизма, перемещение клина и выбрасывание стреляной гильзы. Когда затвор открылся полностью, линейка 6 отжимает через ролик 2 собачку 3. Пружина 8 возвращает скалку 5 в исходное положение.
Работа открывающего механизма скалочного типа зависит от скорости наката. При неэнергичном накате скорость выброса гильзы может быть недостаточной для ее улавливания специальным механизмом. В этом случае на некоторых пушках вместо собачки ставят ускоритель.
назад, своим зубом ударяет по кулачку 6. Происходит поворот оси кривошипа и открывание затвора.
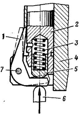
Закрывающий механизм предназначен для закрывания затвора после того, как выбрасыватели освободят клин.
Когда затвор открыт, пружина 20 (см. рис. 7) механизма находится в сжатом состоянии. При освобождении клина под действием пружины 20 поворачиваются ось 11 и кривошип 14, благодаря чему достигается перемещение клина. Пружина в исходном положении имеет предварительное поджатие для обеспечения надежного закрывания затвора. Это поджатие можно регулировать с помощью гайки, навинченной на передний конец штока.
В некоторых механизмах вместо стакана используется сверление в казеннике, а соединение штока с рычагом осуществляется с помощью зубчатого зацепления (см. рис. 7).
П
олуавтоматика (рис. 8) затвора 73-мм орудия состоит из открывающего механизма копирного типа и закрывающего механизма. Открывающий механизм состоит из двух прикрепленных к люльке (лафету) 1 копиров 4.
Каждый копир имеет У- образный паз б. Оба паза взаимодействуют с ромбовидными приливами а клина 8. Кроме того, левый копир имеет сверху продольный паз г для взаимодействия с остановом 9, который представляет собой рычаг на оси с пружиной; укрепленный на левой плоскости клина 8.При откате приливы а идут по верхним наклонным ветвям пазов б. Перед входом в продольные ветви пазов останов 9 заскакивает в свой паз г. В отличие от общепринятых конструкций клиновых затворов уже при откате затвор приоткрывается. При накате вследствие того, что клин из-за останова не может перемещаться вверх, приливы а идут по нижним наклонным ветвям пазов б. Происходит выбрасывание стреляной гильзы, и клин 8 фиксируется зацепами выбрасывателей (отражателей) 12 в нижнем положении. Несмотря на открывание затвора при откате, выбрасывание гильзы происходит в конце наката, как и во всех клиновых затворах, чтобы уменьшить вероятность появления обратного пламени. Выброшенная гильза отражается от отсекателя 5 и падает между копирами в гильзозвеньесборник.
При открывании затвора сжимаются пружины 11 закрывающего механизма, надетые на телескопические направляющие стержни. Когда клин оказывается свободным, при заряжании или подъеме рычага 6, пружины 11 обеспечивают закрывание затвора.
Предохранительные устройства обеспечивают безопасную работу экипажа при стрельбе. Они бывают обычно двух видов:
предохранитель от самоспуска и предохранитель от выстрела при не вполне закрытом затворе.
Предохранитель 1 (рис. 9) от самоспуска имеет вид двуплечего рычага, посаженного на нижний конец стопора 2 взвода на оси 7. Верхний конец его поджимается к стопору 2 с помощью поджима (колпачка 5 и пружины 3).
Если при движении танка сила инерции действует вверх, то при отсутствии предохранителя может переместиться стопор взвода и произойти самопроизвольный выстрел. При наличии предохранителя его верхний конец будет упираться в перемычку клина 4— выстрела не будет. При производстве спуска толкатель 6 сперва поверяет предохранитель, верхний конец отойдет от перемычки клина и стопор свободно переместится вверх.
Предохранитель 2 (рис. 10) от выстрела при не вполне закрытом затворе выполнен также в виде двуплечего рычага. Его ось вставлена в отверстие клина сверху. Если затвор не полностью закрыт, то под действием поджима (колпачка 6 и пружины 5)
к
онец предохранителя входит в вырез стопора 1 взвода. Если затвор полностью закрыт, то поводок 3 кривошипа 4 давит на один конец предохранителя 2 и выводит другой его конец из соединения со стопором 1 взвода. Для наглядности кривошип 4 с поводком 3 на рисунке приподнят.
В 73-мм орудии предохранение от выстрела при не вполне закрытом затворе обеспечивается размыканием контактов на клине и казеннике.
Спусковой механизм
Спусковой механизм предназначен для производства спуска ударника. Спусковые механизмы бывают механические и электромагнитные. Кроме того, может применяться электрозапальное устройство, обеспечивающее замыкание электрической цепи капсюльной втулки. В зависимости от типа механизма время запаздывания выстрела будет различным. Оно измеряется от момента принятия наводчиком решения на производство выстрела до момента вылета снаряда из канала ствола орудия.
Время для механического спускового механизма большое и составляет примерно 0,18 с, для электромагнитного—0,16 с, а для электрозапального устройства—0,07 с. Механический спуск на современных танках применяется в качестве аварийного, а основным является электрозапал. Электромагнитный спуск в некоторых механизмах является дублером электрозапала.
Электрические цепи стрельбы 73-мм орудия обеспечивают подачу напряжения к гальванозапалу электрической капсюльной втулки.
В случае неисправности цепей стрельбы можно пользоваться аварийным электроспуском—дублером. Дублер представляет собой импульсный генератор, состоящий из катушки, заключенный в постоянный магнит. При нажатии рычага дублера внутри катушки перемещается сердечник, при этом растягивается его пружина. Когда сердечник отсоединяется от рычага, пружина резко перемещает его в исходное положение. При пересечении витков катушки магнитными силовыми линиями в ней наводится ЭДС, достаточная для приведения в действие электрокапсюльной втулки. Чтобы цепь катушки дублера была обесточена в нормальных условиях стрельбы, последовательно с ней установлен диод.
Противооткатные устройства (ПОУ)
Противооткатные устройства (ПОУ) предназначены для уменьшения силы, действующей на танк (БМП) при выстреле. Установка противооткатных устройств обеспечивает упругую связь ствола, с башней, что позволяет уменьшить действующую на машину силу в 8—15 раз при увеличении примерно во столько же раз времени ее действия.
При выстреле со стороны противооткатных устройств на откатные части действует сила сопротивления откату , обеспечивающая их торможение. Сила R направлена в сторону, противоположную перемещению откатных частей при откате. Реакция (равная и противоположно направленная) силы будет действовать через люльку и цапфы на башню машины.
Противооткатные устройства обычно стремятся сделать такими чтобы сила на всей длине отката (300—500 мм) была постоянной. На практике полностью это осуществить не представляется возможным.
Действие ПОУ рассчитывается на строго определенную длину, дальнейшее увеличение которой может привести к выводу их из строя.
Противооткатные устройства состоят из двух частей: тормоза отката (и наката) и накатника. Они могут выполняться в виде одного, двух и более цилиндров. Цилиндры ПОУ могут быть укреплены в казеннике или на люльке, соответственно штоки будут соединены с люлькой или казенником. Цилиндры могут размещаться сверху, снизу, по бокам люльки, вокруг ствола — принцип действия ПОУ от этого не изменится, будут только отличия в компоновке. Следует, однако, отметить, что конструкция ПОУ, когда сила совпадает с осью канала ствола, может привести к повышению кучности боя.
С
хема противооткатных устройств дана на рис. 12. Тормоз отката, предназначенный для торможения откатных частей при откате и накате, выполнен в виде цилиндра, прикрепленного к люльке. Шток одним концом соединен с казенником, вторым— с поршнем. В поршне просверлены отверстия. Цилиндр заполнен тормозной жидкостью. Накатник служит для возврата откатных частей в исходное (до выстрела) положение и удержания их при любом угле возвышения орудия. Цилиндр накачника также связан с люлькой. На находящийся внутри цилиндра шток с поршнем надета пружина, которая имеет предварительное поджатие. При выстреле ствол вместе со штоками ПОУ перемещается назад. Вследствие перемещения поршня тормоза отката вместе со стволом жидкость под давлением (до 300 • 105—500-105 Па и более), создающимся при этом, с большой скоростью (для 100-мм пушки до 230 м/с) пробрызгивается через отверстие в поршне. Гидравлическое сопротивление, создаваемое отверстием при проходе жидкости, пропорционально квадрату скорости отката. Кинетическая энергия откатных частей превращается в энергию движения жидкости. Вследствие трения жидкости о стенки отверстий, внутрижидкостяого трения и удара струй жидкости о стенки цилиндра кинетическая энергия движущихся струй жидкости превращается в тепло. Следовательно, торможение отката является процессом превращения кинетической энергии откатных частей в конечном итоге в тепловую энергию. Одновременно в период отката сжимается пружина накатника, накапливая энергию.















