144737 (620713)
Текст из файла
1. Компоновка конструктивной схемы сборного перекрытия
При заданной сетке колонн необходимо обосновать направление и шаг ригелей, основные размеры ригелей и плит.
Выбор направления и шага ригелей производим на основании следующих требований:
-
направление ригелей для всего перекрытия целесообразно принимать одинаковым и выбирать с учетом светотехнических соображении - лучше если оно совпадает со световым потоком;
-
расположение ригелей в поперечном направлении обычно позволяет создать более жесткую конструктивную схему здания;
-
шаг ригелей равен шагу колонн.
С этих позиций в курсовом проекте принимаем поперечное направление ригелей.
Тип поперечного сечения ригеля зависит от назначения здания и величины нагрузки. Для гражданских зданий принимаем тавровое сечение ригеля.
Высоту ригеля h принимаем
h = (1/10– 1/15)l,
где l—величина пролета ригеля, l = 5,4 м.
Рис.1.Поперечное сечение ригеля
Принимаем h = 0,45м. Ширину ригеля принимаем b = 0.2м. Другие размеры принимаем по существующим типовым решениям: hп = 0,22 м, ск = 0,10 м.
Ширину плит перекрытия выбираем так, чтобы оси надколонных плит совпадали с осями колонн, а число типоразмеров плит было минимальным. Их ширина должна быть принята кратной 10 см в пределах 0,8-1,6 м; число
типоразмеров плит не более трех (рядовые, надколонные, пристенные). Высоту плиты принимаем типовой, равную h = 22 см.
Рис. 2. План сборного перекрытия
2. Расчет и конструирование многопустотной плиты
2.1 Конструктивное решение
В курсовой работе разрабатываем одну из плит перекрытия. Она опирается на ригели короткими сторонами и рассчитывается как балка двутаврового профиля, свободно лежащая на двух опорах.
Предварительно уточняем размеры поперечного сечения плиты и приводим его к эквивалентному двутавровому на основе следующих конструктивных требований:
-конструктивная ширина плиты понизу на 1 см меньше номинальной;
-диаметр, количество и размещение пустот назначаем из условия максимального снижения веса плиты, при этом толщина бетона выше и ниже пустот должна быть не менее 25-30 мм, а между пустотами -30-35 мм;
-контуры продольных боковых поверхностей плит устраиваем с выступами для улучшения заполнения швов бетоном;
- для удобства расшивки швов и во избежание местных околов на нижних поверхностях продольных боковых граней плит устраиваем продольные фаски размером 15. Кроме того, для обеспечения совместной работы плит в составе диска перекрытия на их боковых поверхностях устраиваем круглые углубления (шпонки).
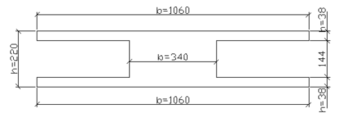
Рис.3.Поперечное сечение многопустотной плиты
Приведение сечения плиты к двутавровому осуществляем путем вычитания суммы ширины квадратных пустот, эквивалентных по площади круглым (a = 0.9d). Основные размеры двутаврового сечения следующие:
-
ширина верхней полки – b’f = 1060мм, нижней – bf = 1060мм.
-высота верхней и нижней полки – h’f = hf = мм
- ширина ребра b = b’f – 0.9*n*d = 1060 – 0.9*5*160 = 340 мм.
Рис.4.Эквивалентное двутавровое сечение плиты
Расчетный пролет плиты l0 при шаге колонн B = 5,7 м, ширине ригеля
b = 0.2 м, ширине консоли Ck = 0.1 м определим по рис. 5
l0 = B – b - Ck - 0.04 = 5,7 – 0.2 – 0.1 – 0.04 = 5,36 м,
Длина плиты
lпл = B – b – 0.04 = 5,7 – 0.2 –0,1 - 0.04 = 5,36 м.
Рис.5.Копределению расчетного пролета плиты
2.2 Статический расчет плиты
Расчетные нагрузки на 1 м2 плиты определяем в табличной форме (табл.1).
Нагрузку от веса многопустотной плиты принимаем равной 3 кПа, коэффициент надежности по нагрузке γf = 1.1.
Нормативную нагрузку от веса перегородок на 1 м2 перекрытия принимаем равной 1,5 кПа, коэффициент надежности по нагрузке γf = 1.2.
Для определения нагрузки от собственного веса пола задаемся его составом. Нагрузку от собственного веса пола принимаем равной произведению толщины элемента пола на объемный вес материала. Объемный вес материалов определяем по таблице 1.1 [6] , коэффициенты надежности по нагрузке в соответствии с таблицей 1.3 [6].
Временную нормативную нагрузку определяем в соответствии с назначением здания по таблице 1.2 [6], примем назначение здания – налоговая, тогда временная нагрузка составляет 2,0 кПа.
Коэффициент надежности здания по назначению определяем в соответствии с таблицей 1.4 [6].
Затем определяем полную расчетную нагрузку на 1 погонный метр плиты
qп = q* bп = 8,67 * 1,1 = 9,54 кН/м
где bп - номинальная ширина плиты, bп = 1,1 м.
Максимальные расчетные изгибающий момент и поперечная сила
где l0 - расчетный пролет плиты.
Таблица 1. Расчетные нагрузки на 1 м2 плиты
| Вид нагрузки | Нормативная нагрузка, кПа | γf | γn | Расчетная нагрузка, кПа |
| 1. Постоянная | ||||
| Вес перегородок | 1,5 | 1,2 | 0,95 | 1,71 |
| Вес пола | 1,25 | 1,425 | ||
| - линолеум, δ = 0,005 м, γ = 18кН/м | 0,09 | 1,2 | 0,95 | 0,1026 |
| - цементная стяжка, δ = 0,03 м, γ = 22 кН/м | 0,44 | 1,3 | 0,95 | 0,5134 |
| - керамзитобетон, δ = 0,06 м, γ = 12 кН/м | 0,72 | 1,3 | 0,95 | 0,8892 |
Вес многопустотной плиты | 3 | 1,1 | 0,95 | 3,14 |
Итого | 6,054 | 6,39 | ||
| 2. Временная | 2 | 1,2 | 0,95 | 2,28 |
| 3. Полная | 7,75 | 8,67 |
2.3 Конструктивные расчеты плиты
Принимаем тяжелый класса В25, класс продольной рабочей арматуры А800, поперечной В – 500. Выполняем расчеты плиты по прочности.
2.3.1 Подбор продольной арматуры
По таблице 3.4 6 определяем расчетное сопротивление бетона осевому сжатию, Rb = 14.5 МПа. По таблице 3.86 находим расчетное сопротивление продольной арматуры осевому растяжению, Rs = 695 МПа.
Находим рабочую высоту сечения
, где a – защитный слой бетона, а= 3 см,
. Проверяем выполнение условия
- условие выполняется, следовательно, нейтральная ось находится в полке, сечение рассчитываем как прямоугольное шириной b’f.
Определяем
По таблице 3.11 6 определяем = 0,07 ; = 0,965
Определяем ω0 = 0,85-0,008*Rb = 0,85-0,008*14,5 = 0,734
Вычисляем граничную относительную высоту сжатой зоны бетона
Проверяем условие ≤ R,
0,07 0,93; т.к. условие выполняется, то сжатая арматура по расчету не требуется.
Вычисляем требуемую площадь продольной рабочей арматуры
Подбираем по сортаменту (таблица 3.13 6) 4 стержня диаметром 10 мм из арматуры класса А800, Аs= 3,14 см2.
Проверяем процент армирования
2.3.2 Подбор поперечной арматуры
По таблице 3.4 6 определяем расчетное сопротивление бетона осевому растяжению, Rbt = 1,05 МПа. По таблице 5.855 находим расчетное сопротивление поперечной арматуры осевому растяжению, Rsw = 290 МПа.
Проверяем условие достаточной прочности наклонных сечений при действии главных сжимающих напряжений
,
т.к. условие выполняется, то размеры поперечного сечения элемента достаточны.
Проверяем условие необходимости постановки поперечной арматуры по расчету
Поперечная арматура по расчету не требуется. Конструктивно устанавливаем 4 каркаса 3 В 500.Шаг поперечных стержней назначаем, исходя из конструктивных требований: S 0.5*h и S 300 мм,
S = 0.5*220=110 мм. Окончательно принимаем S = 100 мм.
2.3.3 Определение геометрических характеристик сечения плиты
По таблице 3.56 определяем модуль деформации бетона, Eb =27 МПа и Es =19 МПа. Вычисляем коэффициент приведения арматуры к бетону
Вычисляем площадь приведенного двутаврового сечения (рис.4)
Статический момент приведенного сечения относительно нижней грани
где а – расстояние от центра тяжести продольной растянутой арматуры до нижней грани плиты, а = 3 см.
Расстояние от центра тяжести приведенного сечения до нижней грани
Момент инерции приведенного сечения относительно центра тяжести
Момент сопротивления приведенного сечения относительно растянутой грани
2.3.4 Величина и потери предварительного напряжения арматуры
Величину предварительного напряжения продольной растянутой арматуры назначаем из условий
;
где Rs,ser - расчетное сопротивление продольной растянутой арматуры для второй группы предельных состояний, которое определяем по таблице 3.66, Rs,ser=785МПа
Метод предварительного напряжения арматуры принимаем электротермический, а величину P определяем по формуле
Характеристики
Тип файла документ
Документы такого типа открываются такими программами, как Microsoft Office Word на компьютерах Windows, Apple Pages на компьютерах Mac, Open Office - бесплатная альтернатива на различных платформах, в том числе Linux. Наиболее простым и современным решением будут Google документы, так как открываются онлайн без скачивания прямо в браузере на любой платформе. Существуют российские качественные аналоги, например от Яндекса.
Будьте внимательны на мобильных устройствах, так как там используются упрощённый функционал даже в официальном приложении от Microsoft, поэтому для просмотра скачивайте PDF-версию. А если нужно редактировать файл, то используйте оригинальный файл.
Файлы такого типа обычно разбиты на страницы, а текст может быть форматированным (жирный, курсив, выбор шрифта, таблицы и т.п.), а также в него можно добавлять изображения. Формат идеально подходит для рефератов, докладов и РПЗ курсовых проектов, которые необходимо распечатать. Кстати перед печатью также сохраняйте файл в PDF, так как принтер может начудить со шрифтами.















