144737 (620713), страница 3
Текст из файла (страница 3)
Требуемая площадь поперечного сечения закладной детали из стали ВСтЗпс (Rs = 225 МПа)
Толщину калиброванной закладной детали принимаем равной = 10 мм, ширину средней части - исходя из требуемой площади поперечного сечения As,
, принимаем b = 82 мм.
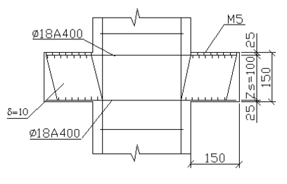
Калиброванная закладная деталь М1 (рис. 7) крепится сваркой к закладной детали ригеля М2, которая в свою очередь должна быть приварена к верхним продольным стержням арматурного каркаса ригеля. Требуемая площадь этих стержней из арматуры класса А400 (Rs = 355 МПа)
По сортаменту принимаем 2 стержня 18А400 (As = 5,09 см2).
Рис.8.Основные размеры и армирование ригеля
Кроме рабочей арматуры предусматривается монтажная: продольная - 10 А240, поперечная класса А240, объединяющая плоские каркасы в пространственные диаметром, равным 0,3 диаметра продольной арматуры, 0,3*22 = 6,6 мм, принимаем 8 мм, шаг 500 мм. Толщину закладных деталей принимаем равной 10 мм.
4. Расчет и конструирование колонны подвала
При выполнении статического расчета вручную в курсовой работе усилия М и N в колонне подвала среднего ряда с некоторыми упрощениями можно определить следующим образом.
В начале находим величину грузовой площади покрытия и каждого из перекрытий, нагрузка с которой передается на колонну
где l - пролеты ригелей, l = 5,7 м;
B - шаг колонн, В = 5,4 м.
Затем определяем расчетные нагрузки.
Нагрузка на колонну от веса перекрытий
где q1 - полная расчетная нагрузка на 1 погонный метр ригеля, q1 =54,44кН/м;
р - временная расчетная нагрузка на 1 м2 перекрытия (см. табл. 1), р = 2,28 кН/м; nпер - число перекрытий в здании, nпер = 3.
Нагрузка на колонну от веса покрытия
где g1 - расчетная нагрузка от веса пола (табл. 1), g1 = 1,54 кН/м;
у, с - объемные массы соответственно утеплителя и стяжки, у = 300 кг/м3; с = 1800 кг/м3;
у, с - толщина соответственно утеплителя и стяжки, у = 15 см, с = 2 см;
qк - нагрузка от веса рулонной кровли, qк = 20 кг/м2;
fy,fc,fк - коэффициенты надежности по нагрузке соответственно утеплителя, стяжки и кровли, которые здесь равны 1,3.
Нагрузка от веса колонны
где bк - предварительный размер поперечного сечения колонны, bк = 0,3м; hпод, hэт - высота соответственно подвала и этажа, hпод = 2,8 м, hэт = 3,3 м; n - число этажей, n =3;
- объемная масса железобетона, = 2500 кг/м3 (25 кН/м3); f - коэффициент надежности по нагрузке f = 1,1.
Постоянная расчетная нагрузка на колонну
Временная расчетная нагрузка на колонну
где S0 - нормативный вес снегового покрова на 1 м поверхности земли, принимаемый по табл. 1.7 [6] в зависимости от района строительства, для II района строительства S0 = 1,2кПа;
- коэффициент зависящий от вида перекрытия, = 1
Постоянная расчетная продольная сила в колонне подвала
Определение изгибающих моментов в колонне можно выполнить из условия, что при полужестких стыках с ригелями максимальный момент в колонне возникает при загружении временной нагрузкой одного из двух ригелей, опирающихся на колонну, причем момент воспринимается только колонной. В этом случае
,
где R - опорная реакция ригеля от временной нагрузки р (табл. 1),
R = 0,5*р*В* l = 0,5*2,28*5,4*5,7 =35,1кН
е1 - эксцентриситет опорной реакции при принятых размерах колонны е1 = 25 см.
Конструктивный расчет колонны выполняем как внецентренно сжатого элемента прямоугольного профиля с симметричной арматурой. Расчетную длину колонны принимаем равной высоте подвала, l0 = 2,8 м. Принимаем класс бетона колоны В35, продольной рабочей арматуры А400.
По таблице 3.4 6 определяем расчетное сопротивление бетона осевому сжатию, Rb = 14,5 МПа, по таблице 3.56 модуль деформации бетона Eb = 27000 МПа.
По таблице 5.85 находим расчетное сопротивление продольной арматуры осевому растяжению, Rs = 355 МПа и осевому сжатию Rsc = 355 МПа, по таблице 3.106 модуль деформации стали Es = 200000 МПа.
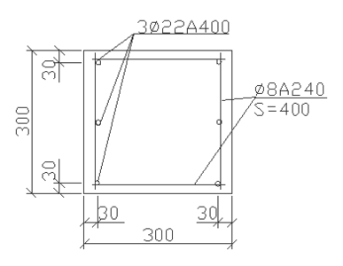
Принимаем размеры поперечного сечения колонны b = h = 30 см.
Рабочая высота сечения h0 = h – a = 30 – 3 = 27 см.
Критическая продольная сила
Случайный эксцентриситет еа принимаем равным наибольшему из трех значений: еа = l0/600 = 280/600 = 0,47 см, еа = h/30 = 30/30 = 1 см и еа = 1 см.
Расстояние от точки приложения силы N до центра тяжести растянутой арматуры
,
начальный эксцентриситет
Определяем значение следующих величин:
ω0 = 0,85-0,008*Rb = 0,85-0,008*14,5 = 0,734
,
, a’ = 3 см,
,
,
При n < r (1.458 < 1.5) площадь поперечного сечения арматуры определяем по формуле
,
Требуемую площадь поперечного сечения арматуры определяем, исходя из минимального процента армирования,
По сортаменту(таблица 3.136) подбираем 3 стержня диаметром 22 мм с площадью сечения As = As’ = 11,4 см2.
Определяем процент армирования
Поперечную арматуру (хомуты) устанавливаем без расчета. В сварных каркасах диаметр хомутов принимают равным 0,3 диаметра продольной арматуры(0,3*22 = 6,6 мм), шаг хомутов - не более 20 диаметров продольных стержней (20*22 = 440 мм), но не более удвоенной ширины колонны (2*300 = 600 мм) и не более 500 мм. Поперечную арматуру выполняем из стали класса А 240 8 мм с шагом 400 мм.
Рис. 9. Армирование колонны
Рис. 10. Стык колонн с ванной сваркой выпусков арматуры
Расчет стыка выполняют для двух стадий его работы:
-
для стадии монтажа проверяют прочность бетона центрирующего выступа на местное смятие при незамоноличенном стыке;
-
для стадии эксплуатации при замоноличенном стыке подбирают параметры косвенного армирования в зоне анкеровки продольной арматуры, где она частично или полностью не включена в работу.
В курсовой работе выполним расчет стыка для стадии эксплуатации с некоторыми упрощениями, основанными на следующих исходных предпосылках:
-
Работа продольной рабочей арматуры в зоне ее анкеровки при расчете прочности не учитывается.
-
На основании предыдущих расчетов устойчивость колонн в полной мере обеспечивается бетоном и продольной арматурой.
-
Изгибающие моменты в колонне не велики, в месте стыка они близки к нулю; их влиянием на неравномерность распределения напряжений по сечению можно пренебречь.
-
Так как l0/h < 20 случайные эксцентриситеты можно не учитывать.
С этих позиций расчет стыка выполняем следующим образом.
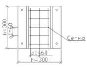
Вначале назначаем шаг сеток косвенного армирования S в пределах 60-150 мм, но не более h/3 = 30/3 = 10 см (рис. 10). Сетки устанавливаем у торца колонны на длине l которая должна быть не менее десяти диаметров продольной арматуры (10*22 = 220 мм) и не менее размера поперечного сечения h = 30 см. Размер ячеек а1 назначаем в пределах 45-100 мм, но не более h/4 = 300/4 = 75 мм. Принимаем S = 100 мм, l = 300 мм, а1 = 60 мм. Сетки выполняем из арматуры класса А400, диаметр определяем расчетом.
Расчетная нагрузка на колонну первого этажа
Требуемое расчетное сопротивление бетона сжатию, усиленного косвенным армированием
где Aef - площадь поперечного сечения колонны, ограниченная
контуром сетки, без учета площади подрезок, Aef = 5*a2 = 5*52 = 125 см2
Необходимый коэффициент косвенного армирования
Требуемая площадь одного стержня сетки
где n и l1- соответственно число стержней одного направления в
сетке и длина стержня.
По сортаменту подбираем диаметр стержней сетки 14 мм, As = 1,539 см2.
Консоли колонны ввиду небольшой высоты устраиваем с жесткой арматурой, состоящей из двух сжатых и двух растянутых стержней класса А400 и вертикальных ребер-пластин, соединяющих эти стержни.
Рис. 11. Конструкция консолей колонны
Их расчет выполняем как изгибаемого элемента с двойной арматурой.
Изгибающий момент в консоли
где Q- опорное давление ригеля, равное максимальной
поперечной силе (см. статический расчет ригеля), Q = 168,6 кН;
С - расстояние от грани колонны до точки приложения силы Q (С =10 см).
Требуемая площадь продольной арматуры
где zs - плечо внутренней пары сил: zs = 10 см.
По сортаменту подбираем 2 стержня 18 мм. На срез от действия поперечной силы консоль рассчитывают без учета работы бетона, как стальную конструкцию. В курсовой работе этот расчет не выполняем и конструктивно принимаем толщину вертикальных ребер = 10мм.
5. Расчет и конструирование фундамента под колонну
Принимаем класс бетона фундамента В15, продольной рабочей арматуры А300.
По таблице 3.4 6 определяем расчетное сопротивление бетона осевому растяжению, Rbt = 0.75 МПа.
По таблице 5.8 5 находим расчетное сопротивление продольной арматуры осевому растяжению, Rs = 270 МПа.
Определение размеров подошвы фундамента
Изгибающий момент, передаваемый колонной на фундамент, относительно мал, его можно не учитывать, фундамент условно считать центрально нагруженным, принять квадратным в плане с требуемым размером подошвы
где N - полная расчетная продольная сила, передаваемая колонной
на фундамент, N = 1216,72 ;
R0 - условное расчетное давление на грунт , R0 = 220 кН;















