144737 (620713), страница 4
Текст из файла (страница 4)
m - средняя объемная масса фундамента и грунта на его
уступах, m = 2 т/м3 = 20 кН/м3;
H1- глубина заложения фундамента от пола подвала, которая
предварительно может быть принята равной 1,0-1,5 м, H1 = 1,5 м.
Размер стороны квадратной подошвы фундамента а принимаем кратной 5 см, а = 3,0 м Фактическая площадь подошвы А = а2 = (3,0)2 = 9,0 м2.
Общую высоту фундамента определяем из условий:
- надежного защемления колонны в фундаменте:
- достаточной анкеровки продольных стержней колонны:
где d - диаметр продольных стержней колонны, d = 22 мм;
- предотвращения продавливания:
,
где аs — величина защитного слоя бетона для фундаментов без
подготовки (аs = 7 см);
Н0- требуемая высота фундамента из условия сопротивления продавливанию
,
где р – фактическое давление на грунт под фундаментом,
р = N/A = 1216,72/9,0 = 171,25 кПа.
Высоту фундамента принимаем по большему из полученных значений, кратной 15 см, H = 1050 см.
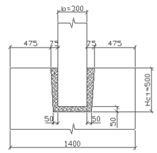
Рис. 12. Стакан фундамента
Затем задаем размеры стакана. Его дно (толщина бетона от низа стакана до подошвы фундамента) должно быть не менее 20 см, толщина неармированной стенки - 20 см, глубина стакана Hст - не менее bk = 30 см и 20d плюс 5 см
Hст= 20*2,2+ 5 = 49 см, принимаем Hст= 50 см. Ширину стакана назначаем из условия, чтобы зазор между его внутренней стенкой и поверхностью колонны был равен 75 мм вверху и 50 мм внизу. Между дном стакана и нижним торцом колонны должна быть подливка из цементного раствора толщиной 50 мм (рис. 12).
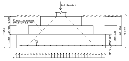
При известных ширине подошвы фундамента, его высоте и ширине стакана число ступеней фундамента и их размеры устанавливаем из условия, чтобы высота каждой из них была равной 30 или 45 см, а соотношение ширины ступени к ее высоте в пределах 1 - 1,5. Можно приближать сопряжение ступеней к граням пирамиды продавливания, которая начинается у основания колонны и проходит до уровня арматурной сетки под углом 45° (рис. 13) N = 1216,72 кН
Рис. 13. К расчету фундамента под колонну
Проверяем прочность на продавливание нижней ступени
,
где Р – расчетная продавливающая сила,
;
А1 – площадь основания пирамиды продавливания,
b’ – средний периметр пирамиды продавливания,
Т. к. условие выполняется, прочность на продавливание нижней ступени обеспечена.
Расчет фундамента на изгиб производим как консольной системы, опирающейся на колонну и загруженной реактивным давлением грунта. Растягивающие напряжения в этой системе воспринимает нижняя арматурная сетка, площадь сечения которой определяем расчетом на прочность нормальных сечений 1-1, 2-2 и 3-3 (рис. 13).
Рис. 14. К расчету фундамента под колонну
Изгибающие моменты в этих сечениях
Требуемое сечение рабочей арматуры
Необходимое армирование подбираем по большему значению Аs. Принимаем шаг стержней сетки S = 150 мм, по сортаменту (таблица 3.13 6) подбираем диаметр стержней 14 мм.
6. Расчет армокирпичного столба
В курсовой работе армокирпичный столб проектируем, как вариант колонны и рассчитываем в условном предположении его центрального сжатия, когда нагрузка с перекрытия передается через железобетонную подушку с центрирующей прокладкой. Сопряжения столба с перекрытием и фундаментом считаются шарнирными.
Для столба используем следующие материалы: силикатный кирпич марки M150, цементный раствор марки М100 и арматурную проволоку класса В500.
Вначале определяем размеры поперечного (квадратного) сечения столба
где N - расчетная продольная сила (из расчета колонны), N = 1216,72 кН; Rsk - предварительное расчетное сопротивление сжатию армированной кладки, Rsk = 1.5*R;
R — расчетное сопротивление сжатию неармированной кладки, которое в зависимости от марки кирпича и раствора принимаем по табл. 27, R = 2,2 МПа.
Rsk = 1,5*2,2 = 3,3 МПа.
Размер поперечного сечения столба h принимаем кратным размерам кирпича: h = 77 см и определяем площадь
Определяем гибкость
где l0 - расчетная длина столба, равная высоте подвала за вычетом толщины перекрытия, l0 = 2,8 - 0.22 = 2,58 м
Коэффициент продольного изгиба в зависимости от гибкости столба из силикатного кирпича определяем по табл. 3 7, = 1.
Требуемое расчетное сопротивление армированной кладки
Необходимый процент армирования кладки
где Rs - расчетное сопротивление растяжению арматуры класса
В500 (Rs = 415 МПа).
Принимаем , исходя из минимального процента армирования = 0,1% Назначаем диаметр стержней сетки 3 мм и шаг сеток по высоте S через 2 ряда ( 20 см). По сортаменту (таблица 3.13 6 ) определяем площадь одного стержня Asl = 0,071 см2. Требуемый размер квадратных ячеек сетки
Значение С принимаем 8 см.
Библиографический список
-
Боровских А. В. Расчеты железобетонных конструкций по предельным состояниям и предельному равновесию: Учеб. Пособие – М.: ИАСВ, 2002. – 320 с.
-
Железобетонные и каменные конструкции: Учеб. для строит. спец. ВУЗов/В. М. Бондаренко, Р.О. Бакиров, В.Г. Назаренко, В.И. Римшин; Под редакцией В.М. Бондаренко. – 2-е изд., перераб. и доп. – М.: Высш. шк., 2002. – 876 с.: ил.
-
Проектирование каменных и армокаменных конструкций. Учебное пособие / А.И. Бедов, Т.А. Щепетьева – М.:АСВ, 2002. – 240с.
-
Свод правил по проектированию и строительству. СП 52 – 101 – 2003. Бетонные и железобетонные конструкции без предварительного напряжения арматуры.
-
Свод правил по проектированию и строительству. СП 52 – 102 – 2003. Предварительно напряженные железобетонные конструкции.
-
Фролов А.К., Бедов А.И., Шпанова В.Н., Родина А.Ю., Фролова Т.В. Проектирование железобетонных, каменных и армокаменных конструкций. Учебное пособие: - М.: Издательство АСВ, 2002. – 170 стр.
7. Проектирование железобетонных конструкций многоэтажного здания: Методические указания к выполнению курсового проекта по дисциплине «Железобетонные и каменные конструкции» для студентов специальности 290500 – Городское строительство и хозяйство. – Белгород: Изд-во БелГТАСМ, 2002. – 46 с.
8. СНиП 2.03.01-84 – «Бетонные и железобетонные конструкции». – М.:ГЦ
ЦПП, 1985. – 79 с.
9. СНиП 2.01.07-85.\ - «Нагрузки и воздействия. Нормы проектирования».. –
М.: ГП ЦПП, 1986. – 36 с.















