144737 (620713), страница 2
Текст из файла (страница 2)
где l- длина стержня (плиты), l = 5.46 м.
Принимаем sp = 520 МПа.
Арматура плиты - стержневая, ее натяжение предусматривается на упоры, бетон - тяжелый, подвергнутый тепловой обработке в камерах. В этом случае будут следующие потери предварительного напряжения.
- от релаксации напряжений в арматуре
- от быстронатекающей ползучести:
при
,где Rbp – передаточная прочность бетона, которую принимаем из условия
- коэффициент, принимаемый = 0,25 + 0,025 Rbp, но не более 0,8
bp - напряжения в бетоне от усилия предварительного обжатия на уровне центра тяжести арматуры
,
,
следовательно,
- от усадки бетона 8 = 35 МПа;
-от ползучести бетона
, при
,
где 1= 0,85 - коэффициент, принимаемый для бетона, подвергнутого тепловой обработке.
Полные потери
.
2.3.5 Расчет по образованию нормальных трещин
Категория трещиностойкости плиты - третья. В ней при действии полной нормативной нагрузки допускается образование и ограниченное по ширине раскрытие трещин.
При статическом расчете плиты (п. 2. 2) установлены значения нормативных нагрузок: постоянных - gn = 6,054 кН/м2 и временных – pn = 2,0 кН/м2.
Погонные нагрузки на плиту:
;
, где bn - номинальная ширина плиты, bn=1,1 м.
Изгибающие моменты в плите от нормативных нагрузок:
от постоянной
от временной
от полной
Усилие предварительного обжатия с учетом всех потерь
Расстояние от центра тяжести сечения до верхней ядровой точки
Упругопластический момент сопротивления сечения относительно растянутой грани
Изгибающий момент, воспринимаемый сечением при образовании трещин,
где Rbt,ser - расчетное сопротивление бетона растяжению для второй группы предельных состояний, определяемое по таблице 3.36, Rbt,ser=1.4МПа.
M < Mcrc
51,59 > 33,26кН*м,
следовательно, трещины не образуются.
2.3.6 Определение прогибов плиты
Предельные прогибы плит перекрытий при l0 < 5,7, flim = l0/200 = 5360/200 = 26,8 мм.
При отсутствии трещин в растянутой зоне кривизна плиты от действия постоянных нагрузок:
Кривизна, обусловленная выгибом от кратковременного действия усилия предварительного обжатия:
кривизна, обусловленная выгибом вследствие усадки и ползучести бетона от усилия предварительного обжатия:
,
;
;
,
Полная кривизна плиты
Определяем прогиб плиты
-следовательно, необходимо уменьшить величину преднапряжения.
2.4 Конструирование плиты
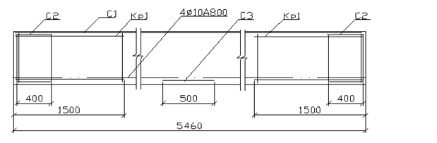
Геометрические параметры запроектированной плиты см. рис. 3. В качестве продольной рабочей арматуры устанавливаем 4 стержня 10 мм из арматуры класса А800(см. п.2.3.1). Поперечную арматуру устанавливаем по конструктивных требованиям, 4 каркаса 3 В-500 с шагом S = 100 мм.
Для предотвращения образования трещин на верхней поверхности плиты от усилия предварительного обжатия на концевых участках каркасов в зоне действия максимальных поперечных сил устанавливаем дополнительные стержни 10 мм класса А400 на длине 400 мм.
По всей верхней поверхности плиты конструктивно укладывается горизонтальная арматурная сетка для «распределения» местных нагрузок, а также восприятия напряжений от усадки бетона, усилий при изготовлении, транспортировке и монтаже, предварительного обжатия, случайных механических воздействий и др. Площадь ее поперечного сечения назначаем, исходя из минимального процента армирования, равного 0,05%.
Шаг продольных и поперечных стержней в сетке принимаем равным 200 мм. Тогда количество продольных стержней,
стержней.
Требуемая площадь поперечного сечения арматуры
По сортаменту (таблица 3.136) подбираем 3 мм.
У концов плиты ниже напрягаемой арматуры устанавливаем горизонтальные корытообразные сетки для предотвращения трещин вдоль напрягаемых стержней в зоне анкеровки и их продергивания. Длина каждой сетки 400 мм, диаметр стержней сеток - 4 мм, шаг - 100 мм, защитный слой - 10 мм.
У нижней грани плиты в середине пролета предусматривается такая же, но плоская горизонтальная распределительная сетка длиной 500 мм и с шагом стержней 200 мм.
В плите предусматриваем установку четырех монтажных петель, заглубленных в бетон. Петли устанавливаем над пустотами. Для возможности строповки в пустотах у петель предусматриваем отверстия. Диаметр петель принимаем 12 мм из арматуры класса А240.
Для обеспечения сопротивления смятию плиты на опорах от вертикальной нагрузки вышележащих стен и опорного давления, предотвращения распространения огня при пожаре, а также ликвидации «мостика холода» у наружных стен концевые участки пустот на длине 15 см заделываем с одного конца бетонными пробками, с другого - предусматриваем сужение пустот.
Рис.6.Армирование многопустотной плиты
3. Расчет и конструирование ригеля перекрытия
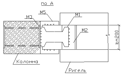
В курсовой работе необходимо запроектировать ригель с полужесткими стыками на опорах. Такие ригели наиболее широко применяются в каркасных зданиях. Особенностями полужестких стыков, определяющими их расчет, являются постоянные изгибающие моменты на опорах ригеля. В ригелях каркасов по серии 1.020-1 для жилых и общественных зданий величина опорного момента всегда равна 55 кН*м. Это обеспечивается за счет использования во всех стыках одинаковых калиброванных закладных деталей - «рыбок» (рис. 7).
Рис.7.Конструкция стыка ригеля с колонной
«Рыбки» (M1) приваривают к закладным деталям колонн и ригелей. Для возможности последующего обетонирования в целях защиты стальных деталей от коррозии в верхней части ригелей устраивают углубления.
Для опирания ригелей консоли на колоннах выполняют скрытыми в подрезках ригелей, что обусловлено эстетическими требованиями. Подрезки у опор ригелей снижают высоту их поперечного сечения, а следовательно, и прочность наклонных сечений в зонах действия максимальных поперечных сил.
Для обеспечения достаточной прочности наклонных сечений ригелей в местах подрезок часть нижней продольной арматуры отгибают под углом 45° и анкеруют сварным соединением с опорной закладной деталью.
Расчет ригеля начинаем с определения нагрузки на погонный метр
где q - полная расчетная нагрузка на 1 м2 плиты (п. 2.2), q = 9,04 кН/м;
В - шаг ригелей (колонн), B = 5.7 м;
А - площадь поперечного сечения ригеля, A = 0.156 м2 (рис. 1);
- объемный вес железобетона, =2500 кг/м3 (=25 кН/м3);
f - коэффициент надежности по нагрузке, f = 1.1.
Расчетный пролет ригеля
где l - пролет ригеля, l = 5,7 м;
bk - ширина сечения колонны, принимаем bk = 30 см. Максимальные расчетные усилия в ригеле:
в пролете
;
на опорах
Затем выполняем конструктивные расчеты.
Принимаем класс бетона по прочности на сжатие В25, класс арматуры: продольной рабочей и отгибов - А400, поперечной - А240.
Подберем продольную арматуру.
По таблице 3.4 6 определяем расчетное сопротивление бетона осевому сжатию, Rb = 14,55 МПа. По таблице 5.85 находим расчетное сопротивление продольной арматуры осевому растяжению, Rs = 375 МПа, по таблице 3.106 модуль деформации стали Es = 20 МПа.
Находим рабочую высоту сечения
, где a – защитный слой бетона, а = 3 см
Определяем
По таблице 3.11 6 определяем = 0,28, = 0,86
Определяем ω0 = 0,85-0,008*Rb = 0,85-0,008*14,5 = 0,734
Вычисляем граничную относительную высоту сжатой зоны бетона
Проверяем условие ≤R,
0,28 1,32, т.к. условие выполняется, то сжатая арматура по расчету не требуется.
Вычисляем требуемую площадь продольной рабочей арматуры
Подбираем по сортаменту (таблица 3.13 6) 4 стержня диаметром 18 мм из арматуры класса А400, Аs= 10,18см2.
Проверяем процент армирования
Подберем поперечную арматуру.
При расчете прочности наклонных сечений учитываем, что часть поперечной силы воспринимается отгибами
где Ainc – площадь поперечного сечения отгибов,
Rs - расчетное сопротивление отгибов Rs = 355 МПа;
- угол наклона отгибов ( = 45°), sin = 0,707.
Поперечная сила, которая должна быть воспринята бетоном сжатой зоны и поперечной арматурой (хомутами):
Конструктивно устанавливаем 2 каркаса 6А240. Шаг поперечных стержней назначаем, исходя из конструктивных требований: S 0.5*h1 и S 300 мм, S = 0.5*300 =150 мм. Окончательно принимаем S = 150 мм.
Расчет калиброванной закладной детали («рыбки») выполняем из условия, что она должна обеспечить восприятие изгибающего момента на опоре ригеля
М = 55 кН*м. При плече внутренней пары сил h1 = 0.30 м (рис. 7) усилие, воспринимаемое закладной деталью















