150210 (598859), страница 5
Текст из файла (страница 5)
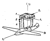
Угол поворота гироскопа b вокруг оси ВВ1 является пропорциональным величине угловой скорости вынужденного поворота прибора, так как кинетический момент JΩ и коэффициент k в каждом приборе остаются величинами постоянными. Следовательно, по величине угла с помощью данного прибора можно измерять угловую скорость. Именно поэтому он получил название гироскопического тахометра. Так как гироскоп прибора имеет только две степени свободы, вокруг осей АА1 и ВВ1 его называют еще гиротахометром с двумя степенями свободы.
Соединяя гироскоп тахометра со стрелкой (рис.18) и снабжая корпус прибора шкалой с нанесенной на ней в соответствующем масштабе сеткой делений, получают возможность произвести непосредственную оценку величины угловой скорости φ. Для успокоения колебаний стрелки гироскопического тахометра последний снабжают специальным успокоителем. В качестве такого успокоителя широкое распространение получил пневматический демпфер, представляющий собой жестко укрепленный на корпусе прибора цилиндр Ц, внутри которого помещен поршень П, соединенный
рычагом с гироскопом. При колебаниях гироскопа, а следовательно и стрелки прибора, около оси ВВ, поршень будет перемещаться внутри цилиндра. Этому оказывает сопротивление воздух, сжимаемый в цилиндре и не успевающий выходить через отверстие L. Указанное сопротивление будет тем больше, чем с большей скоростью происходит перемещение поршня П внутри цилиндра Ц.
Устанавливая описанный гироскопический тахометр на самолете, получают возможность измерять угловые скорости его поворота около одной из собственных осей (рис.14).
Рис.18. Схема передачи поворота гиротахометра на шкалу прибора
Рис. 19. Схема установки гиротахометра на самолете
Большей частью гироскопические тахометры используются на самолете для фиксирования его поворотов вокруг вертикальной оси. В этом случае тахометр монтируется таким образом, чтобы ось BB1 его подвеса была совмещена с продольной осью Осхс самолета (рис. 19).
До тех пор пока самолет летит строго по заданному направлению, гироскоп гиротахометра вращается только вокруг своей главной оси
Гироскопические тахометры могут быть использованы для измерения угловых скоростей поворота самолета не только относительно его вертикальной оси, но и относительно его продольной и поперечной осей (рис.14). Для этого необходимо так установить гироскопический тахометр, чтобы его ось ОСх была совмещена при нулевом положении гироскопа (рис.18) с соответствующей осью Осус или Осл: с самолета.
7.3. Гироскопический указатель поворотов
Из рассмотренного выше можно сделать заключение о том, что для выдерживания полета самолета в заданном направлении не обязательно определять величину угловой скорости его поворота вокруг оси Oczc. Важно лишь получить указание о возникновении этой скорости и ее направлении. Вот почему в авиации гироскопическим тахометром часто пользуются не для количественного измерения угловых скоростей поворота самолета, а лишь для получения качественной информации о факте ее возникновения.
Рис. 20. Схема указателя поворотов
Конструкция гироскопического прибора в этом случае остается принципиально такой же, как и описанная выше. Однако прибор не имеет шкалы с делениями, которая заменена здесь диском с тремя марками (рис. 20); одной центральной, не имеющей обозначений, и двумя крайними: правой П и левой Л.
Одновременно прибор снабжен маятниковым креномером, выполненным в виде изогнутой по некоторому радиусу стеклянной трубки Т, внутри которой свободно перемещается шарик d.
Пользуясь гироскопическим указателем поворотов, летчики контролируют правильность выполнения виражей при разворотах самолета вокруг вертикали.
Учитывая, что при правильном вираже шарик, как и обычный маятник, должен устанавливаться по направлению равнодействующей двух сил: силы тяжести и центробежной силы инерции, - летчик, совершая разворот, может следить не только за положением стрелки гиротахометра, но и за положением шарика креномера. Вот почему указатель поворотов и завоевал одно из основных мест среди авиационных навигационных приборов.
Чтобы читатель мог составить себе представление о конструктивном выполнении авиационных гироскопических указателей поворотов, на рис.21 показана одна из современных моделей прибора с питанием от постоянного электрического тока напряжением 27 в.
7.4. Авиационный гироскоп направления
Несмотря на то, что гироскопический указатель поворотов позволяет выдерживать прямолинейный полет и совершать правильные развороты самолета, пользование одним этим прибором при выполнении слепого полета крайне затруднительно.
В самом деле, представим себе, что самолету было задано направление полета АВ (рис.21), по которому и совершалось его перемещение, начиная от пункта А. В силу тех или иных возмущений самолет в точке С начал отклоняться от заданного курса АВ, поворачиваясь вокруг вертикальной оси в направлении против часовой стрелки.
Рис.21. Общий вид авиационного указателя поворотов при снятой крышке
При наличии на самолете гироскопического указателя поворотов описываемый поворот будет сразу же зафиксирован прибором, стрелка которого отклонится от нулевой черты на шкале указателя. Однако летчик в момент нахождения самолета в точке С мог быть занят наблюдением показаний какого-либо другого контрольного прибора, число которых на приборной доске современного самолета достаточно велико. Может случиться так, что летчик обратит внимание на шкалу гироскопического указателя поворотов лишь только в точке D, когда самолет уже отклонится от заданного курса на некоторый угол Δα.
Как только пилот заметит по указателю поворотов вращение самолета, он сразу же прекратит это вращение и вновь будет выдерживать самолет в прямолинейном полете. Но теперь это движение уже не совпадет с заданным курсом А В, а произойдет в некотором новом направлении DE, составляющем с заданным курсом АВ угол Δα. По шкале указателя поворотов летчик не сможет определить величину угла Δα и, следовательно, не сможет устранить накопившуюся ошибку.
Вот почему выдерживание прямолинейного полета самолета по показаниям лишь одного гироскопического указателя поворотов требует непрерывного наблюдения за его стрелкой, что утомляет пилота. Для осуществления слепого полета необходимо иметь еще один прибор, который позволял бы летчику оценивать направление полета самолета по отношению к заданному курсу не в результате непрерывного наблюдения за показаниями прибора, а лишь по кратковременным взглядам на шкалу последнего. Именно таким прибором и является авиационный гироскоп направления.
Рис.22. Схема, объясняющая необходимость наличия на самолете гироскопа направления
Сущность устройства гироскопа направления может быть пояснена схемой (рис.23). Представим себе гироскоп с тремя степенями свободы, корпус которого жестко укреплен на самолете так, что его наружная ось СС1 подвеса перпендикулярна плоскости xcOQyc крыльев. В процессе горизонтального полета самолета наружная ось СС1 подвеса такого гироскопа будет совмещена с вертикалью 22. Если ротору гироскопа сообщить теперь вращение вокруг главной оси AA1 с достаточно большой угловой скоростью, то гироскоп, как известно, будет сохранять свою главную ось ААХ неподвижной в пространстве. Поэтому направление полета самолета можно оценивать величиной угла ак, называемого обычно углом компасного курса, образуемого продольной осью 0с; ес самолета с плоскостью АОС гироскопа.
Для удобства замера угла ак наружное кольцо НК гироскопа снабжают диском D с нанесенной на нем шкалой, разделенной по окружности на 360°, - а корпус прибора индексом L, остающимся неподвижным относительно самолета.
Нулевую черту, соединяющую деления 0 и 180° шкалы диска или так называемой картушки D, совмещают с плоскостью АОС гироскопа, в которой всегда находится его главная ось АА1. Поэтому в тех случаях, когда величина угла φ отклонения главной оси АА1 гироскопа от плоскости NOZ меридиана известна, посредством гироскопа может быть измерен и истинный курсовой угол а полета самолета, равный сумме двух углов.
Рис.23. Принципиальная схема гироскопа направления
Однако пользоваться подобным способом измерения истинного курсового угла α в течение более или менее продолжительного времени практически невозможно.
Свободный гироскоп, сохраняя свою главную ось неподвижной в пространстве, непрерывно отклоняется как от плоскости горизонта, так и от плоскости меридиана.
Это движение имеет место и в рассматриваемом случае, в результате чего главная ось АА1 будет непрерывно изменять свое положение по отношению к плоскости NOZ меридиана, вызывая тем самым и непрерывное изменение угла φ. Именно эта причина усложняет использование гироскопа с тремя степенями свободы для измерения истинного курсового угла а полета самолета.
Чтобы вызвать прецессионное движение гироскопа вокруг вертикали ZZ, (рис.80), необходимо создать внешний момент М, действующий на гироскоп относительно его внутренней оси подвеса ВВХ.
В большинстве своем авиационные гироскопы направления снабжаются еще так называемой задающей шкалой, пользуясь которой пилот устанавливает для памяти необходимый курсовой угол полета. Эта вторая задающая шкала ничем не связана с гироскопом. Она соединена лишь с корпусом прибора, относительно которого ее положение может устанавливаться произвольно поворотом одной из рукояток, размещенных на лицевой стороне прибора. В некоторых моделях авиационные гироскопы направления снабжаются дополнительно и маятниковым креномером, ясно видным на рис.25.
















