150910 (594612), страница 6
Текст из файла (страница 6)
Расчёт электрических осветительных сетей включает и определение сечений проводов и кабелей, при которых рабочий ток не создает перегрева проводов, обеспечивается требуемые уровни напряжения у ламп и достаточная механическая прочность.
Питание осветительной сети осуществляется от трансформатора 10/0,4 кВ с соединением обмоток «звезда – звезда с заземленной нейтралью». Осветительный щит получает питание от силового распределительного щита.
Разбиваем все светильники на три группы.
В стойловом помещении необходима дежурная группа освещения. Для этого разместим светильники дежурного освещения по двум проходам 10 % от общего числа светильников.
Разместим в эту первую группу все светильники остальных помещений, включая наружное освещение. Выполним группу 4-х проводной, так как её длина более 100 м.
Выделим отдельную вторую группу для рабочего освещения основного помещения, магистральную линию которой выполним также 4-х проводной.
В третью группу поместим светильники дополнительного рабочего освещения, включаемые при дойке коров.
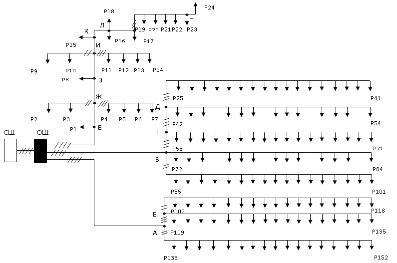
Компоновка осветительной сети представлена на рисунке 2.1.
Силовой и осветительный щит располагаем в сухом помещении и соединяем между собой четырехжильным кабелем АНРГ.
Остальную осветительную сеть проводим проводом АПВ.
В стойловом помещении провода прокладываем на тросах проводом АВТВ.
Рисунок 2.1 Расчётная схема осветительной сети
Д
Рисунок 2.1 Расчётная схема осветительной сети
ля остальных помещений провода прокладываем по несгораемым конструкциям, кроме помещений с агрессивной химической средой, в которых электропроводку необходимо прокладывать в трубах.Сечения проводов и кабелей выбирают исходя из механической прочности, тока нагрузки и потери напряжения.
В процессе монтажа и эксплуатации электрические провода и кабели испытывают механические нагрузки, которые могут привести к обрыву токоведущих жил.
Для исключения механического повреждения, ПУЭ ограничивает минимальное сечение проводов в зависимости от способов прокладки и материала, токоведущих жил.
Расчёт сечения проводов осветительной сети производим с целью минимизации расхода проводникового материала
(2.26)
где
- сумма моментов рассчитываемого и всех последующих участков с тем же числом проводов, что и у рассчитываемого, кВт∙м;
- сумма моментов ответвлений с другим числом проводов, чем у рассчитываемого участка, кВт∙м;
- коэффициент приведения моментов, зависящий от числа проводов расчётного участка и в ответвлениях, [8, табл.6];
- допустимая потеря напряжения, %;
С - коэффициент, зависящий от напряжения сети, материала токоведущей жилы, числа проводов в группе, [8, табл.5]. Данные, полученные в результате расчётов параметров осветительной сети, заносим в таблицу 2.4.
Таблица 2.4 – Результаты выбора сечения проводов
| Номер участка | М, кВт∙м | S, мм2 | SГОСТ, мм2 | ∆U, % |
| СО | 44,85 | 9,83 | 10 | 0,102 |
| 1 ГРУППА ОЕ | 0,56 | 2,11 | 2,5 | 0,42 |
| ЕЖ | 13,9 | 1,23 | 2,5 | 0,166 |
| ЖЗ | 5,25 | 0,98 | 2,5 | 0,22 |
| ЗИ | 12,1 | 2,44 | 2,5 | 0,169 |
| ИК | 5,05 | 1,99 | 2,5 | 0,477 |
| КЛ | 28,6 | 1,15 | 2,5 | 1,12 |
| ЛМ | 8,9 | 2,1 | 2,5 | 0,144 |
| МН | 4,68 | 1,67 | 2,5 | 0,31 |
| 2 ГРУППА ОВ | 84,7 | 5,45 | 6 | 0,32 |
| ВГ | 23,5 | 5,6 | 6 | 0,2 |
| ГД | 15 | 3,57 | 4 | 0,19 |
| ДР41 | 61,88 | 1,87 | 2,5 | 1,26 |
| ВР84 | 40,6 | 2,15 | 2,5 | 0,54 |
| ВР101 | 61,88 | 2,36 | 2,5 | 0,39 |
| ГР71 | 55,1 | 1,51 | 2,5 | 1,13 |
| ДР54 | 40,6 | 1,23 | 2,5 | 0,83 |
| 3 ГРУППА ОА | 51 | 3,41 | 4 | 0,312 |
| АБ | 17 | 3,09 | 4 | 0,124 |
| БР118 | 61,88 | 2,84 | 4 | 0,187 |
| БР135 | 55,1 | 2,51 | 4 | 0,52 |
| АР152 | 61,88 | 3,02 | 4 | 0,875 |
По допустимому нагреву проверяем все участки электрической сети на выполнение условия
(2.32)
где IДОП - длительно допустимый ток нагрева для данного способа прокладки, числа жил и сечения провода, А.
Рабочий ток между силовым и осветительным щитом
Допустимый ток кабеля АНРГ равен 38 А [8, прил.1.19]. Следовательно, сечение выбрано правильно, так как условие (2.32) соблюдается.
Аналогично определяем токи других групп и сводим в таблицу 2.5.
Таблица 2.5 - Проверка сечения проводов по допустимому нагреву
| Участок | Р, кВт | Марка провода | IР, А | IДОП, А |
| СО | 15,95 | АНРГ | 24,16 | 38 |
| ГРУППА 1 | 2,15 | АПВ | 3,25 | 24 |
| ГРУППА 2 | 7,7 | АВТВ | 11,66 | 28 |
| ГРУППА 3 | 5,1 | АВТВ | 7,73 | 23 |
2.4.3 Выбор защитной аппаратуры
Согласно ПУЭ все осветительные сети подлежат защите от токов короткого замыкания. Осветительные сети защищают воздушными автоматическими выключателями или предохранителями. Для защиты от токов короткого замыкания выбираем воздушные автоматические выключатели.
Таблица 2.6 – Результаты выбора автоматических выключателей
| Участок | IР, А | Тип | IУСТ, А | IН.АВТ, А |
| Группа 1 | 3,25 | АЕ 2046 | 10 | 16 |
| Группа 2 | 11,66 | АЕ 2046 | 20 | 25 |
| Группа 3 | 7,73 | АЕ 2046 | 12,5 | 20 |
В качестве осветительного щита выбираем щит ЩО 41-51-02.
3 Расчет электрических сетей
3.1 Расчет электрических нагрузок
Мощности электроприёмников определяем с учетом коэффициента загрузки кз по формуле:
Рр = кз* Рн (3.1)
где Рн – номинальная мощность электроприёмника, кВт.
Для определения расчётной мощности молочного блока строится график нагрузок – табл. 2.7. Поскольку максимум нагрузки длится 30 минут, за расчётную мощность принимается мощность максимума нагрузки
Ррасч = Рмакс = 133,1 кВт.
Коэффициент мощности определяется по [7] исходя из соотношения Рт / Р. Здесь Рт - суммарная мощность электронагревательных установок.
Рт /Р = 0,76; cos = 0,96
Полная мощность электроустановок коровника на 200 голов
Sп.к = Ррасч /cos= 133,1 / 0,96 = 138,6 кВА.(3.2)
Реактивная мощность
Q = Pptg = 133,1 0,29 = 38,6 квар.(3.3)
Поскольку, коэффициент мощности превышает нормируемое значение (0,92- 0,95) компенсация реактивной мощности не предусматривается.
Определение суммарных электрических нагрузок линий 0,38 кВ производится с наиболее удаленного от ТП участка. Если нагрузки потребителей отличаются менее чем в 4 раза, расчет производится по формуле:
(3.4)
где к0 – коэффициент одновременности.
В других случаях суммирование нагрузок производится путем надбавок к большей слагаемой нагрузке:
, (3.5)
где Р(д,в)макс – наибольшая из активных нагрузок на вводе потребителя;
Р(д,в) – надбавки [6].
Средневзвешенные коэффициенты мощности и реактивной мощности расчетного участка для дневного и вечернего максимумов нагрузки, определяются из выражений:
(3.6)
















