150910 (594612), страница 9
Текст из файла (страница 9)
4.3 Автоматизация вентиляционных установок
В соответствии с расчетами тепловых нагрузок и микроклимата в коровниках, выполненных в разделе 2, для вентиляции помещений коровников приняты вентиляторы ВЦ-70ю
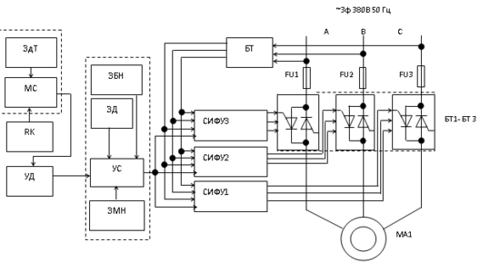
Для управления вентиляционной установкой применяем серийное устройство - станцию управления МК-ВАУЗ на основе тиристорного регулятора напряжения. Принципиальная электрическая схема автоматического управления вентилятором приведена на рисунке 4.2.
Рисунок 4.2. Функциональная схема включения станции МК-ВАУЗ для автоматического управления вентиляционной установкой ВЦ-70
В автоматическом режиме схема работает следующим образом. Сигнал датчика RK, измеряющего температуру в помещении, поступает на мост сравнения МС, в одном из плеч которого включен резистор, выполняющий функцию задатчика температуры ЗдТ.
Далее преобразованный сигнал через усилитель-демодулятор УД подаётся в узел сравнения УС, в котором имеются задатчики базового напряжения ЗБН, дифференциала ЗД, которым задают допустимое снижение температуры, и задатчик ЗМН, устанавливающий минимальное напряжение питания двигателя МА1.
Затем сигнал поступает на системы импульсно-фазового управления СИФУ1- СИФУ3, которые, изменяя углы отпирания тиристоров блоков БТ1- БТ3, плавно изменяют величину напряжения на обмотках статора МА1.
Плавное изменение напряжения на статорных обмотках электродвигателя позволяет обеспечить плавное изменение скорости вращения вентилятора.
5 Эксплуатации электрооборудования
5.1 Планирование годовой потребности в электроэнергии
Для определения потребности хозяйства в электроэнергии применяют три метода.
Метод 1. Планирование по потребности от достигнутого уровня. По расходу в предыдущем году с учетом изменений в планируемом году с учетом списания или установки электрооборудования, потребности жилищно-коммунального хозяйства предприятия АПК.
Метод 2. Плановую потребность в электроэнергии рассчитывают, ориентируясь на показатели хозяйства за последние 3—5 лет при отсутствии значительных колебаний в динамике по следующей формуле:
QП=Qi-1t,
где QП, Qi-1 – планируемый и фактический расход электроэнергии в предшествующем году, кВт ч;
t - среднегодовой темп роста потребности в электроэнергии
,
где Qб - фактический расход электроэнергии в базовом году, кВт ч;
n – разница в годах.
В учхозе «Кокино» расход электроэнергии в 2004 и 2006 годах составил соответственно 667 и 568 тыс. кВт·ч. Тогда среднегодовой темп роста потребления покупной электроэнергии при n = 2006-2004 = 2
;
Qn = 568×0,92 = 522,56 тыс. кВт∙ч
Метод 3. Нормативный метод предполагает расчет по известному перечню потребителей и удельным нормам расхода электроэнергии. Норма расхода электроэнергии — это плановый показатель, характеризующий расход электроэнергии на единицу продукции, разрабатываемый на основе достижений научно-технического прогресса и обеспечивающий требуемое качество производимой продукции.
Расчетная потребность электроэнергии в учхозе «Кокино» за год указана в таблице 51.
Таблица 5.1 – Определение годовой потребности в электроэнергии
| Отрасли и производственные объекты | Размер | Норма расхода электроэнергии | Годовая потребность в электроэнергии, тыс.кВт∙ч |
| 1 Растениеводство | |||
| 1.1 КЗС, т | 29500 | 0,44 | 12,98 |
| 1.2 Кормоцех, т | 4075 | 4,408 | 17,965 |
| Итого | - | - | 30,9445 |
| 2 Животноводство | |||
| 2.1 Скуратовская МТФ, гол | 400 | 0,066 | 232,8 |
| 2.2 Паниковецкая МТФ, гол | 200 | 0,066 | 116,4 |
| 2.3 Свинарник, гол | 40 | 0,012 | 4,36 |
| 2.4 Конеферма, гол | 35 | 0,012 | 3,815 |
| Итого | - | - | 357,375 |
| 3 Обслуживающие подразделения | |||
| 3.1 Картофелехранилище, м2 | 120 | 1,2 | 0,144 |
| 3.2 Контора, м2 | 60 | 12,8 | 0,768 |
| 3.3 Ремонтная мастерская, усл. рем | 950 | 100 | 95 |
| 3.4 Гаражи, м2 | 240 | 36 | 8,64 |
| Итого | 104,552 | ||
| Всего | 492,872 | ||
Для построения годового плана-графика потребления электроэнергии необходим помесячный расход электроэнергии по подразделениям, который представлен в таблице 5.2.
5.2 Расчет трудоемкости эксплуатации электрооборудования
Объем работ по обслуживанию электрохозяйства измеряют в условных единицах эксплуатации (УЕЭ), 1 УЕЭ соответствует 18,6 чел∙ч. Трудоемкость эксплуатации электрооборудования определяется по нормам трудозатрат на ТО и ТР оборудования.
Для определения трудоемкости ТО и ТР электрооборудования объектов электрохозяйства предприятия на практике следует провести комплекс подготовительных работ:
полную инвентаризацию электроустановок хозяйства с привлечением «Карт учета электрооборудования»;
проверку соответствия исполнения эксплуатируемого электрооборудования условиям окружающей среды и режима работы;
проверку и настройку защиты электрооборудования от аварийных режимов в соответствии с рекомендациями и указаниями;
обучение и инструктаж персонала (операторов), обслуживающего технологическое оборудование;
составление графиков выполнения профилактических мероприятий, предусмотренных системой ППРЭсх;
планирование состава материально-технической (ремонтно-эксплуатационной) базы, обеспечивающей выполнение предусмотренных графиками профилактических мероприятий и работ по ликвидации возможных сбоев и ремонта электрооборудования.
В суммарной трудоемкости обслуживания электрохозяйства учитываются работы по монтажу и капитальному ремонту электрооборудования и сетей, выполняемые силами персонала электротехнической службы, а также мелкомонтажные работы.
Расчетные данные об электрооборудовании учхоза «Кокино» приведены в таблице 5.3.
Таблица 5.3 – Расчет объема ТО и ТР электрохозяйства учхоза
| Оборудование, сооружения и сети | Тип | Единица измерения | Величина | Количество УЕЭ | |
| На единицу | Всего | ||||
| Воздушные ЛЭП | 0,4 кВ | км | 30 | 4,2 | 126 |
| Подстанция 10/0,4 кВ | КТП | шт. | 6 | 3,08 | 18,5 |
| Электростанция резервная | ДЭН-37 | шт. | 1 | 14 | 14 |
| Асинхронный ЭП 1,1-10 кВт | 4А | шт. | 33 | 0,61 | 20,6 |
| Электроводонагреватели | УАП | шт. | 3 | 3,22 | 9,7 |
| Электрокалорифер 40 кВт | СФОЦ | шт. | 1 | 3,16 | 3,2 |
| Светильники | ПГ-60 | шт. | 90 | 1,4 | 126 |
| Светильники | ПГ-60 | шт. | 126 | 0,91 | 114,7 |
| Освещение | ПГ-60 | шт. | 20 | 0,65 | 13 |
| Молочно-товарная ферма | |||||
| Светильники | НСПО-2 | шт. | 60 | 0,91 | 54,6 |
| Асинхронный ЭП 1,1-10 кВт | 4А | шт. | 4 | 0,94 | 3,76 |
| Электрокалорифер 40 кВт | СФОЦ | шт. | 2 | 3,16 | 6,32 |
| Итого трудоемкость ТО электрохозяйства, QЭХ | 510 | ||||
| Трудоемкость работ по ремонту нового электрооборудования, QРН | 31,8 | ||||
| Трудоемкость работ по капитальному ремонту, QКР | 42,3 | ||||
| Мелкомонтажный ремонт, QМР | 78,7 | ||||
| Всего по хозяйству | 662,8 | ||||
Графики планово-предупредительных ремонтов составляются на основании ПТЭ [9] с учётом периодичности ремонтов оборудования. Ежемесячные планы составляются на основе годовых графиков планово-предупредительных работ (ППР) с указанием вида ремонта и количества ч-часов, необходимых на ремонт оборудования.
Форма организации ремонтного обслуживания является централизованной. Средний и капитальный ремонт электрооборудования ведётся электроремонтным участком.
5.3 Расчёт численности и заработной платы персонала ЭТС
Электротехническая служба хозяйства призвана обеспечить надежную работу энергетического оборудования при минимальных материальных издержках, а также способствовать привлечению электроэнергии в сельскохозяйственное производство и организации ее рационального использования.
Численный состав электриков для хозяйства определяем по формуле:
,
где QЭХ – объем работ по эксплуатации электрооборудования;
НЭ = 100 УЕЭ - нормативная нагрузка на одного электромонтера;
КРЭ = 1,1 - коэффициент, учитывающий рассредоточенность объектов.
Определим число электромонтеров, выполняющих ТО:
NTO = 510×1,1/100 = 5,51 ≈ 5 человек.
Далее находим численность электромонтеров, выполняющих ТР:
= 1,7 ≈ 2 человека.
Общую численность работников ЭТС учхоза «Кокино» составит:
















