150910 (594612), страница 10
Текст из файла (страница 10)
NЭМ = NТО + NТР = 5 + 2 =7 человек.
Квалификационный состав электромонтеров, согласно данным анализа уровня сложности работ по эксплуатации электрооборудования, сложившейся структуре квалификационного состава электромонтеров на сельскохозяйственных предприятиях, целесообразно принять (в % от общей численности): 2 разряд – 10%; 3 разряд – 20%; 4 разряд – 30%; 5 разряд – 30% и 6 разряд – 10%.
Численность инженерно-технических работников определяется исходя из суммарной трудоемкости обслуживания по таблице 7.2. В нашем случае следует принять в качестве ИТР одного техника-электрика.
Итоговый состав электротехнической службы учхоза «Кокино»:
техник-электрик – 1 человек; электромонтеры – 7 человек, в том числе
2 разряда – 1 человек; 3 разряда – 1 человек; 4 разряда – 2 человек; 5 разряда – 2 человек и 6 разряда – 1 человек.
Основная и дополнительная заработная плата включает тарифный фонд, а также доплаты из часового, дневного и годового фондов заработной платы.
Тарифная заработная плата:
ЗПТ = СТ×U, руб./год,
где СТ - часовая тарифная ставка. Принимаем среднюю часовую ставку СТ = 20 руб./ч;
U = 2237 часов - годовой фонд рабочего времени электромонтера.
Годовой фонд заработной платы определяем по формуле:
ЗП.год = ЗПТ×(1 + 0,01 dн + 0,01 dпр )×(1 + 0,01 dотп), руб.,
где dн = 40% , dпр = 2%, dотп = 8% - доплаты за работу в ночные часы и праздничные дни, за отпуска и выполнение общественных обязанностей соответственно.
Подставим числовые значения, получим тарифную заработную плату
ЗПТ = 20×2237 = 44740 руб./год
и годовой фонд заработной платы
ЗП.год = 44740×(1 + 0,4 + 0,02 )×(1 + 0,08) = 68600 руб.
6 Безопасность жизнедеятельности
6.1 Анализ условий труда
6.1.1 Общие сведения
В процессе труда на человека воздействует множество разнообразных факторов производственной среды, которые в совокупности определяют состояние условий труда и разделяются по группам: технические, эргономические, санитарно-гигиенические, организационные, психофизиологические, социальные, природно-климатические, экономические [19].
Технические факторы характеризуют уровень автоматизации и механизации производственных процессов, применение электронно-вычислительной и управляющей техники, наличие и исправность средств защиты, защищенность опасных зон и др.
Эргономические факторы характеризуют соответствие элементов машин, оборудования, антропометрическим, физиологическим психологическим возможностям человека-оператора. К ним относят скоростные параметры техники, объема поступающей от рабочих органов информации, удобства расположения органов управления и индикации, конструкции сиденья оператора, обзорности рабочей зоны и т.п. К эргономическим факторам относят также эстетическое состояние производственных помещений, цехов, участков, оборудования и др.
Санитарно-гигиенические факторы отражают состояние производственной санитарии на рабочих местах.
Организационные факторы характеризуют принятый на предприятии режим труда и отдыха, дисциплину и форму организации труда, обеспеченность рабочих спецодеждой и другими средствами индивидуальной защиты;
состояние технического и санитарного контроля трудового процесса и, в частности, охраны труда.
Психофизиологические факторы отражают степень напряженности труда, морально-психологический климат в коллективе, взаимоотношения работников друг с другом.
Социально-бытовые факторы включают общую культуру производства, порядок и чистоту на рабочих местах, озеленение территории, обеспечение санитарно-бытовыми помещениями, столовыми, медпунктами, поликлиниками; состояние дорог, подъездных путей, удобство сообщения между производственными участками.
Природно-климатические факторы – это географические и метеорологические особенности местности.
Экономические факторы включают в себя систему оплаты и стимулирования труда.
Условия труда влияют на производительность и результаты труда, на состояние здоровья работников. Благоприятные условия улучшают общее самочувствие, настроение человека, создают предпосылки для высокой производительности, и, наоборот, плохие условия снижают интенсивность и качество труда, способствуют возникновению производственного травматизма и заболеваний.
6.1.2 Анализ условий труда на ферме
Анализ условий труда сельскохозяйственных рабочих, проведенный на ферме, выявил следующие негативные факторы. Разрушение благоприятных социально-бытовых условий, происшедшее в предыдущие годы, неблагоприятно сказались на производственном климате. За период 1995 -2002 гг. пришли в негодность душевые и комнаты отдыха, которые функционировали на ферме, износилась и практически пришла в негодность система вентиляции. До недавнего времени практически отсутствовали на ферме технические средства защиты электрооборудования от аварийных режимов работы, а также средства защиты от поражения электрическим током. Из-за тяжелого финансового положения хозяйства рабочие не достаточно обеспечиваются спецодеждой и средствами индивидуальной защиты. В особенно тяжелых условиях находятся рабочие, раздающие корма, и рабочие в телятниках. Низка трудовая и исполнительская дисциплина, вследствие невысокой оплаты труда.
В соответствии с нормами по охране труда и производственной санитарии факторы, отрицательно влияющие на здоровье работников, подразделяют на опасные и вредные [11].
Таблица 6.1 – Опасные и вредные факторы при работе на ферме
| № n/n | Наименование и категория фактора | Место действия | Норма ПДУ и нормативный документ | Возможные последствия |
| 1 | Высокое напряжение цепи, при замыкании может пройти ток через тело человека, опасный | Щиты силовые, осветительные 0,38 кВ | ГОСТ 12.1.038-82 при длительности воздействия более 1 секунды | Электротравма |
| 2 | Электрическая дуга, опасный | Щит 0,4 кВ | ГОСТ 12.2.072-75 | Ожоги |
| 3 | Подвижные части оборудования, опасный | Электроприводы | ГОСТ 12.3.007.3-75 | Механическая травма |
| 4 | Пониженная температура, влажность, подвижность воздуха, вредный | Помещения фермы | ГОСТ 12.1.005-76 | Переохлаждение организма |
| 5 | Недостаточная освещённость рабочей зоны, вредный | Помещения фермы | СНиП 11-4-79 | Утомляемость, опасность травматизма |
| 6 | Твёрдые сгораемые материалы, пыль, опасный | Кормоцех | ОНТП 24-86 ПУЭ гл. 7.4 | Пожар |
Имея информацию о наличии опасных и вредных факторах, разработаем перечень мероприятий, необходимых для обеспечения безопасности при выполнении работ по обслуживанию электрооборудования и технологических линий.
Опасные факторы, способные привести к гибели или инвалидности работника, следует совершенно исключить или обеспечить совершенную защиту от них. К таким факторам относят взрывчатые и агрессивные химические вещества, электрическое напряжение, опасное для жизни, вращающиеся детали машин, неисправный инструмент и т. д.
Вредные факторы, приводящие к сравнительно медленному ухудшению здоровья работников, исключить не удается, не меняя технологического принципа трудового процесса. Такими факторами могут быть шум, вибрация, загазованность и запыленность, электромагнитное излучение и др. Уменьшить негативное влияние вредных факторов следует разумной организацией труда и отдыха, применением индивидуальных и коллективных средств защиты, повышением квалификации работников.
6.2 Мероприятия по повышению безопасности труда на ферме
Проектом предусматривается улучшение условий труда рабочих молочно-товарной фермы целым рядом мероприятий. Улучшение системы вентиляции ферм, замена изношенной электроаппаратуры, в частности, электропроводки, светильников, внедрение современных схем и средств электрической защиты от поражения током (устройств выравнивания потенциалов, устройств защитного отключения и т.п.) позволит существенно улучшить качество труда на ферме и снизить травматизм.
Механизмы и оборудование следует размещать в соответствии с проектом и устанавливать на прочных фундаментах и основаниях. Фундаменты выкладывают из бетона, бутового камня и кирпича. Применение силикатного кирпича не допускается. Бункеры-питатели сыпучих кормов следует располагать снаружи помещения. Допускается их расположение в специальных изолированных тамбурах при условии, что имеется въезд с торца или сквозной проезд, перекрываемый воротами.
Приводные и натяжные устройства стационарных кормораздатчиков должны быть надежно ограждены. Служебные мостики, используемые для технического обслуживания кормораздаточной платформы, ограждают перилами высотой не менее 1 м.
Нормальная и безопасная работа мобильного кормораздатчика обеспечивается удобством подъездных путей и достаточной ширины кормового прохода. Расстояние между кормушками должно быть не менее 2 м, а от опорных колонн до середины проезда не менее 1,3 м. Подъезд передвижного загрузчика к стационарному кормораздатчику необходимо обозначить надписями ВЪЕЗД и ВЫЕЗД с дополнительными стрелками, указывающими маршрут движения.
В кормоцехе необходимо следить за исправностью системы вентиляции. Следует иметь в виду, что согласно [12] предельно допустимая концентрация мучной пыли равна 4 мг/м3.
Совершенно невозможно избежать аварий и производственного травматизма, если работники не владеют безопасными приемами труда. Поэтому и в соответствии с ГОСТ 12.0004 – 89, в хозяйствах необходимо систематически проводить профессиональное обучение кадров и технике безопасности на рабочем месте.
Современное сельскохозяйственное производство немыслимо без применения электрической энергии. Существенно облегчая труд рабочего, электрическая энергия в то же время представляет источник опасности для жизни человека. В отличие от других источников опасности электрический ток не ощущается дистанционно без применения специальных приборов. Наличие опасного для жизни напряжения обнаруживается чаще всего тогда, когда бывает уже слишком поздно, когда человек прикоснулся к токоведущим частям. Опасность усугубляется еще тем, что пострадавший не может самостоятельно оторваться от провода или корпуса.
В соответствии с правилами устройства электроустановок (ПУЭ) [13] безопасность электроустановок обеспечивается:
- надлежащей изоляцией (например, двойной – рабочей и защитной);
- недоступностью токоведущих частей;
- заземлением или занулением корпуса электроустановки;
- устройствами выравнивания потенциалов;
- устройствами защитного отключения (УЗО);
- понижением напряжения до безопасной величины (36 В и ниже);
- предупредительной сигнализацией, надписями и плакатами.
Поскольку проектом предусмотрено внедрение электрооборудования, то необходимо выполнить расчет заземляющего устройства и схемы защитного зануления.
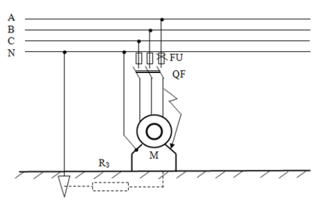
Рисунок 6.1. Схема защитного зануления электропривода
Зануление электроустановки выполняет защиту электроустановки и частично защиту оператора, обслуживающего электроустановку, если сопротивление заземляющего устройства Rз не превышает Rз = 4 Ом.
При появлении напряжения на этих частях установки в результате защитного заземления происходит срабатывание защиты и отключение фазы сети, замкнувшей на корпус, и, тем самым, уменьшается (но не устраняется!) опасность поражения людей и животных электрическим током [14]. Защитное заземление (зануление) обеспечивает снижение потенциала заземленного оборудования, уменьшает напряжение прикосновения и напряжения шага до безопасной величины.
6.3 Расчет заземляющего устройства
Расчет заземления проводим в соответствии с заданием, где указано на наличие возле фермы заземляющего устройства сопротивлением Reз = 4 Ом. В таком случае расчет выполняем для дополнительного заземлителя с целью надежности его защитного действия, так как в соответствии с ПУЭ его величина не должна превышать 4 Ом.
Сопротивление заземлителя с дополнением Re к уже имеющемуся сопротивлению естественного заземлителя Reз = 4 Ом:
.
Сопротивление Re определяем [14] по формуле
,
где ρ – удельное сопротивление грунта (принимаем 100 Ом);
l и d – длина и толщина заземлителя (берем соответственно 3м и 0,05 м);
















