147892 (594423), страница 9
Текст из файла (страница 9)
p/J = 0.0001; U/f = 10; темп нарощування напруги живлення ТАД – 10 B/сек.
Рис. 4.3. Процеси розгону дизель-потягу при наступних параметрах:
p/J = 0.0005; U/f = 10; темп нарощування напруги живлення ТАД – 10 B/сек.
Як випливає з рис. 4.1 при даному темпі наростання напруги живлення ТАД і законі керування напругою і частотою процес розгону протікає нормально, на що вказує така узагальнена характеристика, як ковзання, яка у даному випадку знаходиться в межах від 2 Гц до 3,5 Гц, що відповідає теоретичним передумовам. У випадку зменшення темпу наростання напруги живлення, наприклад до величини 5 B/сек, процес розгону протікає нормально, але з меншим значенням величини ковзання (від 1 Гц до 2 Гц), що не суперечить теоретичним передумовам.
При збільшенні темпу наростання напруги живлення ТАД до величини 10 B/сек - процес розгону протікає не нормально (рис. 4.2), на що вказує величина ковзання (досягає величини 16 Гц, що не природно). Якщо ж зменшити масу складу, наприклад як у нашому випадку, у 5 разів (p/J = 0.0005), що близько до роботи тягових двигунів у режимі неробочого ходу (див. рис. 4.3), то розгін протікає практично при ковзанні близькому до нульового значення, що характерно для роботи ТАД у такому режимі. Збільшення темпу наростання напруги живлення ТАД (наприклад, 12 B/сек) при p/J = 0.0005 не вносить істотних змін у процес розгону, тобто розгін здійснюється при ковзанні близькому до нульового значення.
Проведені дослідження з моделлю об'єкта керування, тобто моделлю ТАД, представленою системою диференціальних рівнянь в обертовій системі координат указують на те, що модель адекватно відображує процеси, що відбуваються при розгоні дизель-потяга, адекватно реагує на зміну факторів, що збуджують, і законів керування, дає можливість установити можливий (робочий) діапазон зміни значень темпу зміни сигналів керування напругою і частотою. Це дозволяє використовувати дану модель об'єкта керування як для уточнення структури САР електропередачі, так і визначення її параметрів згідно вимог, обумовлених до якісних показників перехідного процесу.
Наступні дослідження даного підрозділу спрямовані безпосередньо на уточнення структури САР і визначення її параметрів.
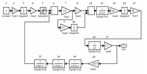
Вихідна структура моделі САР каналу відсічення по струму приведена на рис. 4.4.
Рис. 4.4. Структура моделі САР каналу відсічення по струму.
Тут: блоки (1-5) - модель формування сигналу задавання по струму; блоки (6-11) - модель регулятора на основі пропорційно-інтегрального закону керування; блок (12) - фільтр; блоки (13, 14) - модель блоку задавання інтенсивності (без обліку завдання різних постійних часу в залежності від зміни вхідного сигналу); блоки (15 - 17) - модель об'єкта керування (формування струму фази ТАД); блоки (18 - 21) - модель пристроїв узгодження і фільтруючих ланок, використовувані в ланцюзі зворотного зв'язку САР.
На рис. (4.5 - 4.8) приведені перехідні процеси, що відповідають току ТАД, при зміні одного з параметрів (коефіцієнта підсилення) САР. Відповідність процесів, параметрів і рисунків приведено в таблиці 4.1.
Таблиця 4.1. Результати досліджень
| № | K1 | K2 | K3 | K4 | Номер рис. | min, сек | tmin, сек | Nmin |
| 1 | 2,5 | 1 | 0,2; 0,3; 0,4; 0,5; 0,6 | 0,2 | Рис. 4.6 | 29,78 | 20 | 4 |
| 2 | 2,5 | 1 | 0,2 | 0,02; 0,03; 0,04; 0,05; 0,06 | Рис. 4.7 | 25,28 | 45 | 8 |
| 3 | 2,5 | 1 | 0,2 | 0,02; 0,03; 0,04; 0,05; 0,1 | Рис. 4.8 | 13,2 | >50 | >20 |
| 4 | 2,5 | 1 | 0,2 | 0,15 | Рис. 4.9 | Процес не сталий |
Процеси, що відповідають параметрам, зазначеним у таблиці 4.1 і рис. 4.5, дають можливість оцінити якісні показники перехідного процесу. Найменше значення як величини перерегулювання min, так і часу регулювання (tmin) і числа перерегулювання (Nmin) при значенні K3 = 0,2. Числові дані цих показників приведені в таблиці 4.1.
На рис. 4.6 приведені аналогічні процеси, але при зміні коефіцієнта підсилення K4 (блок задавання інтенсивності). Тут, як видно з процесів, представлених на даному рисунку, постійні часу блоку задавання інтенсивності (Тmin=16,6 сек, Тmах=50 сек) істотного впливу на величину перерегулювання не роблять, однак зі зменшенням постійної часу (збільшенням значення K4) збільшується швидкодія системи, що дуже важливо, однак збільшується коливальність (час перехідного процесу і число коливань).
Рис. 4.5. Залежності струмів ТАД при зміні коефіцієнта K3.
Рис. 4.6. Залежності струмів ТАД при зміні коефіцієнта K4.
Рис. 4.7. Залежності струмів ТАД при зміні коефіцієнта K4(при максимальному K4=0,1).
Рис. 4.8. Залежності струмів ТАД при зміні коефіцієнта K4(процес не стійкий).
На рис. 4.7 і рис. 4.8 приведені процеси, що дозволяють оцінити критичне значення K4, при якому система стає хитливою. При K4 = 0,1 - практично на границі стійкості, при K4 = 0,15 - не стійка.
Проведені експерименти з моделлю дозволяють установити для даної структури САР, обумовленою її моделлю (див. рис. 4.4), оптимальні значення параметрів з урахуванням близькості до необхідних показників якості перехідного процесу.
Оптимальні значення цих параметрів наступні: K1 = 2,5; K2 = 1; K3= 0,2; K4 = 0,02.
Однак значення величини перерегулювання дорівнює 29,78 %; час перехідного процесу - 20 сек; число перерегулювання - 4. Два останніх показники задовольняють необхідним умовам до вимог до якісних показників перехідного процесу, перший - не задовольняє. Тому необхідно в структуру САР увести блок задавання інтенсивності зі змінною структурою.
Результати досліджень, приведені на рис. 4.9 і рис. 4.10, характеризують протікання перехідних процесів за умови введення в системи САР блоку задавання інтенсивності зі змінною структурою, тобто , у якого параметри (постійна часу) при зростанні й убуванні вхідного сигналу - різні.
Перехідні процеси, приведені на рис. 4.9 відповідають:
- при убуванні - К = 0,02 (Т = 50 сек);
- при зростанні - 1 (К = 0,02); 2 (К = 0,04); 3 (К= 0,06); 4 (К= 0,08); 5 (К= 0,1).
Тут, на відміну від структури блоку задавання інтенсивності, у якого параметри на "накидання" і "скидання" не змінювалися і це приводило до нестійкості при постійної часі, рівній 12,5 сек, то в даному випадку така структура поліпшує систему САР і з погляду стійкості, і з погляду якісних показників. Навіть зменшення постійної часу до 10 секунд не призводить до хитливої роботи (рис. 4.10).
Рис. 4.9. Перехідні процеси в системі за умови введення блоку задавання інтенсивності
Рис. 4.10. Перехідні процеси в системі за умови введення блоку задавання інтенсивності.
Однак істотної зміни (зменшення) величини перерегулювання з уведенням блоку задавання інтенсивності зі змінною структурою домогтися не вдалося, хоча позитивний ефект мається в змісті забезпечення стійкості системи при збільшенні швидкодії (тобто робота блоку задавання інтенсивності зі значно меншими значеннями постійних часу). При цьому встановлено, що прийнятні значення з погляду забезпечення якісних показників відповідають: при "накиданні" - Т = 12,5 секунд; при "скиданні" - Т = 50 секунд.
Структурна схема моделі для реалізації блоку задавання інтенсивності зі змінною структурою приведена на рис 4.11. Тут же зазначені і параметри настроювання моделі.
Рис. 4.11. Структурна схема моделі для реалізації блоку задавання інтенсивності зі змінною структурою.
На рис. 4.12 приведені процеси, що характеризують роботу САР з використанням блоку задавання інтенсивності зі змінною структурою і коригувальної ланки у виді зони нечутливості.
Рис. 4.12. Процеси, які характеризують роботу САР з урахуванням блоку задавання інтенсивності зі змінною структурою та коригувальної ланки.
Тут: 1 - процес, що відповідає САР з використанням блоку задавання інтенсивності з незмінною структурою;
2 - із блоком задавання інтенсивності незмінної структури і коригувальної ланки у виді зони нечутливості;
3 - із блоком задавання інтенсивності змінної структури і коригувальної ланки у виді зони нечутливості.
При заданих параметрах механічної частини електропривода, параметри САР, що забезпечують необхідні показники якості наступні: K1 = 2,5; K2 = 1; K3 = 0,2; K4 (накидання Т = 12,5 сек; скидання Т = 50 сек). Поріг зони нечутливості - (+/- 10,5 В). САР, відповідно до даної моделі, забезпечує функціонування системи з наступними показниками якості перехідного процесу: величина перерегулювання - не більш 6 %; час перехідного процесу - не більш 14 секунд; число перерегулювання - 3, що є цілком припустимим при технічній реалізації САР.
















