147892 (594423), страница 8
Текст из файла (страница 8)
. (3.20)
На входи мереж подаються модулі сигналів потокозчеплення і струму фази статорної обмотки, частота обертання ротора і коефіцієнт, пропорційний масі складу. На виході нейронної мережі формується додатковий сигнал
, за допомогою якого поліпшується функціонування електропривода.
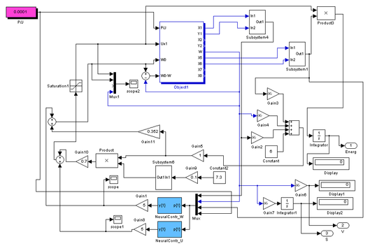
На рис. 3.13 приведена структурна схема моделі електропривода дизель-потяга із синтезованою системою керування, що містить додаткові канали, реалізовані з використанням нейронних мереж. Дана модель характеризується тим, що в її структурі присутні два додаткових елементи - NeuralContr_W і NeuralContr_U, за допомогою яких здійснюється формування додаткових сигналів керування
по каналах напруги і частоти. Структурні схеми каналу формування частоти і його основних складових компонентів приведені відповідно на рис. 3.14 і 3.15.
Рис. 3.13. Структурна схема моделі електропривода дизель-потяга із синтезованою системою керування, що містить додаткові канали, реалізовані з використанням нейронних мереж.
На рис. 3.14-а приведена внутрішня структура блоку NeuralContr_W. Субблоки Layer1, Layer2 і Layer3 являють собою відповідно 1-й, 2-й схований і вихідний шари нейронної мережі. Вхідні сигнали надходять на вхідний шар p{1} у виді вектора, що складає з 4-х елементів (по кількості вхідних сигналів). Далі вектор надходить на вхід першого схованого шару (Layer1). Структура субблоков сімейства Layer приведена на рис 3.14-б. Робота блоку полягає в наступному: спочатку обчислюється зважена сума вхідного вектора для кожного з нейронів першого схованого шару (блок ІW{1,1}) і додавання до цієї суми зсуву (b{1}), що являє собою вектор, число елементів якого дорівнює числу нейронів у цьому шарі. Структура блоку ІW{1,1} приведена на рис 3.15-а. Тут блоки ІW{1,1}(1,:)' - ІW{1,1}(4,:)' задають відповідно вагарні коефіцієнти між відповідним нейроном першого схованого шару (1 - 4) і вхідним шаром. На вхід блоків dotprod1 - dotprod4 подаються вхідний вектор pd{1,1} і відповідні вагарні коефіцієнти. Ці блоки виконують зважене підсумовування вхідного вектора pd{1,1}. Після додавання зсуву до зваженої суми (рис. 3.14-б), отриманий результат, що представляє собою вектор з 4-х елементів (по числу нейронів першого схованого шару), подається на активаційну функцію нейронів (блок tansіg), що реалізує функцію гіперболічного тангенса. Отриманий проміжний результат передається на другий схований шар (Layer2). Принцип роботи аналогічний описаному вище за винятком того, що число блоків dotprod, що виконують зважену підсумовування, дорівнює 7 (числу нейронів у другому схованому шарі, див .рис.3.15-б). На виході другого шару виходить вектор, що складається з 7-ми елементів, який подається на вихідний шар (Layer3). У результаті на виході нейронної мережі (вихід блоку Layer3) виходить сигнал, що здійснює корекцію сигналу керування по частоті (рис.3.15-в). Усі вагові коефіцієнти між шарами мережі і коефіцієнти зсувів були отримані в результаті настроювання мережі, що здійснювалася генетичним алгоритмом.
а)
б)
Рис. 3.14. Структурна схема моделі нейрорегулятора каналу формування частоти.
а).
б).
в).
Рис.3.15. Структурні схеми для визначення вагових коефіцієнтів нейрорегулятора.
Структура нейрорегулятора для каналу формування напруги аналогічна, відрізняється тільки коефіцієнтами настроювання.
При настроюванні мережі до регуляторів можна пред'являти ті чи інші оптимізаційні властивості, наприклад, при тих самих енергетичних витратах (коли нейронна мережа включена в систему керування) одержати менший час розвантажування або більший пройдений шлях, або при однакових кінцевих швидкостях зменшити енергетичні витрати на розгін дизель-потяга. Розглядаються і різні комбінації цих критеріїв.
При навчанні нейронних мереж (НМ) використовувався генетичний алгоритм (ГА). З його допомогою настроювалися параметри НМ відповідно до заданого критерію. Як гени хромосоми в ГА використовуються усі вагові коефіцієнти між шарами нейронних мереж, при цьому перша частина хромосоми являє собою параметри нейронної мережі, що виконує корекцію закону керування по частоті, а друга - по амплітуді.
На рис. 3.16 приведена узагальнена структура настроювання параметрів нейронних мереж, що входять до складу синтезованої системи керування. Вихідна популяція складалася з 150 хромосом і генерувалася випадковим образом. Кожен параметр мереж кодувався 16 бітами. Причому такі генетичні оператори як мутація і кросовер здійснювалися для кожної з двох частин хромосоми окремо. Оскільки діапазон зміни кожного з параметрів прийнятий від -1 до +1, то 16-и розрядне кодування забезпечує дискретність зміни параметрів не гірше чим
.
Словесно алгоритм можна описати в такий спосіб: на першому етапі випадковим образом генерується похідна популяція бінарних хромосом. Обчислюється критерій функціонування системи керування без використання коригувальних нейронних мереж. Потім визначається індекс пристосованості кожної хромосоми при функціонуванні об'єкта і по його значеннях виконується впорядкування популяції. Обчислюється середня по популяції пристосованість. Спираючи на неї, визначається імовірність, з яким кожна особа, що володіє пристосованістю більше середньої, може стати батьком. При цьому для кожного батька в процесі генерації хромосоми нащадка мається дві можливості: або просто бути скопійованим у наступне покоління, або піддадуться впливу генетичних операторів.
Рис.3.16. Узагальнена структура настроювання параметрів нейронних мереж системи керування.
У такий спосіб генерується задане число М нащадків. Оскільки нащадки отримані від кращих батьків, то їхня пристосованість може бути більш високої.
Робота алгоритму закінчується при досягненні популяцією стану адаптації, що ідентифікується по стягуванню ядра популяції спочатку в щільну хмару, а потім у крапку. Кросовер як механізм мінливості втрачає в таких умовах свою силу. Мутація й інверсія будуть як і раніш модифікувати потомство, продовжуючи тестування нових і нових точок простору пошуку. У результаті знаходимо деякий екстремум, хоча характер його невідомий.
На рис. 3.17 представлена спрощена схема генетичного алгоритму.
Результати досліджень приведені в розділі 4.
Рис.3.17. Схема генетичного алгоритму.
4. ДОСЛІДЖЕННЯ СИСТЕМ КЕРУВАННЯ ДИЗЕЛЬ-ПОТЯГА
4.1. Дослідження регуляторів системи керування, розроблених на основі використання принципу регулювання за помилкою та ПІД закону керування
У розділі 2 приведені математична модель і структура САР електропередачі дизель-потяга, виконаних у відповідності до традиційних підходів на основі використання принципу регулювання за помилкою, тобто компенсація сигналу завдання сигналом зворотного зв'язку. Як правило, такі САР будуються з використанням пропорційно-інтегрально-диференціального закону керування, де в колі регулювання міститься блок задавання інтенсивності, що у залежності від сигналу, що надходить на його, (зростання чи убування) має різні постійні часу.
Одна з можливих структур САР електропередачі містить три контури регулювання: підтримка сталості струму (для заданої позиції контролера машиніста); підтримка сталості потужності; обмеження максимального значення напруги живлення. Усі ці контури з погляду реалізації САР ідентичні, однак функціонують у різних, з погляду динаміки, умовах. Найбільш критичним до зміни умов функціонування є контур САР, що забезпечує підтримку сталості струму (обмеження струму), оскільки його робота пов'язана з режимом пуску, де до якісних показників системи пред'являються досить "жорсткі" вимоги. Особливо це відноситься до такого показника якості, як величина перерегулювання. У якості фізичної досліджуваної величини тут виступає струм фази асинхронного двигуна, що комутується перетворювачем частоти, який має гранично допустимі значення сили струму, що протікає через його елементи.
Дослідження, пов'язані з визначенням параметрів САР і уточненням структури САР, проводилися в кілька етапів. При цьому досліджувану структуру САР можна представити як таку, що складається з кола задавання, формувача сигналу керування (пропорційно-інтегрального регулятора і блоку задавання інтенсивності), об'єкта керування (моделі тягового асинхронного двигуна), блоку формування сигналу зворотного зв'язку (датчики, підсилювачі, що масштабують, фільтри) [30].
За допомогою блоку завдання формувався сигнал, що відповідає визначеній позиції контролера машиніста і характеризується визначеною швидкістю його наростання.
Тут і надалі , як показник завантаженості складу (тобто його загальної маси чи моменту інерції) використовувався показник p/J,
де р - число пар полюсів асинхронного двигуна,
J - момент інерції поїзду, приведений до колісної пари.
На першому етапі проводилися дослідження САР з метою визначення параметрів регулятора каналу відсічення по струму, виконаного відповідно до традиційної схеми, описаної в розділі 2. Основна увага приділялася питанням, зв'язаним з адекватністю розроблених моделей і визначенням параметрів САР, що забезпечують задану якість регулювання. При цьому показниками якості виступали величина перерегулювання, час перехідного процесу (tпп ), число перерегулювання (N).
Для проведення досліджень з метою уточнення структури і визначення параметрів САР необхідно мати моделі блоків САР (формувачів сигналу задавання, формувачів сигналів зворотних зв'язків, тягових двигунів), які адекватно відображають процеси, що протікають у самому об'єкті керування. При цьому, як було відзначено в розділі 2, при розробці структури САР доцільно на першому етапі використовувати спрощену схему моделі ТАД, за допомогою якої може бути зроблене уточнення структури й оцінка параметрів САР з погляду стійкості роботи і визначення припустимих границь зміни параметрів, а на другому - повну модель, що описує перехідні процеси ТАД, наприклад на підставі системи диференціальних рівнянь в рухомій системі координат.
Оскільки одержання спрощених моделей ТАД і їхнього дослідження приведено в другому розділі, то тут приділяється увага тільки адекватності моделі ТАД, представленої системою диференціальних рівнянь в рухомій системі координат.
Адекватність моделі ТАД доводиться за допомогою деякої інтегральної оцінки функціонування всієї системи при розгоні дизель-потяга й аналізу отриманих при цьому інтегральних характеристик (швидкості руху, величини ковзання) щодо теоретичних передумов.
На рис 4.1 - 4.3 приведені процеси розгону дизель-потяга при різних темпах наростання напруги живлення ТАД. При одній і тій же завантаженості складу (p/J = 0.0001) і законі керування U/f = 10.
Тут: 1 - крива, що відповідає напрузі живлення (U, B) ТАД у визначений момент часу;
2 - електрична кутова частота живлення (0, 1/сек) ТАД;
3 - електрична кутова частота обертання ротора ( , 1/сек) ТАД.
Рис. 4.1. Процеси розгону дизель-потягу при наступних параметрах:
p/J = 0.0001; U/f = 10; темп нарощування напруги живлення ТАД – 8 B/сек.
Рис. 4.2. Процеси розгону дизель-потягу при наступних параметрах:
















