147892 (594423), страница 13
Текст из файла (страница 13)
Метеорологічні умови на виробництві мікроклімат визначають наступні параметри: температура (C), рухливість (м/с), відносна вологість повітря (%) і теплове випромінювання
Оскільки дипломна робота відноситься до легких фізичних робіт, але характеризується напруженою розумовою працею, то, керуючись ГОСТ 12.1.005 [36] застосовують оптимальні параметри мікроклімату для даного приміщення, які приведені у таблиці 6.5.
Таблиця 6.5 – Значення параметрів мікроклімату в робочій зоні.
| Категорія робіт | Період року | Температура t 0С (оптимальна) | Відносна вологість, % | Швидкість повітря, м/c |
| Легка – Iа | Холодний | 22 – 24 | 40 – 60 | 0,1 |
| Легка – Iа | Теплий | 23 – 25 | 40 – 60 | 0,1 |
Місце виконання дипломної роботи оздоблено системами вентиляції, центрального парового опалення та кондиціонування. Функціонування цих систем забезпечує оптимальні параметри мікроклімату.
6.2.2 Освітлення
Особливістю роботи за дисплеєм ЕОМ є постійна і значна напруга функцій зорового аналізатора, обумовленого необхідністю розпізнання самосвітних об'єктів (символів, знаків і т.п.), при наявності відблисків на екрані, рядковій структурі екрана, мельканням зображення, недостатньою чіткістю об'єктів.
Для забезпечення нормального освітлення застосовуються природне і штучне освітлення, а також комбіноване, котрі нормуються СНіП II-4 [32].
6.2.2.1 Природне освітлення
Усі виробничі приміщення, з постійним перебуванням у них людей, відповідно до санітарних норм і правил, мають природне освітлення.
У нашому випадку, як зазначалось вище, використовується однобічне природне освітлення з розташуванням віконних пройомів на захід. Природне освітлення нормується коефіцієнтом природного освітлення (КПО) по СНіП II-4 [32].
Нормовані значення КПО для будинків, розташованих у IV поясі світлового клімату визначаються по наступній формулі:
eIVн=eнIII*m*c, (6.1)
де eнIII - значення КПО для III пояса світлового клімату складає 2,5
(згідно СНіП II-4 [32]);
m - коефіцієнт світлового клімату (для міст України, окрім Криму m=0,9% згідно СНіП II-4 [32]);
c - коефіцієнт сонячності клімату (для міста України c=1,0 згідно СНіII II-4 [32]).
Таким чином для міста Стаханова згідно (6.1) отримуємо нормоване значення КПО eIVн = 2,5*0,9*1= 2,25 %.
6.2.2.2 Штучне освітлення
На робочому місці застосовується загальне штучне освітлення, у темний період доби - комбіноване. Штучне освітлення нормується СНіП II-4 [32]. Для створення комфортних умов зорової роботи середньої точності необхідні наступні дані по нормах освітлення. Дані по нормах освітлення приведені в таблиці 6.6.
Таблиця 6.6 – Норми освітлення.
| Характеристика зорової роботи | Найменший розмір об’єкта розпізнавання, мм | Розряд зорової роботи | Підрозряд зорової роботи | Контраст об’єкта розпізнавання із тлом | Характеристика тла | Нормативні значення параметрів освітлення | |||
| Освітлення при штучному освітленні, Лк | КПО енIV при природному боковому освітленні, % | ||||||||
| Високої точності | 0,2-0,25 | IV | в | Середній | Світлий | Е=500 | 2,25 | ||
6.2.3 Випромінювання від екрана
ЭПТ генерує кілька типів випромінювання, у тому числі: гама - , рентгенівське, радіочастотне, мікрохвильове, видиме, ультрафіолетове й інфрачервоне випромінювання. Рівні цих випромінювань не перевищують діючих норм.
Вимоги щодо припустимих значень неіонізуючого електромагнітного випромінювання: напруженість електромагнітного поля на відстані 50см навколо ЭПТ за електричною складовою не повинна перевищувати:
у діапазоні частот 5 Гц - 2 КГц - 25 В/м,
у діапазоні частот 2 КГц - 400 КГц - 2,5 В/м,
Щільність магнітного потоку не повинна перевищувати:
у діапазоні частот 5 Гц - 2 КГц - 250 нТл,
у діапазоні частот 2 КГц - 400 КГц - 25 нТл,
Поверхневий електростатичний потенціал не повинний перевищувати 500 В.
Конструктивне рішення екрана дисплея таке, що рентгенівське випромінювання від екрана на відстані 10см не перевищує 100 мкР/година .
У приміщеннях з дисплеями необхідно контролювати іонізацію. У таблиці 6.7 приведені рівні іонізації повітря робочого місця.
Таблиця 6.7 – Рівні іонізації повітря робочого місця.
| Рівні | Кількість іонів на 1 см3 повітря | |
| n+ | n- | |
| Мінімально необхідні | 400 | 600 |
| Оптимальні | 1500-3000 | 3000-5000 |
| Максимально припустимі | 50000 | 50000 |
Варто враховувати, що м'яке рентгенівське випромінювання, що виникає при напрузі на аноді 20-22 КВ, а також напруга на струмопровідних ділянках схеми викликає іонізацію повітря з утворенням позитивних іонів, що вважаються несприятливими для людини.
6.3 Техніка безпеки
6.3.1 Електробезпека
Зважаючи на той факт що робоче місце, де знаходиться ПЕОМ, є приміщенням з підвищеною небезпекою ураження людини електричним струмом, необхідно передбачити наступні міри електробезпеки:
-
конструктивні заходи електробезпеки;
-
схемно-конструктивні заходи електробезпеки;
-
експлуатаційні заходи електробезпеки.
6.3.1.1 Конструктивні міри електробезпеки
Конструктивні міри безпеки скеровані на вилучення можливості доторкання людини до частин, за якими подається електричний струм.
Для вилучення можливості доторкання оператору до частин, за якими подається електричний струм, всі силові вмикачі розташовані в закритих корпусах. Застосовується блочний монтаж.
Ступінь захисту обладнання відповідає IP44(де 4 – захист від твердих тіл розміром більше 1 мм; 4 – захист від бризок ) згідно з ПУЭ [33] та ГОСТ 14254 [49].
Згідно з ГОСТ 12.2.007.0 [41] приймається І клас захисту від ураження електричним струмом обслуговуючого персоналу тому, що комп’ютер має робочу ізоляцію та елементи захисту.
6.3.1.2 Схемно-конструктивні міри електробезпеки
Схемно-конструктивні міри електробезпеки забезпечують безпеку дотику людини до металевих частин електричних апаратів, що не використовуються для передачі електричного струму, при випадковому пробої їхньої ізоляції та виникнення електричного потенціалу на них.
Живлення здійснюється від трьохдротової мережі: фазовий дріт, нульовий робочий дріт, нульовий захисний дріт.
Зважаючи на той факт, що напруга менше 1000 В, але більше 42 В, тоді згідно з ГОСТ 12.1.030 [43] з метою захисту від ураження електричним струмом застосовується занулення, тому що лабораторія є приміщенням з підвищеною небезпекою ураження людини електричним струмом з тієї причини, що мається можливість одночасного дотику людини до металоконструкцій будівель та т.п., що мають з’єднання із землею, з одного боку, та до металевих корпусів електронного обладнання – з іншого боку.
Занулення – передбачене електричне з’єднання з нульовим захисним провідником металевих частин, що не використовуються для передачі електричного струму та можуть опинитися під напругою.
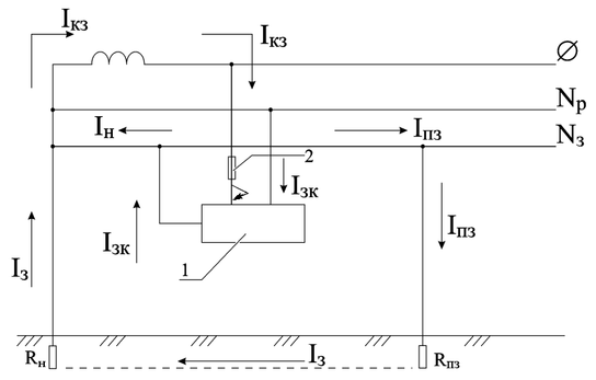
6.3.1.3 Схема занулення та призначення елементів занулення
За засобом захисту від ураження електричним струмом система, що проектується, відноситься до І класу згідно з ГОСТ 12.2.007.0 [41].
Схему занулення наведено на рисунку 5.1.
Рисунок 5.1 – Схема занулення.
Призначення елементів занулення:
Rзн – заземлення точки нейтралі;
Rзн – повторне заземлення;
Nз – нульовий захисний дріт;
Nр– нульовий робочий дріт;
Ø – живильний дріт;
Ікз – струм короткого замикання;
Іпз – струм повторного заземлення;
Ізк – струм замикання на корпус;
1 – прилад; 2 – запобіжник.
Призначення нульового захисного провідника - забезпечити необхідне для відключення установки значення току однофазного короткого замикання шляхом створення для цього струму ланцюгу з малим опором.
Призначення заземлення нейтралі обмоток джерела струму(що живить мережу до 1000В) – зниження напруги занулених корпусі(а, що виходить, нульового захисного провідника) відносно землі до безпечного значення при замиканні фази на землю.
Призначення повторного заземлення нульового захисного провідника – зниження напруги на занулених корпусах в період замикання фази на корпус. Повторне занулення значно зменшує небезпеку ураження струмом, яка виникає в результаті обриву нульового захисного провідника та замикання фази на корпус за місцем обриву, але не може усунути її цілком, тобто не може забезпечити тих умов безпеки, що існували до обриву. Повторне заземлення нульового захисного провідника призначено для зниження напруги відносно землі занулених конструкцій в період замикання фази на корпус як при справній схемі занулення, так і випадку обриву нульового захисного провідника.
6.3.1.4. Експлуатаційні міри електробезпеки
Первинним джерелом живлення ПЕОМ є трьохдротова мережа.: фазовий дріт, нульовий робочий дріт, нульовий захисний дріт. Електроживлення здійснюється від електроустановки (трансформатора ) з регульованою напругою під навантаженням. Напруга мережі подається в розподільну шафу.
В приміщенні прокладена шина повторного заземлення (провідник, яким заземлюють) виконана відповідно до ГОСТ 12.1.030 [43], котра металево з’єднується із заземленою нейтраллю електроустановки.
6.3.2 Ергономічні вимоги до робочого місця
-
Організація робочого місця з обслуговування, ремонту та налагодження ЕОМ повинна забезпечувати відповідність усіх елементів робочого місця та їх розташування ергономічним вимогам відповідно до ГОСТ 12.2.032-78 ССБТ “Робоче місце при виконанні робот сидячи. Загальні ергономічні вимоги”[51], характеру та особливостей трудової діяльності.
-
Площа, виділена для одного робочого місця з відеотерміналом або персональною ЕОМ, повинна складати не менше 6 кв. м, а обсяг - не менше 20 куб.м.
-
Робочі місця з відеотерміналами відносно світлових прорізів повинні розміщуватися так, щоб природне світло падало збоку, переважно зліва.
-
При розміщенні робочих місць з відеотерміналами та персональними ЕОМ необхідно дотримуватись таких вимог:
-
робочі місця з відеотерміналами та персональними ЕОМ розміщуються на відстані не менше 1 м від стін зі світловими прорізами;
-
відстань між бічними поверхнями відеотерміналів має бути не меншою за 1,2 м;
-
відстань між тильною поверхнею одного відеотермінала та екраном іншого не повинна бути меншою 2,5 м;
-
прохід між рядами робочих місць має бути не меншим 1 м.
Вимоги цього пункту щодо відстані між бічними поверхнями відеотерміналів та відстані між тильною поверхнею одного відеотерміналу та екраном Іншого враховуються також при розміщенні робочих місць з відеотерміналами та персональними ЕОМ в суміжних приміщеннях, з урахуванням конструктивних особливостей стін та перегородок.
-
Організація робочого місця користувача ЕОМ повинна забезпечувати відповідність усіх елементів робочого місця та їх розташування ергономічним вимогам відповідно до ГОСТ 12.2.032-78, з урахуванням характеру та особливостей трудової діяльності.
-
Конструкція робочого місця користувача відеотерміналу (при роботі сидячи) має забезпечувати підтримання оптимальної робочої пози з такими ергономічними характеристиками: ступні ніг - на підлозі або на підставці для ніг; стегна - в горизонтальній площині; передпліччя - вертикально; лікті - під кутом 70 - 90 град, до вертикальної площини; зап'ястя зігнуті під кутом не більше 20 град, відносно горизонтальної площини, нахил голови - 15-20 град, відносно вертикальної площини.
-
Якщо користування відеотерміналом та персональною ЕОМ є основним видом діяльності, то вказане обладнання розміщується на основному робочому столі, як правило, з лівого боку.
-
Якщо використання відеотерміналу та персональної ЕОМ є періодичним, то устаткування, як правило, розміщується на приставному столі, переважно з лівого боку від основного робочого столу. Кут між поздовжніми осями основного та приставного столів має бути 90 - 140 град.
-
Якщо використання відеотерміналу та персональної ЕОМ є періодичним, то дозволяється обладнувати в приміщенні, що відповідає вимогам даних Правил, окремі робочі місця колективного користування з відеотерміналом та персональною ЕОМ.
-
Висота робочої поверхні столу для відеотерміналу має бути в межах 680 - 800 мм, а ширина - забезпечувати можливість виконання операцій в зоні досяжності моторного поля.
Рекомендовані розміри столу: висота - 725 мм, ширина - 600 -1400 мм, глибина - 800 -1000 мм.
-
Робочий стіл для відеотерміналу повинен мати простір для ніг висотою не менше 600 мм, шириною не менше 500 мм, глибиною на рівні колін не менше 450 мм, на рівні витягнутої ноги - не менше 650 мм.
-
Робочий стіл для відеотерміналу, як правило, має бути обладнаним підставкою для ніг шириною не менше 300 мм та глибиною не менше 400 мм, з можливістю регулювання по висоті в межах 150 мм та кута нахилу опорної поверхні - в межах 20 град. Підставка повинна мати рифлену поверхню та бортик на передньому краї заввишки 10 мм.
-
Застосування підставки для ніг тими, у кого ноги не дістають до підлоги, коли робоче сидіння знаходиться на висоті, потрібній для забезпечення оптимальної робочої пози відповідно до пункта 4.1.6, є обов'язковим.
-
Робоче сидіння (сидіння, стілець, крісло) користувача відеотерміналу та персональної ЕОМ повинно мати такі основні елементи: сидіння, спинку та стаціонарні або знімні підлоxxxники.
У конструкцію сидіння можуть бути введені додаткові елементи, що не є обов'язковими: підголовник та підставка для ніг.
-
Робоче сидіння користувача відеотерміналу та персональної ЕОМ повинно бути підйомно-поворотним, таким, що регулюється за висотою, кутом нахилу сидіння та спинки, за відстанню спинки до переднього краю сидіння, висотою підлоxxxників.
-
Регулювання кожного параметра має бути незалежним, плавним або ступінчатим, мати надійну фіксацію.
Хід ступінчатого регулювання елементів сидіння має становити для лінійних розмірів 15 -20 мм, для кутових - 2 - 5 град. Зусилля під час регулювання не повинні перевищувати 20 Н.
-
Ширина та глибина сидіння повинні бути не меншими за 400 мм. Висота поверхні сидіння має регулюватися в межах 400 - 500 мм, а кут нахилу поверхні - від 15 град, вперед до 5 град, назад.
-
Поверхня сидіння має бути плоскою, передній край - заокругленим.
-
Висота спинки сидіння має становити 300±20 мм, ширина - не менше 380 мм, радіус кривизни в горизонтальній площині - 400 мм. Кут нахилу спинки повинен регулюватися в межах 0-30 град, відносно вертикального положення. Відстань від спинки до переднього краю сидіння повинна регулюватись у межах 260 - 400 мм.
-
Для зниження статичного напруження м'язів рук необхідно застосовувати стаціонарні або знімні підлоxxxники довжиною не менше 250 мм, шириною - 50 - 70 мм, що регулюються по висоті над сидінням у межах 230±30 мм та по відстані між підлоxxxниками в межах 350 - 500 мм.
-
Поверхня сидіння, спинки та підлоxxxників має бути напівм'якою, з неслизьким, ненаелектризовуючим, повітронепроникним покриттям та забезпечувати можливість чищення від бруду.
-
Екран відеотермінала та клавіатура мають розташовуватися на оптимальній відстані від очей користувача, але не ближче 600 мм, з урахуванням розміру алфавітно-цифрових знаків та символів.
-
Розташування екрану відеотерміналу має забезпечувати зручність зорового спостереження у вертикальній площині під кутом ±30 град, від лінії зору працівника.
-
Клавіатуру слід розміщувати на поверхні столу або на спеціальній, регульовуваній за висотою, робочій поверхні окремо від столу на відстані 100-300 мм від краю, ближчого до працівника. Кут нахилу клавіатури має бути в межах 5-15 град.
-
Робоче місце з відеотерміналом слід оснащувати пюпітром (тримачем) длядокументів, що легко переміщується.
-
Пюпітр (тримач) для документів повинен бути рухомим та встановлюватись вертикально (або з нахилом) на тому ж рівні та відстані від очей користувача ЕОМ, що і відеотермінал.
-
Розміщення принтера або іншого пристрою введення-виведення інформації на робочому місці має забезпечувати добру видимість екрану відеотермінала, зручність ручного керування пристроєм введення-виведення інформації в зоні досяжності моторного поля: по висоті 900 - 1300 мм, по глибині 400 - 500 мм.
-
Під матричні принтери потрібно підкладати вібраційні килимки для гасіння вібрації та шуму.
-
При потребі високої концентрації уваги під час виконання робіт з високим рівнем напруженості суміжні робочі місця з відеотерміналами та персональними ЕОМ необхідно відділяти одне від одного перегородками висотою 1,5 - 2 м.
-
Організація робочого місця, яке передбачає використання ЕОМ для управління технологічним обладнанням (станки з програмним управлінням, роботизовані технологічні комплекси, обладнання для гнучкого автоматизованого виробництва тощо), повинна передбачати:
-
достатній простір для людини-оператора;
-
вільну досяжність органів ручного управління в зоні моторного поля: відстань по висоті - 900 - 1330 мм, по глибині - 400 - 500 мм;
-
розташування екрана відеотермінала в робочій зоні, яке забезпечувало б зручність зорового спостереження у вертикальній площині під кутом плюс-мінус ЗО град, від лінії зору оператора, а також зручність використання відеотермінала під час коригування керуючих програм одночасно з виконанням основних виробничих операцій;
-
відстань від екрана до ока працівника повинна відповідати вимогам пункту 4.1.22;
-
можливість повертання екрана відеотермінала навколо горизонтальної та вертикальної осі.
6.4 Пожежна безпека
Пожежна безпека - стан об'єкта при якому із установленою ймовірністю виключається можливість виникнення і розвитку пожежі, а також забезпечується захист матеріальних цінностей.
















