147347 (594335), страница 6
Текст из файла (страница 6)
2.3.1.6 Проверка прочности сечения стержня Rod211
Таблица 10 – Максимальные усилия в стержне Rod211
| Продольное усилие N, Н | Поперечное усилие Qу, Н | Поперечное усилие Qx, Н | Момент кручения Т, Н м | Изгибающий момент Му, Н м | Изгибающий момент Мх, Н м |
| 145325,8 | -74261,9 | -27000,75 | 31,4 | 15506,135 | 303142,386 |
Рисунок 24 – Геометрические характеристики сечения стержня Rod211
Рисунок 25 – Схема к определению статического момента для точки 2
Рисунок 26 – Схема к определению статического момента для точки 3
Площадь сечения по формуле (26):
м2.
Момент инерции относительно главной центральной оси х-х по формуле (27):
м4.
Момент инерции относительно главной центральной оси у-у по формуле (28):
м4.
2.3.1.7 Расчет эквивалентных напряжения для точки 1
Суммарные нормальные напряжения по формуле (25) при y=0,3 м, x=0,095 м:
МПа.
Статический момент по формуле (31) Sотс=0 при Аотс = 0.
Касательные напряжения по формуле (32) при tст=0,012 м, h=0,6 м, y=0,3 м:
МПа.
Суммарные касательные напряжения по формуле (29)
МПа.
Эквивалентные напряжения по формуле (23):
МПа.
2.3.1.8 Расчет эквивалентных напряжения для точки 2
Суммарные нормальные напряжения по формуле (25) при y=0,282 м, х = 0,006 м:
МПа.
Площадь отсеченной части:
м2.
Статический момент по формуле (31) при ус=0,291м:
м3.
Касательные напряжения по формуле (30) при
м:
МПа.
Касательные напряжения по формуле (32) при tст=0,012 м, h=0,6 м, y=0,282 м:
МПа.
Суммарные касательные напряжения по формуле (29):
МПа.
Эквивалентные напряжения по формуле (23):
МПа.
2.3.1.9 Расчет эквивалентных напряжения для точки 3
Суммарные нормальные напряжения по формуле (25) при y=0 м, х=0,006 м:
МПа.
Площади отсеченных частей:
м2;
м2.
Статический момент по формуле (31) при ус 1=0,291 м; ус 2=0,141 м:
м3.
Касательные напряжения по формуле (30) при
м:
МПа.
Касательные напряжения по формуле (32) при tст=0,012 м, h=0,6 м, y=0:
МПа.
Суммарные касательные напряжения по формуле (29):
МПа.
Эквивалентные напряжения по формуле (23):
МПа.
В результате расчетов, выяснилось, что самая нагруженная точка 1.
Проверка выполнения условия прочности (22):
.
Условие прочности соблюдается, т.к. в металлоконструкции машин допускается превышение допускаемых напряжений на 5%. В данном случае превышение напряжений составляет 2,6 МПа, что составляет 1,19%.
2.3.1.10 Проверка прочности эквивалентных сечений
Максимальные усилия в рассматриваемых стержнях взяты из Приложения А и сведены в таблице 11
Таблица 11 – Максимальные усилия в стержнях
| База платформы, мм | № стержня | Продольная сила N, Н | Поперечная сила Qy, Н | Поперечная сила Qх, Н | Момент кручения Т, Н | Изгибающий момент Му, Н м | Изгибающий момент Мх, Н м |
| 19950 | Rod 209 | 262671,56 | -43378,06 | -38010,15 | 31,687 | 25246,176 | -235392,396 |
| Rod 207 | -263328,77 | -33375,21 | -38011,61 | 32,330 | 25247,478 | -152626,651 | |
| Rod 205 | -144492,37 | -5294,56 | -27002,8 | 34,074 | 12844,988 | -34289,368 |
Опасные сечения, сходные по геометрическим параметрам с сечением стержня Rod211 рассчитаны по формулам (21) – (31). Максимальные усилия в стержнях приведены в таблице 11. Результат расчетов сведен в таблицу 12.
Таблица 12 – Результат расчетов
| № стержня | Рассматриваемая точка сечения | Суммарные нормальные напряжения | Касательные напряжения | Касательные напряжения | Суммарные касательные напряжения | Эквивалентные напряжения |
| Rod 209 | 1 | 210,6 | 0 | 3,31 | 3,31 | 210,6 |
| 2 | 97,3 | 4,69 | 3,51 | 8,19 | 98,3 | |
| 3 | 26,7 | 6,96 | 6,62 | 13,6 | 35,6 | |
| Условие прочности выполняется: 210,6 МПа < 217,9 МПа | ||||||
| Rod 207 | 1 | 195,9 | 0 | 3,31 | 3,31 | 195,9 |
| 2 | 83,5 | 3,61 | 3,51 | 7,12 | 84,4 | |
| 3 | 26,8 | 5,36 | 6,62 | 11,9 | 33,9 | |
| Условие прочности выполняется: 195,9 МПа < 217,9 МПа | ||||||
| Rod 205 | 1 | 93,4 | 0 | 2,34 | 2,34 | 93,4 |
| 2 | 25,9 | 0,572 | 2,49 | 3,064 | 26,4 | |
| 3 | 13,5 | 0,849 | 4,71 | 5,56 | 17,9 | |
| Условие прочности выполняется: 93,4 МПа < 217,9 МПа | ||||||
Вывод: расчеты показывают что прочность боковых и хребтовых балок рамы в рассматриваемых сечениях достаточна.
2.3.2 Прочностной расчет поперечных балок рамы стенда
Исходные данные: материал: сталь 09Г2; тип сечения: квадратная труба 150 х 8; усилие вывешивания решетки Рвыв: 150 кН; усилие сдвига Qсдв: 170 кН.
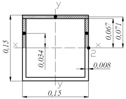
h – высота сечения, м; t – толщина стенки, м; 1, 2 – рассматриваемые в расчете точки.
Рисунок 27 – Сечение поперечной балки
2.3.2.1 Проверка прочности сечения стержня Rod177
Таблица 13 – Исходные данные для стержня Rod177
| Продольное усилие N, Н | Поперечное усилие Qу, Н | Поперечное усилие Qx, Н | Момент кручения Т, Н м | Изгибающий момент Му, Н м | Изгибающий момент Мх, Н м |
| 826,28 | -112090,98 | -103401,97 | 2496,069 | 19179,242 | 24469,752 |
Рисунок 28 – Геометрические характеристики сечения
Площадь сечения А, м2:
, (33)
где h – высота сечения, h=0,15 м; t – толщина стенки, t=0,008 м.
м2.
Моменты инерции относительно главных центральных осей Iх и Iу м4:
, (34)
м4.
2.3.2.2 Расчет эквивалентных напряжения для точки 1
Суммарные нормальные напряжения по формуле (25) при y=0,075 м, x = 0,075 м:
МПа.
Касательные напряжения
, МПа:
, (35)
где b – расстояние между стенками, b=0,142 м; y – расстояние от горизонтальной оси х-х до рассматриваемой точки, y=0,075 м.
МПа.
Касательные напряжения
рассчитаны по формуле (30) при bx=2t=0,016 м:
.
Касательные напряжения
, МПа:
, (36)
МПа.
Суммарные касательные напряжения по формуле (29):
МПа.
Эквивалентные напряжения по формуле (23):
МПа.
2.3.2.3 Расчет эквивалентных напряжения для точки 2
Суммарные нормальные напряжения по формуле (25) при y=0 м, х=0,075 м:
МПа.
Рисунок 29 – Схема к определению статического момента















