147347 (594335), страница 4
Текст из файла (страница 4)
.
.
.
.
.
Н.
Расчет усилий сдвига путевой решетки по формулам (12) – (20) при других величинах Sсдв сведен в таблицу 4.
Таблица 4 – Усилия сдвига РШР при величине L=18,1 м
| Величина сдвига решетки Sсдв , м | 0,03 | 0,06 | 0,09 | 0,12 | 0,15 |
| Расчетное усилие сдвига Q, H | 8880,9 | 17761,9 | 26642,9 | 35523,9 | 44404,9 |
| Продольное усилие растяжения Рпр, Н | 20567,7 | 82270,7 | 185109 | 329082,8 | 514191,9 |
| Граничное реактивное усилие R1 , Н | 4440,5 | 8880,9 | 13321,5 | 17761,9 | 22202,5 |
| Граничный реактивный момент M1 , Н м | 20093,2 | 40186,4 | 6027964,568 | 80372,8 | 100466,1 |
| Угол поворота рельсов г , рад | 0 | 0 | 0 | 0 | 0 |
| Дополнительный изгибающий момент Мда, Н м | 617 | 4936,2 | 16659,8 | 39489,9 | 77128,8 |
| Дополнительный изгибающий момент Мдб, Н м | 617 | 4936,2 | 16659,8 | 39489,9 | 77128,8 |
| Дополнительное усилие сдвига Qдоп, Н | 163,6 | 1309,1 | 4418,1 | 10472,5 | 20454,1 |
| Суммарное усилие сдвига Qсум, Н | 9044,6 | 19071 | 31061 | 45996,4 | 64858,9 |
Вывод: из расчетов, приведенных в таблице 4, видно, что при базе платформы 19950 мм, подъемно-рихтовочное устройство сможет произвести сдвиг решетки на величину 150 мм при максимальном усилии на штоках гидроцилиндров вывешивания – 170 кН.
2.2.2.2 Расчетный случай №2
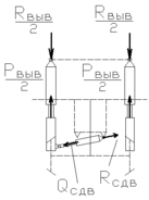
Исходные данные: длина защемленного рельса в пролете стенда L: 15,41 м; расстояние от оси ПРУ до ближайшей точки защемления рельса колесной парой передней тележки ПРУ ар: 9,05 м; расстояние от оси ПРУ до ближайшей точки защемления рельса колесной парой задней тележки bp: 6,36 м; величины сдвига путевой решетки Sсдв , м: 0,01; 0,03; 0,06; 0,09; 0,12; 0,15.
Рисунок 15 – Расчетная схема №2 к определению усилия сдвига РШР
Расчетная схема изображена на рисунке 15. Расчет усилий сдвига рельсошпальной решетки по формулам (11) – (19) при других величинах Sсдв и сведен в таблицу 5.
Таблица 5 – Усилия сдвига РШР при величине L=15,41 м
| Величина сдвига решетки Sсдв , м | 0,01 | 0,03 | 0,06 | 0,09 | 0,12 | 0,15 |
| Расчетное усилие сдвига Q, H | 5263,6 | 15790,9 | 31581,8 | 47372,8 | 63163,7 | 78954,6 |
| Продольное усилие растяжения Рпр, Н | 3152,7 | 28375,1 | 113500,3 | 255375,8 | 454001,4 | 709377,1 |
| Граничное реактивное усилие R1 , Н | 1949,7 | 5849,1 | 9008,4 | 17547,3 | 1949,7 | 1949,7 |
| Граничный реактивный момент M1 , Н м | 8114,2 | 24342,5 | 40570,8 | 73027,5 | 32672,5 | 39370,3 |
| Угол поворота рельсов г , рад | -0,003 | -0,008 | -0,001 | -0,025 | 0,092 | 0,118 |
| Дополнительный изгибающиймомент Мда, Н м | 109,5 | 2957,5 | 4167,1 | 79846,8 | -323285,4 | -648927,5 |
| Дополнительный изгибающий момент Мдб, Н м | -23,29 | -628,9 | 6274,4 | -16977,3 | 319959,6 | 637227 |
| Дополнительное усилие сдвига Qдоп, Н | 10,1 | 273,5 | 1736,4 | 7384,1 | 17503,2 | 34185,9 |
| Суммарное усилие сдвига Qсум, Н | 5273,8 | 16064,4 | 33318,2 | 54756,9 | 80666,9 | 113140,5 |
Вывод: из расчетов, приведенных в таблице 3, видно, что при базе платформы 17260 мм, подъемно-рихтовочное устройство сможет произвести вывешивание решетки на величину 150 мм при максимальном усилии на штоках гидроцилиндров вывешивания – 170 кН.
2.2.2.3 Расчетный случай №3
Исходные данные: длина защемленного рельса в пролете стенда L: 12,72 м; расстояние от оси ПРУ до ближайшей точки защемления рельса колесной парой передней тележки ПРУ ар: 9,05 м; расстояние от оси ПРУ до ближайшей точки защемления рельса колесной парой задней тележки bp: 3,67 м; величины сдвига путевой решетки Sсдв , м: 0,01; 0,03; 0,06; 0,09; 0,12; 0,15.
Рисунок 16 – Расчетная схема №4 к определению усилия сдвига РШР
Расчет усилий сдвига путевой решетки по формулам (11) – (19) при других величинах Sсдв сведен в таблицу 6.
Таблица 6 – Усилия сдвига РШР при величине L=12,72 м
| Величина сдвига решетки Sсдв , м | 0,01 | 0,03 | 0,06 | 0,09 | 0,12 | 0,15 |
| Расчетное усилие сдвига Q, H | 15406,8 | 46220,4 | 92440,9 | 138661,3 | 184881,7 | 231102,1 |
| Продольное усилие растяжения Рпр, Н | 4627,3 | 41645,5 | 166582,1 | 374809,6 | 666328,2 | 1041137,9 |
| Граничное реактивное усилие R1 , Н | 3107,5 | 9322,6 | 18645,2 | 27967,8 | 37290,4 | 46613 |
| Граничный реактивный момент M1 , Н м | 11606,9 | 34820,9 | 69641,8 | 104462,8 | 139283,8 | 174104,7 |
| Угол поворота рельсов г , рад | -0,009 | -0,028 | -0,057 | -0,085 | -0,114 | -0,142 |
| Дополнительный изгибающиймомент Мда, Н м | 443,1 | 11962,2 | 95662,7 | 322666,9 | 764194,3 | 1490946 |
| Дополнительный изгибающий момент Мдб, Н м | -114,6 | -3094,9 | -24745,5 | -83437,1 | -197514,8 | -385113,9 |
| Дополнительное усилие сдвига Qдоп, Н | 21,3 | 574,2 | 4593,4 | 15502,7 | 36747,1 | 71771,7 |
| Суммарное усилие сдвига Qсум, Н | 15428,1 | 46794,6 | 97034,3 | 154163,9 | 221628,8 | 302873,9 |
Вывод: из расчетов, приведенных в таблице 6, видно, что при базе платформы 14570 мм, подъемно-рихтовочное устройство сможет произвести сдвиг решетки на величину между 90 и 120 мм при максимальном усилии на штоках гидроцилиндров вывешивания – 170 кН.
2.3 Конструирование элементов стенда
2.3.1 Прочностной расчет боковых и хребтовых балок рамы стенда
Исходные данные: материал: сталь 09Г2; тип сечения: двутавр №60; усилие вывешивания решетки Рвыв: 150 кН; усилие сдвига Qсдв: 170 кН.
Цель расчета: проверка несущей способности боковых и хребтовых балок.















