15224 (585594), страница 9
Текст из файла (страница 9)
В таблице 3.1 приведены механические характеристики мобильных бункерных кормораздатчиков, которые широко применяются в сельскохозяйственном производстве на свиноводческих фермах и комплексах.
Таблица 3.1. Технические характеристики мобильных кормораздатчиков
| Показатели | КС – 1.5 | РС – 5.0А | КЭС – 1.7 | КСП – 0.8 |
| Вместимость бункера, м3 Производительность, т/ч: – на смешивании – на раздаче сухого корма – на раздаче влажного корма Скорость передвижения при раздаче, м/с Ширина колеи, мм Требуемая ширина кормового проезда по кромкам кормушек, мм Число электродвигателей, шт. Потребляемая мощность, кВт Габаритные размеры, мм – длина – ширина – высота Масса, кг | 2.0 4.8 48.8 30.14 0.52 750 1400 4 7.35 2500 1730 1850 930 | 0.8 1.8 – 25.5 0.47 616 1400 1 3.0 3315 1675 1120 650 | 1.7 – 38.7 14.6 0.52 600…700 – 3 5.2 3000 996 1405 760 | 0.8 – 0.5 4.0 0.25 750 1400 3 4.5 26000 1800 1700 790 |
На свиноводческих фермах и комплексах широко применяется электромобильный кормораздатчик КЭС – 1.7. Он предназначен для дозированной раздачи в две рядом расположенные кормушки сухих, гранулированных и полужидких кормов, а также измельченных корнеклубнеплодов и зеленой массы.
Для изучения представленного выше кормораздатчика важно знать его конструкцию и технологическую схему, которая приведена на рисунке 3.1.
Рисунок 3.1. Технологическая схема мобильного кормораздатчика КЭС–1.7: 1 – тележка; 2 – бункер; 3 – шнек подающий; 4 – рычаг; 5 – заслонка; 6 – выгрузной люк; 7 – лоток; 8 – поводок-кронштейна ввода электропитания; 9,11 – электродвигатели; 10 – электропривод
Электрифицированный кормораздатчик КЭС–1.7 предназначен для раздачи кормов на свиноводческих фермах. Представляет собой бункер 2 (рис. 3.1) для корма, установленный на самоходной двухосной тележке 1, передвигающейся над двумя рядами кормушек по рельсовому пути, который расположен на эстакаде. Внутри бункера размещены два шнека 3, подающих корма к выгрузным окнам. Каждое окно закрывают заслонкой вручную.
Кормораздатчик передвигается при помощи индивидуального электропривода с асинхронным короткозамкнутым электродвигателем 10. Механизм выдачи кормов также от отдельных асинхронных короткозамкнутых электродвигателей 9 и 11. Индивидуальный электропривод значительно упрощает кинематическую схему кормораздатчика и тем самым повышает его эксплуатационную надежность.
Питание к электродвигателям от электросети 380/220 В подводится по гибкому кабелю. Кабель вводится в кормораздатчик с помощью поводка-кронштейна 8 и укладывается в деревянный лоток 7.
Управление кормораздатчиком автоматизированное, с помощью четырех конечных выключателей и реле времени. Упоры, посредством которых срабатывают конечные выключатели, – передвижные, что позволяет раздавать корма в любом месте кормушек.
3.1.2 Разработка функциональной схемы автоматизации
Функциональные схемы автоматизации являются функциональным техническим документом, поясняющим определенные процессы, протекающие в системе, определяющим структуру и уровень автоматизации технологического процесса (оснащение приборами и средствами автоматизации, организации пунктов контроля, защиты и управления, оснащение средствами сбора и обработки, а также передачи полученной информации).
Функциональная схема автоматизации связана непосредственно с технологией производства и технологическим оборудованием и как правило, показывается размещение технологического оборудования.
Технологическое оборудование на функциональных схемах должно соответствовать своей действительной конфигурации, но изображается упрощенно. Изображение технологического оборудования и трубопроводов должно показывать их взаимное расположение, взаимосвязи между ними и взаимодействие с приборами и средствами автоматизации.
Порядок составления функциональной схемы следующий:
-
Схематически показываем технологическую схему мобильного кормораздатчика КЭС–1.7.
-
Устанавливаем технологические параметры, подлежащие автоматическому регулированию и контролю.
-
Определяем технологическое оборудование (привода, механизмы) управляемые автоматически или дистанционно.
-
Размещаем приборы и аппаратуру на щитах или непосредственно у агрегатов.
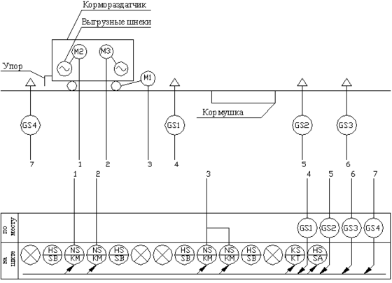
Реализуя эти требования, строим функциональную схему автоматизации, которая приведена на рисунке 3.2.
Рисунок 3.2. Функциональная схема мобильного кормораздатчика КЭС–1.7
3.1.3 Разработка принципиальной электрической схемы автоматизации
Схема управления должна обеспечивать:
-
Управление линией в автоматическом и ручном режимах, их разделение, осуществляющее исключение возможности работы в нескольких режимах одновременно.
-
Отключение исполнительных органов при кратковременном снятии напряжения со схемы питания, без последующего автоматического включения при подаче напряжения.
-
Осуществление включения исполнительных механизмов в порядке протекания технологического процесса, осуществления от неправильных действий обслуживающего персонала.
-
Осуществление световой сигнализации, контролирующей порядок протекания технологического процесса.
Разработаем алгоритм управления оборудованием технологической линии.
Рассмотрим описание цикла работы технологической линии раздачи корма при помощи кормораздатчика КЭС–1.7.
Линию в работу включает оператор при помощи кнопочного поста. Включение контакта кнопочной станции кратковременное, при этом кормораздатчик включается и перемещается к началу кормушек, где он останавливается, двигатель привода движения реверсируется, и включаются выгрузные шнеки транспортеров, т.е. происходит раздача корма. В конце кормушек выгрузные шнеки останавливаются. Через некоторое время включается реверс привода движения кормораздатчика, и он возвращается в исходное положение.
Для обеспечения формализации процесса релейно–контактной схемы (РКС) необходимо от рабочих органов и механизмов перейти к исполнительным органам системы управления. В схемах управления исполнительные органы обозначаем буквой – Xi, реле времени – Zi, а его контакт – Zґi, датчик, который приводится в действие от внешнего воздействия – bi, кнопочную станцию – ai.
Заменим исполнительные органы и механизмы новыми обозначениями, и составим новую технологическую схему раздачи корма электромобильным бункерным кормораздатчиком КЭС–1.7 в выше описанной последовательности. Даная схема предоставлена на рисунке 3.3.
Рисунок 3.3. Технологическая схема раздачи корма мобильным кормораздатчиком КЭС–1.7
Составим таблицу, в которой приведем буквенные обозначения командных, исполнительных и промежуточных органов релейно-контактной схемы.
Таблица 3.2. Буквенные обозначения командных и промежуточных органов
| Обозначение элемента | Назначение элемента РКС | Механизм, управляющий элементом, место установки элемента |
| 1 | 2 | 3 |
| Х1 Х2 Х3 Х4 Z1 Zґ1 b1 b2 b3 b4 a1 | Катушка магнитного пускателя привода кормораздатчика «вперед». Катушка магнитного пускателя привода выгрузного шнека 1. Катушка магнитного пускателя привода выгрузного шнека 2. Катушка магнитного пускателя привода кормораздатчика «назад». Катушка реле времени. Контакт реле времени. Конечный выключатель включающий выгрузные транспортеры. Конечный выключатель отключающий выгрузные транспортеры. Конечный выключатель отключающий электропривод движения «вперед». Конечный выключатель отключающий электропривод движения «назад». Контакт кнопочной станции, включающий привод кормораздатчика движения «вперед». | Кормораздатчик Выгрузной шнек 1 Выгрузной шнек 2 Кормораздатчик Щит управления Щит управления Выгрузные транспортеры Выгрузные транспортеры Кормораздатчик Кормораздатчик Щит управления |
Следующим шагом в направлении алгоритмизации технологического процесса является его описание при помощи символов.
В таблице 3.3 приведем некоторые символы и операции, позволяющие связать элементы РКС временной или иной зависимостью.
Таблица 3.3. Символы операций и действий
| Наименование операций, условия их выполнения | Символ | Пример |
| Элемент изменяет исходное состояние Элемент возвращается в исходное состояние Последовательные операции Параллельные операции (начало) Параллельные операции (завершение) Механизм совершает вращение – по часовой стрелке – против часовой стрелки Механизм совершает движение «вперед» Механизм совершает вращение «назад» | ↑ ↓ – → ← | ↑Х ↑b ↓Х ↓b ↑Х – ↑b |
Используя словесное описание технологического процесса, заменяя механизмы соответствующими элементами, составим символическое описание для нашего примера.
Error: Reference source not found
Error: Reference source not found














