15224 (585594), страница 11
Текст из файла (страница 11)
Для включения любого исполнительного элемента необходимо обеспечить замкнутое состояние цепочки управления этим элементом в такте срабатывания.
Согласно теории релейных устройств в эту цепочку необходимо последовательно включить все элементы, входящие в частную таблицу включений без исполнительного элемента. Последовательное включение элементов соответствует операции умножения в алгебре логики. Это логическое произведение называется функцией срабатывания fср элемента. В такте отпускания цепь управления элементов должна быть разомкнута так же, как и для всех остальных тактов отключенного состояния элементов, исключая такт срабатывания.
Логическое произведение контактов элементов, входящих в частную таблицу включения, должно в такте отпускания обеспечить замкнутую цепь. Это логическое произведение называется функцией fотп, т.е. функцией отпускания. Для реализации функций fср и fотп замкнутые контакты элементов, входящих в логическое произведение, записываем из частной таблицы включений без инверсий, а разомкнутые – с инверсией.
Из структурной теории релейных устройств известна общая формула для определения первоначальной структуры цепи управления, какого-либо элемента Х:
, (101)
где f ср (X) – логическое произведение контактов элементов в тактах
срабатывания, обеспечивающих замкнутую цепь элемента, для которого составляется структурная формула;
– логическое произведение контактов элементов в тактах
отпускания, обеспечивающих замкнутую цепь элемента, для которого составляется структурная формула.
Первоначальная структура цепи управления для исполнительного механизма Х1 будет иметь вид:
Для исполнительных элементов Х2, Х3:
Для исполнительного элемента Х4:
Для исполнительного элемента Z1:
В горизонтальные строки таблиц покрытий вписываем все слагаемые произведения, имеющиеся в первоначальных структурных формулах, элементов а в вертикальные столбцы номера тактов включенного состояния данного элемента, в такт числа и номер такта срабатывания, т.е. от такта срабатывания до такта отпускания.
Таблица 3.8. Таблица покрытий для элемента Х1
| Произведение | Такты | |||||||||
| 0 | 1 | 2 | 3 | 4 | 5 | 6 | 7 | 8 | 9 | |
| | ||||||||||
| | ||||||||||
| | ||||||||||
Таблица 3.9. Таблица покрытий для элемента Х2, Х3
| Произведение | Такты | ||
| 4 | 5 | 6 | |
| | |||
| | |||
| | |||
| | |||
Таблица 3.10. Таблица покрытий для элемента Х4
| Произведение | Такты | ||||||||
| 12 | 13 | 14 | 15 | 16 | 17 | 18 | 19 | ||
| | |||||||||
| | |||||||||
| | |||||||||
В последнюю очередь составляем таблицу покрытий для исполнительного элемента Z1, осуществляющим управление кормораздатчиком по суточной программе.
Таблица 3.11. Таблица покрытий для элемента Х1
| Произведение | Такты | ||
| 10 | 11 | 12 | |
| | |||
| | |||
| | |||
Произведем нормализацию состояния контактов.
Под нормализацией имеется в виду выполнение требований оформления принципиальных электрических схем, где контакты приборов и аппаратов, а также всех коммутационных устройств на схеме показывают в нормальном положении, когда отсутствует ток во всех целях схемы и внешние принудительные воздействия на механические части подвижных контактов.
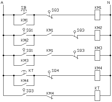
Исходя из таблиц покрытия 3.8 – 3.11 структурные формулы и структурные релейно-контактные схемы управлением исполнительными элементами будут иметь вид:
Для элемента Х1:
Рисунок 3.4. Упрощенная схема управления кормораздатчиком, движение «вперед» в автоматическом режиме
Для элементов Х2 и Х3:
Соответственно для данных элементов составляем упрощенные структурные схемы управления выгрузными шнеками, приведенные на рисунке 3.5.
Рисунок 3.5. Упрощенные структурные схемы управления выгрузными шнеками в автоматическом режиме
Для элемента Х4:
Рисунок 3.6. Упрощенная структурная схема управления кормораздатчиком, движение «назад» в автоматическом режиме
Для элемента Z1:
Рисунок 3.7. Упрощенная структурная схема управления работой реле времени в автоматическом режиме
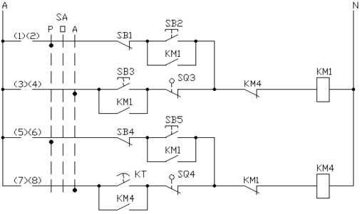
Зная условные буквенные обозначения отдельных элементом, а также зная их графическое обозначение, принятое в типовых электрических схемах автоматизации управления технологическими процессами, и применяемые при составлении электрических принципиальных схем управления, составляем электрическую принципиальную схему управления электромобильным бункерным кормораздатчиком КЭС–1.7 в автоматическом режиме. Данная схема приведена на рисунке 3.8.
Рисунок 3.8. Принципиальная схема управления мобильным кормораздатчиком КЭС–1.7 в автоматическом режиме
Разрабатываем полную принципиальную электрическую схему управления кормораздатчиком КЭС–1.7 в автоматическом режиме.
При переходе от упрощенной схемы к полной принципиальной схеме автоматизации необходимо учесть ряд факторов, определяющих ее окончательную структуру:
– действительное состояние органов управления в исходном (отключенном) состоянии схемы;
– действительное наличие контактов у всех элементов схемы управления (наличие ручного и наладочного режимов, схем контроля и сигнализации);
– дополнительные аппараты аварийного отключения;
– действительное наличие контактов у всех элементов схемы управления;
– аппараты выбора необходимого режима работы системы управления, устраняющие наличие управления в нескольких режимах;
– дополнительные аппараты аварийного отключения.
Для управления реверсивным электроприводом движения кормораздатчика применим электрическую блокировку исключающую одновременную работу двух пускателей.
Предусмотрим ручной режим управления при помощи кнопочных постов. Для осуществления работы кормораздатчика в автоматическом и ручном режиме, а также для контроля за технологическим процессом раздачи кормов предусматриваем установку универсального переключателя и ламп световой сигнализации.
Рисунок 3.9. Управление электроприводом в ручном и автоматическом режимах
Разработку остальных цепей управления ведем аналогичным образом с добавлением необходимых элементов. Произведем описание работы полной принципиальной электрической схемы управления.
При помощи автоматического выключателя QF1 подаем напряжение на схему управления. Рассмотрим работу схемы в автоматическом режиме, для чего автоматический переключатель SA ставим в положение А. Линию в работу включает оператор кнопочной станцией при помощи кнопки SB3, в результате чего получает питание магнитный пускатель КМ1, замыкаются его контакты КМ1.2 (осуществляем шунтирование кнопки SВ4), КМ1.3, КМ1.4 (для подготовки к пуску КМ2 и КМ3) и в цепи магнитного пускателя КМ4 размыкается контакт КМ1.5. кормораздатчик по средством запитки КМ2 начинает движение «вперед». При начале движения кормораздатчика конечный выключатель SQ4 возвращается в исходное положение подготавливая КМ4 к пуску. При подходе кормораздатчика к кормушкам, он посредством упора воздействует на конечный выключательSQ1 и через его контакты SQ1.1 и SQ1.2 получают питание магнитные пускатели КМ2 и КМ3, в работу включаются выгрузные шнеки кормораздатчика. В конце кормушки кормораздатчик воздействует через упор на конечный выключатель SQ2 и размыкаются контакты SQ2.1 и SQ2.2, обесточиваются магнитные пускатели КМ2 и КМ3, выгрузные шнеки останавливаются. Освободив кормушку кормораздатчик воздействует упором на конечный выключатель SQ3. В цепи км1 размыкается контакт SQ3.1, КМ1 обесточивается и кормораздатчик останавливается. В цепи реле времени КТ замыкается контакт SQ3.2, в результате чего оно срабатывает и через 2 сек. запитывает через свой контакт КТ, магнитный пускатель КМ4, осуществляющего привод движения кормораздатчика «назад». Контакт реле времени КТ шунтируется замыкающим контактом КМ4.2, и катушка реле времени обесточивается, т. к. размыкается контакт КМ4.3. В цепи КМ1 размыкается контакт электрической блокировки КМ4.4. По возвращении кормораздатчика в исходное состояние он упором воздействует на конечный выключатель SQ4, в результате чего обесточивается КМ4 и кормораздатчик останавливается и вновь готов к работе.
Заменим некоторые части релейно-контактной схемы на элементы и устройства импульсной и цифровой электроники, а в часности произведем управление тележкой кормораздатчика при помощи контроллера фирмы mitsubishi, выбор производим по числу коммутируемых входов и выходов.
Для программирования контроллера воспользуемся пакетом AL-PSC/WIN-E.
3.2 Расчет и выбор аппаратов защиты
В качестве аппарата защиты от перегрузки, обрыва фаз примем к использованию преобразователь тока.
-
Предназначен для преобразования переменного тока в пропорциональный выходной ток с гальванической развязкой между силовой и измерительной цепями.
Электрические параметры
Iвх – Номинальный входной ток, амплитудное значение 20 А
Iпр – Диапазон входных токов 0 … 40 А
Iвых – Выходной ток 4…20 мА в диапазоне входных токов 0…20 А
Uвых – Выходное напряжение 0…10 В в диапазоне входных токов 0…20А
Напряжение питания + 15…+36 В; потребляемый ток 18 + Iвых, мА
Частотный диапазон 20 … 500 Гц
Рабочая температура –30 …+70 С
Основная погрешность не более 2%
Дополнительная погрешность в рабочем диапазоне температур <0,2%/10C
Чувствительный элемент – микросхема с датчиком Холла.
Принципиальная электрическая схема преобразователя тока приведена на рис. 1. Микросхема DA1 с датчиком Холла (чувствительный элемент, реагирующий на магнитное поле) помещен в зазор тороидального магнитопровода. Магнитная индукция в зазоре пропорциональна току в силовом проводнике, проходящем через магнитопровод. Микросхема DA1 обеспечивает линейно изменяющееся выходное напряжение, пропорциональное индукции магнитного поля в зазоре во всем диапазоне измеряемых токов в силовой цепи.
Переменное напряжение с выхода DA1 через разделительный конденсатор С8 поступает на вход двухполупериодного выпрямителя на микросхеме DA2 (сдвоенный операционный усилитель). Напряжение на выходе выпрямителя сглаживается RC-фильтром R8, C5 и поступает на вход масштабного усилителя DA4, а также на вход преобразователя «U-I» на микросхеме DA3.
Таким образом, напряжение на выходе DA4 пропорционально току в силовой цепи. Ток на выходе DA3 изменяется в пределах 4–20 мА в рабочем диапазоне силовых токов. При соответствующем включении микросхемы DA3 можно обеспечивать выходной сигнал 0–20 мА. Напряжение на выходе масштабного усилителя изменяется от 0 до 10В.
Напряжение питания измерительной схемы стабилизировано микросхемой DA4 на уровне 12В при изменении питающего напряжения в пределах 15–36В.
Электрические параметры преобразователя тока на основе датчика Холла следующие:
Iвх – Номинальный входной ток, амплитудное значение 20 А
Iпр – Диапазон входных токов 0 … 40 А
Iвых – Выходной ток 4…20 мА в диапазоне входных токов 0…20 А
Uвых – Выходное напряжение 0…10 В в диапазоне входных токов 0…20А
Напряжение питания + 15…+36 В; потребляемый ток 18 + Iвых, мА
Частотный диапазон 20 … 500 Гц
Рабочая температура –30 …+70 С
Основная погрешность не более 2%
Дополнительная погрешность в рабочем диапазоне температур <0,2%/10C
При соответствующей настройке пределы измерения преобразователя тока можно изменять в широких пределах (от десятков миллиампер до сотен ампер).
Принцип действия датчика Холла.
Датчик Холла – полупроводниковый преобразователь, представляющий собой тонкую пластинку с четырьмя электродами (рис. 2), выполненную из полупроводникового материала с высокой подвижностью носителей заряда (кремний, германий или полупроводниковые соединения).
Если через такую пластинку, помещенную в магнитное поле Н проходит ток I, то на параллельных направлению тока гранях пластинки возникает эдс Холла, (В)
, (102)
где R – постоянная Холла (см
/к); d, l, a – размеры датчика Холла; (l/a) – функция, зависящая от геометрии элемента Холла.
Так как сигнал с выхода элемента Холла невелик, зависит от напряжения питания и температуры, датчик Холла выполняют в виде интегральной микросхемы, содержащей элемент Холла, стабилизатор напряжения, усилитель и схему термокомпенсации.
При использовании датчика Холла в преобразователях тока он помещается в воздушном зазоре магнитопровода из трансформаторной стали, пермаллоя или феррита. Проводник, ток в котором надо измерить, проходит через окно магнитопровода.
Индукция магнитного поля B в воздушном зазоре определяется по формуле
, (103)
где
– магнитная постоянная, равная
;
- магнитная проницаемость материала магнитопровода.
Измерительные преобразователи на основе датчиков Холла позволяют измерять как переменный, так и постоянный ток.
3.2 Разработка шкафа управления
Шкафы управления выполняют роль постов управления, контроля, сигнализации автоматизированного объекта. Он является связующим звеном между оператором и объектом. На щитах располагают средства контроля, управления, сигнализации технологических процессов, надписи поясняющие назначение отдельных элементов.
Искомая площадь монтажной панели щита управления определяется по формуле, мм2.
S=∑(А+2b)·(B+2a), (104)
где А – ширина аппарата, мм;
B – высота аппарата, мм;
a – размер, учитывающий вертикальную монтажную зону,
а = 10 ч 50 мм;
b – размер, учитывающий горизонтальную монтажную зону,
b = 10 ч 50 мм;
Принимаем стандартный малогабаритный щит, основные размеры которого сведены в таблице 3.12.
Таблица 3.12. Габаритные размеры щита управления марки ЩШМ
| Основные параметры | |||||
| Высота | Ширина | Глубина | |||
| H | h | L | l | B | |
| 600 | 560 | 400 | 334 | 350 | |
Разработаем схему внутренних соединений щита управления.
Схема соединения показывает порядок соединения электрооборудования внутри отдельной сборочной единицы (шкафа, щита).
Схемы соединений являются безмонтажным документом и должны точно соответствовать электрической принципиальной схеме управления.
У каждого зажима элементов подписывают адрес, причем для обозначения последнего используют позиционные обозначения того элемента, кому это соединение адресовано.
Произведем разработку схемы соединений щита управления мобильного кормораздатчика, для этого на отдельных сборочных единицах щита управления размещаем условные изображения монтажных единиц приборов и аппаратов в соответствии со схемой расположения, разрабатываем отдельные монтажные единицы элементов схемы управления мобильным кормораздатчиком.
Под монтажными единицами указываем позиционные обозначения приборов, принятые на электрической принципиальной схеме управления.
У каждого элемента подписываем адреса элементов, к которым это соединение адресовано.
Разработаем схему подключения. Схемы подключения показывают внешние соединения между отдельными сборочными единицами, т.е. показывают, каким образом выполняются внешние соединения шкафов, щитов управления, датчиков и исполнительных механизмов.
Электрические связи в таких схемах изображают сплошными линиями в однолинейном исполнении и линии в местах присоединения к элементам цепей разделяют, чтобы показать их маркировку.
4. Экономическая часть
4.1 Обоснование расчета экономической эффективности автоматизации кормораздачи в свинарнике-откормочнике на 600 голов
В настоящее время государством все больше средств выделяется на развитие материально технической базы сельскохозяйственных предприятий, в том числе на развитие электрификации и автоматизации сельскохозяйственного производства, которые в большей степени влияют на повышение производительности труда, снижение себестоимости продукции в целом. Поэтому перед работниками сельскохозяйственных предприятий стоит задача снизить как можно больше единиц затрат – трудовых, материальных, финансовых.
Расчет экономической эффективности автоматизации раздачи корма начинаем с изучения технологического процесса. При этом определяем за счет чего получается дополнительный доход при внедрении предлагаемого варианта. Расчет производим методом сравнения двух вариантов: существующего и предполагаемого.
Таким образом, изменив, базовую схему кормораздачи и дополнительно поставив новую аппаратуру управления, тем самым делая работу кормораздатчика в автоматическом режиме вместо ручного можно получить значительный экономический эффект. При автоматизированной раздаче корма улучшаются: условия кормления и достигается (около 4 – 6%) экономия кормов.
Установленная на ферме кормораздаточная линия РКС – 3000М предназначена для раздачи сухих, влажных и сочных кормов в свинарниках-откормочниках, установленная мощность которой 7.5 кВт. Предлагаемый вариант – мобильный кормораздатчик КЭС-1.7, также предназначен для раздачи в кормушки сухих, гранулированных кормов и влажных кормосмесей в свинарниках-откормочниках, установленная мощность его – Р = 5.9 кВт.
Расчет экономической эффективности проведем методом сравнения двух этих кормораздатчиков.
4.2 Натуральные технико-экономические показатели
Объем производства и годовой фонд времени
Прирост объема производства при применении новой технологии,
∆V = V2 – V1, (109)
где V1 – годовой объем производства при старой технологии, ц;
V2 – годовой объем производства в проектируемом варианте, ц;
V= д ·Пр ·nж ·nсут, (110)
где д – коэффициент учитывающий рост продуктивности животных;
Пр – среднесуточный привес одной головы, гр;
nж – поголовье животных;
nсут – число суток работы установки в году, сут.
Тогда
V1 = 1 · 500 · 600 · 365=1095 ц,
V1 = 1.01 · 500 · 600 · 365=1105,95 ц,
∆V = 1105,95 – 1095=10,95 ц.
Потребляемая электроэнергия за год, кВт·ч/год:
W=Pуст·tр, (111)
где Pуст – установленная мощность установки, кВт;
tр – время работы установки, согласно технологии производства, ч.
W = 7.5 · 730 = 5475 кВт·ч/год,
W = 5.9 · 730 = 3796 кВт·ч/год.
4.3 Исходные стоимостные показатели
Определяем капиталовложения, тыс. руб.
(112)
где би – коэффициент, учитывающий рост цен, 1500 /10/;
Коб – балансовая стоимость оборудования в ценах 1990 г., тыс. руб.
Балансовую стоимость оборудования находим как:
(113)
где Цоб – отпускная цена оборудования по прейскуранту, руб.
Кт.р – коэффициент, учитывающий транспортные расходы, 1.15 /10/;
Км – коэффициент, учитывающий затраты на монтаж, 1.2.
Тогда согласно прейскуранта: Цоб1 = 1200 руб., в ценах 1990 года; Цоб2 =3089,5 руб., в существующих ценах.
Балансовая стоимость действующего оборудования:
Капиталовложения в существующее оборудование:
Определяем эксплуатационные расходы, тыс. руб.
(114)
где Иа – амортизационные отчисления, тыс. руб.;
Ит.р – отчисления на текущий ремонт, тыс. руб.;
Иэл – затраты на электроэнергию, тыс. руб.;
П – прочие, неучтенные затраты, принимаются 2% от суммы
всех затрат.
Определяем амортизационные отчисления, тыс. руб.
(115)
где На – норма амортизационных отчислений, 16.8.
Тогда
Определяем отчисления на текущий ремонт, тыс. руб.
(116)
где Нт.р – норма отчислений на текущий ремонт, 7%.
Тогда
Определяем затраты на электроэнергию, тыс. руб.
(117)
где Рн – установленная мощность электродвигателей, кВт;
Кз – коэффициент загрузки электродвигателей, 0.7;
Ю – КПД передачи, 0.8;
t – число часов работы оборудования в сутки, 1 час.
D – число рабочих дней в году, 365;
Т – тариф на электроэнергию, 74,8 руб./кВт·ч.
Тогда
Тогда эксплуатационные затраты равны:
4.4 Критерий эффективности капиталовложений
Определим инвестиционный доход, тыс. руб.
где Ц – стоимость свинины в живом весе, Ц=300 тыс. руб./ц;
Тогда
Определим дисконтированную стоимость, тыс. руб.
(118)
где Е – базовая процентная ставка, 0.15;
Т – число лет получения дохода.
(119)
Тогда
Тогда согласно формулы (6.7) получаем
Определяем чистый дисконтированный доход, тыс. руб.
(120)
Тогда
Определим коэффициент роста капитала.
(121)
Тогда
Определим коэффициент возврата капитала.
(122)
Тогда
Определим срок возврата капитала.
(123)
Тогда
Вывод: расчеты показали, что применение кормораздатчика КЭС–1.7 будет эффективно, так как предлагаемый вариант дешевле, легок в обслуживании, и с низким энергопотреблением.
Технико-экономические показатели проекта приведены на листе 8 графической части проекта.
Заключение
Целью написания дипломного проекта являлось: рассчитать и обосновать выбор технологического оборудования и необходимого привода к нему; защитить привод аппаратами защиты и обеспечить их управление; осуществить и обосновать выбор и прокладку необходимой электрической проводки и способов ее прокладки; осуществить снабжение объекта; разработать схему автоматизации раздачи корма при помощи мобильного кормораздатчика, а также произвести выбор элементов и средств автоматизации и управления; осуществить разработку мероприятий по безопасности жизнедеятельности и экологии; осуществить экономическое обоснование проекта.
В результате выполнения дипломного проекта было выбрано и спроектировано все необходимое электрооборудование свинарника-откормочника на 600 голов. Произведен выбор нового, более экономичного и эффективного оборудования, в частности вместо применяемого стационарного кормораздатчика РКС-3000М был установлен электромобильный кормораздатчик КЭС-1.7, так как меньше по габаритам, прост при монтаже и обслуживании, удобен при замене и ремонте, а также он менее энергоемок так как его установленная мощность меньше чем у стационарного. В процессе написания дипломного проекта было произведено экономическое обоснование замены стационарного кормораздатчика мобильным и разработаны соответствующие мероприятия по электробезопасности.
Литература
1. Правила устройства электроустановок /Минэнерго СССР. 6-е издание, переработанное и дополненное. – М.: Энергоатомиздат, 1986. – 460 с.
2. Письменов В.Н. и др. Механизированные свиноводческие фермы и комплексы. – М.: Россельхозиздат, 1978. – 220 с.
3. Герасимович Л.С., Цубанов Б.Х. Справочник по теплоснабжению
селъского хозяйства.-Мн.: Ураджай, 1993. – 368 с.
4. Кудрявцев И.Ф., Калинин Л.А. Электрооборудование и автоматизация сельскохозяйственных агрегатов и установок. – М.: Агропромиздат, 1988. – 460 с.
5. Каганов И.Л. Курсовое и дипломное проектирование. – М.: Агропромиздат, 1990. – 351 с.
6. Степанцов В.П. Светотехническое оборудование в сельскохозяйственном производстве. Справочное пособие. – Мн.: Ураджай, 1987. – 216 с.
7. Харкута К.С. и др. Практикум по электроснабжению сельского хозяйства. – М.: Агропромиздат, 1992. – 223 с.
8. Елистратов Г.С. Электрооборудование сельского хозяйства (справочник). – Мн.: Ураджай, 1986. – 328 с.
9. Саевич И.Ф. и др. Экологическая безопасность на объектах АПК. – Мн.: Ураджай, 1998. – 199 с.
10. Ширшова В.В. и др. Экономическая эффективность капиталовложений в условиях рынка. – Мн.: НИК «Маркетинг», 1994. – 106 с.
11. Долин П.А. Справочник по технике безопасности. 6-е изд., перераб. И доп. – М.: Энергоиздат, 1986. – 681 с.
12. Луковников А.В., Шкрабак В.С. Охрана труда – М.: Агропромиздат, 1991. – 319 с.
13. Будзько И.А., Зуль Н.М. Электроснабжение сельского хозяйства. – М.: Агропромиздат, 1990. – 496 с.
14. Методическое указание к курсовому проекту по электроприводу. – Мн.: БАТУ 19. – 91 с.
15. Занберов А.К. Методические указания по выполнению курсового проекта по дисциплине «Проектирование электрооборудования» для студентов специальности 03.02. – Мн.: БАТУ, 2000. – 137 с.
16. Янукович Г.Ю. Методические указания по расчету электрических нагрузок в сетях сельскохозяйственного назначения. – Мн.: БАТУ, 1984. – 70 с.
Размещено на Allbest.ru
0>0>














