15224 (585594), страница 7
Текст из файла (страница 7)
при 25% нагрузке:
U25=H25+U25, (75)
где H100 иH25 – сумма надбавок напряжения соответственно при 100% и 25% нагрузке, %;
U100 и U25 – сумма потерь напряжения соответственно при 100% и 25% нагрузке, %.
Произведём расчёт допустимых потерь напряжения у потребителя при известных данных: отклонение на шинах питающей подстанции – 0%, 0%, надбавка за счёт ответвлений трансформатора 10/0,4 кВ – +5%, +5%, соответственно при 100% и 25% нагрузки.
Рассчитаем отклонение напряжения при 100% нагрузки у потребителя: U100=0+5+(-4)+5=+6%.
Разделим пополам потерю напряжения (+6%) для линий 10 кВ и 0,38 кВ. С учётом этого получаем: для линии 10 кВ – (-3%), и для линии 0,38 кВ – (-3%). Разделим потерю напряжения в линии 0,38 кВ на потерю во внешних сетях и внутренних сетях в соответствии с НПС-94 (2,5% – во внешние сети и 0,5% – во внутренние сети).
Произведём проверку:
U100=0+(-3)+5+(-4)+(-2,5)+(-0,5)+5=0%.
Для линии 0,38 кВ при 25% нагрузки произведём проверочный расчёт:
U25=0+(-0,75)+5+(-1)+0+0=+3,25%.
Следовательно, таблица отклонения напряжений составлено, верно, т. к. при 100% нагрузки, отклонение напряжения у потребителя не превышает –5%, а при 25% нагрузки не превышает +5%. Составим таблицу 2.10 отклонения напряжения при питании от шин 10 кВ.
Таблица 2.10. Расчёт допустимых потерь напряжения у потребителя
| Элементы электрической сети | Отклонение напряжения, % при нагрузке | |
| 100% | 25% | |
| Шины питающей подстанции | 0 | 0 |
| Потери в ВЛ 10 кВ | -3 | -0,75 |
| Потребительский трансформатор 10/0,4 кВ: – надбавка за счет ответвления – потери напряжения | +5 -4 | +5 -1 |
| Потери напряжения в сети 0,38 кВ: – во внешних сетях – во внутренних сетях | -2,5 -0,5 | 0 0 |
| Отклонение напряжения у потребителя | -5 | +3,25 |
2.9.2 Расчет электрических нагрузок объекта
Определим суммарную расчётную активную нагрузку всего объекта.
Делим все потребители по соизмеримой мощности на группы и определим расчётную нагрузку каждой группы по формуле:
(76)
где к0 – коэффициент одновременности;
Первая группа (потребители №1,2,3,4,5).
Расчётная нагрузка для дневного максимума по формуле:
кВт;
Расчётная нагрузка для вечернего максимума по формуле:
кВт;
Вторая группа (потребители №6).
кВт;
Мощность наружного освещения принимаем из расчёта 250 Вт
на здание и 3 Вт на метр длины периметра свинофермы.
Росв=250·6+(130+160)·2·3=3240 Вт=3.24 кВт
Суммируя расчётные нагрузки всех групп по таблице надбавок, получим расчётную нагрузку на шинах ТП с учётом наружного освещения:
кВт;
кВт;
Расчётная мощность трансформаторной подстанции, определяется по дневному максимуму, так как он больше вечернего.
Определяем полную мощность населённого пункта:
(77)
где: Рнп. – активная мощность всего населённого пункта, кВт;
cosц – средневзвешенное значение коэффициента мощности.
Значения коэффициентов мощности для отдельных потребителей определяем по таблице 3,7 /16/. Определим средневзвешенное значение коэффициента мощности для дневного и вечернего максимума:
(78)
(79)
Тогда полная мощность населенного пункта:
кВА;
кВА;
2.9.3 Выбор числа и мощности трансформаторов и мест расположения ТП 10/ 0,4 кВ
Определим приближённое число трансформаторных подстанций для населённого пункта по формуле:
(80)
где: Fнп. – площадь населённого пункта по генплану, Fнп. = 0.208 км2;
ДUвл – допустимые потери напряжения в сети 0,38 кВ, ДUвл = -2.5
;
Принимаем одну трансформаторную подстанцию, на плане населенного пункта наметим трассы ВЛ 380/220 В.
Учитывая перегрузочную способность трансформатора, принимаем трансформатор мощностью 160 кВА и записываем его паспортные данные в таблицу 2.11.
Таблица 2.11. Параметры трансформатора
| Номер трансформаторной подстанции | Тип трансформатора | Номинальная мощность, кВА | Сочетание напряжений, кВ | Схема и группа соединения обмоток | Потери, Вт | Uк.з, % | Iх.х, А | Сопротивление трансформатора, Ом | |||||||||||||||
| ВН | НН | х.х | к.з. | прямой последовательности | при однофазном к.з. zк(1) | ||||||||||||||||||
| А | Б | ||||||||||||||||||||||
| ТП1 | ТМ | 160 | 10 | 0,4 | Y/Yн-0 | 510 | 565 | 2650 | 4,5 | 2,4 | 0,045 | 0,478 | |||||||||||
На плане населенного пункта нанесем оси координат и определим координаты нагрузок групп жилых домов и отдельных потребителей.
Расположение объектов между собой с учетом реальных размеров показано на рисунке 2.5.
Определяем месторасположение трансформаторной подстанции.
(81)
(82)
где
– сумма расчетных мощностей всех потребительских
подстанций в зоне электроснабжения ТП;
хi – проекция Si на ось x;
yi – проекция Si на ось y.
Компоновка оборудования подстанции должна обеспечивать простые и удобные подходы и выходы воздушных линий всех напряжений с минимальным числом пересечений и углов, удобные подъезды передвижных средств и механизмов для транспортировки и ремонта оборудования и возможностью дальнейшего расширения подстанции.
Площадку для строительства ТП, в соответствии с нормами, выбираем на незаселённой местности, не затопляемой паводковыми водами, в центре электрических нагрузок или в близи от него, по возможности близко от автодороги. Площадка должна иметь по возможности инженерно-геологические условия, допускающие строительство без устройства дорогостоящих заземлений и фундаментов под оборудование.
Наносим координаты и получаем место расположения ТП изображенное на рисунке 2.4.
Произведем расчет мощностей по участкам линий электропередач, для последующего определения сечения и марки провода. Расчет производим методом экономических интервалов нагрузок (метод приведенных затрат), изложенных в пункте 3.
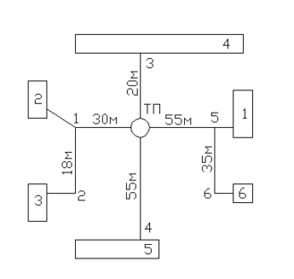
Составляем расчетную схему объекта с нанесением мощностей и длин участков.
Находим расчётные значения мощностей на участках линии:
Участок ТП-1:
кВт;
;
кВА;
Эквивалентная мощность на участке
SэквТП-1 = SТП-1 · Кд, (83)
где Кд – коэффициент динамики роста нагрузок, 0.7 /16/.
кВА.
Рис. 2.5. Расчётная схема объекта
По таблице экономических интервалов нагрузок при толщине стенки гололёда b=5 мм (второй район по гололёду), по значению Sэкв. Находим число и марки проводов для участка линии ТП-1, принимаем к использованию провод
4хА-50+А-25
Результаты расчётов заносим в таблицу 2.6.
Фактические потери напряжения на участках определяем по формуле
∆U =Sмах•lуч•ДUуд •10-3%; (84)
где: lуч – длина участка, м;
ДUуд – удельные потери напряжения, таб. 5,2;
Для участока ТП-1
Проводим аналогичные вычисления и заносим результаты в таблицу 2.12.
Таблица 2.12. Результаты расчёта сети 0,38 кВ
| № расчётного участка | Полная нагрузка, кВА | Эквивалентная мощность, кВА | Длина участка, м | Марка и сечение провода | Потеря напряжения, % |
| Sмах | Sэкв | ∆U | |||
| Фидер 1 | |||||
| ТП – 1 | 113.3 | 79.3 | 30 | 4А-50+А-25 | 1.54 |
| 1 – 2 | 35.7 | 26.25 | 18 | 4А-50+А-25 | 0.29 |
| Суммарная потеря напряжения в конце линии | 1.83 | ||||
| Фидер 2 | |||||
| ТП – 3 | 42.8 | 29.9 | 20 | 4А-50+А-25 | 0.39 |
| Суммарная потеря напряжения в конце линии | 0.39 | ||||
| Фидер 3 | |||||
| ТП – 5 | 27.5 | 19.27 | 55 | 4А25+А25 | 1.18 |
| 5 – 6 | 2.5 | 1.75 | 35 | 4А25+А25 | 0.069 |
| Суммарная потеря напряжения в конце линии | 1.25 | ||||
| Фидер 4 | |||||
| ТП – 4 | 14 | 9,8 | 55 | 4А25+А25 | 0.6 |
| Суммарная потеря напряжения в конце линии | 0.6 | ||||
Потери на участках линии не превышают допустимых значений:
∆U≤∆Uдоп
где ∆Uдоп – допустимые потери на линии, 2.5%;
















