ЛЕКЦИИ по УФиГС (564694), страница 6
Текст из файла (страница 6)
Формирование импульсно-модулированных (ШИМ, ВИМ) сигналов
Импульсно-модулированный ИС, представляет собой несущую импульсную последовательность, модулированную по закону первичного информационного сигнала aF(t). Так как любой модулированный сигнал может быть представлен, как было показано ранее, произведением двух функций, одна из который определяет высокочастотное несущее колебание U0(t), а другая – низкочастотное модулирующее напряжение UM(t), то формирователь ИС может быть представлен, как показано на рис. 45. Преобразователем сигналов ПС, осуществляющим операцию умножения сигналов, поступающих на его входы, выполненный на основе ИМС аналогового смесителя или цифрового логического элемента “И”.
Рис. 45 Обобщенная функциональная схема формирователя ИМ ИС
Функциональная схема импульсного модулятора, формирующего ВИМ или ШИМ – сигналы, показана на рис. 46.
Рис. 46. Функциональная схема формирователя ВИМ и ШИМ сигналов
Принцип действия компаратора иллюстрируются временными диаграммами и упрощенной функциональной схемой ИМС компаратора, приведенными на рис. 47.
Рис. 47 Временные диаграммы напряжений на входе и выходе компаратора – а и упрощенная функциональная схема ИМС компаратора – б.
Условия формирования сигналов на выходе модулятора:
Uвыхшим =
U0 для UF>UП
а для ВИМ сигналов
Uвыхвим =
U0 для UF<UП
Таким образом, ШИМ и ВИМ ИС формируются на выходах 2, 3 ИМС компаратора соответственно и после усиления в усилителе У2 поступают на выход формирователя.
Другой формирователь ШИМ – сигнала на цифровых ИМС показан на рис.48.
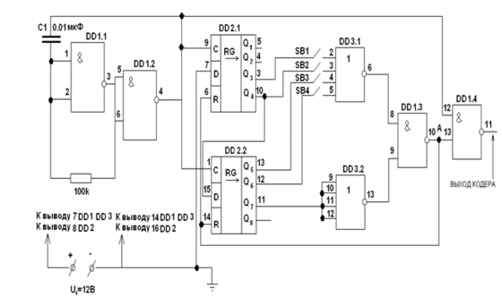
Рис.48 Принципиальная схема кодера ШИМ-сигнала.
Схема содержит три ИМС, каждая из которых объединяет несколько логических элементов: ДД1 (четыре элемента «И-НЕ» - "&"), ДД2 (два сдвиговых регистра - "PG"), ДД3 (два элемента «ИЛИ-НЕ» - "1"). Кодер формирует ШИМ ИС пяти управляющих команд 0,1,2,3,4. Команды кодируются импульсом определенной длительности τК на выходе кодера и устанавливаются оператором, нажатием одной из 4-х кнопок SB-1,SB-2,SB-3,SB-4 согласно таблице, где T= R1C1 – период ТИ, Qn-номер выхода регистра ДД2, соединенного с нажатой кнопкой, или с входом ДД3-1.
Таблица 2
| Команда | “0”-стоп | “1“-назад | “2“-вперёд | “3“-влево | “4“-вправо |
| Нажатая кнопка | - | SB-4 | SB-3 | SB-2 | SB-1 |
| Длительность выходного импульса τк | 6T | 5T | 4T | 3T | 2T |
| Номер выхода DD2 регистра Qn | 7 | 6 | 5 | 4 | 3 |
Как следует из таблицы, длительность кодирующего импульса может быть определена как
τК=(n-1)T.
Процесс формирования кодирующего импульса команды поясняется временными диаграммами сигналов на выводах ИМС, приведенными на рис.49.
Рис. 49 Временные диаграммы сигналов на выводах ИМС кодера ШИМ-сигналов.
Лекция №10
В начальный момент времени t0 происходит самовозбуждение ГТИ и «обнуление» (установка нулевого уровня) выходов всех ИМС. Генератор тактовых импульсов, выполненный на двух элементах «И-НЕ» (ДД1.1, ДД1.2) формирует на своем выходе (вывод 4) непрерывную последовательность ТИ с длительностью τ, периодом Т и скважностью S=2, которые поступают на синхровходы «С» (1 и 9) регистров ДД2.1, ДД2.2 и верхний вход элемента ДД1.4 («12»). Эти импульсы передаются регистром ДД2 на его выходы Q1 - Q8 со сдвигом относительно заднего фронта 1-ого импульса на время t1n=(n-1)T, где n
(1 ÷ 8) – номер выхода ДД2, Qn. Таким образом напряжение уровня “1” появляется на n-ом выходе ДД2 в момент t1n и сохраняется там до момента “обнуления” – t2.Обнуление всех выходов ДД2 происходит одновременно, в момент t2, соответствующий появлению “1” на выходе (10) ДД1.3, в точке А соединенным с входом обнуления “R”, что происходит: 1) в момент t1n появления “1” на “n”-ом выходе ДД2 при нажатой кнопке, соединенной с этим выходом, либо 2) в момент t17 при отсутствии нажатых кнопок. Таким образом, уровень “1” сохраняется на выходе кодера (вывод 11 ДД1-4) в течение времени t1n ÷ t11 и длительность выходного импульса τк= t1n - t11, или принимая t11=0 (2.3), τк=(n – 1)T, что совпадает с данными таблицы №3.
Таблица 3
Команда | Временной интервал | Выходы ИМС | Форма выходного импульса | |||
| DD3.1 | DD3.2 | DD1.3 | DD1.4 | |||
| ˝Стоп˝ - 0 – Все кнопки отжаты | t11<t<t17 | 1 | 1 | 0 | 1 | |
| t=t17 | 1 | 0 | 1 | 0 | ||
| ˝Вперед˝ - 2 – Нажата одна кнопка (SB3) | t11<t<t14 | 1 | 1 | 0 | 1 | |
| t=t14 | 0 | 1 | 1 | 0 | ||
Таблица поясняется логикой преобразователя ИМС ЛЭ "ИЛИ-НЕ" DD3, "И-НЕ" DD1.
Для ИМС DD3 "ИЛИ-НЕ" : на выходе "1", если "0" на всех входах и на выходе "0", если "1" на одном из входов.
Для ИМС "И-НЕ" DD1 : на выходе "0", если "1" на всех входах и на выходе "1", если "0" на всех входах или одна "1".
Таким образом, ключевой точкой схемы является точка А (выводы 10-13): "1" в точке А обнуляет все выходы схемы; "0" в точке А - "1" на выходе кодера.
Через период Т после обнуления в момент t = t2 + T схема возвращается к начальному состоянию в момент t11, и “1” на каждом “n” выходе появляется снова спустя время t =t11+t1n после обнуления, и выходное напряжение представляет собой периодическую последовательность импульсов с длительностью τк, определяемой установленной командой (согласно таблице№3), то есть ШИМ сигнал.
Формирование СРС или ШПС
Формирование СРС или ШПС осуществляется путем модуляции псевдослучайной последовательности или шумового сигнала ПСП низкочастотным информационным сигналом
.
Импульсный преобразователь для формирования ИС с расширенным спектром (СРС) или шумоподобного сигнала (ШПС), показанный на рис. 50.
Рис. 50. Импульсный модулятор СРС или ШПС
Формирование групповых сигналов
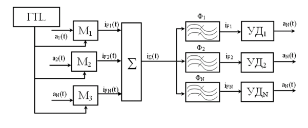
Функциональная схема формирователя группового сигнала с частотным разделением каналов показана на рис. 51,
Рис. 51 Формирователь группового сигнала с частотным разделением каналов
где обозначено: ГП~ - генератор поднесущих частот каналов FП1, FП2, …FN; М1, М2,…МN –модуляторы каналов; ai(t) – сигналы датчиков информации каналов; iFi(t) – информационные сигналы каналов; ∑ - сумматор – уплотнитель каналов; РД-разделитель каналов; i∑(t) - групповой сигнал
=
, передаваемый по линии связи; Фi – фильтры каналов; У, Дi – усилители и детекторы каналов.
Функциональная схема формирователя группового сигнала с временным разделением каналов показана на рис. 52.
Р
Ф1
ис. 52. Формирователь группового сигнала с временным разделением каналовгде обозначено iFi(t) – информационные сигналы каналов; МПЛ – мультиплексор – многопозиционный переключатель, переключающий поочередно ИС iFi каналов, поступающих на его входы, на выход, соединенный с линией связи; ГСИ – генератор синхронизирующих импульсов.
Все рассмотренные схемы – формирователей импульсных ИС реализуются на основе ИМС: многофункциональных БИС (больших интегральных схем), ПЛИС (программируемых логических интегральных схем), ГИС (гибридных интегральный схем), объединяющих интегральные схемы (МИС, СИС) определенного назначения.
Формирование радиосигналов
Радиосигнал (РС) представляет собой модулированное ВЧ колебание и формирование РС сводится к генерации гармонического несущего колебания высокой частоты f0>>Fmax и модуляции этого колебания по закону передаваемого информационного сигнала - (ИС) – iF(t). Источником радиосигнала в канале связи, является радиопередатчик РПД, или радиопередающее устройство – РПУ. Обобщенная функциональная схема РПУ показана на рис. 53.
0 для UF<UП 















