ЛЕКЦИИ по УФиГС (564694), страница 3
Текст из файла (страница 3)
Информационная емкость ГС:
Ii –количество информации.
Ii=Bi – база сигнала; Tc=Ti – длительность одного сигнала.
; Плс=NПi – полоса одного канала.
ГС с временным разделением каналов
Заключается в том, что к каналу выделяется свой временной интервал (слот), периодически повторяющийся в временном кадре, то есть линия связи поочередно используется для отдельных каналов, а информационные сигналы каждого отдельного канала передаются по линиям связи поочередно в течение определенного промежутка времени Tсi.
рис. 23
Для обеспечения синхронизации уплотнителя и разделителя каналов используется специальный синхронизирующий импульс (СИ). Кадровые и канальные СИ различают по длительности, что позволяет разделять их на приемном конце ЛС с использованием специальных фильтров. Таким образом, как видно из рисунка, в течение одного периода кадровых синхронизированных импульсов – Tk, передаются 2 N-канальных синхронизирующих импульса, так что время передачи каждого сигнала сдвинуто относительно соседнего на защитный интервал (штриховка на рисунке) и Tk>NTci и
при этом информационная емкость ГС определяется как:
Плс=Пi. ГС длинный, но узкополосный.
Лекция № 5
ГС с кодовым разделением каналов.
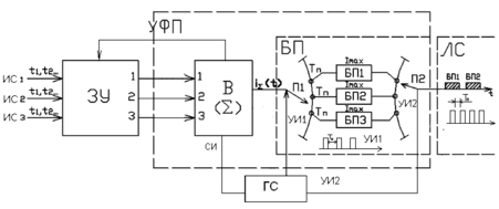
При кодовом разделении каналов, каждому каналу присваивается свой индивидуальный код, который используется как расширяющаяся импульсная последовательность в системах с расширяющимся спектром. При этом ГС формируется по принципу временного разделения каналов, а широкополосные сигналы отдельных каналов накапливаются в течение длительного времени Tн и передаются по линии связи в течение короткого времени τ<<Tн и называются «пакетами». При этом информационная емкость ГС существенно возрастает значительно больше, чем в N раз за счет накопления и сжатия информации. При этом обобщенная функциональная схема уплотнителя канала представлена на рисунке.
На вход подаются информационные сигналы отдельных каналов.
рис. 24
ГСИ – генератор синхроимпульсов.
УФП – устройство формирования пакетов.
МПЛ – мультиплексор.
На выходе каждого канала запоминающего устройства формируется информационный сигнал, который накапливается за время Tн. считывание сигнала происходит быстрее чем накопление. Таким образом, информация одного канала передается в одном пакете, ГС содержит N пакетов и информационная емкость ГС:
, где
- емкость i-ого пакета.
При этом информационная емкость одного пакета:
, где
- количество информации в одном пакете.
Отсюда,
это значение в верхнюю формулу получаем:
- скважность.
Отсюда,
– при использовании сигналов с расширенным спектром.
СГ=NSGCисi – где Cисi – информационная емкость одного канала.
Из последней формулы следует, что
Информационная емкость ГС увеличивается в NSG раз относительно емкости одного канала. Информационная емкость сигнала – это количество информации передаваемое за единицу времени. Этот вид сигнала, рассмотренный в этом параграфе много больше чем другие виды. Также тут используется кодовая система, которая позволяет добиться более высокой защиты информации. Этот Вид ГС используется в сотовых телефонах.
Радиосигналы (РС)
РС – это высокочастотное модулируемое гармоническое колебание (в настоящее время используется в качестве несущего и негармонического колебания, например, импульсная последовательность), параметры которой – амплитуда А, частота – ω, фаза – φ изменяются по передаваемой информации с частотой модуляции Ω<<ω.
Передаваемая информация определяется временной функцией модулируемого напряжения.
, KM – коэффициент передачи модулятора.
Уравнение РС представляется, примерно, гармонической функцией.
Или
В пределах первого периода высокой частоты все параметры можно считать примерно постоянными. В соответствии с формой НЧ модулируемого напряжения
РС классифицируется по способу модуляции как аналоговые (непрерывные) и дискретные (импульсные). В зависимости от модулируемого параметра в (1) различают следующие виды аналоговых РС и соответствующие виды аналоговой модуляции:
-
Амплитудная модуляция
; -
Частотная модуляция
; (2) -
Фазовая модуляция
где нулевым индикатором обозначено среднее значение модулируемого параметра при отсутствии модуляции (UM=0), соответствует немодулированному гармоническому колебанию:
) (3)
Лекция № 6
Для импульсного модулируемого напряжения процесс модуляции определяется как манипуляция и виды дискретных радиосигналов определяются как манипулированные, в зависимости от манипулированного параметра, аналогично аналоговым сигналам см. формулу (2), где принимают параметры A0, ω0, φ0 равным нулю.
В настоящее время практическое применение находят более сложные виды модуляции – комбинированная или внутриимпульсная модуляции, при которых модуляция осуществляется одновременно по 2 параметрам несущего колебания, одним из которых является амплитуда, а другим – частота или фаза. При этом оба модулированных параметра изменяются по различным значениям: амплитуда, как правило, по закону импульсного сигнала с периодам T1, частота и фаза – по закону аналогового или импульсного информационного сигнала с периодом T2<<T1. Наиболее часто используются радиосигналы с внутриимпульсной линейной частотной модуляцией (ВИЛЧМ) или радиосигналы с фазовой манипуляцией (ВИФМи).
Все перечисленные виды радиосигналов удобно свести в таблицу:
Виды РС.
(аналоговые) | с АМ, ЧМ, ФМ | A, f, φ = KUM(t) |
(дискретные) с высокой скважностью | с АИМ, ФИМ, ВИМ, КИМ | A, f, φ = KUM(t) |
| ВИЛЧМ, ВИФМи, ВИШМ |
Таблица 2.
Временные и частотные характеристики приведены в таблице на странице (см. выше).
Рассмотрим подробно характеристики РС:
Аналоговые радиосигналы.
Как следует из приведенной таблицы, спектр аналогового РС состоит из колебаний несущих частот – f0 и двух боковых полос, шириной Fm каждая, так что полоса частот или ширина спектра РС с малым индексом модуляции m, M, θ<1 приближенно определено как:
А огибающая спектра РС S(f) в боковой полосе совпадает с огибающей спектра НЧ информационного сигнала S(F).
Последнее означает, что:
-
Передаваемая информация UM(t) заключена в изменениях спектра сигнала A(t) и восстанавливается на выходе детектора приемника (см. рис. 1) получателя информации, выход напряжения которого:
-
Изменение огибающей A(t) с частотой модуляции Ω по закону информационного сигнала
обусловлено боковыми составляющими спектра сигнала, откуда следует, что носителем информации являются боковые составляющие спектра сигнала и мощность информационного сигала, восстановленная на выходе детектора примерно равна сумме мощностей боковых полос РС: Pc≈2Pбок. При этом полная мощность радиосигнала используется для передачи информации не полностью:
Поэтому энергетическая эффективность радиосигнала оценивается как:
, отсюда следует, что
увеличивается с уменьшением мощности несущего колебания
в спектре РС и
при
.
Рассмотрим это на примере АМ РС:
Уравнение АМ РС представляется:
Для гармонического модулирующего напряжения:
Тогда уравнение АМ РС примет вид:
Представим это уравнение в виде:
(*)
Для негармонического модулирующего напряжения:
– амплитуда гармонического НЧ спектра.
– для ВЧ спектра.
– огибающая боковой полосы спектра сигнала соответствующая огибающей спектра модуляции.
Энергетическая эффективность РС характеризует его помехоустойчивость – способность передавать необходимое количество информации при воздействии помех:
Количество информации, передаваемой информационным сигналом, уменьшается с ростом мощности помех и увеличивается с ростом мощности сигнала.
рис. 25
PПД – мощность подавления.
Для каждой РЭС задано минимальное количество информации Imin, при котором РЭС теряет свою работоспособность (то есть, не обеспечиваются заданные технические характеристики). Для работоспособности РЭС надо, что бы I<Imin.
Лекция №7
При увеличении мощности подавления сигналом – РЭС не работоспособна и, как следует из рис. 25, увеличивается энергетическая эффективность сигнала, что приводит к увеличению мощности помехоподавления. Отсюда следует, что чем выше энергетическая эффективность сигнала, тем более помехоустойчивой является система.
Рассмотрим энергетическую эффективность для АМ РС.
Как следует из его уравнения (*):
– для m=1















