ЛЕКЦИИ по УФиГС (564694), страница 2
Текст из файла (страница 2)
y(t)-y(t1)=y, где y(t1) – значение события.
X приносит информацию о Y.
Тогда, максимальное количество информации, доставляемое X о Y определяется или соответствует: при
=1 – максимальное значение,
основание «2» определяет выбор единицы количества информации. Количество информации аналогового сигнала равно 0, так как мгновенное значение функции определяется достоверно, то есть, нет вероятность. Рассмотрим количество информации для импульсных дискретных сигналов. Для таких сигналов определение количества информации основано на теореме Котельникова: если функция U(t) не содержит в спектре частот >Fm, то она может быть полностью определена последовательностью своих значений, отстоящих друг от друга на время T, где
. При этом для сигналов, длительностью Tc, количество таких значений – выборов, определяется как:
Допущения: Π=Fmax-Fmin≈Fm, если Fmin=0 и 2B>>1.
При этом количество информационных сигналов:
Принято Pп≈Pc – минимальный уровень сигнала.
Физический смысл: количество информации, переносимое сигналом равно базе сигнала. Для аналогового сигнала база меньше 1 и информация, переносимая этим сигналом меньше 1 бита.
Лекция № 3
Информационная емкость:
Параметры, используемые для описания сигналов:
-
Коэффициент широкополосности
-
Коэффициент перекрытия по частоте
-
Пик фактор
-
Динамический диапазон
Характеристики аналоговых и импульсных сигналов.
| Временные характеристики | Спектральные характеристики |
| 1. Гармоническое несущее колебание | |
| А0- амплитуда, Т0 = f0-1 – период f0- частота | |
| 2. Несущая импульсная последовательность | |
| τ – длительность импульса T – период повторения | F1=T-1, F2=2F1; Fn=nF1 |
| 3. Аналоговые АМ РС | |
| F-частота модулирующего гармонического напряжения |
Таблица 1
Лекция № 4
В последние годы наиболее широкое распространение получили КИМ (кодово-импульсные) сигналы, только эти сигналы позволяют осуществить связь с бортовыми радиоэлектронными системами с необходимой точностью и надежностью. Спектр импульсно-модулированного сигнала определяется путем суммирования бесконечного большего числа сплошных спектров от каждого отдельного импульса моделированной последовательности. Результаты вычисления показывают, что для всех рассмотренных видов импульсных сигналов, спектр является дискретным как и для образующей импульсной последовательности. Однако, в окрестности каждой дискретной составляющей появляется полоса частот, образованных комбинациями компонент спектров немодулированной последовательности и модулируемого сигнала. Тонкая структура спектра внутри полосы, рассчитывается в каждом конкретном случае и используется для оптимального приема сигнала.
Рис. 15
Цифровые информационные сигналы.
Передаваемое сообщение кодируется N-разрядным двоичным словом, при этом сам сигнал представляет собой частный случай КИМ, в которой используется цифровой код бинарных символов двоичной системы информационной логике – булевой алгебры. Логическая «1» и логический «0». Таким образом сообщение передается при помощи отдельных символов, образующий алфавитный канал связи. Сообщение содержит N символов, каждому из которых соответствуют короткие импульсы
, следующие друг за другом с частотой
и амплитудой, принимающей значение «0, А» - униполярный цифровой сигнал или «-А; А» - бинарный цифровой сигнал, в соответствии с изображаемыми символами. «1» соответствует импульсу с длительностью τ и амплитудой А. «0» - амплитуда «-А» или «0». Различают биполярный и униполярный цифровой сигнал. Форма импульса может быть произвольной.
«0»-
«1» -
рис. 16
Ширина спектра ЦИС определяется длительностью тактового импульса
.
Телеграфные сигналы (ТЛГ-С).
ТЛГ-С представляет собой случайную последовательность видеоимпульсов, кодирующих передаваемое сообщение в соответствии с одним из известных кодов. В настоящее время существует большое количество используемых кодов, каждый из которых представляет собой секрет фирмы. Наиболее широкое применение имеют код Боде и код Морзе. Каждый такой сигнал представляется как частный случай КИМ. Наиболее широко, для передачи текстовых сообщений используется код Морзе, в котором передаваемая информация представляется буквами алфавита, каждая из которых кодируется тремя кодообразующими символами азбуки Морзе: точка, тире, пауза. Комбинация символов образованная кодом какой-либо буквы преобразуется в электрический сигнал UF(t), представляет собой последовательность прямоугольных видеоимпульсов различной длительности.
τ(“.”) 3τ(“-“)
Длительность τ – между символами, 3τ – между буквами, 5τ – между словами. Последовательность комбинации коротких или длинных импульсов.
Временная форма ТЛГ-С:
Ширина спектра ТЛГ-С определяется длительностью наиболее короткого импульса точки, который в свою очередь определяется скоростью набора символов при передаче. При ручной манипуляции телеграфным ключом максимальная частота спектра сигнала – 30 Гц, а для быстродействующих телеграфных аппаратов, использующих специальное реле – 500 Гц. Для звукового воспроизведения ТЛГ-С используется тональный ТЛГ-С, который представляет собой последовательность импульсов гармонических колебаний звуковой частоты соответствующей длительности.
рис. 18 Тональный сигнал.
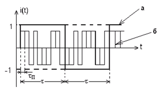
Сигналы с расширенным спектром (СРС). Шумоподобные сигналы (ШПС).
Такие сигналы используются с целью увеличения базы и информационной емкости сигнала за счет расширения его полосы. Для любого дискретного сигнала это осуществляется путем внутренней модуляции информационных символьных импульсов вспомогательной расширяющей импульсной последовательностью с длительностью импульса τп<<τ.
рис.19 а) – псевдослучайная последовательность, б) – спектр радиосигнала
П – полоса информационного сигнала,
Пп – полоса расширяющейся последовательности
СРС расширяется по спектру псевдослучайной последовательности.
Если обозначить
, то этот параметр называется коэффициент расширения спектра сигнала. Также этот параметр можно представить в виде:
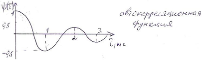
Для G>10 сигнал называется шумоподобным (ШПС) при этом для использования систем CDMA G=500 (27дБ), для UWB G=20000 (432дБ). При этом используя последовательность длительностью τп=(0,1÷1)нс, полоса Пп примерно равна единицам герц. То есть, такой сигнал можно рассматривать как модулированной сигнал с несущим колебанием в виде вспомогательной импульсной последовательности. Прием таких сигналов осуществляется автокорреляционным методом.
Если в качестве приемника используется коррелятор, то эта функция имеет характер:
рис. 20
Групповые сигналы (ГС).
Групповыми, называются сигналы, объединяющие информацию от нескольких источников, передаваемые по одной линии связи, называемой многоканальной.
Функциональная схема многоканальной линии связи:
Каждому источнику соответствует свой канал. Уплотнитель канал – объединяет информационные сигналы отдельных каналов в групповые сигналы. Разделитель каналов – выделяет их из ГС на приемном конце линии связи. По принципу разделения каналов различают следующие виды ГС: с частотным разделением каналов, с временным разделением каналов, с кодовым разделением каналов.
Рассмотрим эти виды ГС более подробно.
ГС с частотным разделением каналов
Частотное разделение канала заключается в том, что информационный сигнал от каждого источника информации размещается внутри определенной «своей» полосы частот, которая суммируется в ГС как показано на рисунке. Помимо информационных сигналов в ГС включают управляющие, синхронизирующие, идентифицирующие и другие сигнала. Полосы частот сигналов формируются путем модуляции гармонических колебаний определенной частотой Fп, называемой поднесущем информационным сигналом этого канала. Возможны различные методы модуляции: АМ, ЧМ, ФМ и др., при этом поднесущая частота всегда располагается в центре полосы соответствующего канала, как показано на рисунке. При этом информационная емкость ГС увеличивается в N раз относительно емкости одного канала.
















