ЛЕКЦИИ по УФиГС (564694), страница 9
Текст из файла (страница 9)
Рис. 71
Эта схема обеспечивает высокую стабильность частоты УМ сигнала, при использованию простых и полосовых фильтров, за счет увеличения интервала между боковыми полосами выходного сигнала балансного модулятора: при соотношении несущей частоты балансовых модуляторов:
.
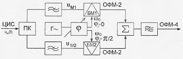
Схема модулятора радиосигнала с ОФМ-Ч представлена на рисунке 72:
Рис. 72
Балансные модуляторы БМ1, БМ2 формируют на выходе 2 ОФМ-2 сигнала, на частоте
, со сдвигом фаз на
/2, которые складываются в сумматоре, образуя выходное ОФМ-Ч сигнал, в соответствии с векторной диаграммой, см. рисунок.
Лекция № 14
Приемно – передающие устройства многоканальных линий связи
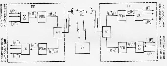
Большинство современных линий связи (ЛС) являются широкодиапазонными, многоканальными, дуплексными. Это значит что передача и прием информации осуществляется в ЛС двух противоположных направлениях и на каждом конце ЛС имеется и передатчик (ПРД) и приемник (ПРМ), которые конструктивно объединяются в 1 блок «приемо – передатчик» (ПП), работающий в широком диапазоне частот:
каждая из которых используется для передачи группового сигнала от нескольких источников информации.
Рис. 73 Схема многоканальной дуплексной линии связи
Разделение принимаемых и передаваемых сигналов осуществляется антенным переключателем АП по частоте, если частота передачи канала не равна частоте приема, т.е.
Выбор рабочих частот каналов и синхронное переключение антенного переключателя (АП) осуществляется при помощи управляющих сигналов, формируемых по сигналу запроса от получателя информации в специальном блоке устройства управления (УУ), которое представляет собой ЭВМ или процессор, расположенные часто в удалении от приемопередатчика в центре управления и для связи с которым организуется отдельно приемо – передающий канал. Рассмотрим в качестве примера схемы приемо передатчиков показанные на следующих рисунках 74.
Рис. 74 Интегральный возбудитель ОМ и ЧМ радиосигнала
Возбудитель формирует ОМ телефонные и ЧМ телеграфные сигналы в диапазоне частот 1.5 – 30 МГц с шагом перестройки 100 Гц и выходной мощностью Pвых = 100 мВт. Источником колебаний является опорный кварцевый генератор 20 с f=5 МГц. Синтезатор частот формирует сетку частот с шагом 100 Гц в диапазоне 70.1 – 98.6 МГц, частоту гетеродина 70 МГц для смесителя 13 и поднесущие частоты 1.4 МГц и 2.8 МГц для канала формирователя соответственно. Входные телефонные сигналы ТФ1 и ТФ2 через усилители 1,2,3,4 подводятся ко входам двух балансных модуляторов 5, 6. Модуляция осуществляется на поднесущей частоте 1,4 МГц. Кварцевые фильтры 7 и 8 выделяют верхнюю канале в ТФ1 и нижнюю в канале ТФ2 боковую полосу. Эти полосы суммируются в сумматоре 9 и 10 с поднесущим колебанием fП=1,4 МГц, уровень которого регулируется аттенюатором 11 в соответствии с регулируемым сигналом управления (СУ). Сформированный групповой сигнал с выхода 10 переносится в диапазон рабочих частот при помощи разностных смесителей 13,15 и фильтра 14, усиливается до необходимого уровня усилителем 16 и через фильтр 17 подается на выход.
Рис. 75
При передаче телеграфных сигналов вход телефонного сигнала ТФ1 отключается, а ТЛГ сигналы через манипулятор 18 поступают на генератор 19, управляемый напряжением (сигналом управления) по программе от микропроцессора. Частота колебаний на выходе генератора 19 дискретно изменяется принимая значения F1, F2 в соответствии с поступающим на него модулирующим ТЛГ сигналом. Тональные частоты F1, F2 формируются путем деления поднесущей частоты 2,8 МГц, подаваемой от синтезатора частот, и поступают на вход балансного модулятора 5, на выходе которого формируется частотно – манипулированный сигнал (fП+F1)( fП+F2), который затем переносится на рабочую несущую частоту аналогично групповому телефонному сигналу. Стабилизация уровня выходного сигнала осуществляется системой АРУ, образованной детектором 22, компаратором 21 и регулируемым аттенюатором 11.
Формирование ЧМЦРС
Канальные частоты F1, F2 поступают на вход балансного модулятора 5.
Рис. 76
Многоканальный приемопередатчик радиорелейной линии с частотным разделением каналов и цифровым радиосигналом
Рис. 77 Интегральный многоканальный приемо-передатчик с частотным разделением каналов и цифровым ЧМ радиосигналом.
На рисунке 77 представлена функциональная схема связного многоканального приемо-передатчика с частотным разделением каналов и цифровым ЧМ сигналом. Основными элементами схемы являются: антенный переключатель АП, приемный модуль ПрМ, передающий модуль ПрД, схема идентификации кода СИК, синтезатор частоты СЧ, ключ питания и источник питания. Приемо – передатчик работает в диапазоне частот 336,2 – 339,2 МГц в котором каждому каналу соответствует своя рабочая несущая частота f0i , с выходной мощностью 4 Вт. Приемный модуль работает в ждущем режиме, принимая через антенну, подключенную к нему через дуплексор, ЧМ цифровые информационные сигналы (ЦИС) отдельных каналов и аналоговые ЧМ сигналы запроса на передачу на несущей частоте f03 = 10 МГц , в которых каждому i-ому каналу соответствует своя частота модуляции Fmi. ЦИС с выхода детектора приемного модуля поступают в каталог передаваемой информации, где они записываются и хранятся в схеме ПЗУ в отдельной строке для каждого канала. Сигналы запроса преобразуются в цифровой код канала (ЦКК) при помощи АЦП, с выхода которого код запроса поступает в схему идентификации кода (СИК), где он сравнивается с заранее записанными в ней кодами всех рабочих каналов.
В случае совпадения принятого кода запроса с одним из заранее записанных, он воспроизводится на выходе СИК, откуда поступает на синтезатор частот (СЧ) и каталог передаваемой информации (КПИ). При этом СЧ формирует на выходе гармоническое колебание поднесущей частоты соответствующего канала FПi=f0i/16, которое поступает на ВЧ вход частотного модулятора (ЧМ), на другой, НЧ вход которого подается модулирующий ЦИС данного канала с выхода КПИ. ЧМ сигнал с выхода частотного модулятора умножается в 16 раз в умножителе частоты (УЧ) и после усиления в усилителе мощности (УМ) частотно модулированный сигнал (ЧМРС) поступает через дуплексор на вход антенны и излучается. Переключение антенны на выход передающего модуля осуществляется дуплексором при поступлении на него сигнала включения с выхода СИК, который формируется там одновременно с кодом канала запроса на другом выходе СИК, и подает постоянное напряжение питания на передающий модуль через ключ питания. В момент окончания передачи синхронизирующий сигнал генератора тактовых импульсов (ССГТИ) с выхода синтезатора частот «обнуляет» выходы СИК и КПИ, отключая напряжения питания передающего модуля и переключая антенну на вход приемного модуля. При этом постоянное напряжение источника U0 остается подключенным к приемному модулю, СИК и СЧ, и восстанавливается ждущий режим приема.
Функциональная схема РПД
Рис. 78
ВУ – видеоусилитель на его выходе получается усиленный цифровой сигнал
ОФМ – относительный фазовый модулятор.
62
















