IZ1-2-Н (562369), страница 3
Текст из файла (страница 3)
k=R - кв - Rt - R - Rк .
Резистивный материал выбран верно, если k > 0.
По заданной относительной погрешности R выбирается метод формирования конфигурации резистора: масочный (R = 10...15%) или фотолитографический (R = 5...10%).
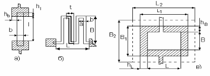
Находят коэффициент формы резистора k = R/кв. При масочном методе, если 1 k 10, резистор выполняется в виде прямоугольной полоски (рис.2.1, а), если k >10, то резистор выполняется в виде составного или меандра, (рис.2.1, б).
Таблица 2.1
| Резистивный материал | кв, Ом/кв | P0, Вт/см2 | R104, 1/oC | ТУ на резистивный материал | Материал контактных площадок и проводников |
| Сплав РС-5402 | 100 | 2 | 0.5 | ЕТО.021.048.ТУ | Au,Cu,Al* |
| Хром ЭРХ | 500 | 2 | 2.0 | АМТУ5-30-70 | Au,Cu,Al* |
| Сплав РС-1734 | 500 | 2 | 10.0 | ГОСТ2205-76 | Au,Cu,Al* |
| Сплав РС-3710 | 2000 | 2 | 2.0 | ГОСТ2205-76 | Au,Cu,Al* |
| Сплав РС-3001 | 20000 | 2 | 1.0 | ГОСТ2205-76 | Au,Cu,Al* |
| Сплав РС-3001 | 30000 | 2 | 1.0 | ГОСТ2205-76 | Au,Cu,Al* |
| Кермет К50-С | 3000 | 2 | 3 | ЕТО.021.048.ТУ | Au,Al |
| Кермет К50-С | 5000 | 2 | -4 | ЕТО.021.048.ТУ | Au,Al |
| Кермет К50-С | 10000 | 2 ... 3 | -5...+3 | ЕТО.021.048.ТУ | Au,Al |
* - материал имеет ограниченное применение.
Рис.2.1
Тонкопленочные резисторы в виде прямоугольной полоски при фотолитографическом методе могут иметь коэффициент формы 1 < k 1 находят расчетную ширину резистора b = max{bminТ, bminП, bminР}, где bminТ - минимальная технологически реализуемая ширина (при масочном методе bminТ = 200 мкм, при фотолитографическом - bminТ = 100 мкм); bminП = (b + l/k)k - минимальная ширина резистора, обеспечивающая допустимую относительную погрешность коэффициента формы, b и l - абсолютные производственные погрешности размеров резистора (при масочном методе bl = 10 мкм, при фотолитографическом - методе bl = 5 мкм), k - допустимая погрешность коэффициента формы, выраженная в относительных единицах;
- минимально допустимая ширина резистора, обеспечивающая заданную мощность рассеяния.
По известной ширине b определяют длину резистора l = bk. Если для формирования конфигурации резистора используется масочный метод или метод фотолитографии, то находят полную длину резистора lп = l + 2hl , где hl - необходимое перекрытие резистивного и проводящего слоев (рис.2.1,а), при котором выполняется требование к относительной погрешности сопротивления контактных переходов. Ширина контактной площадки bк = b+2hb , где hb - припуск на совмещение слоев МСБ. Обычно принимают hl = hb = 100...200 мкм. В случае селективного травления резистивного и проводящего слоев (двойная фотолитография) lп = l, hl = hb = 0.
Через геометрические размеры находят площадь тонкопленочного резистора S = bl.
Элементы тонкопленочной МСБ должны вписываться в координатную сетку, в которой выполняется топологический чертеж. Поэтому размеры b и l округляются до величины кратной шагу координатной сетки. Чтобы найти значение необходимо шаг координатной сетки разделить на масштаб, в котором выполняется топологический чертеж.
Проверка результатов расчета состоит в определении фактических значений удельной мощности, рассеиваемой резистором, P0ф = P/S P0 , фактической относительной погрешности коэффициента формы k ф = b/b + l/l k , и фактической относительной погрешности резистора R ф = k ф + кв + Rt + R + Rк R .
В случае невыполнения хотя бы одного из условий следует увеличить ширину резистора b на величину или относительную погрешность R .
При расчете тонкопленочного резистора с коэффициентом формы k < 1 находят длину резистора l = max{lminТ, lminП, lminР}, где lminТ - минимальная технологически реализуемая длина резистора (обычно lminТ = bminТ ); lminП = (l + bk)/k - минимальная длина резистора, обеспечивающая допустимую относительную погрешность коэффициента формы;
- минимально допустимая длина резистора, обеспечивающая заданную мощность рассеяния. Затем определяют полную длину резистивной пленки lп = l + 2hl и ширину резистора b = l/k.
Расчет тонкопленочного резистора типа меандр (рис.2.1, б) до определения ширины резистора b не отличается от расчета резистора в виде прямоугольной полоски с k > 1. Затем находят среднюю длину резистора lср = kb, полную длину резистивной полоски, и количество звеньев резистора (на рис.2.1, б звено условно выделено)
, где t=a+b - "шаг" меандра, а - расстояние между соседними звеньями. Для минимизации площади резистора обычно полагают a = b. Через число звеньев определяют размеры контура резистора
,
. При методе свободной маски должно выполняться конструкторско-технологическое ограничение
. Если оно не выполняется, необходимо увеличить расстояние а, положив a = 2b, a = 3b, и т.д
Материалы расчета по одному резистору каждого типа (полоска с k<1,
и меандр) следует представить в пояснительной записке в виде последовательного расчета по формулам, приведенным выше, а результаты расчета всех остальных тонкопленочных резисторов рекомендуется проводить на ЭВМ по программам, имеющимся на кафедре 404 или разработанным студентом. Результаты расчетов необходимо оформлять в пояснительной записке в виде таблицы (табл.2.2.).
Таблица 2.2
| Позици- онное обозна- чение | Номинал , допуск , мощность | Мате-риал | кв, Ом/кв | k | Rt , % | R , % | b , мм | l , мм | | n |
| | 10 кОм+10% - 40мВт | Кермет | 5000 | 2 | 0.5 | 1.0 | 0.5 | 1.0 | 0.9 | _ |
2.5.2. Расчет тонкопленочных конденсаторов
К основным характеристикам тонкопленочных конденсаторов относятся: номинальное значение емкости C, относительная погрешность емкости c , рабочее напряжение на обкладках конденсатора Uр и геометрические размеры конденсатора B1, L1 (рис.2.1, в). Конструктивно тонкопленочный конденсатор представляет трехслойную структуру, состоящую из верхней и нижней обкладок, разделенных диэлектрической прослойкой.
Номинальное значение емкости конденсатора определяется по формуле C = C0S = 0,0885S/d, где C0 - удельная емкость материала диэлектрика, -относительная диэлектрическая проницаемость конденсатора, S - площадь верхней обкладки, d - толщина диэлектрического слоя.
Относительная эксплуатационная погрешность емкости
C = C/C = C0 + S + Ct + C ,
где C - абсолютная погрешность емкости конденсатора; C0 - относительная погрешность удельной емкости диэлектрика (C0 = 3...5%); S = B/B + L/L - относительная погрешность площади обкладки конденсатора, B и L - абсолютные погрешности выполнения размера, характерные для выбранного метода изготовления конденсатора; Ct - относительная температурная погрешность емкости; Cотносительная погрешность старения емкости. Две последние составляющие относительной погрешности емкости конденсатора находят так же, как и для тонкопленочных резисторов.
От напряжения Uр, приложенного к обкладкам конденсатора, зависит толщина диэлектрического слоя d.
Геометрические размеры конденсатора B и L находят в результате расчета. Они зависят от номинальной емкости C, удельной емкости материала диэлектрика C0, относительной погрешности емкости C и напряжения на обкладках конденсатора Uр.
Расчет тонкопленочного конденсатора состоит в выборе по исходным данным материала диэлектрика и определении площади верхней обкладки. Выполнение всех конденсаторов МСБ в едином технологическом цикле возможно при использовании одного материала диэлектрика при одинаковой толщине диэлектрического слоя. Поэтому выбор материала диэлектрика производится для конденсатора, имеющего наименьшее номинальное значение емкости.
При расчете тонкопленочного конденсатора используются следующие исходные данные: номинальная емкость конденсатора С; относительная эксплуатационная погрешность емкости C; рабочее напряжение на обкладках Uр; диапазон рабочих температур tmin...tmax и время работы конденсатора .
Расчет тонкопленочного конденсатора производится в следующем порядке. По значению C0 и Uр из табл.2.3 выбирают материал диэлектрика.
Находят толщину диэлектрического слоя, обеспечивающую электрическую прочность конденсатора d = (2...4)Uр/E, где E - диэлектрическая прочность диэлектрика (табл.2.3). Обычно d = 0,3...0,5 мкм.
Определяют удельную емкость диэлектрика, при которой выполняется требование к электрической прочности конденсатора C0E = 0,0885/d, где d выражается в см, C0E - в пФ/см2.
Находят составляющие относительной эксплуатационной погрешности емкости C0, Ct, Cи допустимую относительную погрешность площади верхней обкладки:
S= C- C0 - Ct - C
Определяют удельную емкость материала диэлектрика, обусловленную требованием точности номинала емкости конденсатора CoП = C(S / L)2[KC / (1 + KC)2], где KC = L/B - коэффициент формы конденсатора. Если нет особых требований к форме конденсатора, полагают KC = 1.
Таблица 2.3
| Наименование материала диэлектрика | C010-3 , пФ/см | Uр, В | Е10-6, В / cм | | c104, 1 /oС | ТУ на материал |
| Моноокись кремния | 5 10 | 60 30 | 2...3 | 5...6 | 2 | БКО.028.004 ТУ |
| Моноокись германия | 5 10 15 | 10 7 5 | 1.0 | 11...12 | 3 | ЕТО.021.014 ТУ |
| Боро-силикатное стекло | 2.5 5 10 | 24 15 10 | 3...4 | 4 | 0.36 | ЕТО.035.015 ТУ |
| Стекло электро- вакуумное С41-1 | 15 20 30 40 | 12.6 10...12,6 6,3...10 6,3 | 3...4 | 5.2 | 1,5...1,8 | НПО.027.600 |
Принимают расчетное значение удельной емкости материала диэлектрика C0P min{C0E, C0П}, которое должно отвечать технически реализуемым уровням C0 из табл.2.3.
Находят фактическое значение толщины диэлектрического слоя dФ = 0,0885 / C0P, площадь верхней обкладки конденсатора S = C/C0P и размеры верхней обкладки
.
Определяют размеры нижней обкладки
=L+2(L+hl),
=B+2(B+hb)
и размеры диэлектрического слоя L2= L1 + 2(L + hl),B2 = B1 + 2(B + hb), где hl = hb = (0,1...0,2) мм - припуски на совмещение слоев.
Полученные размеры конденсатора округляются до величины, кратной шагу координатной сетки (см. расчет тонкопленочных резисторов).
После определения геометрических размеров конденсатора производится проверка расчета. Для этого находят фактические значения относительной погрешности площади верхней обкладки SФ = L/L + B/B и напряженности электрического поля в конденсаторе EФ = Uр/dФ. Расчет произведен верно, если выполняются условия SФ S, EФ E.
Обкладки конденсатора чаще всего выполняются из алюминия А99 (ГОСТ 11069-64) при толщине 0,5 мкм. Для повышения адгезии пленки к поверхности подложки нижняя обкладка конденсатора напыляется с подслоем из титана или ванадия.
19
1>
















