!!!moi_kursach!!! (561476)
Текст из файла
Московский Государственный Авиационный Институт
(Технический университет)
Кафедра 304
по курсу “ЭВМ и вычислительные системы”
Выполнил: студент группы 03 – 504
Щербак Владимир
Проверил: Сегал Владимир Михайлович
Москва 2003
1. По заданной структуре разработать автомат
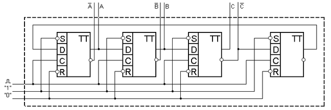
1.1 Структурная схема
-
Входная последовательность сигналов :
-
Исходное состояние автомата: все триггеры в момент времени t0 находятся
в состоянии “0”.
-
Индивидуальное задание:
номер задания 128 _ _а
выходная функция Kс1(F1): АBY1
выходная функция Kс2(F2): 0,2,4,5,7
последовательность сигналов с выходов распределителя: 22331123
тип базового элемента: И-ИЛИ-НЕ
тип триггера задержки Dt
.
2. Выполнить следующее:
-
Минимизировать Кс1 и Кс2 с учетом запрещенных состояний.
-
Разработать функциональную схему автомата.
-
Построить временные диаграммы работы автомата в точках: A,B,С,Y1,Y2,Y3,ai,bi,ci,Si,Qi+1.
-
Определить код (состояние) регистров RS и RQ в момент времени t9.
-
Оценить сложность автомата по Квайну.
Минимизация Кс1 и Кс2 с учётом запрещённых состояний:
Разрешённые состояния Кс1: 0,4,6,7,2. Запрещнные: 1,3,5.
Разрешённые состояния Кс2: 2,4,1,3,5. Запрещнные: 0,6,7.
| Кс1 | Кс2 | |||||||
| № | A | B | Y1 | F1 | C | Y2 | Y3 | F2 |
| 0 | 0 | 0 | 0 | 1 | 0 | 1 | 0 | 1 |
| 1 | 0 | 0 | 0 | 1 | 0 | 1 | 0 | 0 |
| 2 | 1 | 0 | 0 | 0 | 0 | 0 | 1 | 1 |
| 3 | 1 | 1 | 0 | 1 | 0 | 0 | 1 | 0 |
| 4 | 1 | 1 | 1 | 0 | 1 | 0 | 0 | 1 |
| 5 | 1 | 1 | 1 | 0 | 1 | 0 | 0 | 1 |
| 6 | 0 | 1 | 0 | 1 | 1 | 1 | 0 | 0 |
| 7 | 0 | 0 | 0 | 1 | 1 | 0 | 1 | 1 |
|
| запрещённое состояние | |||||||
Минимизация карты Вейча при реализации на И-ИЛИ-НЕ происходит по «0».
С учётом запрещённых состояний:
------------- --------
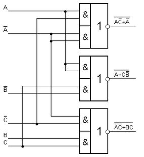
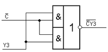
Кс1=АВ+АВ Кс2=CY3
Реализация Кс1 на элементах И-ИЛИ-НЕ:
Реализация Кс2 на элементах И-ИЛИ-НЕ:
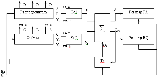
Разработка функциональной схемы автомата:
Счётчик.
По заданию счётчик строится на D-триггерах. Ср2.
Таблица истинности счётчика:
| № | A | B | C | D |
| 0 | 0 | 0 | 0 | 0 |
| 1 | 0 | 0 | 0 | 1 |
| 2 | 1 | 0 | 0 | 1 |
| 3 | 1 | 1 | 0 | 1 |
| 4 | 1 | 1 | 1 | 1 |
| 5 | 1 | 1 | 1 | 0 |
| 6 | 0 | 1 | 1 | 0 |
| 7 | 0 | 0 | 1 | 0 |
Распределитель.
Для простоты реализации схемы используем в распределителе выходы имеющегося счетчика.Так как длинна последовательности номеров канала равна 8, то имеющегося четырёхразрядного счётчика вполне достаточно.
Таблица истинности распределителя:
Запрещённые состояния: 3,4,5,7,8,10,11,12.
Минимизируем Y1, Y2, Y3 по “0” т.к. реализуем схему на элементах И-ИЛИ-НЕ.
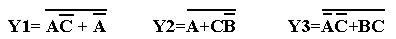
Реализация распределителя на элементах И-ИЛИ-НЕ:
Сумматор.
Таблица истинности и временные диаграммы сумматора:
Реализация сумматора на элементах И-ИЛИ-НЕ:
Триггер.
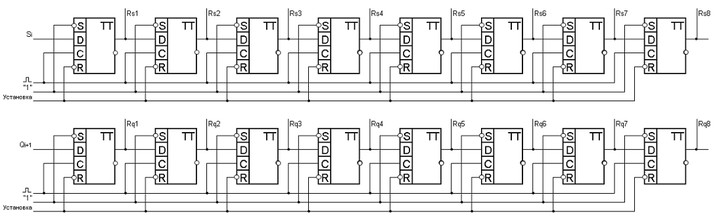
Регистры.
Определение кода регистров в момент времени t9:
Rs1=1, Rs2=1, Rs3=0, Rs4=0, Rs5=0, Rs6=0, Rs7=0, Rs8=0.
Rq1=1, Rq2=1, Rq3=1, Rq4=1, Rq5=1, Rq6=1, Rq7=1, Rq8=1.
Сложность автомата по Квайну:
счётчик:
распределитель:
Кс1:
Кс2:
сумматор:
триггер:
RS:
RQ:
Сложность автомата:
Характеристики
Тип файла документ
Документы такого типа открываются такими программами, как Microsoft Office Word на компьютерах Windows, Apple Pages на компьютерах Mac, Open Office - бесплатная альтернатива на различных платформах, в том числе Linux. Наиболее простым и современным решением будут Google документы, так как открываются онлайн без скачивания прямо в браузере на любой платформе. Существуют российские качественные аналоги, например от Яндекса.
Будьте внимательны на мобильных устройствах, так как там используются упрощённый функционал даже в официальном приложении от Microsoft, поэтому для просмотра скачивайте PDF-версию. А если нужно редактировать файл, то используйте оригинальный файл.
Файлы такого типа обычно разбиты на страницы, а текст может быть форматированным (жирный, курсив, выбор шрифта, таблицы и т.п.), а также в него можно добавлять изображения. Формат идеально подходит для рефератов, докладов и РПЗ курсовых проектов, которые необходимо распечатать. Кстати перед печатью также сохраняйте файл в PDF, так как принтер может начудить со шрифтами.
















